好的,以下是以单片机控制数码管为主题:
### 单片机控制数码管:点亮数字世界的门户
在现代电子技术中,单片机的应用非常广泛,从简单的家用设备到复杂的工业控制系统。单片机的一个常见应用是控制数码管,这是一种通过数字化方式显示信息的电子设备。本文将深入探讨单片机如何控制数码管,包括其工作原理、实现方法、应用领域以及面临的挑战和未来趋势。
#### 单片机控制数码管的工作原理
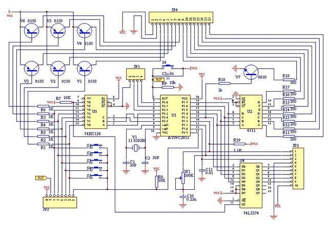
数码管的基本单元是发光二极管,这些二极管按照特定的图形排列,当特定的二极管被激活时,就会显示出相应的数字或字符。单片机通过输出电信号到数码管的各控制引脚,控制这些二极管的亮与灭,从而实现数字或字符的显示。单片机可以精确控制每个二极管的状态,使得数码管能显示复杂的信息和图案。
#### 单片机控制数码管的实现方法
使用单片机控制数码管通常涉及几个步骤。需要选用合适的单片机和数码管模块,并设计必要的电路连接。开发者需要编写程序代码,这些代码决定了数码管上显示内容的逻辑和模式。接下来,通过单片机的输入输出端口,将这些程序的控制信号发送到数码管。进行调试确保数码管能准确无误地显示预期的信息。
#### 单片机控制数码管的应用领域
单片机控制数码管的应用非常广泛。在家庭电器如微波炉、电子时钟中,数码管用于显示时间、温度等信息。在工业控制系统中,数码管常用于显示机器的工作状态、运行参数等重要信息。在公共交通系统中,数码管也广泛应用于显示车辆的实时行驶信息。在商业广告和展览中,创意地使用单片机控制的数码管也可以吸引观众的注意,传递更多信息。
#### 面临的挑战与未来趋势
尽管单片机控制数码管的技术已经相当成熟,但仍面临一些挑战。例如,随着显示技术的发展,人们对于显示效果的要求越来越高,传统的数码管在亮度、色彩和动态显示方面的局限性开始显现。如何在保持低成本的同时提升显示质量,是开发者需要解决的问题。
未来,随着物联网和智能家居的发展,单片机控制数码管可能会与更多的传感器和网络技术结合,实现更智能、更互联的显示解决方案。同时,新型显示技术如OLED可能会逐渐取代传统的LED数码管,带来更好的视觉效果和更低的能耗。
#### 结语
单片机控制数码管作为一种成熟而广泛应用的技术,不仅方便了我们的日常生活,也推动了工商业的发展。面对未来的机遇与挑战,持续的技术创新和应用拓展将是这一领域持续发展的关键。对于从事相关技术的开发者来说,不断学习和实践新技术将是适应未来市场需求的重要途径。
相关问答
51 单片机 8位 数码管时钟 程序?51单片机8位数码管时钟仿真实例,有程序可以参考,可以下载附件仿真试试。51单片机8位数码管时钟仿真实例,有程序可以参考,可以下载附件仿真试试。
大佬,我也想要用51 单片机 和四位 数码管 编写的 时钟 程序??可以吗?要四位数码管显示程序,应根据具体的显示电路来写程序的。而四位数码管的接法很多,不同的方法程序是有区别的。关键是段码和位码是用哪个并口输出的。而且那程...
51 单片机数码管时钟 程序用定时器动态扫描怎么加入闪烁标志位的问题?不是取反,是关闭对应数码管。思路:判断按键->调整时间->显示时间;你要实现闪烁,需要在显示数字部分下功夫不是取反,是关闭对应数码管。思路:判断按键->调整时...
什么是 单片机 的数字 时钟 信号?单片机的数字时钟信号是指用于驱动单片机(微控制器)执行各种操作和计算的时钟信号。这些时钟信号通常由外部晶振或内部电路产生,并以固定的频率和周期性脉冲的...
stc 单片机时钟 电路原理?时钟电路就是一个振荡器,给单片机提供一个节拍,单片机执行各种操作必须在这个节拍的控制下才能进行。因此单片机没有时钟电路是不会正常工作的。时钟电路本身...
怎样用 单片机 做频率计?在不改变定时时间的前提下,也就是0.5秒定时,是不能实现0.1~2Hz频率的测量的。你所谓2Hz~10KHz易实现也是基于这个道理。但这个也是理论情况。当你0.5s内刚好...
C51 单片机 按键 控制 定时闹钟 - 137****7359 的回答 - 懂得请问还有代码吗纯粹用51做闹钟,需要有时钟芯片或者内部RTC功能,如果都没有,只通过定时器,你需要不断的给定时器做一些补偿,你要的是代码还是思路?
C51 单片机 按键 控制 定时闹钟 - 懂得纯粹用51做闹钟,需要有时钟芯片或者内部RTC功能,如果都没有,只通过定时器,你需要不断的给定时器做一些补偿,你要的是代码还是思路?请问还有代码吗
stc89c51 时钟 电路的作用?STC89C51时钟电路的作用是为单片机提供准确的时钟信号,控制其运行速度和时间计量。时钟电路由晶振、电容和电阻组成,晶振产生固定频率的振荡信号,经过放大和整...
51 单片机 电子 时钟 课程设计 程序 急急急急。。。。。。。。。下面是具体的设计:数字时钟的设计与制作摘要:本系统是采用555构成的多协振荡器、74LS90芯片组合做成的数子时钟系统。其中用555构成的多协振荡器产...
