DA转换器是什么?快来一起学习一下吧
我们上篇文章DA转换器是什么?快来一起学习一下吧!已经谈论了AD转换器是什么,以及如何使用,那么这篇文章我们就来学习一下他的卵生兄弟DA转换器的一些知识吧!
一、什么是DA转换器
看过上篇文章后大家应该已经对DA转换器有一个简单的定论了,那么官方的定义是什么呢?
DA转换器是将数字量转换为模拟量的电路,主要用于数据传输系统、自动测试设备、医疗信息处理、电视信号的数字化、图像信号的处理和识别、数字通信和语音信息处理等。
二、工作原理
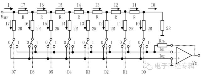
D/A转换器输入的数字量是由二进制代码按数位组合起来表示的,任何一个n位的二进制数,均可用表达式 DATA=D020+D121+ D222+…… +Dn-12n-1 来表示。其中Di=0或1(i=0,1…n-1);20,21,…2n-1分别为对应数位的权。
在D/A转换中,要将数字量转换成模拟量,必须先把每一位代码按其“权”的大小转换成相应的模拟量,然后将各分量相加,其总和就是与数字量相应的模拟量,这就是D/A转换的基本原理。D/A转换器的主要组成基准电压VREF T型(R-2R)电阻网络 位切换开关BSi (i=0,1,…,n-1) 运算放大器A 输出电压VOUT与输入二进制数D0 ~ Dn-1的关系VOUT = -VREF(D020+ D121+ D222+ … + Dn-12n-1)/ 2n T型网络组成的D/A转换器原理图
三、主要性能指标
1、分辨率
反映了D/A转换器对模拟量的分辨能力,定义为基准电压与2n之比值,其中n为D/A转换器的位数 。它就是与输入二进制数最低有效位LSB(Least Significant Bit)相当的输出模拟电压,简称1LSB。在实际使用中,一般用输入数字量的位数来表示分辨率大小,分辨率取决于D/A转换器的位数。2、稳定时间(又称转换时间)
输入二进制数变化量是满量程时,D/A转换器的输出达到离终值±1/2LSB时所需要的时间。对于输出是电流型的D/A转换器来说,稳定时间是很快的,约几μs,而输出是电压的D/A转换器,其稳定时间主要取决于运算放大器的响应时间。
3、绝对精度
指输入满刻度数字量时,D/A转换器的实际输出值与理论值之间的偏差。该偏差用最低有效位LSB的分数来表示,如±1/2LSB或±1LSB。
4、线性误差
D/A转换器的种类 按数字量输入方式,有并行输入和串行输入按模拟量输出方式 电流输出和电压输出按D/A转换的分辩率 低分辩率、中分辩率和高分辩率。
5、接口形式
D/A转换器与单片机接口方便与否,主要决定于转换器本身是否带数据锁存器。有两类D/A转换器,一类是不带锁存器的,另一类是带锁存器的。对于不带锁存器的D/A转换器,为了保存来自单片机的转换数据,接口时要另加锁存器,因此这类转换器必须在口线上;而带锁存器的D/A转换器,可以把它看作是一个输出口,因此可直接在数据总线上,而不需另加锁存器。
四、DA转换器分类
1)电压输出型(如TLC5620)
电压输出型DA转换器虽有直接从电阻阵列输出电压的,但一般采用内置输出放大器以低阻抗输出。直接输出电压的器件仅用于高阻抗负载,由于无输出放大器部分的延迟,故常作为高速DA转换器使用。
2)电流输出型(如THS5661A)
电流输出型DA转换器很少直接利用电流输出,大多外接电流—电压转换电路得到电压输出,后者有两种方法:
一是只在输出引脚上接负载电阻而进行电流—电压转换,
二是外接运算放大器。用负载电阻进行电流—电压转换的方法,虽可在电流输出引脚上出现电压,但必须在规定的输出电压范围内使用,而且由于输出阻抗高,所以一般外接运算放大器使用。
此外,大部分CMOS DA转换器当输出电压不为零时不能正确动作,所以必须外接运算放大器。当外接运算放大器进行电流电压转换时,则电路构成基本上与内置放大器的电压输出型相同,这时由于在DA转换器的电流建立时间上加入了达算放入器的延迟,使响应变慢。这种电路中运算放大器因输出引脚的内部电容而容易起振,有时必须作相位补偿。
3)乘算型(如AD7533)
DA转换器中有使用恒定基准电压的,也有在基准电压输入上加交流信号的,后者由于能得到数字输入和基准电压输入相乘的结果而输出,因而称为乘算型DA转换器。乘算型DA转换器一般不仅可以进行乘法运算,而且可以作为使输入信号数字化地衰减的衰减器及对输入信号进行调制的调制器使用。
4)一位DA转换器
一位DA转换器与前述转换方式全然不同,它将数字值转换为脉冲宽度调制或频率调制的输出,然后用数字滤波器作平均化而得到一般的电压输出(又称位流方式),用于音频等场合。
DA与AD转换器你要知道的都在这里了
一、D/A转换器的基本原理及分类
T型电阻网络D/A转换器 :
二:输出电压与数字量的对应关系
三:D/A转换器的主要性能指标
1、分辨率
分辨率是指输入数字量的最低有效位(LSB)发生变化时,所对应的输出模拟量(电压或电流)的变化量。它反映了输出模拟量的最小变化值。
分辨率与输入数字量的位数有确定的关系,可以表示成FS / 2^n 。FS表示满量程输入值,n为二进制位数。对于5V的满量程,采用8位的DAC时,分辨率为5V/256=19.5mV;当采用12位的DAC时,分辨率则为5V/4096=1.22mV。显然,位数越多分辨率就越高。
2、线性度
线性度(也称非线性误差)是实际转换特性曲线与理想直线特性之间的最大偏差。常以相对于满量程的百分数表示。如±1%是指实际输出值与理论值之差在满刻度的±1%以内。
3、绝对精度和相对精度
绝对精度(简称精度)是指在整个刻度范围内,任一输入数码所对应的模拟量实际输出值与理论值之间的最大误差。绝对精度是由DAC的增益误差(当输入数码为全1时,实际输出值与理想输出值之差)、零点误差(数码输入为全0时,DAC的非零输出值)、非线性误差和噪声等引起的。绝对精度(即最大误差)应小于1个LSB。
相对精度与绝对精度表示同一含义,用最大误差相对于满刻度的百分比表示。
4、建立时间
建立时间是指输入的数字量发生满刻度变化时,输出模拟信号达到满刻度值的±1/2LSB所需的时间。是描述D/A转换速率的一个动态指标。
电流输出型DAC的建立时间短。电压输出型DAC的建立时间主要决定于运算放大器的响应时间。根据建立时间的长短,可以将DAC分成超高速(<1μS)、高速(10~1μS)、中速(100~10μS)、低速(≥100μS)几档。
应当注意,精度和分辨率具有一定的联系,但概念不同。DAC的位数多时,分辨率会提高,对应于影响精度的量化误差会减小。但其它误差(如温度漂移、线性不良等)的影响仍会使DAC的精度变差。
四:芯片实例
1:DAC0832
DAC0832是使用非常普遍的8位D/A转换器,由于其片内有输入数据寄存器,故可以直接与单片机接口。DAC0832以电流形式输出,当需要转换为电压输出时,可外接运算放大器。属于该系列的芯片还有DAC0830、DAC0831,它们可以相互代换。DAC0832主要特性:
分辨率8位;电流建立时间1μS;数据输入可采用双缓冲、单缓冲或直通方式;输出电流线性度可在满量程下调节;逻辑电平输入与TTL电平兼容;单一电源供电(+5V~+15V);低功耗,20mW。pin description:
2:DAC0832三种工作方式
1、单缓冲工作方式
此方式适用于只有一路模拟量输出,或有几路模拟量输出但并不要求同步的系统。
即:默认 CS = XFER = 0, ILE = 1; WR单独控制。 缓冲仅由WR单独控制。
1.1 单极性模拟输出
1.2:双极性模拟输出电压
双极性输出时的分辨率比单极性输出时降低1/2,这是由于对双极性输出而言,最高位作为符号位,只有7位数值位
2、双缓冲工作方式
多路D/A转换输出,如果要求同步进行,就应该采用双缓冲器同步方式 。
即:默认 CS = 0 ILE = 1 ; WR 和 XFER都单独控制, 缓冲由WR和XFER两个控制。
3、直通工作方式
当DAC0832芯片的片选信号CS、写信号WR、及传送控制信号XFER 的引脚全部接地,允许输入锁存信号ILE引脚接+5V时,DAC0832芯片就处于直通工作方式,数字量一旦输入,就直接进入DAC寄存器,进行D/A转换。
即: CS = WR = XFER = 0, ILE = 1;
A/D转换器
一、逐次逼近式ADC的转换原理
二、双积分式ADC的转换原理
三、A/D转换器的主要技术指标
1、分辨率
ADC的分辨率是指使输出数字量变化一个相邻数码所需输入模拟电压的变化量。常用二进制的位数表示。例如12位ADC的分辨率就是12位,或者说分 辨率为满刻度FS的1/ 2^n 。一个10V满刻度的12位ADC能分辨输入电压变化最小值是10V×1/ 2^12 =2.4mV。
2、量化误差
ADC把模拟量变为数字量,用数字量近似表示模拟量,这个过程称为量化。量化误差是ADC的有限位数对模拟量进行量化而引起的误差。实际上,要准确 表示模拟量,ADC的位数需很大甚至无穷大。一个分辨率有限的ADC的阶梯状转换特性曲线与具有无限分辨率的ADC转换特性曲线(直线)之间的最大偏差即 是量化误差。
3、偏移误差
偏移误差是指输入信号为零时,输出信号不为零的值,所以有时又称为零值误差。假定ADC没有非线性误差,则其转换特性曲线各阶梯中点的连线必定是直线,这条直线与横轴相交点所对应的输入电压值就是偏移误差。
4、满刻度误差
满刻度误差又称为增益误差。ADC的满刻度误差是指满刻度输出数码所对应的实际输入电压与理想输入电压之差。
5、线性度
线性度有时又称为非线性度,它是指转换器实际的转换特性与理想直线的最大偏差。
6、绝对精度
在一个转换器中,任何数码所对应的实际模拟量输入与理论模拟输入之差的最大值,称为绝对精度。对于ADC而言,可以在每一个阶梯的水平中点进行测量,它包括了所有的误差。
7、转换速率
ADC的转换速率是能够重复进行数据转换的速度,即每秒转换的次数。而完成一次A/D转换所需的时间(包括稳定时间),则是转换速率的倒数。
四:AD080X demo
PIN5 如果采用中断方式通知CPU,则接外部中断, 否则 5可悬空,延时直接读取即可。
启动时序图如下:
code demo:
[cpp] view plain copy print?
void Launch()
{
CS = 0;
WR = 1; WR = 0; WR = 1;
/*Waiting for INTR goto 0*/
}
读取时序图:
code demo:
[cpp] view plain copy print?
void ReadAD()
{
/* INTR had goto 0*/
CS = 0;
RD = 1; RD = 0; /*delay*/ RD = 1;
/* READ */
}
相关问答
单片机da 指令abh等于多少?单片机汇编言语,十进制加法运算,十进制调整指令daa,使用方法为紧跟加法指令。如mova,#38h;a=#38hadda,#27h;a=#38h+#27h=#5f...
单片机DA 要接参考电压吗?单片机DA需要接参考电压进行供电。单片机DA需要接参考电压进行供电。
STC有没有自带AD/ DA 功能 单片机 ?我要处理来自传感器的模拟信号(电压)?STC系列单片机多数型号都带有AD转换功能,及PWM(即加电容滤波后为DA)功能,上STC官网看看。STC系列单片机多数型号都带有AD转换功能,及PWM...
ADDC是什么意思? 单片机 问题,是不是加一?第一次ADDC时,CY为0,DA转换后,CY置1;第二次ADDC时,CY为1,DA转换后,CY置0;ADDC是在ADD的基础上加上当前CY的值,即运行ADDC前CY的值。第一次ADDC时,CY为...
单片机 填空求助1.MCS-51系列单片机为()位单片机.2.8051单片...[最佳回答]1.MCS-51系列单片机为(8)位单片机.2.8051单片机有两种复位方式,既上电复位和手动复位.复位后SP=(07H),PC=(0000H),PSW=(00H),P0=(F...
怎么将速度信号(数值)转化为脉冲信号?! - 婴儿的逻辑 的回答 ...首先将数值(二进制值)通过DA转换为模拟量,用这个模拟量去控制一个压控振荡器(利用现成的锁相环电路完成)可以用单片机实现,对速度进行逆运算得出脉...
单片机 ad 转换 器锯齿波产生原理?单片机AD转换器通过逐渐增加或逐渐减小的数字信号来产生锯齿波形。具体原理如下:1.单片机AD转换器产生锯齿波形的原理是...单片机AD转换器锯齿波产生原理是...
stc系列 单片机 与stc12系列 单片机 有区别么?STC为单片机的公司名,它是宏晶的缩写12是该公司单片机的系列编号举例:STC89系列:功能和C52单片机类似STC11系列:高速运算能力,是89系列的8-12倍STC12系...
在线的朋友,有谁能给我推荐一下!!杭州好口碑的模块机维修...[回答]武汉市江夏区畅易通家电维修经营部联系人:周总电话:4006880859公司拥有一批技术过硬、经验丰富、反应迅速、信誉良好的专业技术服务人员,所属业务有...
波形编码方法主要有两种什么基本形式?使用的波形编码方法主要有两种什么基本形式用正弦波来说吧,就是很多个点组成,每个点都对应一个电压,v=data*参考电压*1/2n,(2n表示2的n次方,n是ad的位数,有...
