PIC18F单片机的入门
mikroElektronika的PIC板的StartUSB
那么PIC的StartUSB是什么?
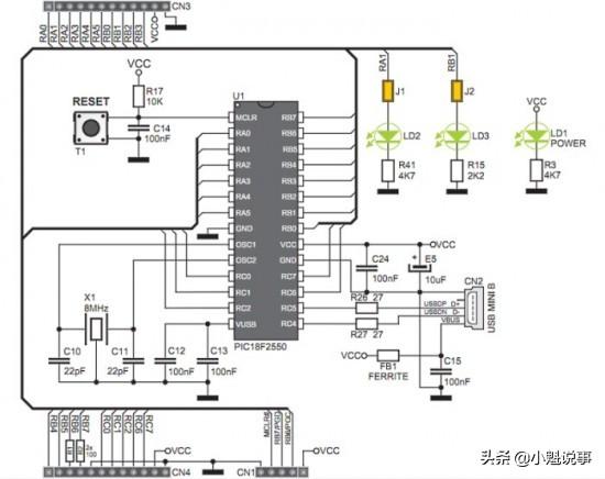
PIC的StartUSB 是一个小型开发板,具有具有快速USB 2.0支持的PIC18F2550单片机。它具有用于所有MCU引脚的连接垫以及两个用于放置附加组件的附加原型设计区域。该板的最大优点是,该微控制器已使用快速USB引导加载程序进行了预编程,因此无需任何外部编程器。您可以使用mikroBootloader将与应用程序相关的HEX文件从PC传输到PIC的程序存储器。 MikroBootloader是mikroElektronika为其USB HID Bootloader开发的PC应用程序。板载miniUSB连接器,振荡器(8.0 MHz晶体),复位电路,电源指示灯LED以及另外两个LED提供了快速启动所需的一切。另外两个LED通过跳线连接到PIC18F2550的RA1和RB1引脚。上图显示了具有所有组件和其他原型制作区域的StartUSB for PIC板。
今天的教程很重要,因为我们将讨论有关PIC板的StartUSB的完整设置,这将使您开始探索PIC18F系列单片机的世界。您需要安装的第一件事是mikroC Pro for PIC,这是由mikroElektronika为PIC12,PIC16和PIC18系列微控制器开发的C编译器。您可以下载该软件的演示版本,该版本将允许您编译最多2 K程序字的程序。安装编译器后,下载mikroBootloader,这是PC的应用程序,可与存储在StartUSB板上PIC18F2550单片机中的Bootloader程序进行通信。可以从以下链接下载用于PIC和mikrobootloader的StartUSB用户指南。
StartUSB板的用户手册提供了该板的电路图以及有关如何将其连接到PC以便使用mikroBootloader下载应用程序HEX文件的说明。在继续前进之前,请先阅读手册中的这些详细信息。
用于USB的PIC板的StartUSB电路图,其中两个LED连接到RA1和RB1
使用“ Hello World”测试板
我们将通过一个简单的测试程序开始我们的旅程,该程序将确保一切设置正确且我们将准备使用PIC18F2550进行更高级的实验。该程序将以500 ms的持续时间交替闪烁两个板上LED(连接到RA1和RB1引脚)。在mikroC Pro for PIC中,以项目形式开发应用程序。如果您以前从未使用过mikroC Pro for PIC,那么mikroElektronika的文件“在mikroC Pro for PIC中创建第一个项目”将指导您创建第一个项目。遵循这些步骤时,选择单片机为PIC18F2550,将器件时钟选择为8.0 MHz。在主程序窗口中,键入以下程序。
/*
用于PIC板的StartUSB测试程序
说明:两个板上LED交替闪烁500 ms
MCU:PIC18F2550,外部晶振= 8.0 MHz,PLL的实际时钟= 48.0 MHz
版权@ Rajendra Bhatt
2011年3月29日
*/
//定义LED连接
sbit LED1 at RA1_bit;
sbit LED2 RB1_bit;
void main(){
CMCON = 0x07;//禁用比较器
ADCON1 = 0x0F;//禁用模拟功能
TRISA = 0x00;
TRISB = 0x00;
LED1 = 0;
LED2 = 1;
做{
LED1 =〜LED1;
LED2 =〜LED2;
Delay_ms(500);
} while(1);
}
下载mikroC项目文件
编译程序以获取HEX文件,然后使用mikroBootloader应用程序将其加载到PIC18F2550单片机中。请按照StartUSB板用户手册中提到的说明进行操作。加载程序后,请重置板并等待5秒钟,直到微控制器退出引导加载程序模式并开始执行新加载的应用程序。您将看到两个板载LED交替闪烁。等一下,它们被编程为以0.5秒的持续时间闪烁,但是您会看到它们的运行速度快得多。看来微控制器时钟比所应用的外部振荡器(8.0 MHz)快得多。由于存在内置的PLL电路,因此在PIC18F2550中是可能的。
用于PIC板的StartUSB上的LED闪烁
PIC18F2550板上的USB模块需要48.0 MHz的时钟才能全速运行。该时钟由内置96 MHz PLL模块通过将其输出除以2得到。PLL本身由来自主时钟源的4 MHz输入信号驱动,在本例中为8.0 MHz晶体。因此,可以通过使用PLL预分频器值2从8.0 MHz的源中获得驱动PLL所需的4.0 MHz。然后,将PLL(96 MHz)的输出除以2,以获得USB操作所需的48 MHz时钟。微控制器内核和其他外设也可以使用此时钟速度,但不是必须的。还有其他选项可以满足USB模块的时钟要求,并且仍然为从主振荡器源为其余器件提供时钟提供了灵活性。这些详细信息可在PIC18F2550的数据手册中找到。但是,对于用于PIC板的StartUSB,由于需要USB自举程序,USB模块和微控制器内核,两者都使用源自PLL的48.0 MHz时钟。不幸的是,引导加载程序不允许用户更改时钟设置,因此,它始终为48.0 MHz,除非您先擦除引导加载程序,然后使用外部编程器修改时钟设置的配置寄存器。因此,板载PIC18F2550单片机实际上以48.0 MHz而不是8.0 MHz运行。这就是LED闪烁快得多的原因。为了解决这个问题,请从mikroC的“项目”菜单中打开“编辑项目”窗口,并确保时钟设置与下面显示的匹配。
这些常用的单片机,你了解多少?
单片机(Microcontroller Unit, MCU)是一种集成了处理器核心、内存、输入/输出端口等多种功能的微型计算机。由于其体积小、成本低、功耗低,单片机在各种电子产品和系统中得到了广泛应用。。
1. 51单片机
51单片机是最经典的单片机之一,最早由Intel推出。它是应用最广泛的8位单片机,特别适合初学者学习。51单片机的特点包括:
2. MSP430单片机
MSP430是德州仪器(TI)推出的16位超低功耗混合信号处理器,以低功耗和高速度著称。其特点包括:
强大的处理能力 :采用精简指令集(RISC)结构,具有丰富的寻址方式和简洁的内核指令。超低功耗 :在降低芯片电源电压和灵活可控的运行时钟方面具有独到之处1。3. STM32单片机
STM32系列单片机由ST公司推出,基于ARM Cortex-M内核。它是性价比极高的单片机,具有以下特点:
高性能内核 :ARM 32位Cortex-M3 CPU,最高工作频率可达72MHz。丰富的存储器 :片上集成32-512KB的Flash存储器和6-64KB的SRAM存储器。多样的通信接口 :包括1μs的双12位ADC,4兆位/秒的UART,18兆位/秒的SPI等1。4. PIC单片机
PIC单片机系列是美国微芯公司(Microchip)的产品,分为基本级、中级、高级三个级别。PIC单片机的CPU采用RISC结构,具有以下特点:
低工作电压和低功耗 :适合于需要长时间运行的电池供电设备。强大的驱动能力 :能够驱动各种电子组件和模块1。5. Arduino
Arduino是一种开源单片机平台,以其易用性和灵活性而闻名。它适合初学者和爱好者进行快速原型制作和小型项目开发。Arduino的特点包括:
用户友好的编程环境 :提供了丰富的库和示例代码。多样的硬件版本 :包括Arduino Uno, Mega, Nano等,适用于不同的应用需求。6. ESP32单片机
ESP32是乐鑫科技推出的单片机,具有强大的无线连接功能,特别适合物联网项目。ESP32的特点包括:
集成Wi-Fi和蓝牙 :支持多种物联网通信协议。高性能 :具有双核处理器和丰富的外设接口1。7. Raspberry Pi
虽然Raspberry Pi通常被归类为单板计算机,但它也可以用作高性能的单片机。Raspberry Pi的特点包括:
强大的处理器 :具有多核CPU和高性能GPU。丰富的操作系统支持 :可以运行Linux等多种操作系统。相关问答
pic18单片机 特点?1,与PIC16相比,PIC18晶振频率更高,换句话说是速度更快,外设资源也更丰富了,基本架构是一样的。2,与51系列相比,pic单片机综合性能优于51单片机。具...1,与PI...
pic18 F系列 单片机 中的实时时钟工作原理有谁能简单解释一下吗?struct{unsignedSECOND:6;unsignedMINUTE:6;unsignedHOUR:5;unsignedDAY:5;unsignedWEEKDAY:3;unsignedMONT...
用 单片机 制作一辆遥控小车的成本要多少?我做的qibot小车,可以追光、超声波避障、巡线、遥控,成本200多点吧,主要是用的铝合金车身,控制系统用的pic18单片机。如果想入门的话,可以考虑使用51、AVR、...
pic单片机 芯片作用?PIC单片机芯片作用:是一种用来开发和控制外围设备的集成电路。一种具有分散作用功能的CPU。与人类相比,大脑就是CPU,PIC共享的部分相当于人的神经系统。PIC...
PIC 的 单片机 如何实现查表功能?PIC系列单片机的查表程序可以利用子程序带值返回的特点来实现。具体是在主程序中先取出表数据地址放入W,接着调用子程序,子程序的第一条指令将W置入PC,则程序...
【 PIC 的 单片机 所有GPIO的最大拉电流和任意I/O引脚最大输出拉...[最佳回答]所有I/O的最大拉电流是针对单片机电源输入脚的电流耐受能力的,因为IC的工艺原因,电源输入引脚的引线不可能像线路板走线那样宽的,属于微小引线的,此...
pic 芯片是哪个国家的?PIC芯片(PICmicrocontrollers)是美国Microchi科技制作的专业微控制器芯片的一种。它是小型的微电脑,用来管理不同设备中的嵌入式系统的运行。PIC单片机系列...
pic单片机 的 pic 是什么意思?1.PIC单片机(PeripheralInterfaceController)是一种用来开发和控制外围设备的集成电路(IC)。一种具有分散作用(多任务)功能的CPU。与人类相比,大脑就是C...
目前常用的 单片机 型号有哪些?都有什么优缺点?现在市场上的单片机型号可以说是非常多的,其中有通用型的单片机,还有专用型的单片机。专用型单片机一般我们不常见到。今天我们结合这个问题来介绍一下目前常...
一次性烧录 单片机 叫什么?pic16C54c即是OTPROM,这款单片机有FLASHROM形式的。pic16C54c单片机简介:PIC16C54C为Microchip公司PIC16系列的产品,采用了0.7微米工艺技术制造...
