基于FPGA的数字化逆变电源的嵌入式系统
本设计充分利用ALTERA公司的Cyclone II系列FPGA的特性,构建了逆变电源的嵌入式控制系统。本设计在FPGA中实现数字化的PI和数字化的PWM控制。数字化控制实现了焊接过程信息实时采集处理,而且对输出电流有很好的控制。
1 引言
电力电子技术近年来迅猛发展,随着对逆变电源性能以及效率等要求的越来越高,在中大功率场合应用中,对全桥电路的控制方式的研究也在不断改进,其中移相控制方式作为一种理想的控制方式已成为大功率全桥DC/DC变换器的发展趋势。
它的主要控制思想是:在全桥逆变拓扑中,每个桥臂上的两个开关管带死区的互补导通,桥臂之间的位于对角线上的开关管导通相差一个移相角α,其中超前导通的桥臂一般被称为超前臂(也叫固定臂),另一个桥臂被成为滞后臂(也称为移相臂)。
目前在通信电源等开关电源领域,移相全桥软开关拓扑是首选的电路结构之一,专用的移相控制芯片也已在这些场合大量应用。但针对中大功率应用领域,目前的专用移相控制芯片仍然存在一定的不足。
本文采用Altera公司的CycloneII系列FPGA芯片实现了基于移相PWM全桥控制模式的脉宽调制输出实现了大功率逆变电源的设计,简化了控制电路,提高了可靠性,并且本设计可应用于其他低压大电流输出的中大功率逆变电源场合(即数字化开关电源领域),应用领域广泛。
2 专用移相控制芯片
目前市场上常见的专用移相控制芯片主要有:Micro Leaner公司的ML4828,以及TI公司的UC3875系列、UC3879、UCC3895等等。
几款移相控制芯片的性能参数或多或少存在一定的区别,但它们基本的工作方式以及控制原理是完全相同的。下面以UC3875为例,其内部主要由脉宽调制信号产生电路、移相形成电路以及辅助电路3大部分构成。其中,脉宽调制部分由振荡电路、误差放大器及锯齿波发生器等构成,其产生移相脉冲逻辑如图1所示。
图1 产生移相脉冲时序逻辑图
本设计之初的思路是利用现有专用移相控制芯片作为大功率逆变电源的控制核心,实现大功率逆变电源的移相全桥控制。在实际研究中,发现移相全桥控制芯片在应用到大功率逆变电源领域时存在不足。主要缺点有如下两点:
可设置的死区时间范围较小,可调死区时间过窄,由于其芯片设计原理的根本性缺陷,存在临界点的滞环振荡问题。其中,缺点1由表1的专用移相控制芯片的性能对比可以看出几款移相控制芯片可调范围无一例外的将其可调范围限定在500nS左右,而其可设置的死区时间均在2~4uS左右。这个时间等级在驱动以MOSFET高速器件为功率开关器件的中小功率逆变电源时是合适的。
然而对于大功率逆变电源一般都以IGBT为开关器件,由于IGBT存在拖尾电流效应,其开关频率一般在20kHz至60kHz,对于同一桥臂上下开关管的IGBT的死区时间必须大于3微秒,一般为4~10微秒。若使用目前的几款专用移相开关器件,均不符合要求。
缺点2则是在实际调试中发现的,由于移相芯片设计上固有的误差放大器内部输入阈值比较点,当移相控制芯片的误差输入给定端的输入值到达固定的该点时输出波形存在滞环振荡的现象。如图2所示为利用示波器无限余辉模式观测到的发生振荡时的UC3875输出PWM的抖动范围。
图2 误差放大器输入值到达特定值点的滞环振荡
3 系统硬件设计
本设计采用的可编程逻辑芯片为Altera公司的CycloneII系列的EP2C5T144C8的FPGA芯片,其内部含有4608个逻辑单元、26个M4K块(共计约14K Bytes的RAM存储单元)以及2个内嵌锁相环电路,EDA设计环境为Altera公司的Quartus II集成开发环境,仿真软件为ModelSim;单片机部分选用富士通公司的16位增强型单片机MB90F352S。
可编程逻辑器件是指一切可以通过软件手段更改、配置器件内部连接结构和逻辑单元,完成既定设计功能的数字集成电路。随着电子工艺的不断改进,现代数字电路的发展速度很快,低成本高性能的FPGA/CPLD器件不断推陈出新,使其成为硬件设计的首选方式之一。
目前常用的可编程逻辑器件主要有复杂可编程逻辑器件(CPLD)和现场可编程逻辑阵列(FPGA)两种。本设计选用的Cyclone II的 EP2C5T144C8器件提供了相当于13个18比特x 18比特的乘法器,可以实现通用数字信号处理(DSP)功能,如有限推动响应(FIR)滤波器、快速傅立叶变换(FFT)、相关器、编/解码器和数字控制振荡器(NCO)。 与基于逻辑单元(LE)的乘法器相比,嵌入式乘法器提供了更高的性能和逻辑效率。
把FPGA/CPLD应用于嵌入式控制系统,同单片机结合起来,更能体现其在系统可编程、使用方便灵活的特点。本文设计实现的数字化弧焊逆变电源,利用单片机与可编程逻辑器件共同构建数字控制系统,如图3所示,单片机用以统筹整个焊接过程的控制管理,而复杂的算法和逻辑控制包括PID算法和PWM生成策略均由可编程逻辑器件FPGA完成,外围电路可以大大简化,提高系统的可靠性。
图3 弧焊逆变电源数字控制系统框图
其主要控制思想为:系统通过霍尔电流反馈实时采样输出电流信号,将反馈通过16位富士通单片机中自带的10位A/D转换(最快转换速率达3μS),将模拟量转换为数字量并实时送入FPGA中。另外同时将面板参数给定也送入FPGA中,通过在FPGA中的PID算法模块生成控制PWM模块占空比的参数给定,最后由PWM模块输出四路驱动波形,从而完成了整个系统的一个周期的运转。
4 FPGA中主要模块的设计(略)
完整的FPGA/CPLD设计流程应包括:电路设计与输入、功能仿真、综合、综合后仿真、实现、布线后仿真与验证、板级仿真验证与调试等主要步骤。
本设计通过Verilog HDL语言完成各部分模块的设计与生成,仿真验证则是通过编写测试文件TestBench在ModelSim环境下仿真,最后均在QuartusII环境综合并下载到EP2C5中运行。限于篇幅,以下各模块的说明中均未给出具体的Verilog语言的源程序,仅说明各模块的具体功能和实现方法。
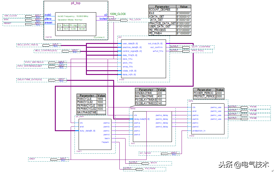
下面仅介绍本设计FPGA中主要的四个模块:PID算法模块、PWM生成模块、死区模块和安全互锁模块。各模块连接框图如图4所示,
图4 FPGA中主要模块连接示意图
本设计中用到的主时钟为10MHz的有源晶振产生的时钟信号进入FPGA后经内部的PLL锁相环倍频至100MHz。
5 仿真与实验波形(略)
图11 主控板实例照片
6 总结
数字化PI的优势在于PI参数修改的方便性,这就使得电源在全负载区间内均能获得良好的性能。 由实际实验波形可看出,本设计获得较好的电流波形。在数字化的主控系统中配合数字化的PWM,就避免了D/A转换环节,也提高了精度。
另外,采用FPGA不仅可以实现数字化的PWM,还可以实现一些所需的数字逻辑的数字电路功能,这就大大减小了控制板的面积和外扩元器件的数量,同时也使得系统的可靠性得以提高。
但是,从设计中也发现数字式PWM控制也存在不足,即数字式PWM以计数器当定时器,因此存在分辨率的问题,数字式PWM的定时器采用数字计数器,即若数字计数器的位数为N(即计数值周期为N+1;计数值周期不含时间概念,只有数值概念),则计数脉冲时钟的频率即为数字PWM的分辨率,而数字式PWM的分辨率就是其占空比可变化的最小值。
用公式表示为:若计数器的计数值周期为N+1,则数字PWM的分辨率为:D=1/(N+1)。模拟式控制时的PWM理论上可以为占空比区间内的任意值,不存在分辨率的问题,而数字式的PWM占空比为离散化的。
一点遗憾是,由于时间的关系,未能将本设计中的模块实现基于WISHBONE标准的SOC电路互连接口规范,否则本设计中的模块可以生成通用IP,适用性更广。
下面则是本设计过程中的一些体会:
综合之前一定要进行仿真,这是因为仿真会暴露不少的逻辑错误,所以建议这样做。如果不做仿真,没有发现的逻辑错误会进入综合器,使综合的结果产生同样的逻辑错误。
阻塞和非阻塞赋值的语言结构是Verilog 语言中最难理解概念之一,本人看到许多相关文献推荐可综合风格的Verilog模块阻塞和非阻塞赋值编程的八个原则,在本设计中严格遵守了它们,深感获益匪浅,在此也推荐出来:
1、时序电路建模时,用非阻塞赋值。2、锁存器电路建模时,用非阻塞赋值。3、用always块建立组合逻辑模型时,用阻塞赋值。4、在同一个always块中建立时序和组合逻辑电路时,用非阻塞赋值。5、在同一个always块中不要既用非阻塞赋值又用阻塞赋值。6、不要在一个以上的always块中为同一个变量赋值。7、用$strobe系统任务来显示用非阻塞赋值的变量值8、在赋值时不要使用 #0 延迟编写实用性强的模块是一件复杂而细致的工作,需要极其认真的工作态度和作风。另外,需要编写testbench对模块性能进行详尽完备的测试,才能保证其可靠性。
对于本系统设计过程中,非常好用的功能是Quatus II软件内嵌的SignalTap II 嵌入式逻辑分析仪。SignalTap II逻辑分析仪在每个器件中支持逻辑分析仪IP函数的多个实例。此特性实现了器件中每个时钟域上单独且唯一的嵌入式逻辑分析仪功能。
在设计时,曾考虑到利用Nios II处理器设计集成性更强的片上可编程系统(SOPC)解决方案,但考虑到FPGA中并不内含A/D模拟部分,必须外加转换芯片。于是本设计选用了含有高速A/D转换的16位单片机作补充,于是就干脆未使用Nios II这个功能强大的内嵌处理器,甚感遗憾。
恰给ALTERA公司一点建议是希望将来能有一款内嵌A/D的FPGA芯片(因为接口部分不可避免存在模拟量输入),这样Nios II内嵌处理器可以真正发挥性能,最终能做到单片片上可编程系统(SSOPC)。
(本文选编自《电气技术》,原文标题为“基于FPGA的数字化逆变电源的嵌入式系统设计”,作者为陈亮、朱伟建等。)
史上最强单片机科普,看完给跪了!
MCU是Microcontroller Unit 的简称,中文叫微控制器,俗称单片机, 是把CPU的频率与规格做适当缩减,并将内存、计数器、USB、A/D转换、UART、PLC、DMA等周边接口,甚至LCD驱动电路都整合在单一芯片上,形成芯片级的计算机,为不同的应用场合做不同组合控制,诸如手机、PC外围、遥控器,至汽车电子、工业上的步进马达、机器手臂的控制等,都可见到MCU的身影。
单片机发展简史
单片机出现的历史并不长,但发展十分迅猛。 它的产生与发展和微处理器(CPU)的产生与发展大体同步,自1971年美国英特尔公司首先推出4位微处理器以来,它的发展到目前为止大致可分为5个阶段。下面以英特尔公司的单片机发展为代表加以介绍。
1971年~1976年
单片机发展的初级阶段。 1971年11月英特尔公司首先设计出集成度为2000只晶体管/片的4位微处理器英特尔4004,并配有RAM、 ROM和移位寄存器, 构成了第一台MCS—4微处理器, 而后又推出了8位微处理器英特尔8008, 以及其它各公司相继推出的8位微处理器。
1976年~1980年
低性能单片机阶段。 以1976年英特尔公司推出的MCS—48系列为代表, 采用将8位CPU、 8位并行I/O接口、8位定时/计数器、RAM和ROM等集成于一块半导体芯片上的单片结构, 虽然其寻址范围有限(不大于4 KB), 也没有串行I/O, RAM、 ROM容量小, 中断系统也较简单, 但功能可满足一般工业控制和智能化仪器、仪表等的需要。
1980年~1983年
高性能单片机阶段。 这一阶段推出的高性能8位单片机普遍带有串行口,有多级中断处理系统, 多个16位定时器/计数器。片内RAM、 ROM的容量加大,且寻址范围可达64 KB,个别片内还带有A/D转换接口。
1983年~80年代末
16位单片机阶段。 1983年英特尔公司又推出了高性能的16位单片机MCS-96系列,由于其采用了最新的制造工艺, 使芯片集成度高达12万只晶体管/片。
1990年代
单片机在集成度、功能、速度、可靠性、应用领域等全方位向更高水平发展。
单片机的分类及应用
MCU按其存储器类型 可分为无片内ROM型 和带片内ROM型 两种。对于无片内ROM型的芯片,必须外接EPROM才能应用(典型为8031);带片内ROM型的芯片又分为片内EPROM型(典型芯片为87C51)、MASK片内掩模ROM型(典型芯片为8051)、片内Flash型(典型芯片为89C51)等类型。
按用途可分为通用型 和专用型 ;根据数据总线的宽度和一次可处理的数据字节长度可分为8 、16 、32位 MCU。
目前,国内MCU应用市场最广泛的是消费电子 领域,其次是工业领域 、和汽车电子 市场。消费电子 包括家用电器、电视、游戏机和音视频系统等。工业领域 包括智能家居、自动化、医疗应用及新能源生成与分配等。汽车领域 包括汽车动力总成和安全控制系统等。
单片机的基本功能
对于绝大多数MCU,下列功能是最普遍也是最基本的,针对不同的MCU,其描述的方式可能会有区别,但本质上是基本相同的:
TImer(定时器): TImer的种类虽然比较多,但可归纳为两大类:一类是固定时间间隔的TImer, 即其定时的时间是由系统设定的,用户程序不可控制,系统只提供几种固定的时间间隔给用户程序进行选择,如32Hz,16Hz,8Hz等,此类TImer在4位MCU中比较常见,因此可以用来实现时钟、计时等相关的功能。
另一类则是Programmable Timer(可编程定时器), 顾名思义,该类Timer的定时时间是可以由用户的程序来控制的,控制的方式包括:时钟源的选择、分频数(Prescale)选择及预制数的设定等,有的MCU三者都同时具备,而有的则可能是其中的一种或两种。此类Timer应用非常灵活,实际的使用也千变万化,其中最常见的一种应用就是用其实现PWM输出。
由于时钟源可以自由选择,因此,此类Timer一般均与Event Counter(事件计数器)合在一起。
IO口: 任何MCU都具有一定数量的IO口,没有IO口,MCU就失去了与外部沟通的渠道。根据IO口的可配置情况,可以分为如下几种类型:
纯输入或纯输出口: 此类IO口有MCU硬件设计决定,只能是输入或输出,不可用软件来进行实时的设定。
直接读写IO口: 如MCS-51的IO口就属于此类IO口。当执行读IO口指令时,就是输入口;当执行写IO口指令则自动为输出口。
程序编程设定输入输出方向的: 此类IO口的输入或输出由程序根据实际的需要来进行设定,应用比较灵活,可以实现一些总线级的应用,如I2C总线,各种LCD、LED Driver的控制总线等。
对于IO口的使用,重要的一点必须牢记的是:对于输入口,必须有明确的电平信号,确保不能浮空(可以通过增加上拉或下拉电阻来实现);而对于输出口,其输出的状态电平必须考虑其外部的连接情况,应保证在Standby或静态状态下不存在拉电流或灌电流。
外部中断: 外部中断也是绝大多数MCU所具有的基本功能,一般用于信号的实时触发,数据采样和状态的检测,中断的方式由上升沿、下降沿触发和电平触发几种。外部中断一般通过输入口来实现,若为IO口,则只有设为输入时其中断功能才会开启;若为输出口,则外部中断功能将自动关闭(ATMEL的ATiny系列存在一些例外,输出口时也能触发中断功能)。外部中断的应用如下:
外部触发信号的检测: 一种是基于实时性的要求,比如可控硅的控制,突发性信号的检测等,而另一种情况则是省电的需要。
信号频率的测量,为了保证信号不被遗漏,外部中断是最理想的选择。
数据的解码: 在遥控应用领域,为了降低设计的成本,经常需要采用软件的方式来对各种编码数据进行解码,如Manchester和PWM编码的解码。
按键的检测和系统的唤醒: 对于进入Sleep状态的MCU,一般需要通过外部中断来进行唤醒,最基本的形式则是按键,通过按键的动作来产生电平的变化。
通讯接口: MCU所提供的通讯接口一般包括SPI接口,UART,I2C接口等,其分别描述如下:
SPI接口: 此类接口是绝大多数MCU都提供的一种最基本通讯方式,其数据传输采用同步时钟来控制,信号包括:SDI(串行数据输入)、SDO(串行数据输出)、SCLK(串行时钟)及Ready信号;有些情况下则可能没有Ready信号;此类接口可以工作在Master方式或Slave方式下,通俗说法就是看谁提供时钟信号,提供时钟的一方为Master,相反的一方则为Slaver。
UART(Universal Asynchronous Receive Transmit): 属于最基本的一种异步传输接口,其信号线只有Rx和Tx两条,基本的数据格式为:Start Bit + Data Bit(7-bits/8-bits) + Parity Bit(Even, Odd or None) + Stop Bit(1~2Bit)。一位数据所占的时间称为Baud Rate(波特率)。
对于大多数的MCU来讲,数据为的长度、数据校验方式(奇校验、偶校验或无校验)、停止位(Stop Bit)的长度及Baud Rate是可以通过程序编程进行灵活设定。此类接口最常用的方式就是与PC机的串口进行数据通讯。
I2C接口: I2C是由Philips开发的一种数据传输协议,同样采用2根信号来实现:SDAT(串行数据输入输出)和SCLK(串行时钟)。其最大的好处是可以在此总线上挂接多个设备,通过地址来进行识别和访问;I2C总线的一个最大的好处就是非常方便用软件通过IO口来实现,其传输的数据速率完全由SCLK来控制,可快可慢,不像UART接口,有严格的速率要求。
Watchdog(看门狗定时器): Watchdog也是绝大多数MCU的一种基本配置(一些4位MCU可能没有此功能),大多数的MCU的Watchdog只能允许程序对其进行复位而不能对其关闭(有的是在程序烧入时来设定的,如Microchip PIC系列MCU),而有的MCU则是通过特定的方式来决定其是否打开,如Samsung的KS57系列,只要程序访问了Watchdog寄存器,就自动开启且不能再被关闭。一般而言watchdog的复位时间是可以程序来设定的。Watchdog的最基本的应用是为MCU因为意外的故障而导致死机提供了一种自我恢复的能力。
单片机的学习窍门
任何一款MCU,其基本原理和功能都是大同小异,所不同的只是其外围功能模块的配置及数量、指令系统等。
对于指令系统,虽然形式上看似千差万别,但实际上只是符号的不同,其所代表的含义、所要完成的功能和寻址方式基本上是类似的。
要了解一款MCU,首先需要知道就是其ROM空间 、RAM空间 、IO口数量 、定时器数量 和定时方式 、所提供的外围功能模块(Peripheral Circuit) 、中断源 、工作电压 及功耗 等等。
了解这些MCU Features后,接下来第一步就是将所选MCU的功能与实际项目开发的要求的功能进行对比,明确哪些资源是目前所需要的,哪些是本项目所用不到的。
对于项目中需要用到的而所选MCU不提供的功能,则需要认真理解MCU的相关资料,以求用间接的方法来实现,例如,所开发的项目需要与PC机COM口进行通讯,而所选的MCU不提供UART口,则可以考虑用外部中断的方式来实现。
对于项目开发需要用到的资源,则需要对其Manua*进行认真的理解和阅读,而对于不需要的功能模块则可以忽略或浏览即可。对于MCU学习来讲,应用才是关键,也是最主要的目的。
明确了MCU的相关功能后,接下来就可以开始编程了。
对于初学者或初次使用此款MCU的设计者来说,可能会遇到很多对MCU的功能描述不明确的地方,对于此类问题,可以通过两种方法来解决,一种是编写特别的验证程序来理解资料所述的功能;另一种则可以暂时忽略,单片机程序设计中则按照自己目前的理解来编写,留到调试时去修改和完善。前一种方法适用于时间较宽松的项目和初学者,而后一种方法则适合于具有一定单片机开发经验的人或项目进度较紧迫的情况。
指令系统千万不要特别花时间去理解。指令系统只是一种逻辑描述的符号,只有在编程时根据自己的逻辑和程序的逻辑要求来查看相关的指令即可,而且随着编程的进行,对指令系统也会越来越熟练,甚至可以不自觉地记忆下来。
单片机的程序编写
MCU的程序的编写与PC下的程序的编写存在很大的区别,虽然现在基于C的MCU开发工具越来越流行,但对于一个高效的程序代码和喜欢使用汇编的设计者来讲,汇编语言仍然是最简洁、最有效的编程语言。
对于MCU的程序编写,其基本的框架可以说是大体一致的,一般分为初始化部分(这是MCU程序设计与PC最大的不同),主程序循环体和中断处理程序三大部分,其分别说明如下:
初始化: 对于所有的MCU程序的设计来讲,出世化是最基本也是最重要的一步,一般包括如下内容:
屏蔽所有中断并初始化堆栈指针: 初始化部分一般不希望有任何中断发生。
清除系统的RAM区域和显示Memory:虽然有时可能没有完全的必要,但从可靠性及一致性的角度出发,特别是对于防止意外的错误,还是建议养成良好的编程习惯。
IO口的初始化: 根据项目的应用的要求,设定相关IO口的输入输出方式,对与输入口,需要设定其上拉或下拉电阻;对于输出口,则必须设定其出世的电平输出,以防出现不必要的错误。
中断的设置: 对于所有项目需要用到的中断源,应该给予开启并设定中断的触发条件,而对于不使用的多余的中断,则必须给予关闭。
其他功能模块的初始化: 对于所有需要用到的MCU的外围功能模块,必须按项目的应用的要求进行相应的设置,如UART的通讯,需要设定Baud Rate,数据长度,校验方式和Stop Bit的长度等,而对于Programmer Timer,则必须设置其时钟源,分频数及Reload Data等。
参数的出世化: 完成了MCU的硬件和资源的出世化后,接下来就是对程序中使用到的一些变量和数据的初始化设置,这一部分的初始化需要根据具体的项目及程序的总体安排来设计。对于一些用EEPROM来保存项目预制数的应用来讲,建议在初始化时将相关的数据拷贝到MCU的RAM,以提高程序对数据的访问速度,同时降低系统的功耗(原则上,访问外部EEPROM都会增加电源的功耗)。
主程序循环体: 大多数MCU是属于长时间不间断运行的,因此其主程序体基本上都是以循环的方式来设计,对于存在多种工作模式的应用来讲,则可能存在多个循环体,相互之间通过状态标志来进行转换。对于主程序体,一般情况下主要安排如下的模块:
计算程序: 计算程序一般比较耗时,因此坚决反对放在任何中断中处理,特别是乘除法运算。
显示传输程序: 主要针对存在外部LED、LCD Driver的应用。
中断处理程序: 中断程序主要用于处理实时性要求较高的任务和事件,如,外部突发性信号的检测,按键的检测和处理,定时计数,LED显示扫描等。
一般情况下,中断程序应尽可能保证代码的简洁和短小,对于不需要实时去处理的功能,可以在中断中设置触发的标志,然后由主程序来执行具体的事务――这一点非常重要,特别是对于低功耗、低速的MCU来讲,必须保证所有中断的及时响应。
对于不同任务体的安排,不同的MCU其处理的方法也有所不同。
例如,对于低速、低功耗的MCU(Fosc=32768Hz)应用,考虑到此类项目均为手持式设备和采用普通的LCD显示,对按键的反应和显示的反应要求实时性较高,应此一般采用定时中断的方式来处理按键的动作和数据的显示;而对于高速的MCU,如Fosc》1MHz的应用,由于此时MCU有足够的时间来执行主程序循环体,因此可以只在相应的中断中设置各种触发标志,并将所有的任务放在主程序体中来执行。
在MCU的程序设计中,还需要特别注意的一点就是: 要防止在中断和主程序体中同时访问或设置同一个变量或数据的情况。有效的预防方法是,将此类数据的处理安排在一个模块中,通过判断触发标志来决定是否执行该数据的相关操作;而在其他的程序体中(主要是中断),对需要进行该数据的处理的地方只设置触发的标志。――这可以保证数据的执行是可预知和唯一的。
全球主流单片机制造商
欧美地区
1、Freescale+NXP(飞思卡尔+恩智浦): 荷兰,主要提供16位、32位MCU。应用范围:汽车电子、LED和普通照明、医疗保健、多媒体融合、家电和电动工具、楼宇自动化技术电机控制、电源和功率转换器、能源和智能电网、自动化、计算机与通信基础设施。
2、Microchip+Atmel(微芯科技+爱特梅尔): 美国,主要提供16位、32位MCU。应用范围:汽车电子、工业用、电机控制、汽车、楼宇自动化、家用电器、家庭娱乐、工业自动化、照明、物联网、智能能源、移动电子设备、计算机外设。
3、Cypress+Spansion(赛普拉斯+飞索半导体): 美国,主要提供8位、16位、32位MCU。应用范围:汽车电子、家用电器、医疗、消费类电子、通信与电信、工业、无线。
4、ADI(亚德诺半导体): 美国,主要提供8位、16位、32位MCU。应用范围:航空航天与国防、汽车应用 、楼宇技术 、通信 、消费电子 、能源 、医疗保健 、仪器仪表和测量 、电机、工业自动化 、安防。
5、Infineon(英飞凌): 德国,主要提供16位、32位MCU。应用范围:汽车电子、消费电子、工程、商用和农用车辆、数据处理、电动交通、工业应用、医疗设备、移动设备、电机控制与驱动、电源、面向摩托车电动自行车与小型电动车、智能电网、照明、太阳能系统解决方案、风能系统解决方案。
6、ST Microelectronics(意法半导体): 意大利/法国,主要提供32位MCU。应用范围:LED和普通照明、交通运输、医疗保健、多媒体融合、家电和电动工具、楼宇自动化技术电机控制、电源和功率转换器、能源和智能电网、自动化、计算机与通信基础设施。
7、Qualcomm(高通): 美国,主要提供16位,32位MCU。应用范围:智能手机、平板电脑、无线调制解调器。
8、Texas Instruments(德州仪器): 美国,主要提供16位、32位MCU。应用范围:汽车电子、消费电子、医疗设备、移动设备、通信。
9、Maxim(美信): 美国,主要提供32位MCU。应用范围:汽车电子、消费电子、工业应用、安防。
日韩地区
1、Renesas(瑞萨): 日本,主要提供16位、32位MCU。应用范围:电脑及外设、消费类电子、健康医疗电子、汽车电子、工业、通信。
2、Toshiba(东芝): 日本,主要提供16位、32位MCU。应用范围:汽车电子、工业用、电机控制、无线通信、移动电话、电脑与周边设备、影像及音视频、消费类(家电)、LED照明、安全、电源管理、娱乐设备。
3、Fujitsu(富士通): 日本,主要提供32位MCU。应用范围:汽车、医疗、机械,家电。
4、Samsung Electronics(三星电子): 韩国,主要提供16位、32位MCU。应用范围:汽车电子、工业用、电机控制、汽车、楼宇自动化、家用电器、家庭娱乐、工业自动化、照明、物联网、智能能源、移动电子设备、计算机外设。
台湾地区
1、宏晶科技: 台湾,主要提供32位MCU。应用范围:通信、工业控制、信息家电、语音。
2、盛群半导体: 台湾,主要提供8位、32位MCU。应用范围:消费电子、LED照明等。
3、凌阳科技: 台湾,主要提供8位、16位MCU。应用范围:家庭影音。
4、中颖电子: 台湾,主要提供4位、8位MCU。应用范围:充电器、移动电源、家电、工业控制。
5、松翰科技: 台湾,主要提供8位、32位MCU。应用范围:摇控器、智能型充电器、大小系统、电子秤、耳温枪、血压计、胎压计、各类量测及健康器材。
6、华邦电子: 台湾,主要提供8位、16位MCU。应用范围:车用电子、工业电子、网络、计算机、消费电子、物联网。
7、十速科技: 台湾,主要提供4位、8位、51位MCU。应用范围:遥控器、小家电。
8、佑华微电子: 台湾,主要提供4位、8位MCU。应用范围:录音集成电路产品、消费电子、家用产品。
9、应广科技单片机: 台湾,主要提供4位、8位MCU。应用范围:机械、自动化、家电、机器人。
10、义隆电子: 台湾,主要提供8位、16位MCU。应用范围:消费电子、电脑、智能手机。
大陆地区
1、希格玛微电子: 主要提供32位MCU,应用范围:电信、制造、能源、交通、电力等。
2、珠海欧比特: 主要提供32位MCU,应用范围:航空航天:星箭站船、飞行器;高端工控:嵌入式计算机;舰船控制、工业控制、电力设备、环境监控。
3、兆易创新: 主要提供32位MCU,应用范围:工业自动化、人机界面、电机控制、安防监控、智能家居、物联网。
4、晟矽微电子: 主要提供8位、32位MCU,应用范围:小家电、消费类电子、遥控器、鼠标、锂电池、数码产品、汽车电子、医疗仪器及计量、玩具、工业控制、智能家居及安防等领域。
5、芯海科技: 主要提供16、32位MCU,应用范围:仪器仪表、物联网、消费电子、家电、汽车电子。
6、联华集成电路: 主要提供8位、16位MCU,应用范围:消费电子、白色家电、工业控制、通信设备、汽车电子、计算机。
7、珠海建荣: 主要提供8位MCU,应用范围:家用电器 、移动电源。
8、炬芯科技: 主要提供8位至32位MCU,应用范围:平板电脑、智能家居、多媒体、蓝牙、wifi音频。
9、爱思科微电子: 主要提供8位、16位MCU,应用范围:消费类芯片、通讯类芯片、信息类芯片、家电。
10、华芯微电子: 主要提供8位、4位MCU,应用范围:卫星接收器、手机充电器、万年历、多合一遥控器。
11、上海贝岭(华大半导体控股): 主要提供8位、16位、32位MCU,应用范围:计算机周边、HDTV、电源管理、小家电、数字家电。
12、海尔集成电路: 主要提供14位、15位、16位MCU,应用范围:消费电子、汽车电子、工业、智能仪表。
13、北京君正: 主要提供32位MCU,应用范围:可穿戴式设备、物联网、智能家电、汽车、费类电子、平板电脑。
14、中微半导体: 主要提供8位MCU,应用范围:智能家电、汽车电子、安防监控、LED照明及景观、智能玩具、智能家居、消费类电子。
15、神州龙芯集成电路: 主要提供32位MCU,应用范围:电力监控、智能电网、工业数字控制、物联网、智能家居、数据监控。
16、紫光微电子: 主要提供8位、16位MCU,应用范围:智能家电。
17、时代民芯: 主要提供32位MCU,应用范围:汽车导航、交通监控、渔船监管、电力电信网络。
18、华润矽科微电子(华润微旗下公司): 主要提供8位、16位MCU,应用范围:消费电子、工业控制、家电。
19、国芯科技: 主要提供32位MCU,应用范围:信息安全领域 、办公自动化领域、通讯网络领域、 信息安全领域。
20、中天微: 主要提供32位MCU,应用范围:智能手机、数字电视、机顶盒、汽车电子、GPS、电子阅读器、打印机。
21、华润微电子: 主要提供8位、16位MCU,应用范围:家电,消费类电子、工业自动化控制的通用控制电路。
22、中颖电子: 主要提供4位、8位、16位、32位MCU,应用范围:家电、电机。
23、灵动微电子: 主要提供32位,应用范围:电机控制、蓝牙控制、高清显示、无线充、无人机、微型打印机、智能标签、电子烟、LED点阵屏等。
24、新唐科技: 主要提供8位MCU,应用范围:照明、物联网等。
25、东软载波: 主要提供8位、32位MCU,应用范围:家电、智能家居、仪器仪表、液晶面板控制器、工业控制等。
26、贝特莱: 主要提供32位MCU,应用范围:智能家居、工业控制以及消费类产品领域。
27、笙泉科技: 主要提供8位MCU,应用范围:车用、教育、工控、医疗等中小型显示面板。
28、航顺芯片: 主要提供8位、32位MCU,应用范围:汽车、物联网等。
29、复旦微电子: 主要提供16位、32位MCU,应用范围:智能电表、智能门锁等。
30、华大半导体: 主要提供8位、16位、32位MCU,应用范围:工业控制、智能制造、智慧生活及物联网等。
【如果你喜欢EDA365的文章,记得关注和点赞哦!】
相关问答
世界上有哪些著名的 单片机 公司?1微芯科技(Microchip)+爱特梅尔(Atmel)(后者被前者收购)Atmel主要是单片机:AT89C51、AT89C52、AT89C2051,AT89S51(RC)对于从事单片机开发的人员...
有谁知道 单片机 的常见品牌有哪些啊?牌子很多,Intel,philips,AT,ARM,摩托罗拉,pic,凌阳,飞思卡尔FREESCALE,MICROCHIP,TOSHIBA,TI,ST,RENESAS,SILICONLABS,华邦,...
51 单片机 哪种好一点?国内常用的:ATMEL(美国):AT89S51TI德州仪器(美国):MSP430系列MicroChip(美国):PIC系列单片机飞思卡尔半导体(原摩托罗拉半导体)(美国):基于A...国内常...
多功能信号发生器设计报告哪位手里有?- 一起装修网多功能信号发生器设计报告哪位手里有?
有没有好的51 单片机 推荐?