利用单片机内部基准电压测量电源电压
最近做一个蓝牙温度记录仪的项目,MCU采用意法半导体(ST)的STM8L151,纽扣电池供电,需要检测纽扣电池电压,低电量的时候报警。由于纽扣电池的电压在不断的改变, 在做设计验证的时候,使用一颗LDO降压后作为ADC基准源,电路图如下:
图中(1)为LDO降压电路,作为ADC的外部电压基准源,如图(3),纽扣电池电压变化的时候VREF_1.8V保持不变。
图中(2)部分为纽扣电池电压的分压电路,分压后作为ADC的采样输入,如图(4)
采用上图电路,可以实现对纽扣电池电压的检测,但是既增加了成本,又增加了电路的复杂性。是否可以考虑其他方法呢?答案是肯定的。
在STM8L151芯片的内部,有一个固定的内部参考电压,ST的技术手册里命名为VREFINT
该内部参考电压的值即使芯片电源电压在工作范围内波动时,它基本维持不变即1.224V,而且该电压信号可以通过指令控制直接连接到ADC 的某个AD 通道而求得该电压对应的AD 值。
这里需要说明一下,该内部参考电压VREFINT并非ADC 的参考电压,ADC 的参考电压
依然是VDD。即使VDD 有所波动,这个VREFINT电压恒定不变,对于ADC 电路而言,它只是个测试点。这里经常有人犯迷糊,把VREFINT内部基准参考电压跟ADC 模块的参考电压混为一谈。
此时在程序上把VREFINT作为ADC的采样电压,纽扣电池电压作为ADC的外部基准电压,那么可以得到一下公式:
只要读出ADC的值,就可以计算出纽扣电池的电压了,电路图如下:

通过和上图对比,可以看此图更加精简。
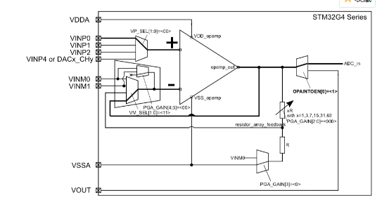
STM32G系列单片机ADC采集电源端电压
一个好的硬件系统,是需要随时对一些重要的电源进行实时监控,当前端电压出现异常,单片机可以控制后端系统与前端及时断开,防止后端电路损坏,造成不必要的经济损失。
一个好的电源监控电路一般包括:采样电路+电压跟随器+adc(单片机集成)。
STM32G系列单片机内部集成了运算放大器:
通过手册描述,运放的输出端是可以连接到内部的ADC模块。那么,STM32G系列的单片机的优势就体现出来了,首先成本方面,外部不需要在增加单独的运放以搭建电压跟随器,而且由于是集成到了单片机,调试更方便简单。
本单元暂时只讲述系统思路,下一章节分析电压跟随器的原理,使我们能更正确的配置STM32G系列运算放大器模块。
相关问答
如何利用 单片机 实现市电的 电压 采样?你说的直接采样会比较难,220需要隔离要不很危险。如果要采样,需要加一个电流互感器,这样可以隔离也便于处理,经过互感器之后就好办了,整流滤波,取输出电压...
求 单片机 电路 采集 380V交流电路电流信息的办法?采集端用电流互感器,然后互感器末端的输出信号通过一些限流措施加到ADC0809(模拟到数字)转换芯片的某个通道上,最后芯片的数据输出端接到单片机的I/O上就可以...
如何 采集 滑变上的 电压 (0-10V) 电压 回馈给 单片机 ,最好有图 - ...是使用电阻分压,R1和R2响,阻值是R3的10倍就差不多了。还可以使用运放把电压放大0.5倍检测,当然如果你用的是外部AD芯片,可以使用量程10V以上的AD芯...
单片机 AD口检测 电压 ?内部晶体管处于开漏状态,无输出电压。就算可以测的也是感应电压,不是有效电压。正常使用AD口需要一个有效的模拟量才可以。内部晶体管处于开漏状态,无输出电...
单片机电压 ?1、单片机1:高电平:2V--5V;2、单片机0:低电平:0V--0.8V;3、中间的一段电压是不可以出现的;但可以跳过。4、如果单片机供电电压是DC5v,那么一般高电平...1...
怎么得到5伏 电压 ?做个 单片机 实验。-ZOL问答怎么得到5伏电压?做个单片机实验。讨论回答(4)从电脑的USB口子引出5V的电源。找一根USB延长线,一段用来插入电脑的USB口,另一端的USB插头剪掉剥开,把里面的...
如何用 单片机 口识别110v或220v?很简单。通过传感器或电阻分压的方式取得电压信号,经过隔离后得到3V左右(对于5V单片机)的信号电压,接入单片机的端口,编程将此端口初始化为低电平,此后实...
STC 单片机 ,工作 电压 是5V,电流是多少。如何用3--4节干电池(5号,或,七号电池) 给STC 单片机 供电?STC89C52RC的工作电压范围是:3.3V~5.5V,整体流过单片机的电流总和不要超过70mA。你直接用三颗1.5V的电池串联供电就可以了。40引脚的单片机简单接法就可以驱...
....我想用 单片机 控制,这个就5v 电压 啊,准备做一个流水灯_作业帮[最佳回答]5V电压串联不行的,要并联可以的.就算是普通的发光二极管,导通电压也要2V,串一个加上2V,串20个你自己算算电压要多少啊.并联可行不过电源要有足够驱...
什么芯片可以提高 单片机 输出 电压 ?答:芯片可以提高单片机输出电压是用CS5171来实现你要求的功能。CS5171具有升压、降压、输出反相、对称正负双电压输出等多种功能,输入电压的范围也很宽,从+2...
