单片机创意小制作,ARM7音乐播放器
在校学习期间,教我单片机的王老师时常提起ARM处理器。她提醒我说,我们是计算机专业的,应该研究嵌入式系统。起因是,我喜欢单片机,而单片机偏偏在我们学校是电子系的专业。把单片机玩转了,对于计算机专业的我,就显得偏离专业了。那时,我还是头脑一热,在网上买了一个AT91SAM7S64最小系统。但是,一直没有像样地玩它。只是断断续续地写了几个简单的程序,像学习51单片机一样学它。随着时间的推移,它被遗忘在一边了。不过这几天在整理零碎时,我又开始注意到它了。
这次制作的主题是——做一款能够媲美山寨CD机的音乐播放器。随着MP3、MP4、手机、PMP等便携播放器的出现,在市场上很少看到专门卖CD机的柜台了。想想也是,现在马路上很少看到有人拿个硕大的CD机听音乐。最主要的原因,估计是CD光盘尺寸偏大,携带不便,所以现在听MP3的人越来越多了。但是,不管怎样,CD的音质还是相当好的。还记得去年,我制作了一款M8音乐播放器,朋友听了后,直接评价那音质不行。我解释说,那是8位的播放器,还是被他鄙视了。太伤我心了。于是,我又琢磨着做一款新的播放器,希望它超过普通MP3的音质。这回做好后,又特意给那位朋友试听了一下,这次他评价说,这音质的确超过普通MP3了。下面我会和大家分享制作它的过程。
主要芯片介绍
这次制作的音乐播放器使用了TI公司的PCM1770,它是24位低功耗立体声音频DAC。由于它能够直接驱动耳机,所以选择它作为音频解码器。当耳机的阻抗为16Ω时,它的输出功率为13mW。PCM1770使用的电源范围为1.6~3.6V,支持标准的I2S音频接口。对DAC的操作是通过SPI接口实现的。它的音量也由软件控制,音量控制一共分为64个等级。
电路的处理器使用Atmel公司的AT91SAM7S64。它有64KB的FLASH程序存储器,16KB的内部SRAM,是高性能的32位RISC架构的ARM7处理器,最高工作频率可达55MHz。它一共有64个引脚,PIO控制的I/O驱动电流可以达到8mA,PA0~PA3可以达到16mA,但所有I/O电流之和不能超过150mA。这款处理器具有SSC同步串行控制器,支持I2S标准,也有SPI接口,可以设定8到16位的数据长度,每个SPI接口有4个片选线。这样,处理器与DAC解码器的数据传输、控制命令的发送都可以在硬件上连接实现。
可实现功能
这个制作完成后,将CD音质的WAV文件复制到SD卡内,文件必须存放在根目录下。程序通过AT91SAM7S64的SSC串行控制器,把音频的数据流通过SSC接口传输到TI的音频DAC上。这样,耳机就播放出动听的音乐了。播放器使用普通的微动按钮控制,一共用了5个按钮,分别实现音量、选曲、播放、暂停等控制。
工作原理
整个制作,由图11.1所示的AT91SAM7 S64 最小系统(左边)、洞洞板(中间)和转接成DIP封装的PCM1770 DAC(右边)组成。
图11.1 制作所需的各部分实物
这款音乐播放器的工作原理并不复杂。主要由5大部分组成:
(1)AT91SAM7S64最小系统,比51单片机最小系统稍微复杂些。
(2)PCM1770 I2S音频解码器,用于驱动耳机或音响,播放音乐。
(3)SD卡存储卡,存放44.1kHz/16位的WAV格式的音乐文件。
(4)5个普通的微动按钮,功能分别为:控制音量、前后选择音乐和播放/暂停音乐。
(5)简单的用稳压芯片将5V的USB电源转换成3.3V的电路工作电源。
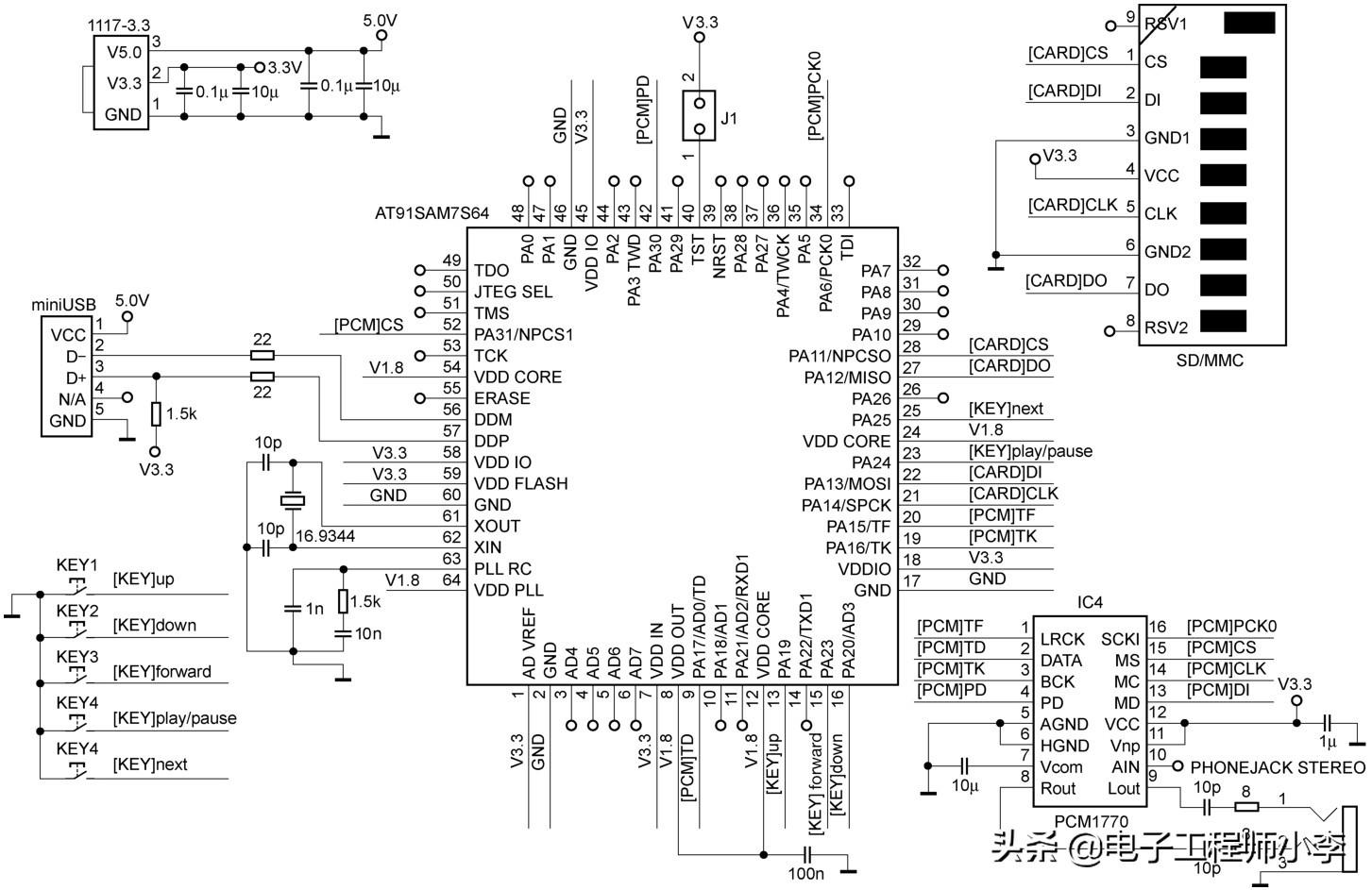
音乐播放器的原理图如图11.2所示,可分为5大部分:左上角为稳压电路,左下角为5个微动按钮,右上角为SD卡,右下角为TI的音乐DAC芯片,中间的就是AT91SAM7S64的最小系统了。
图11.2 电路原理图
它使用1117-3.3V的稳压芯片,把USB接口的5V电源转换成3.3V。4个电容起到滤波作用。稳压芯片可以采用SPX1117-3.3V、LM1117-3.3V或AMS1117-3.3V。如果使用有极性的电解电容,不要粗心地把正负极性弄反。
这5个微动按钮排列成经典的上下、左右、中间的十字结构,它的控制功能大家很容易理解,分别是上下为音量控制、左右为切换歌曲控制、中间为暂停/继续播放控制。
3. SD 卡
使用了它的SPI接口,直接和ATM7的SPI接口的NPCS0、MOSI、MISO、SPCK连接,在程序中我使用了系统时钟16.9344MHz作为SPCK时钟,这样它的传输速率才可以超过CD音乐格式标准的数据流速度。
4. TI的DAC
这是这个系统最关键的地方,它需要SPI接口控制它,同时又需要I2S接口给它提供数据流。它的SPI控制接口与AT91SAM7S64的NPCS1、MOSI、MISO、SPCK引脚相连,程序通过拉低 NPCS0 与 NPCS1 这两个引脚来片选 SD 卡或 DAC 芯片。在传输数据时,可以拉低不同的片选信号来指定传输的方向。DAC的LRCK、DATA、BCK接口分别与RAM7的TF、TD、TK连接。但由于DAC芯片还需要系统时钟,它可以是128fs、192fs、256fs或384fs(fs为音乐的采样率,如44.1kHz采样率)。所以,我通过ARM7的PCK0引脚输出384fs频率的时钟。最后,还可以通过控制DAC的PD引脚为0,让DAC休眠,减低它的功耗。
5. AT91SAM7S64 最小系统
正确连接好处理器各内部控制器的电源,如VDDFALSH、VDDIO、VDDCORE、VDDPLL等,确认USB的D+上拉电阻到3.3V。在播放44.1kHz音乐时,确认使用的是16.9344MHz晶体(在下载程序时使用18.432MHz)。最后,在AT91SAM7S64的PLL RC引脚上连接 PLL滤波用的电容。这样,ARM7上电后就能运行代码了。
AT91SAM7S64的电源系统比较复杂,但还好仅仅需要单一的3.3V电压,即可解决所有供电问题。电源使用USB的5V电压,经过1117-3.3V稳压芯片稳压,然后给DAC、AT91SAM7S64、SD卡供电。AT91SAM7S64还需要1.8V的电源电压,好在它内部集成的电压调节功能,能输出1.8V电压。
AT91SAM7S64处理器只要正确连接好需要的2种电源电压(3.3V、1.8V),焊接上18.432MHz的外部晶体,并且连接上简单的USB接口电路,在物理上就能够下载程序了。注意,当使用18.432MHz的外部晶体时,烧录文件才能通过USB接口下载。但由于音乐播放器需要16.9344MHz的外部晶体,才能以正常的速率播放CD采样率(44.1kHz)的音乐。因此,下载好程序后,还需要切换晶体。这一步麻烦些。
程序首先初始化AT91SAM7S64的SPI接口和SSC接口,并使能PIOA引脚(连接按钮的引脚)和SSC接口(I2S接口)的中断。等初始化接口完毕后,程序才能通过已经正确配置的接口,初始化音频DAC、SD卡设备。等这些操作完成后,程序会通过读取SD卡的特定扇区,识别文件系统种类,并搜索根目录下的第1个音乐文件。最后,通过按钮控制,实现音乐的播放。
使用方法
先要格式化SD卡,使用FAT(FAT12与FAT16的合集)或FAT32都可以。然后,复制44.1kHz、16位的WAV音乐到SD卡上(注意,请复制到根目录)。插上USB电源后,按中间的播放/暂停按钮播放音乐(音乐播放器在上电时不能自动播放,还需要按下播放/暂停按钮才能播放)。
烧录文件的下载与使用
1. 引导代码简介
AT91SAM7S64内部含有一段叫SAM-BA BOOT的程序,它在出厂时已被固化,不会被擦除,也不会被改变。在特定的条件下,它会被复制到内部Flash中,这个复制的过程叫系统程序恢复。系统程序恢复后,下一次上电或手动复位时,SAM-BA BOOT代码就会运行了,它使用片上集成的USB或DEBUG串口与上位机通信,实现自编程。
2. 恢复启动代码
在PA0、PA1、PA2、TST这4个引脚保持高电平的状态下,上电并等待10s。由于上电时PA0、PA1、PA2默认上拉电阻使能了,所以这3个引脚可以悬空。而TST引脚内部下拉电阻使能,因此需要通过外部电路将TST引脚拉高。
10秒后当芯片再次上电时(记得恢复TST引脚为低电平),就会运行SAM-BA BOOT程序了。这时,把芯片的USB接口连接上电脑,电脑上就会发现新硬件,并自动安装驱动。当然,前提是你在电脑上已经安装了SAM-BA ISP下载软件。
3. 关于 ERASE 引脚
上电时ERASE引脚的上拉可以用来擦除内部Flash的安全位,并且会在50ms的时间内完成。它的作用是使整个内部Flash存储器的内容被清除掉。当完成这些操作后,安全位才会清除。
当你使用SAM-BA对器件编程后,执行了Enable Security Bit操作,即编程了Flash安全位,那么下一次恢复系统程序前必须拉高ERASE引脚。
4. SAM-BA 软件使用
首先,安装SAM-BA ISP软件,它会连同驱动一起安装的。这样,当把已经恢复启动代码的ARM7插入USB接口时,驱动即可自动安装,并在设备管理器里多出如图11.3所示的设备。
然后,双击软件运行,出现图11.4所示的运行画面。选择图11.4所示的连接方式“\usb\ARM0”和开发环境“AT91SAM7S64-EK”后,按“Connect”后连接。接着,烧录软件的主界面就会跳出,如图11.5所示。
图11.3
图11.4
图11.5
然后,点击“Send File”按钮,选择烧录用的BIN文件。最后,点击“Send”发送即可。期间会弹出扇区解锁确认和扇区锁定确认对话框,点击“Yes”即可。
几秒后,程序就烧录完毕了。重新上电后,音乐播放器的代码就能成功运行了。
制作简介
其实,整个制作对刚学习ARM7处理器的人也不难。买一个AT91SAM7S64的最小系统,它的32个PIO口一般都会引出来的,并用插针连接。只需要自己做底板,焊接好插座,就能方便地合并了。
我做的这个底板是用万用板制作的,尺寸大约是10cm×10cm。仔细观察的朋友,还会发现,这个底板的功能不仅仅是特意用来做音乐播放器的,还可以做许多关于ARM7的小实验。
底板的反面我用绝缘导线连接线路,这也是我目前喜欢的做法(见图11.6)。如果觉得难看,大家还可以自制PCB的底板,这样也能轻松焊接。
为了使自己的制作更美观,我又在网上买了片1.8mm厚的有机玻璃板。用小锯切割成10cm×10cm大小后,用砂纸仔细打磨。打磨好后在合适的位置上钻孔,最后用2mm的螺丝和对应的铜座固定,这个制作的外观就完成了(见图11.7)。
大家会发现制作的正面还有一根飞线,这是由于我买的最小系统,3.3V的电源插针没有向下引出,只好拿了条杜邦线连接到底板了。
图11.6 用绝缘导线连接底板背面的线路
图11.7 用有机玻璃制作播放器的外壳
U01单片机音乐生成器50首歌曲,基于51单片机,ke
50首单片机音乐生成器。
哈喽大家好,今天介绍一下单片机的音乐代码生成器。
·双击软件进行安装,一定要装在地板,如果提示直接点是。
·安装完之后会有如下一个图标,双击它,在弹出的对话框中填入自己在网站注册的账号和密码,登录即可。
·登录之后可以打开代码生成工具,点左侧的歌曲按钮,前面的小加号,此时有一些现成的歌曲,但是后期可能还会再添加。比如想生成一首贝加尔湖畔,只需要点击歌曲名字,右侧会显示对应的歌曲名,点生成,会提示文件成功生成,点确定。
·它会打开一个文件夹,就是生成的代码所在的地方,就是安装目录下的文件夹。点程序,在里面打开keil程序,左侧小加号,这就是刚才生成的代码。点编译,一定要编译,只有编译之后代码才能更新,编译之后关闭。
·打开仿真软件,这里提供两个版本,一个是7.8,一个是8.6,双击它,找到hex程序载入。如果打开之后没在这个文件夹,可以通过上面找到自己的所在的文件夹,安装到文件夹就行,点确认。
·点左侧开始仿真,点这个时候就会播放生成的贝加尔湖畔。如果想换一首歌怎么办?先把仿真关闭,打开,同样打开代码生成工具,再挑一首歌,比如天空之城生成。同样还是需要在程序文件夹编译一次,只有编译一次代码才会更新,关闭。
·再到仿真文件夹,打开仿真软件,同样的操作,还是从这里载入程序,开始仿真,点击播放,天空之城就生成了。
当然这还有其他一些,一共50首这种歌曲都可以生成,大家可以试试。谢谢大家。
相关问答
单片机 可以通过电流改变来控制发出的声音吗,我想通过电流的变化来 播放 不同的 音乐 ,求大神帮忙?单片机是不能改变电流大小,只能输出2种状态,想播放音乐可以用单片机做pwm控制就行或者用数模芯片转换都一个原理,单片机播放音乐是行的,但是不能控制电流大小...
单片机 如何插入 音乐 ?单片机插入音乐需要先将音乐文件转换成单片机可以识别的数字信号,并将其存储在单片机的存储器中。然后通过单片机的IO口输出数字信号到音响系统中,实现音乐播...
用51 单片机 实现 音乐播放的 原理是什么?通过将音乐作为数字信号编码储存在闪存中,然后通过51单片机的PWM输出模块将该信号转化成模拟信号输出,驱动音频放大器放大后输出到喇叭上,从而实现音乐播放的...
求51 单片机的音乐播放 程序 实验仪器必须是DP-51proc-ZOL问答功能:歌曲播放子程序i为播放哪一段曲目-------------------------------------------------*/voidPlay_Song(unsignedchar...
用c语言在 单片机 AT89C51编写 音乐 程序,求程序,求求你们了-ZOL问答功能:歌曲播放子程序i为播放哪一段曲目-------------------------------------------------*/voidPlay_Song(unsignedchar...
51 单片机音乐 盒使用说明书?点击播放图标,就会自动弹出音乐盒为您播放您选择的歌曲、专辑和专题。2、您觉得好听的歌就点红心收藏吧,下次可以在“我的音乐”里听到。3、不仅想在...点...
单片机 蜂鸣器 音乐 代码怎么编写?单片机蜂鸣器音乐代码的编写主要包括以下几个步骤:确定音符的频率:根据所需播放的音符,查阅音符对应的频率值。计算定时器溢出值:根据音符的频率和单片机...
基于单片机的 多功能 音乐 盒怎么做实物?1基于单片机的多功能音乐盒怎么做实物?这道题的答案就是这样的,它是这样的做实物,.选择大小适中的一个图片作为你的音乐盒背景。你可以先用图片处理软件对...
向 单片机 高手求助,怎样用C语言编写歌曲程序和歌曲代码?需要用那些工具怎么样编写的要求详细解答。谢谢?case4: //状态4:第二按的消抖处理if(key_press)key_state=2; //快速连按(被认为人手指达不到要求的速率)将被返回到2,当作第一按处理elsek...
为什么选择led1602为 单片机音乐 盒?LED1602是一种16x2字符液晶显示屏,它具有较小的尺寸和较低的功耗,非常适合作为单片机音乐盒的显示设备。它可以显示歌曲信息、播放进度和音量等重要参数,提供...
