单片机软件编码规则介绍
单片机软件编码规范是为了保证单片机系统软件可读性、可维护性、稳健性和跨平台性而建立的标准。以下是单片机软件编码规范的详细介绍:
1. 命名规则:变量、函数、宏等的命名应遵循清晰、表意、简短的原则。命名应采用英文小写字母+下划线的方式。同时,驼峰命名法可以有效提高代码可读性。
2. 编码样式规范:提高代码的可读性和易于维护性,推荐使用以下编码样式:
(1) 所有大括号独占一行。
(2) 所有语句以分号结束。
(3) 在二元操作符两边加空格。
(4) 在函数名和接口之间加空格,例如:Function_Name (param1, param2);
(5) 将 if、for、while 等的参数用括号包括起来。
(6) 缩进量固定,最好是 4 个空格。
3. 变量和函数定义规范:没有必要定义未使用的变量,应删除无用的代码,确保代码干净整洁。函数定义的参数应确定其类型,包括输入参数、输出参数和返回值类型。
4. 代码实现规范:
(1) 优先使用局部变量,而非全局变量。
(2) 尽量不使用 goto 语句,防止产生不可控制的逻辑。
(3) 及时地处理所有错误和异常,并养成记录日志的好习惯。
(4) 检查程序是否符合消除警告级别的编译器标准等编译器标准。
(5) 注释必要的语句,包括变量、函数、方法、行为等的解释。
5. 版本控制:使用版本控制软件,例如 Git,来跟踪代码版本。当多个开发人员在项目上工作时,版本控制工具可以确保每个开发人员对相同代码进行工作,并可调换代码。
6. 单元测试:测试是软件开发过程中的一个重要阶段。单元测试可以在整个开发周期中的更早阶段捕获和纠正逻辑缺陷。
综上所述,符合单片机软件编码规范的程序应遵循一些常规标准,旨在改善代码质量、可读性、可维护性和可再利用性。
从一个详细的实例来知道单片机编程,你照着做就行了
我们要想使单片机工作,就需要编写程序,再将程序写入单片机,单片机在程序的控制下工作以完成指定的任务。没有程序的控制,单片机就无法工作。那么如何编写单片机程序呢?
1.从一个实例初步了解编程
上面这张图所示是一个边长为100m的正方形跑道,有一个人(称作甲)处于A点,如果要让甲到达B点,可以执行如下的程序:
起点 前进 50m
左转
前进 100m
左转
前进 50m
结束
甲逐条执行程序中的命令:先前进 50m,左转,然后前进100m,左转,再前进50m,结束,就可以到达B点。如果将上述程序改成:
起点 前进 50m
左转
前进 100m
左转
前进 50m
返回到 起点
结束
甲执行上述程序中的命令时会怎样呢?当他执行到第5行命令时,会到达B点,接着执行第6行命令,该命令使他又返回到起点(标号),甲于是又会执行第1行指令……由于执行到第6行的指令时又会返回执行第1行的命令,永远执行不到结束命令,所以,如果甲执行上述程序,就会不断在A、B点之间反复运动,不会停止。如果只要求甲在A、B点之间往返3次,上述程序应如何编写呢?读者可以思考一下,在后面的章节将会讲到这个问题。
2.分析一个单片机汇编语言程序
从前面的介绍初步了解了编程思想后,再来分析用到的汇编语言程序,程序如下:
MAIN: MOV P3,#0FFH
LOOP: MOV P1,P3
LJMP LOOP
END
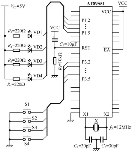
为了更好地理解上面的程序,下面对照图所示的单片机应用电路来进行讲解。
第1 行指令“MAIN:MOV P3,#0FFH”的含义是将数据11111111(0FFH)送到P3 端口的8个寄存器,让P3端口的P3.0~P3.7这8个引脚全部为高电平。
“MAIN:”为标号,表示该行为主程序开始,这里也可省略,并不影响程序的运行;“MOV”为数据传送指令;“P3”表示单片机P3端口内部的8个寄存器;“#0FFH”中的“#”号表示它后面的“0FFH”是一个数据,而不是地址编号,“0FFH”是一个十六进制数,转换成二进制数就是11111111。
该行指令运行后,图中的单片机P3.0~P3.7这8个引脚内部的寄存器全部为高电平,相应的这8个引脚也为高电平。
第2行指令“LOOP:MOV P1,P3”的含义是将P3端口8个寄存器中的数据送到P1端口的8个寄存器中。
“LOOP:”为标号,用来标识指令“MOV P1,P3”,由于该标号后面的指令会被调用,所以不能省略。
由于第1行指令已经让P3端口8个寄存器内的数据全部为“1”,执行“MOV P1,P3 ”指令后,P1端口8个寄存器内的数据也全部为“1”,单片机的P1.0~P1.7这8个引脚全部为高电平,故发光二极管VD1~VD4全部不亮。
第 3 行指令“LJMP LOOP”的含义是返回执行标号LOOP所在行的指令。也就是说,当执行到该行指令后,又会返回去执行第2行指令“MOV P1,P3”,即不断将 P3 端口 8 个寄存器中的数据送到P1端口的8个寄存器中。
第4行指令“END”的含义是程序结束。由于执行到第 3 行指令时会自动返回执行第 2行指令,所以无法执行到第4行指令,即程序无法结束。
将上面的汇编语言程序汇编成机器语言程序并写入单片机后,在程序的控制下,单片机内部电路不断将P3端口8个寄存器中的数据送给P1端口的8个寄存器。
图示的单片机应用电路的工作过程分析如下。
在没有按下任何按键时,P3端口8个寄存器的数据都为“1”,所以P1端口8个寄存器的数据也为“1”,P1.0~P1.7这8个引脚都为高电平,发光二极管VD1~VD4全部不亮。
若按下S1按键,P3.2引脚变为低电平,P3.2端口内部寄存器的数据变为“0”,P3.7~P3.0端口的数据分别为11111011,在第2条指令的控制下,这些数据被送到P1端口,P1.7~P1.0端口的数据分别为11111011,其中P1.2端口的数据为“0”,P1.2引脚为低电平,于是它外接的发光二极管VD1有电流通过而发光。
如果松开S1按键,P3.2引脚变为高电平,P3.2端口的“1”送到P1.2端口,P1.2引脚为高电平,其外接的发光二极管VD1截止而不亮。
相关问答
单片机编码 怎么输入?单片机编码输入方式有多种,包括按键输入、串口输入、ADC输入等等。其中按键输入是最常见的一种方式,通过连接到单片机的IO口,当按下按键时,IO口会产生相应的...
单片机 引脚编号如何定义?单片机引脚编号根据芯片设计者的定义,通常分为数字型和字母型。数字型通常是按照顺序编号,相邻的引脚常常会有相似的功能,以方便设计者使用。字母型则通常是...
单片机 怎样获取卷帘门遥控器的 编码 ?要获取卷帘门遥控器的编码,单片机需要与遥控器进行通信。通常,卷帘门遥控器会使用红外线(IR)或无线电信号进行通信。下面我将分别介绍两种通信方式:红外线...
什么是 单片机 的中断序号?中断序号1表示什么?指单片机多个中断源的先后顺序,如果中断优先级相同,哪一个中断序号小,同时发生中断时哪一个就优先响应。例如51单片机的中断顺序是:外中断0定时器0外中...
51系列 单片机 编程指令表怎么用?使用51系列单片机编程指令表,首先需要了解指令表的结构和编码方式。指令表按照操作码进行分类,每个操作码对应不同的指令。在编程时,根据需要选择相应的指令,...
累加器acc.7什么意思?累加器acc.7意指一个用于累加计算的特定变量或设备,其中的“7”一般用于表示具体的编号或版本。累加器是计算机科学中常见的一种数据结构,用于存储和更新累加...
单片机 中的存储器地址 编码 是补码吗?在单片机中,存储器地址编码通常不是补码。一般来说,单片机的存储器地址编码采用二进制数或十六进制数来表示。这些编码方式可以直接映射到存储器的物理地址,用...
单片机 是如何控制步进电机扎旋转的?我们设计这样一个功能程序:按数字键1~9,控制电机转过1~9圈;配合上下键改变转动方向,按向上键后正向转1~9圈,向下键则反向转1~9圈...voidKeyDriver(){un....
单片机 红外遥控器解码程中,所有按键的地址码都相同吗?单片机红外遥控器编码一般由引导码+地址码(16位)+命令码(16位)组成,在普通的遥控器上所有的按键只是命令码不同,地址码是不变的单片机红外遥控器编码一般由引...
51 单片机 5个中断源编号?函数名()interrupt0{}//对应外部中断0;函数名()interrupt1{}//对应定时器/计数器0中断;函数名()interrupt2{}//对应外部中断1;函数...
