自己动手声光数字报警装置,给你最实用的方法和技术
早期的温度计都以刻度形式表示,比如水银温度计,随着科技的发展,热电偶温度计曾经占据测温市场,如今数字化时代到来,采用数字化温度传感器,用单片机进行数据采集与显示
声光报警处理,不仅简化电路,测温精度高,而且响应非常迅速,广泛应用于工业生产及日常生活中。
一、温度传感器
采用DALLAS公司生产的传感器,型号为DS18B20,一总线结构,外围电路非常简洁。
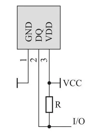
1.DS18B20外观及引脚功能
外观与前面介绍的8550三极管相似,也是三个引脚。引脚排列如下图。GND为电源地,DQ为数据输入/输出,VDD(VCC)为电源输入端。
DS18B20引脚排列示意图
2.常见接线方式
DS18B20图形符号
由于DS18B20温度传感器本身没有输出高电平的能力,在单片机读取“1”(即高电平)时,必须使用其他方式,一般在信号输入/输出端子DQ接一个上拉电阻,上拉电阻的典型阻值为4.7kΩ。
DS18B20典型接法
二、显示以及报警
采用0.56英寸四位一体共阴红色数码管,实时显示环境温度。
如果环境温度低于10℃,黄色发光二极管点亮,同时蜂鸣器工作。
如果环境温度高于30℃,红色发光二极管点亮,同时蜂鸣器工作。
在10~30℃时,两个发光二极管都熄灭,蜂鸣器不工作。
自己可以修改温度上限值与下限值。
报警部分程序
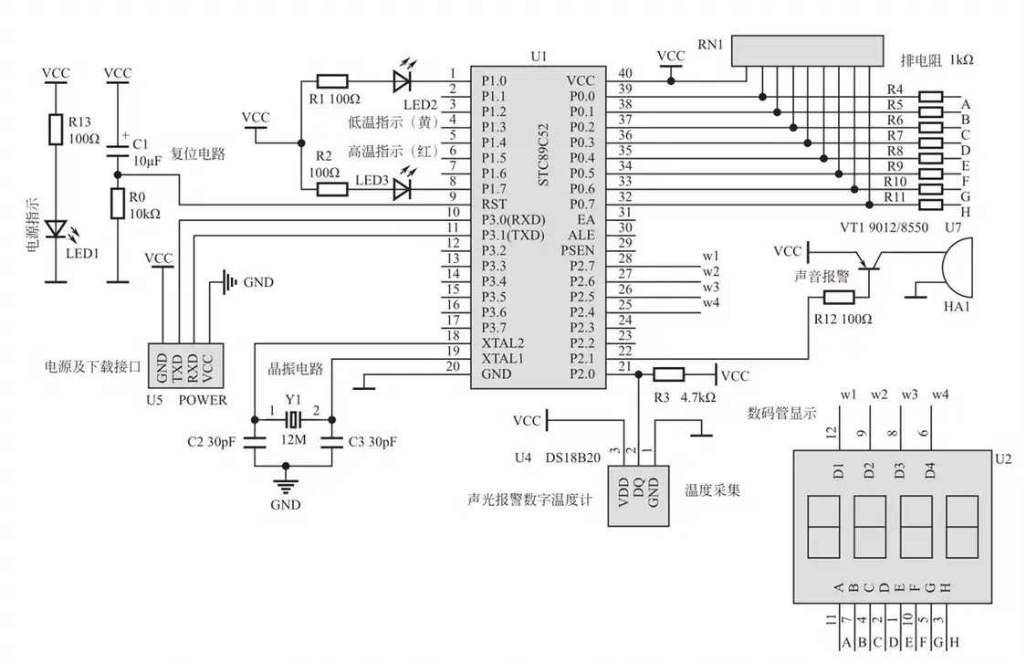
三、声光报警数字温度计电路原理图
为了简化电路绘制,同时电路图简洁美观,采用网络标号绘制,相同网络标号,代表是连接在一起的。
电路原理图
四、焊接成品展示
图3-18-6中各部分功能电路已标注,读者可以自己设计布局,打造属于自己的数字温度计。显示房间温度是25℃。
DIY声光报警数字温度计成品
智能温控系统的设计
0 引言
随着社会发展和科技进步,温度的测量及控制在人们的生产、生活和科学研究中发挥着越来越重要的作用[1-3]。在现代社会中,对各种过程的控制要求日趋精密,对于温度的测量和控制要求也进一步提高[4-9]。目前国内的传统温控箱控制精度低,价格高,难以满足高精度温度控制的要求,国外的温度控制箱控制精度高,但价格昂贵,如德国西门子(Siemens)、恩德斯豪斯公司(Endress+Hauser)、美国江森(Johnson)、霍尼韦尔(Honeywell)、罗斯蒙特公司(Rosemount)、英国森威尔(Saswell)、瑞士ABB公司、日本松下公司(Panasonic)等都生产性能优良的温度控制箱,在社会各行业中得到广泛的应用。为满足国内低成本温度控制要求,本文研制了一个采用单片机控制的高精度智能温度控制箱,它具有结构紧凑、工艺简单、智能化等优点。
1 温控系统硬件设计
温度控制的基本原理是在需要进行温度控制的场合用传感器测量其温度值,与控制器内存储的温度值进行比较,当测得的温度高于或低于设定值时,启动加热或降温设备,使温度回归到设定值范围内,其原理如图1所示。
1.1系统总体结构设计
本温控箱以单片机STC89C52作为温控中心,用温度传感器DS18B20作为温度测量单元,将采集的温度值经过串行通信方式传输到温控中心进行判断,并进行智能处理。当测得的温度T低于设定的最低温度Tl时,单片机发出控制信号,启动加热器件;当测得的温度T高于设定的温度Th时,单片机发出控制信号,启动降温器件,将温度保持在设定的范围内,完成温控工作。本温控器带有LCD显示模块和按键输入模块,可显示实时温度值和现场设定温度控制范围。温控系统主要由温度检测模块、单片机控制模块、温度显示模块、温控执行模块(继电器及加热、降温器件)等部分组成。
1.2 温度检测单元设计
为提高测温精度,降低成本,本温控箱采用较成熟的DS18B20温度传感器来完成温控箱内部和外部的温度检测。DS18B20是由Dallas公司生产的一线式数字温度传感器,它将温度感测、信号变换、数据存储、A/D转换等功能集成于一体,其温度检测范围宽,达到-55℃~+125℃,可以用一线总线方式连接微处理器,以编程方式(9~12位)转换精度,测温分辨率达0.062 5 ℃。DS18B20温度传感器的工作电源可从外部输入,也可采用寄生电源方式工作;多个DS18B20可以并联连接到CPU,实现多个DS18B20与CPU的通信,因此连线少,可节省引线和逻辑电路,减少CPU端口的占用,但以增加软件复杂性为代价,对读写的数据位有着严格的时序要求。
DS18B20温度传感器具有体积小、功能强、精度高、连接方便、抗干扰性好等优点,在工业控制、智能家居等环境中得到较广泛的应用。
1.3 温度控制执行部分设计
由于单片机的输出功率较小,不宜直接驱动继电器,否则会造成单片机功耗过大,加重单片机内部电源的负担,易导致单片机工作不稳定。为安全平稳控制继电器,本温控系统采用固态继电器SSR-40DA,固态继电器也称作固态开关SSR(Solid State Relay),它是利用现代微电子技术与电力电子技术相结合而发展起来的一种新型无触点电子开关,集光电藕合、大功率双向晶闸管及触发电路、阻容吸收回路于一体,用于代替传统的电磁式继电器,实现对单相或者三相电动机的正反转控制,或者其他控制。无触点无动作噪音,具有开关速度快、无火花干扰和可靠性高等优点。
1.4 温度显示模块
温度显示模块采用1602C型字符型液晶显示器。1602C型显示器具有功耗低、体积小、显示内容丰富、超薄轻巧等优点,在袖珍式仪表和低功耗应用系统中应用广泛,是一种专门用于显示字母、数字、符号等点阵式的LCD,显示的格式为16×2行。在模块内部已经存储了160个不同的点阵字符图形,这些字符包括:英文字母的大小写、阿拉伯数字、常用的符号等,每一个字符都有一个固定的代码。
1.5 加热/通风执行机构
当单片机检测到温度不在调控范围以内时,需要启动加热或降温器件使温度回到温控范围内。一般加热的方式为电热丝和风扇,本系统用电热丝为加热器件,以风扇为降温器件。为使温度变化过程平稳,通常要对加热或降温器件的功率进行调整。功率调整的方法一般用可控硅,具体的方式有调相和PWM。调相就是调整加在负载上的电压的导通角,PWM是通过调整单位时间内加在负载上的电压次数来改变负载功率。为降低对电网的污染和对其他用电器件的干扰,本系统采用PWM方式对温控器件进行调整。
1.6 报警电路
本温控箱采用声光报警方式进行异常状态报警,以晶体管和蜂鸣器构成声音报警电路,以红、绿色发光二极管构成光线报警电路。在系统正常工作时,只有绿色发光二极管点亮;当系统测得的温度超出设定的温度范围,绿色发光二极管熄灭,红色二极管点亮,同时由单片机控制蜂鸣器发出报警声,10 s后停止声音报警。
2 温控系统软件设计
2.1 控制流程图
智能温控系统控制流程如图2所示。系统开机后首先初始化程序,接着进行温度测量,将测得的温度值通过显示屏显示;检测是否有按键操作,若有则执行按键扫描及处理程序,存储新输入的温度控制范围,若无按键操作则直接显示当前温度及设定值;将测得的温度值与设定值进行比较,若在设定范围内,程序自动返回测量温度,若不在设定范围内,则程序根据测得的温度与设定值,确定调温停止的温度,进行智能处理后输出控制信号,启动报警,运行加热或降温设备进行温度调节。
2.2 软件设计
为实现上述控制流程,达到温度控制目的,本系统设计了温度采集程序、LCD显示程序、按键扫描及处理程序、温度比较及计算程序、智能控制程序、报警程序等,其控制过程如图2所示。
温度采集程序用于将DS18B20所采集的温控箱内部、外部温度通过串行通信送入到指定地址;LCD显示程序用于显示测得的温度值及设定温度等数据;按键扫描及处理程序用于处理按键相关事项,即判断是否有按键行为、记录按键输入值及将输入值送往指定地址等。
传统的温控箱只是简单地将测量得到的实时温度值与设定值进行比较,控制加热器件或降温器件的通断状态进行温度调整。这种控制方式很容易出现过冲现象,对控制精度造成严重影响。同时单片机的功能只使用了一小部分,造成了资源浪费。本系统利用单片机的计算和比较功能对加热和降温过程进行智能控制,能较好地解决过冲问题,减少加热和降温状态的转换次数,实现温度的平稳控制,同时节省能源。
在进行智能控制时,根据设定的温度范围及探测到的系统温度,确定加热或降温时的结束温度,如果环境温度高于设定温度的上限,则降温器件停止工作时的温度由单片机根据公式Th-0.8(Th-Tl)计算出来。当环境温度低于设定温度的下限,则加热器件停止工作时的温度由单片机根据公式Tl+0.8(Th-Tl)计算出来。当环境温度在设定温度的上、下限之间,则降温器件停止工作时的温度由单片机根据公式Tl+0.5(Th+Tl)计算出来,通过此种方式进行温度调控,能有效减少加热或降温器件的启停次数,延长系统寿命,同时也使温度变化过程更平稳。在调温过程中以PID方式对系统温度进行控制,即在控制过程中,将测得实际温度值与设定值进行比较,经单片机计算后得到温度的偏差值、偏差变化率等,根据温度值、偏差值、偏差变化率算出控制增量,以控制加热器件或风扇的导通时间,达到温度控制的目的。
报警程序用于输出报警信号,控制报警电路实现声光报警。
3 总结
本温控箱以单片机作为温控系统的中央控制单元,充分利用了单片机的运算功能对温控过程进行自动控制,实时性强,可实现高精度控制,同时本系统设计合理,结构简单,具有可靠性高、运行稳定、成本较低、操作简便等优点,适用于需要较高控制精度的各种场合。
参考文献
[1] 张瀚文,张博,杜岩,等.多路高精度扩散炉温度控制系统的设计[J].微型机与应用,2013,32(17):83-86.
[2] 刘雷,张高飞,尤政.环境温度对RF-MEMS开关闭合电压影响研究[J].传感器与微系统,2013,32(5):6-8.
[3] SELAK G V, PERICA S, BAN S G, et al. The effect of temperature and genotype on pollen performance in olive[J]. Scientia Horticulturae, 2013,156(1):38-46.
[4] 陈新海,张侃健,魏海坤,等.无人值守的南极科考平台温控系统设计与实现[J].自动化仪表,2013,34(10):23-27.
[5] VITEL G, SURU M G, PARASCHIV A L. Structural effects of training cycles in shape memory actuators for temperature control[J]. Materials and Manufacturing Processes, 2012, 28 (1): 79-84.
[6] 李晓明,冯志书,徐刚,等.基于PC104的某型航空发动机排气温度测试系统[J].微型机与应用,2013,32(11):95-96.
[7] COSTA B A, LEMOS J M, ROSA L G. Temperature control of a solar furnace for material testing[J]. International Journal of Systems Science, 2011,42(8):1253-1264.
[8] 文春明,温志渝,尤政,等.硅基微型超级电容器三维微电极结构制备[J].电子元件与材料,2012,31(5):42-45.
[9] ASTRAIN D, MART?魱NEZ A, GORRAIZ J, et al. Computational study on temperature control systems for thermoelectric refrigerators[J]. Journal of Electronic Materials, 2012, 41 (6): 1081-1090.
相关问答
一氧化碳 报警 器的原理?一氧化碳气体报警器是用来检测一氧化碳气体的电子装置,它可以在空气中一氧化碳浓度超标时发出声音或光报警。一氧化碳气体报警器采用一氧化碳传感器将空气中一...
可燃气体 报警 器示值显示原理?桥路输出为零,当空气中含有...当空气中无可燃性气体时,桥路输出为零,当空气中含有可燃性气体并扩散到检测元件上时,由于催化作用产生无焰燃烧,使检测元件温度...
夹子 报警 器原理?报警器由人体红外传感器、无线收发模块和基于单片机的声光警示模块构成。使用时,将报警器安装在墙面或输液杆等附着物上,首先调整人体红外传感器的上下挡板位...
目前市场上存在的传统防盗 报警 器已经满足不了人们的安全需...[最佳回答]Aspeople'sawarenessofprotectionandtheconstantprogressofscienceandtechnology,therea...
商务谈判者应具有的什么能力商务谈判的要素I“会听”要尽量鼓励对方多说,向对方说:“yes”,“pleasegoon”,并提问题请对方回答,使对方多谈他们的情况。II巧提问题用开...
新手如何入门 单片机 开发?现在的电子设备几乎离不开单片机,在大学里有学了这么久的单片机。那如何利用单片机来设计一款产品呢?今天来和大家探讨一下。1制定需求首先要清楚你要做一个...
燃气泄漏 报警器 的原理 - 小红薯5C129216 的回答 - 懂得当燃气报警气达到一定的浓度就会报警。原理一般要看是什么介质,有的气体比空气轻,报警器就得放离天花板三公分的地方,有的气体比空气重,就得放在离...
电磁蜂鸣器有哪些电气性能?蜂鸣器是比较常用的发声器件,经常被用在声光报警电路中,只有两个引脚,方便驱动,简单易用,在学习单片机时,蜂鸣器都是必学的。蜂鸣器的电气性能/电气参数表...蜂...
多线控制盘与火灾显示盘是一回事不?当然不是啦,虽然都属于火灾自动报警系统,但是功能完全不一样啊多线控制盘也叫直接控制盘,一般用于远程控制。多线控制是对消防联动设施的控制是一对一、点对...
环保自动在线监测技术好在哪里?求解答[回答]遭霾天气频频出现,影响空气污染严重、随着空气质量的恶化,阴霾天气现象出现增多,危害加重、对人们的生活、工作产生很大的伤害;针对目前环境状况,设...
