浅谈西门子S7-1200PLC的模拟量转换,附实例演示
大家好,欢迎关注电气技术微课堂!
今天来简单探讨一下西门子S7-1200PLC的模拟量使用方法。
实际工业应用中常常由传感器采集压力、温度、速度等非电信号,并将这些非电量转换为电压或电流信号再传输给PLC、单片机等控制系统,此时这些信号均为模拟量。我们往往要对PLC中采集的模拟量信息进一步的加工处理,方便用来计算、比较、显示等。
模拟量转换的相关设置
S7-1200(1214C)内部集成了2路模拟量信号输入通道,分别为通道0和通道1,也就是可以同时接收并处理两个传感器输入的模拟信号,对应的地址为IW64和IW66(长度为一个字,16位),在TIA PROTAL中选中PLC的“常规”—“AI”标签项可以进行查看和设置。
S7-1200PLC模拟量转换的工作原理
假设PLC的AI0口外接了一个温度传感器,传感器将测得的温度值转换为一个范围为0~10V的连续电压信号输入给PLC。模拟量经过PLC内部的A/D转换后被转换成了范围0~27648的数字量并存储在特定地址的寄存器中。具体的转换流程如下图所示。
如何将模拟量输入转换的数字值还原成对应的物理量?
例:某个压力传感器的量程为0~0.1MPa,转换成对应的电压信号为0~5V,设转换后地址IW64中的数值为N,尝试求以Pa为单位的压力值。
电压转换成数字信号后存入IW64的数值为N
在博途软件中编写对应的PLC程序如下:
在编写梯形图程序时有以下两点需要特别注意:
1)因为PLC执行除法指令时会丢掉余数而只保留商值,这样会影响计算的精度,所以在编写梯形图程序计算压力值时要注意先乘后除。
2)IW64中的数据类型为整型(INT),该值乘以100000后其结果会超出int的范围,所以必须先应用CONV指令将数据类型转换为DInt。
电阻式应变片电桥压力传感器的说明与应用解析介绍
电阻式应变片电桥压力传感器应用
1. 电阻式应变片电桥压力传感器工作原理
电阻式应变式压力传感器是由电阻应变片组成的测量电路和弹性敏感元件组合起来的传感器。当弹性敏感元件受到外界压力作用时,将产生应变,粘贴在表面的电阻应变片也会产生应变,电阻值会发生变化。这样弹性体的变形转化为电阻应变片阻值的变化。
一般来说,把4个电阻应变片按照桥路方式连接,两输入端施加一定的电压值,两输出端输出的共模电压随着桥路上电阻阻值的变化增加或者减小。 这种变化的对应关系具有近似线性的关系。找到压力变化和输出共模电压变化的对应关系,就可以通过测量共模电压得到压力值。
通常使用四臂工作的全桥接法测量电桥有较高的灵敏度应变片式位移传感器测量精度也较高,能起到温度自动补偿的作用。
下图为全桥的基本结构
全桥
V0:输入电源电压。U0:输出共模电压;
2. 电阻式应变片电桥压力传感器电路设计
下图是电路框架结构
电路框架
电路一般由放大电路,滤波电路,电压跟随组成,U0为模拟量输出。
1)放大电路:使用差分放大电路;
差分放大电路,比较常用的电路,可以使用分立式运放来搭建差分运放电路;如下图:
差分运放电路
不过,由分立式运放搭建的差分运放电路,外围器件比较多,而且器件本身有差异,外界干扰信号的影响等,可能会引起一些噪声等误差;比如R1,R2的阻值理想状态是需要相同阻值,但是现实中由于生产工艺等原因不可能有相同阻值的电阻,多多少少都会存在一定偏差,所有说运放的结果也不会是理想状态。
因此,为了减少外围器件,以及不必要的误差,建议在条件运行的状况下,采用仪表放大器,其内部已经集成了差分电路,所有使用时外围器件比较少,电路结构简单,受干扰情况也会减小。
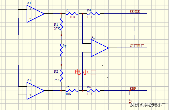
常用的仪表运放有AD620,INA128等;下图是INA128内部结构:此图来自INA128数据手册;
INA128内部电路
RG用来条件增益,根据传感器以及实际电路来条件增益;
仪表运放使用时注意选项,供电电压,增益调节范围,输入输出阻抗,共模抑制比CMR,偏压值,以及噪声等;
2)滤波电路;
滤波电路的作用:允许规定范围内的信号通过,而使规定范围之外的信号不能通过。
滤波电路分为:低通滤波,高通滤波,带通滤波,带阻滤波;
低通滤波:允许低频率的信号通过,将高频率的衰减;
高通滤波:允许高频率的信号通过,将低频率的衰减;
带通滤波:允许一定频带范围内的信号通过,将频带范围外的信号衰减;
带阻滤波:允许一定频带范围之外的信号通过,将频带范围内的信号衰减;
滤波电路又分为:无源滤波,有源滤波;
无缘滤波:仅由无源器件(电阻,电容,电感)组成的滤波电路;其有很大的缺点,比如:电路增益小,驱动负载能力差等。
有源滤波:指利用放大器,电阻和电容组成的滤波电路,主要用于数据传输,抑制干扰等方面;当然其也有缺点:受运放频带限制,这种滤波主要用于低频范围。
下图就是一阶有源低通滤波电路;
输入端RC构成低通滤波,特征频率由RC决定;
此电路特点就是:电路简单,但是阻带衰减太慢,选择性较差。
为了提高阻带衰减特性,加快衰减,改善滤波效果,我们可以再加一节RC低通滤波环节,构成二阶低通滤波,效果比一阶要好很多;如下图:
实际电路中具体选哪种滤波呢,我们要根据实际使用要求等情况,做具体的选择;
3)电压电路
下图是电压跟随的示意图:
电压跟随器
电压跟随,意思就是输出电压与输入电压相等,增益为一,起到电压跟随的作用。
许多应用里面都会有电压跟随电路,但是呢很多人觉得既然是输出电压跟输入电压一致,那为何要添加电压跟随电路,不是多此一举嘛,干脆去掉算了,其实看似简单,但是其有很大的作用,建议最好要有电压跟随电路;下面就简单介绍下电压跟随的几个作用。
1)电压跟随起到缓冲的作用
这个缓冲起到承上启下的作用,如果上一级信号输出阻抗比较高,而下一级输入阻抗比较小,那么这时信号就会有损耗,所有在此添加电压跟随电路,就可以在一定程度上避免这种现象。
2)电压跟随起到隔离的作用
电压跟随器具有输入阻抗高,输出阻抗低的特性,常用于中间级,以隔离前后级电路,消除前后级电路之间的相互影响。
3)电压跟随起到阻抗匹配的作用
电压跟随器具有输入阻抗高,输出阻抗低的特性,使得它在电路中可以完成阻抗匹配的功能,使下一级电路工作的更好,尤其在音频处理里面这个作业体现的更为出色。
3. 总结
电阻式应变片电桥压力传感器,的使用比较常见,电路比较简单,基本上由运放电路,滤波电路,跟随电路组成后,就可以满足普通的采样使用;可以直接接入带AD功能的MCU上进行采样,或者接AD转换芯片,再接入MCU等;当然实际使用过程中电压,增益,量程等,根据相关传感器手册,芯片手册等可自行调节。
想了解更多电子元器件,电子开发设计,嵌入式编程,研发相关管理知识或者观点,请记得加【关注】
欢迎您与作者私信沟通交流
相关问答
【 压力传感器 产生的电压信号怎么变为压力值,A/D采集的是电压...[最佳回答]压力传感器产生的电压信号需要根据传感器的量程算出实际压力值比如压力传感器量程0-100KPA对应的电压0-10V单片机采集到的数(和精度有关)是0-50...
压力传感器 那些自带有A& #47;D转换,而且价格要便宜的?_汽配...[最佳回答]现在的压力传感器,大都数是电阻式的,5吨左右的,大概在250元左右,一个简单的数摸转换模块,带四位显示的大概在500元左右,主要是四位数显的价格比较高...
传感器 怎样与 单片机 实现连接和控制?灰度传感器有三条线,VCC,GND,和信号线,他信号线输出的是模拟电压,普通的51只能通过电压比较器LM339来辨别两种不同的颜色,但是如果用增强的51就可以用他自带...
时钟电路设计需要哪些元件?_作业帮[回答]方案的论证与选择1.1方案论证1.1.1采用MCS—51系列单片机和压力传感器来完成压力传感器是鸡蛋闹钟必须用到的传感器,它具有结构简单、体积小、重...
温度 传感器 怎么与 单片机 连在一起工作?第一要完成温度传感器与单片机的硬件连接:(1)温度传感器是将非电量转换为电量即温度转换成电压(一般电压值较小为毫伏级的)因此需要加一级运算放大电路...
压电薄膜 传感器 怎么接 单片机 ?压电薄膜传感器可以通过模拟输入引脚连接到单片机。首先,将压电薄膜传感器的输出端与单片机的模拟输入引脚相连。然后,通过电阻分压电路将传感器的输出电压调...
单片机 技术是一门即将被淘汰的技术吗?感谢邀请答题!目前来说,这十几年内是不可能淘汰的,即使面临着人工AI、大数据和云计算等技术的多方面竞争,单片机也可以说是立于不败之地!毕竟需求放在那里。...
单片机 恒温箱有哪些不足热电偶传感器作者:不详来源:网上收集更新日期:2008-6-24阅读次数:6043一、热电偶传感器测温系统的设计应用下面介绍一个典型的单片机...
arduino 传感器 套件能用51 单片机 吗?可以使用Arduino相关的传感器,只要电压是5V的都可以。一般开关型和电压型的传感器可以直接使用,其他需要特定协议的传感器要根据协议编写代码或引用51单片机的...
51 单片机 怎么样接红外 传感器 模块?51单片机可以通过接口电路来连接红外传感器模块。一般来说,红外传感器模块有三个引脚:VCC、GND和OUT。其中,VCC和GND分别连接到单片机的电源正负极,OUT则连接...
