基于单片机的十字路口交通信号灯控制系统设计与调试
第一章 控制要求
1.1 控制要求
(1)系统工作受开关控制,起动开关 ON 则系统工作;起动开关 OFF 则系统停止工作。
(2)控制对象有八个:
东西方向红灯两个 , 南北方向红灯两个,
东西方向黄灯两个 , 南北方向黄灯两个,
东西方向绿灯两个 , 南北方向绿灯两个,
东西方向左转弯绿灯两个,南北方向左转弯绿灯两个。
(3)另外东西方向、南北方向各设置显示两位十进制的7段显示器,用来显示倒数计数值。
1)高峰时段按时序图二(见附图)运行, 正常时段按时序图三(见附图)运行,晚上时段按提示警告方式运行,规律为: 东、南、西、北四个黄灯全部闪亮,其余灯全部熄灭。
高峰时段、正常时段及晚上时段的时序分配按时序图一运行(见附图)。
可以只选择高峰时段或正常时段进行设计,但最后评分值最高以良好评议;如果全部功能实现(需要设计一个24小时的时钟作为时段划分的基础),最高评分值以优秀评议。
时序图
第二章 系统方案设计
2.1交通灯运行状态分析
根据控制要求,系统以下图交通的运行状态来设计系统方案。
状态1南北直行;状态2南北左转; 状态3东西直行;状态4东西左转。
共有四种状态,分别设定为S1、S2、S3、S4,交通灯以这四种状态为一个周期。循环执行如图1.5所示:
图2.1 交通灯状态循环图
2.2系统总体方案设计
图2.2系统总体方案图
本系统采用MCS-51系列单片机AT89C51为中心器件来设计交通灯控制器,实现了正常、高峰、晚间时通过单片机的P1口设置红、绿、黄灯亮灭的功能。东西、南北两位7段显示器用来显示倒数计数值。系统分三种工作时段:正常、高峰、晚间,并且通过时间段来控制"正常"、"高峰"、"晚间"相互转化。
正常时段:南北段直行通行(绿灯)、东西段禁止(红灯)40s,同时南北段和东西段方向的数码管分别从40s和70s开始倒计时,至最后5s时南北段绿灯变成黄灯闪烁;此后南北段左转(左转绿灯亮)通行、东西段禁止(红灯)20s,同时南北段和东西段方向的数码管都从20s开始倒计时,至最后5s时南北段左转灯变成黄灯闪烁;再后东西段直行通行(绿灯)、南北段禁止(红灯)40s,同时东西段和南北段方向的数码管分别从40s和70s开始倒计时,至最后5s时东西段绿灯变成黄灯闪烁;最后东西段左转(左转绿灯亮)通行、南北段禁止(红灯)20s,同时东西段和南北段方向的数码管都从20s开始倒计时,至最后5s时东西段左转灯变成黄灯闪烁。
高峰时段:南北段、东西段的通行时间改为45s,左转的时间改为15s,其它与正常时段相同。
晚间时段:禁止左转和直行,东西南北四个方向黄灯闪亮。
第三章 系统电路设计
3.1控制芯片选择
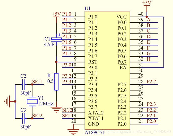
图3.1 AT89C51引脚图
AT89C51是美国ATMEL公司生产的低电压,高性能CMOS 8位单片机,有40个引脚,32个外部双向输入/输出(I/O)端口,同时内含2个外中断口,3个可编程定时计数器,2个全双工串行通信口,2个读写口线,器件采用ATMEL公司的高密度、非易失性存储技术生产,与标准MCS-51指令系统及8051产品引脚兼容,片内置通用8位中央处理器(CPU)和Flash存储单元,可以按照常规方法对其进行编程,也可以在线编程。其将通用的微处理器和Flash存储器结合在一起,特别是可反复擦写的Flash存储器可有效地降低开发成本。
3.2状态灯选择
该系统设计红、绿、黄状态灯显示的功能,用LED灯来代替实际的交通灯,由于有四种不同的运行状态,一个十字路口需要16个LED灯,倒计时数码管显示选用两位带片选的7段数码管,需要4个。数码管显示简单,程序简单,端口用的少。普通单色发光二极管具有体积小、工作电压低、工作电流小、发光均匀稳定、响应速度快、寿命长等优点,可用各种直流、交流、等电源驱动点亮,它属于电流控制型,使用时需串接合适的限流电阻。
3.3系统硬件原理图设计
图3.2系统原理布置图
第四章 系统软件设计
4.1 程序流程图设计
图4.1主程序流程图
系统通电后,初始化定时器,进行24小时定时,在7:00到8:15或16:30到17:00时,按高峰时段运行。在6:30到7:00或8:15到16;30或18:00到19:00时,按正常时段运行。其余时段,按晚间时段运行。
图4.2 时钟及晚间时段程序流程图
本设计利用单片机的定时器T0中断来设置24小时定时,设置TH1=0x3C,TL1=0xB0.即每0.05秒中断一次。到第20次中断即过了20*0.05秒=1秒时,计60S时,满意1分钟,计满60分钟,满1小时,计满24小时,又重新开始计时。用定时器T1中断来设置数码管倒计时,每满1S时,使时间的计数值减1,便实现了倒计时的功能。
图4.3 高峰时段及正常时段流程图
4.2 系统编程
4.2.1定时器的中断设置
在单片机中,中断技术主要用于实时控制。所谓实时控制,就是要求计算机能及时地响应被控对象提出的分析、计算和控制等请求,使被控对象保持在最佳工作状态,以达到预定的控制效果。由于这些控制参量的请求都是随机发出的,而且要求单片机必须做出快速响应并及时处理,对此,只有靠中断技术才能实现。
本系统中的定时时钟及倒计时的设置和相应中断服务子程序如下:
/*24小时时钟 */
void Timer0Cofig(){
TMOD=0x01; //T0定时器工作方式
TH0=0x3C; //设置初始值,定时50MS
TL0=0xB0;
ET0=1; //定时器开中断
TR0=1; //启动定时器0
EA=1; //CPU开中断总允许
}
void T0int() interrupt 1{
TH0=0x3C; //设置初始值
TL0=0xB0;
second_counter++;
if(second_counter>=20){second++;second_counter=0;}
if(second>=60){minute++;second=0;}
if(minute>=60){hour++;minute=0;}
if(hour>=24){hour=0;}
}
/********倒数显示定时器*********/
void Timer1Cofig()
{
TMOD=0x01; //T1定时器工作方式
TH1=0x3C; //定时器初值50ms中断一次
TL1=0xB0;
ET1=1; //定时器开中断
TR1=1; //启动定时器1
EA=1; //CPU开中断总允许
}
/*定时器中断函数*/
void timer1() interrupt 3{
TH1=0x3C; //重新装入初值
TL1=0xB0;
RGY_second++;
if(RGY_second==20){
RGY_second=0;
Time_EW--;//满1秒,数码管值减1
Time_SN--;
}
}
第五章 系统调试与仿真
5.1 proteus仿真结果
根据系统设计要求,进行keil调试和proteus系统仿真,不断调试程序。发光二极管,数码管都能按要求显示,符合要求。proteus总体仿真图如下。
图5.1 仿真结果
基于51单片机的交通灯控制系统设计
第一章 硬件设计与原理
以AT89C51单片机为核心,起着控制作用。系统包括数码管显示电路、复位电路、时钟电路、发光二级管电路和按键电路。设计思路分为六个模块:复位电路、晶振电路模块、AT89C51、数码管显示电路、发光二级管电路和按键电路这六个模块。
1.2 硬件设计分析
1.2.1 电源的设计
系统电源使用直流5伏。
由电脑USB接口提供电源。
USB是通用串行总线(Universal Serial Bus)接口的简称。它是目前使用比较广泛的电脑接口之一,主要版本有1.0、1.1和最新的2.0三种版本。根据USB总线的工业标准,它可以提供额定功率为5V/500mA的电源供USB设备使用。
1.2.2 单片机最小系统
51单片机是对目前所有兼容intel 8031指令系统的单片机的统称。该系列单片机的始祖是intel的8031单片机,后来随着技术的发展,成为目前广泛应用的8为单片机之一。单片机是在一块芯片内集成了CPU、RAM、ROM、定时器/计数器和多功能I/O口等计算机所需要的基本功能部件的大规模集成电路,又称为MCU。51系列单片机内包含以下几个部件:
一个8位CPU;一个片内振荡器及时钟电路;
4KB的ROM程序存储器;
一个128B的RAM数据存储器;
寻址64KB外部数据存储器和64KB外部程序存储空间的控制电路;
32条可编程的I/O口线;
两个16位定时/计数器;
一个可编程全双工串行口;
5个中断源、两个优先级嵌套中断结构。
如图1-2-1所示为AT89C51单片机基本构造,其基本性能介绍如下:
AT89C51本身内含40个引脚,32个外部双向输入/输出(I/O)端口,同时内含2个外中端口,3个16位可编程定时计数器,2个全双工串行通信口,STC89C51RC可以按照常规方法进行编程,但不可以在线编程。其将通用的微处理器和Flash存储器结合在一起,特别是可反复擦写的Flash存储器可有效地降低开发成本。
AT89C51的主要特性如下表所示:
AT89C51为40脚双列直插封装的8位通用微处理器,采用工业标准的C51内核,在内部功能及管脚排布上与通用的8xc52相同,其主要用于会聚调整时的功能控制。功能包括对会聚主IC内部寄存器、数据RAM及外部接口等功能部件的初始化,会聚调整控制,会聚测试图控制,红外遥控信号IR的接收解码及与主板CPU通信等。主要管脚有:XTAL1(19脚)和XTAL2(18脚)为振荡器输入输出端口,外接12MHz 晶振。RST/Vpd(9脚)为复位输入端口,外接电阻电容组成的复位电路。VCC(40脚)和VSS(20脚)为供电端口,分别接+5V电源的正负端。P0~P3 为可编程通用I/O脚,其功能用途由软件定义,在本设计中,P0端口(32~39脚)被定义为N1功能控制端口,分别与N1的相应功能管脚相连接,13脚定义为IR输入端,10脚和11脚定义为I2C总线控制端口,分别连接N1的SDAS(18脚)和SCLS(19脚)端口,12脚、27脚及28脚定义为握手信号功能端口,连接主板CPU的相应功能端,用于当前制式的检测及会聚调整状态进入的控制功能。
P0口:P0口是一组8位漏极开路型双向I/O 口,也即地址/数据总线复用口。作为输出口用时,每位能吸收电流的方式驱动8个TTL逻辑门电路,对端口P0写“1”时,可作为高阻抗输入端用。在访问外部数据存储器或程序存储器时,这组口线分时转换地址(低8位)和数据总线复用,在访问期间激活内部上拉电阻。在Flash 编程时,P0口接收指令字节,而在程序校验时,输出指令字节,校验时,要求外接上拉电阻。
P1口:P1是一个带内部上拉电阻的8位双向I/O口,P1的输出缓冲级可驱动(吸收或输出电流)4个TTL逻辑门电路。对端口写“1”,通过内部的上拉电阻把端口拉到高电平,此时可作输入口。作输入口使用时,因为内部存在上拉电阻,某个引脚被外部信号拉低时会输出一个电流(IIL)。与AT89C51不同之处是,P1.0和P1.1还可分别作为定时/计数器2 的外部计数输入(P1.0/T2)和输入(P1.1/T2EX)。Flash编程和程序校验期间,P1接收低8位地址。
P2口:P2是一个带有内部上拉电阻的8 位双向I/O口,P2的输出缓冲级可驱动(吸收或输出电流)4个TTL逻辑门电路。对端口P2写“1”,通过内部的上拉电阻把端口拉到高电平,此时可作输入口,作输入口使用时,因为内部存在上拉电阻,某个引脚被外部信号拉低时会输出一个电流(IIL)。在访问外部程序存储器或16位地址的外部数据存储器(例如执行MOVX @DPTR指令)时,P2口送出高8位地址数据。在访问8位地址的外部数据存储器(如执行MOVX @RI指令)时,P2口输出P2锁存器的内容。Flash编程或校验时,P2亦接收高位地址和一些控制信号。
P3口:P3口是一组带有内部上拉电阻的8位双向I/O口。P3口输出缓冲级可驱动(吸收或输出电流)4个TTL逻辑门电路。对P3口写入“1”时,它们被内部上拉电阻拉高并可作为输入端口。此时,被外部拉低的P3口将用上拉电阻输出电流(IIL)。P3口除了作为一般的I/O口线外,更重要的用途是它的第二功能P3口还接收一些用于Flash 闪速存储器编程和程序校验的控制信号。
RST:复位输入。当振荡器工作时,RST引脚出现两个机器周期以上高电平将使单片机复位。
ALE/PROG:当访问外部程序存储器或数据存储器时,ALE(地址锁存允许)输出脉冲用于锁存地址的低8位字节。一般情况下,ALE仍以时钟振荡频率的1/6输出固定的脉冲信号,因此它可对外输出时钟或用于定时目的。要注意的是:每当访问外部数据存储器时将跳过一个AL脉冲。对Flash存储器编程期间,该引脚还用于输入编程脉冲(PROG)。如有必要,可通过对特殊功能寄存器(SFR)区中的8EH单元的D0位置位,可禁止ALE操作。该位置位后,只有一条 MOVX 和MOVC指令才能将ALE激活。此外,该引脚会被微弱拉高,单片机执行外部程序时,应设置ALE禁止位无效。
PSEN:程序储存允许(PSEN)输出是外部程序存储器的读选通信号,当AT89C51由外部程序存储器取指令(或数据)时,每个机器周期两次PSEN有效,即输出两个脉冲。在此期间,当访问外部数据存储器,将跳过两次PSEN信号。
EA/VPP:外部访问允许。欲使CPU仅访问外部程序存储器(地址为0000H—FFFFH),EA端必须保持低电平(接地)。需注意的是:如果加密位LB1被编程,复位时内部会锁存EA端状态。如EA端为高电平(接Vcc端),CPU则执行内部程序存储器中的指令。Flash存储器编程时,该引脚加上+12V的编程允许电源Vpp,当然这必须是该器件是使用12V编程电压Vpp。
XTAL1:振荡器反相放大器的及内部时钟发生器的输入端。
XTAL2:振荡器反相放大器的输出端。
单片机最小原理图如图1-2-2所示。
单片机最小系统说明:
时钟信号的产生:在MCS-51芯片内部有一个高增益反相放大器,其输入端为芯片引脚XTAL1,其输出端为引脚XTAL2。而在芯片的外部,XTAL1和XTAL2之间跨接晶体振荡器和微调电容,从而构成一个稳定的自激振荡器,这就是单片机的时钟振荡电路。
时钟电路产生的振荡脉冲经过触发器进行二分频之后,才成为单片机的时钟脉冲信号。
一般地,电容C2和C3取30pF左右,晶体的振荡频率范围是1.2-12MHz。如果晶体振荡频率高,则系统的时钟频率也高,单片机的运行速度也就快。
单片机复位使CPU和系统中的其他功能部件都处在一个确定的初始状态下,并从这个状态开始工作。单片机复位条件:必须使9脚加上持续两个机器周期(即24个振荡周期)的高电平。
1.2.3 显示系统
数码管是一种半导体发光器件,其基本单元是发光二极管。
数码管按段数分为七段数码管和八段数码管,八段数码管比七段数码管多一个发光二极管单元(多一个小数点显示);按能显示多少个“8”可分为1位、2位、4位等等数码管;按发光二极管单元连接方式分为共阳极数码管和共阴极数码管。共阳数码管是指将所有发光二极管的阳极接到一起形成公共阳极(COM)的数码管。共阳数码管在应用时应将公共极COM接到+5V,当某一字段发光二极管的阴极为低电平时,相应字段就点亮。当某一字段的阴极为高电平时,相应字段就不亮。。共阴数码管是指将所有发光二极管的阴极接到一起形成公共阴极(COM)的数码管。共阴数码管在应用时应将公共极COM接到地线GND上,当某一字段发光二极管的阳极为高电平时,相应字段就点亮。当某一字段的阳极为低电平时,相应字段就不亮。
数码管要正常显示,就要用驱动电路来驱动数码管的各个段码,从而显示出我们要的数字,因此根据数码管的驱动方式的不同,可以分为静态式和动态式两类。
1) 静态显示驱动:静态驱动也称直流驱动。静态驱动是指每个数码管的每一个段码都由一个单片机的I/O端口进行驱动,或者使用如BCD码二-十进制译码器译码进行驱动。静态驱动的优点是编程简单,显示亮度高,缺点是占用I/O端口多,如驱动5个数码管静态显示则需要5×8=40根I/O端口来驱动(要知道一个89C51单片机可用的I/O端口才32个呢),实际应用时必须增加译码驱动器进行驱动,增加了硬件电路的复杂性。
2) 动态显示驱动:数码管动态显示接口是单片机中应用最为广泛的一种显示方式之一,动态驱动是将所有数码管的8个显示笔划"a,b,c,d,e,f,g,dp"的同名端连在一起,另外为每个数码管的公共极COM增加位选通控制电路,位选通由各自独立的I/O线控制,当单片机输出字形码时,所有数码管都接收到相同的字形码,但究竟是那个数码管会显示出字形,取决于单片机对位选通COM端电路的控制,所以我们只要将需要显示的数码管的选通控制打开,该位就显示出字形,没有选通的数码管就不会亮。通过分时轮流控制各个数码管的的COM端,就使各个数码管轮流受控显示,这就是动态驱动。
本设计中数码管采用的是动态驱动方式。
数码管外形如图1-2-3,数码管电路结构如图1-2-4。
1.2.4 发光二级管电路
1.2.5 按键电路
第二章 软件设计与分析
2.1 软件设计的组成
该系统由延时子函数、数码管显示子函数、定时器0中断子函数、主函数和数据定义这几部分组成。
//----------------------------------------------------------------------//
上传过程感觉繁琐,里面可能有不全面的地方,请见谅。下面的是实现的目的。以及电路原理图
**本次设计的主要目的是设计一个城市十字路口的交通灯控制系统,设计中将交通灯控制系统分为东西方向(主干道)和南北方向(次干道)两个方向,且在东西南北四个路口的每个路口设置红、绿、黄三个交通信号灯(用发光二极管模拟)和一个二位的LED数码显示管。设计的要求是规定在每一段时间内东西和南北两个方向中只有一个方向能够通行,另一个方向处于禁行状态,然后在经过一段时间后,禁行的方向和通行的方向互相转换状态,原来通行的状态变禁行状态,原来禁行的状态变为通行状态,如此循环下去。详细过程如下图2-1:
状态① 状态②
图 1图2-1 交通灯状态图
状态①:东西方向的交通灯黄灯闪烁3秒后,红灯熄灭,绿灯点亮(东西方向允许车辆和行人通行),同时南北方向绿灯熄灭,红灯点亮(南北方向禁止车辆和行人通行),LED数码管倒计时显示40秒,在倒计时3秒时进入状态②。
状态②:南北方向黄灯闪烁3秒后,红灯熄灭绿灯点亮(南北允许车辆和行人通行);同时东西方向绿灯熄灭,红灯点亮
(东西方向禁止车辆和行人通行),LED数码管倒计时显示40秒,在倒计时3秒时进入状态①。
接下来在没有人为干涉下将会一直按照上述进行循环。设计中还外设6个按键实现对交通灯控制系统的调控作用。
电路原理图
//——————————————————————————-——————————//
相应的代码已经上传
下载地址
https://download.csdn.net/download/weixin_43442020/12231456
下载链接里可以下载,解压后里面有压缩文件,压缩文件里面的资料更详细
找元器件现货上唯样商城
相关问答
基于单片机 的 交通灯 模拟控制系统 设计 需要哪些硬件电子元件?1,单片机1只,如果单片机要使用外部振荡器,+1个晶体两个电容;2,红色、绿色、黄色LED灯若干个;3,用于对LED限流的电阻若干个;4,5V直流电源1个或干电池3...1,...
单片机 编程 交通灯 ,求数码管显示程序,先显示45秒倒计时,然后从25秒开始倒计时,再从45秒倒计时?仿真实例,有汇编的也有C语言的。仿真实例,有汇编的也有C语言的。
单片机 外部中断实验(急救车与 交通灯 )怎么延时闪烁?在单摆的中间放一个红外对管,这样单摆每过一次中间就会有一个脉冲信号。这个脉冲信号连接外部中断,通过中断来统计次数。再用定时器定时1秒,1秒后把中断次数输...
如何用小电珠丶电池丶导线丶回形针丶卡纸等材料制作交通信号灯?制作实际的交通信号灯一般需要以下材料:1.用来作为指示用的信号灯(属于输出设备);2.用来控制信号灯工作的设备(比如PLC,单片机等);3.用来...制作实际的交...
交通灯 是每个国家的什么?交通灯是各个国家管理交通的重要工具,是城市交通最重要的组成部分,对于疏导交通流量、提高道路通行能力,减少交通事故有明显效果。近年来随着科技的飞速发展,...
行车记录仪红绿灯什么原理?交通信号灯是用计算机语言的逻辑来编写的,根据不同的交通路口设定时间。由单片机芯片控制起灯亮的时间和灭的时间;具体就是当红灯该亮时,单片机控制信号灯红...
物联网专业怎么样?找到职业新方向,从全面了解IoT开始全文共4726字,预计学习时长10分钟物联网(IoT)正以前所未有的速度蓬勃发展,并将长期为各行各业带来新的机遇,助力成功。...这...
怎样用发光二极管实现红绿灯 - 茶姑娘芝芝 的回答 - 懂得充氢气和疝气买一个双色二极管,有三个脚,中间是地线,两边是红绿脚,额定电压3V,正极接红脚红灯亮,接绿脚绿灯亮,要分别接,如果用正极接红同时又接绿...
高电是什么专业?专业性质:属职业鉴定专业课程设置:电子技术、工厂变配电技术、工厂电气控制技术、可编程序控制器(PLC)的原理与应用、MCS—51系列单片机的原理与应用。实操...
怎么样往芯片里写程序? 单片机 是干什么的?-ZOL问答给芯片写程序是根据芯片的烧写时序(学过数点就明白)来决定了的,至于烧录软件,网上也很多,常用的51单片机烧写软件是STC_ISP_V480,主要是针对STC系列的单片机...
