单片机驱动数码管设计详解(用74HC595实现)
简单设计了一个单片机驱动数码管的电路,该设计中只使用了4位数码管,占用了单片机3个IO口,如果驱动芯片全用满可以驱动8位数码管。仅供初学者分享学习。
1. 数码管显示设计
本设计使用了一个4位的数码管,为共阳型,为了节省单片机的IO口,使用了两片74HC595作为数码管的驱动芯片,共占用3个IO口。74HC595部分电路图如下:
与单片机相连接的三个脚分别为:HC_DAT,HC_RCK,HC_CLK。两片595采用级联方式,即U2的第9脚接到U3的第14引脚。
2. 74HC595简介
74HC595是8位的移位寄存器,串入并出,并具有锁存功能,被广泛的用于数码管、点阵的驱动电路中。其管脚介绍如下:
15:数据输出A-接数码管数据A段;
1:数据输出B-接数码管数据B段;
2:数据输出C-接数码管数据C段;
3:数据输出D-接数码管数据D段;
4:数据输出E-接数码管数据E段;
5:数据输出F-接数码管数据F段;
6:数据输出G-接数码管数据G段;
7:数据输出H-接数码管数据H段;
16:电源正脚-接电源正;
8:电源负脚-接电源负;
14:数据输入脚-接单片机管脚;
12:数据锁存时钟-接单片机管脚;
11:数据输入时钟-接单片机管脚;
13:使能输出脚-低电平有效,接低电平;
10:数据清零-不清零,接高电平;
9:数据级联输出-接下一片595的数据输入脚;
74HC595的真值表如下:
知道了74HC595的引脚定义和真值表,那该如何编程呢?下面重点来了,通过时序图来编程。看重点!!!
3. 74HC595时序图
我是重点!我是重点!我是重点!
通过时序可以看出:
SCK是上升沿的时候要把数据写入;
RCK是上升沿的时候数据才能锁存显示;
有数据操作的过程中RESET必须是高电平;
EN必须是低电平,595才能工作;
知道了以上4点就可以写程序了。其中3、4条是硬件连接上的事情(也可以用单片机的IO口来连接,这样的话可以随时控制74HC595的工作与否情况)。写程序主要靠1、2条。下面具体操作。
4. 程序实例
看下面一段程序:
第39行:HC595_CLK(0)的原型如下:
HC595_CLK(0)是让CLK处于低电平,即上升沿还没有来到;
HC595_DAT(1)就是要把写入的数据准备好;
temp<<1是将数据移位,即一个字节分八次写入;
HC595_CLK(1)是让CLK处于高电平,即上升沿来了;
以上几句解释一下就是:
在CLK时钟上升沿来临之前把要写入的数据准备好,等上升沿来了就把准备好的数据写入。 这就是对时序图的解释。
记住,这仅仅是把数据写入到了74HC595中,但是还没有让74HC595锁存,即没有让数据显示出来,如果让数据显示的话,必须要给RCK一个上升沿(即时序图中的第2条),操作如下:
单片机执行完这个程序后,数据才会在数码管上显示出来。
这一节内容的难度较大,主要是因为时序图这个东西是很模糊的一个内容,大家可以慢慢理解体会。
本订阅号致力于单片机、ARM等嵌入式软硬件的设计经验分享,秉承“人人都是电子设计经验的分享者”的理念,成功路上不孤单,我们一起努力。公众号:micropoint8
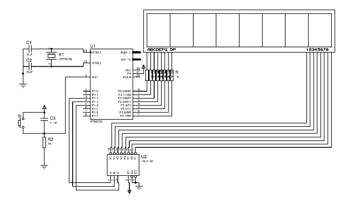
实战之8051驱动8位数码管
8051驱动共阴极
过年有点时间,整理电脑,翻到一个之前的小作品,应一位刚入门的朋友的要求做的,控制8位数码管,依次显示0~9。发出来给大家瞧瞧。
由于当时手上没有开发板,就用Proteus来做电路仿真了。
工作环境:
Keil uVision5
Proteus 8 Professional
数码管
首先了解下数码管的相关知识
数码管的基本单元是发光二极管,按段数可分为七段数码管和八段数码管,八段数码管比七段数码管多一个发光二极管单元,也就是多一个小数点(DP),这个小数点可以更精确的表示数码管想要显示的内容;按能显示多少个(8)可分为1位、2位、3位、4位、5位、6位、7位、8位等数码管。
>数码管内部原理
上图是一个数码管的内部示意图,一个数码管的显示部分由8个二极管构成,刚好是一个字节,51单片机也是8位单片机。
根据内部发光二极管的公共连接端不同,可以分为共阳极接法和共阴极接法,共阳极接法就是发光二极管的正极共同接电源VCC,通过控制每个发光二极管的负极是否接地来显示数字。共阴极接法就是每个发光二极管的负极共同接地GND,通过控制每个发光二极管的正极是否接电源来显示数字。
图中a~g管脚分别控制着每个发光二极管的亮灭,所以,如果要显示1的话,只需要点亮b,c两段即可(把单片机对应端口输出0x06即可);如果要显示数字5,则只需要点亮a,f,g,c,d段即可组成数字5的显示(0x6d)。
>多位数码管内部原理图
上图是4位数码管的内部接线,每位数码管的阳极(或阴极)相连,其他相同引脚的引脚相连,一共有12个控制引脚,也可以得出8位的数码管有16个控制引脚,8个共阳(或共阴)端,8个控制a~g显示内容。
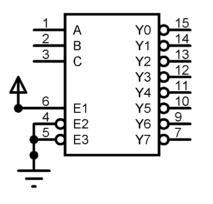
74LS138译码器
从数码管的显示原理来看,一个数码管要显示不同的字符,就要对数码管中的每个二极管进行不同控制,每个二极管要用到单片机的一个控制引脚,比如在实际应用中八位的共阴极或共阳极数码管,共有16个引脚,如果都使用单片机引脚进行控制,这就太浪费了,本来单片机的资源就很紧张。
解决办法是用一个译码器作为数码管的位选择器,需要哪一位显示就控制哪一位数码管的共阳(或共阴)端。
74LS138译码器1~3为输入端,由高到低为CBA; 7~15为输出端,由高到低为Y7-Y0。
工作过程:输入端输入三位二进制数,转成十进制,经过译码器后,输出端对应该十进制数的引脚(对应的Y)为低电平,其余为高电平,比如:
输入000,十进制为0,输出端的0位引脚为低电平,其余为高,也就是1111 1110;
输入101,十进制为5,输出端的5位引脚为低电平,其余为高,也就是1101 1111。
三位二进制数刚好可以表示0~7,8个数字,也就是可以控制8位数码管。
Proteus电路图
程序设计
#include <REGX51.H>
//延时函数
void delay(unsigned int ms){
int k,l;
for(k=0;k<ms;k++)
for(l=0;l<120;l++);
}
//一个数码管显示 0~f 十六进制数组
char numHex[] = {0x3f,0x06,0x5b,0x4f,0x66,0x6d,0x7d,0x07,0x7f,0x6f,0x77,0x7c,0x39,0x5e,0x79,0x71};
/**
选择数码管,并显示出对应的十进制数
index :数码管位下标
num :char numHex[] 数组对应十进制数的下标
*/
void setIndexNum(unsigned char index,unsigned char num){
switch(index){//数码管位选,74LS138译码器的输入
case 0:
P1_2=0;
P1_3=0;
P1_4=0;
break;
case 1:
P1_2=1;
P1_3=0;
P1_4=0;
break;
case 2:
P1_2=0;
P1_3=1;
P1_4=0;
break;
case 3:
P1_2=1;
P1_3=1;
P1_4=0;
break;
case 4:
P1_2=0;
P1_3=0;
P1_4=1;
break;
case 5:
P1_2=1;
P1_3=0;
P1_4=1;
break;
case 6:
P1_2=0;
P1_3=1;
P1_4=1;
break;
case 7:
P1_2=1;
P1_3=1;
P1_4=1;
break;
}
P3=numHex[num];//数码管显示字符
}
void main(){
//proteus 不用while即可循环,不明白
unsigned char i,j;
for(i = 0;i < 8;i++){
for(j = 0;j < 16;j++){
setIndexNum(i,j);
delay(300);
if(j >= 15) break;
}
if(i >= 7) break;
}
}
想要一起学习单片机的朋友,评论我要入门,有惊喜,加入我们,就可以与导师一对一互动,快速成长
相关问答
51 单片机8 个 数码管 初始显示“87654321”,然后用8个独立按键...51单片机8个数码管初始显示“87654321”,然后用8个独立按键分别控制这8个数码管,每按一个键,相对应的数码管更换显示字符,要求8只按键按完后,数码管显示“nJnU...
用两个四位数码管弄成一个 8位数码管 做时钟,通过74hc573连接到 单片机 上,求大神用汇编写个程序?用74hc595控制数码管,也没有什么特别的,一片锁存段码,另一片锁存位码,这样可以控制8位数码管,如果数码管再多,就要增加74hc595。主要是多片595是串行连接...
共阳极四位七段 数码管 (12个引脚)怎么连接到 单片机 上啊_作业帮[最佳回答]哦,这个啊……正面看的话,上面6脚,下面6脚,共12脚上面从左到右是1,a,f,2,3,b下面从左到右是e,d,dp,c,g,4其中1,2,3,4是4个数码管的位选,因为是共阳,...
数码管 段选和位选在接线上怎么体现,求大神,感激不尽?单片机和数码管的动态扫描接口时,用到段选与位选的概念,段选用一个输出口(8位二进制数0-7,不用小数点为7位,用小数点8位),位选用一个输出口(可根据数码管...
51 单片机 ,用单独键盘控制静态 数码管 显示1-8,自学的,错误连篇...你先把下面这几行中sbitK8=P0^7;voidanjian()voidyanshi(uintnms);改为sbitK8=P0^7;voidanjian();//这里漏了...
51 单片机 max7219 数码管 使用方法?使用方法如下:1.接线:将Max7219引脚与MCU引脚相连,VCC和GND分别连接到正负电源上。2.初始化:编写初始化函数,包括设置控制口输出、设置扫描限制、设置亮度...
单片机 共阴极 数码管 名称?LED数码管指的是七段数码管,有共阳极和共阴极之分;(顺便说数码管可不是因单片机而生,所以不是单片机的数码管,是互不相干的不同元器件)共阳极就是把二极...
51 单片机数码管 怎么位选?51单片机数码管的位选可以通过设置相应的位选信号来实现。一般来说,数码管的位选是通过多路选择器(如74HC138)来实现的。通过设置选择器的控制端,可以选择要...
设计电子时钟 要用AT89S51 单片机 的定时器实现,用 4位数码管 ...用21134位数码管显示,用点的闪烁表示秒,就是共有52615位,7段;那么用一整个4102PIO口(8位)去对应7段数据,1653再用另外一个PIO口的部分(全部)管脚去...
单片机数码管 程序,是如何定义段选和位选的,完全看不懂,求教,谢谢?没用锁存器,应该是IO端口为0选中该数码管如0xef0xdf0xbf0x7f高4位用二进制表示分别是1110110110110111每次只有一个0段选分共阳和共...没用锁存器,...
