正反转可控的直流电机(单片机)
实验名称
正反转可控的直流电机
实验时间
2021年12月2 日
学生姓名
实验地点
钉钉群线上
同组人员
专业班级
1、实验目的
1、能够在PROTEUS软件中掌握直流电机的驱动电路绘制方法;
2、掌握直流电动机的程序控制方法;
2、任务设计要求
设计采用单片机控制直流电机的正反转,按下K1按键正转,按下K2按键反转,
按下K3按键停止,执行相应的操作时,对应的LED被点亮。
3、总体设计方案
根据实验任务要求,通过功能分析,设计的系统总体方案如图所示。
并行接口
AT89C51单片机
电源
时钟电路
复位电路
实现转向灯的控制
4、硬件电路设计
5、软件程序设计
(1)、程序设计思路(流程图绘制)
其设计思路如图所示
结束
结束
结束
(2)程序清单
#include<reg51.h>#include<intrins.h>#define uchar unsigned char#define uint unsigne dintsbit K1=P3^0;sbit K2=P3^1;sbit K3=P3^2;sbit LED1=P0^0;sbit LED2=P0^1;sbit LED3=P0^2;sbit MA=P1^0;sbit MB=P1^1;void main (void){ LED1=1;LED2=1;LED3=0;while(1){if(K1==0){ while( K1==0); LED1=0;LED2=1;LED3=1; MA=0;MB=1;}if(K2==0){ while(K2==0); LED1=1;LED2=0;LED3=1; MA=1;MB=0; } if(K3==0){ while(K3==0); LED1=1;LED2=1;LED3=0; MA=0;MB=0; } }}
性能指标测试及结果分析在此实验设计过程中我们遇到了很多问题也发现了很多的缺陷,但通过我们的不断探索与钻研、向导师询问不懂知识、努力找寻解决方法,问题被一个个解决。我们也从这次设计过程中学到了很多的知识,领悟到了一些道理
8、项目设计报告成绩
指导教师签字:
年 月 日
「DC motor control 」 2直流减速电机的方向控制
在前面的文章中,我们说直流减速电机的控制,不外乎控制两个量就好了,一个是方向一个是速度。今天我们就来说说怎么使用单片机或者其它控制器来对直流减速电机的方向进行控制。
我们都有这么一个通识的认知:对于直流电机,我们给它接两个线,一正一负,电机就动起来了,并且朝一个方向一直运动,当我们交叉两个线的时候即对调正负极的时候,电机的转速是不变的,但是电机的旋转方向却发生了变化,方向了。
从这个小案例里面其实也折射出来了电机方向控制的基本原理,那实现对输入电平的控制,要可实现电平的反向。
为了使控制的方便,还有这样的控制电路:
很明显对于这个电路,拨动开关是可以实现电机的正反转的。
但是不管怎么样,这些控制都不是很好的控制方法,都必须实现手动的输入。我在我们对电机的使用上,肯定是不能这样的,你做一个机器车,要实现反向运动,你还需要去拨动一个开关,显然这是不智能的。
那么,我们需要怎么去控制呢?
在模拟电路中,对于电机的控制有一个非常经典的电路:H桥电路
很明显:S2和S5将组成一组,S3和S4将组成一组。
S2和S5闭合,S3和S4断开:
S3和S4闭合,S2和S5断开:
这很明显就实现了正反转。
对于这里的开关S,我们需要用一个电子器件将其换掉:三极管是一个很不多的选择。说道这里,我们再来看一下三极管的简单控制原理:
以NPN为例:
b为基极,一般接的是MCU的IO口,c为集电极,一般接的高电平,e发射极一般接的地。这个NPN的三极管,当be之间有一个小电流通过的时候,那么ce就会导通。就是这样的原理,使用这个来替换开关S那是在恰当不过了。
再看电机的控制:
所以对于电机的控制,我们需要H桥驱动电路,这些东西不需要我们从底层去设计,市场上有很多H桥电机驱动芯片,我们只需要阅读它的datasheet,直接用就好了。
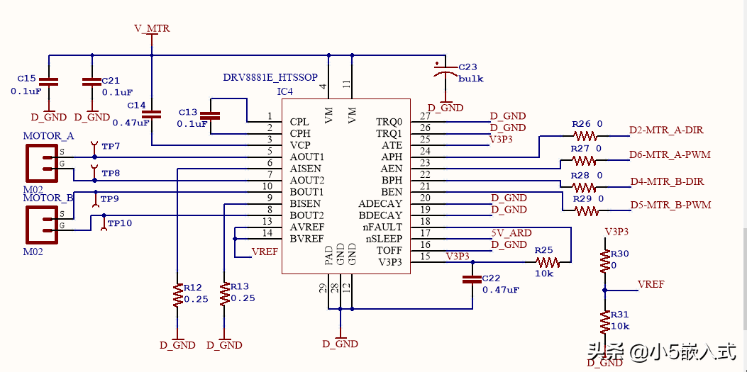
我们再来看一个常见的电机的驱动芯片:DRV8881
看一下推荐的控制电路:
AIN1 、AIN2、 BIN1、 BIN2 接的点MCU的IO,当然这个电路是可以实现调速和转向的。至于到底是怎么转向的,在这个芯片里,我们不需要去详细的了解了,当黑盒用了。至于调速的原理,我们下一篇文章在细说了。
在附加自己的实战过的一个电路吧:
希望对大家有作用。
喜欢我文章的朋友,欢迎关注、点赞、评论、交流。版权个人所有,转载请注明出处。
相关问答
用 单片机 和一路继电器控制 直流电机正反转 ,接了继电器,不知道怎么把直流电机和继电器接一起?单片机控制直流电机正反转,最简单的方法是两个I/O口控制两个继电器(一组常开、常闭)的就可以,电机两个极接两个继电器的动触点,两个继电器的常开点...
pwm如何控制 直流电机 转速和 正反转 ?我们可以做这样的实验,以24V直流电机为例,在电机两端接上24V的直流电源,电机会以满速转动,如果将24V电压降至2/3即16V,那么电机就会以满速的2/3转速运转。由...
单片机 控制交流 电机正反转 的C语言程序,暂停怎么办 - m18vzr...暂停代码,把控制电机输出口全置0这个很简单,我教你怎么玩,下面是思路和方式思路:有三个输入,分别是一个按钮、两个霍尔传感器(也就是接近开关),我...
Proteus的51 单片机 控制步进电机,实现 电机正反转 ?Proteus的51单片机控制步进电机,一般是控制其相序分配的顺逆从而控制正反转,一般而言,步进电机相序分配可以做成一个数组比如step[]={0x03,0x06,0x0c,0x09},这...
怎么让 电机 反转?要让电机反转,可以采用以下方法:利用电路板。通过电路板设置不同的开关来控制电机的正反转,不同的电机可能需要不同的电路板进行控制,需要根据电机的参数选...
如何通过继电器控制 电机正反转 ?1、单片机输出端接光电耦合器,加上三极管、继电器组合的电路。2、看继电器对应的是多大电压驱动,继电器有一端要接上这个电压,另一端接三极管。3、...1、单...
电机 什么方向为正 转电机 正转方向是顺时针还是逆时针-ZOL问答电机的正转方向是由电机的设计和连接方式决定的,并且不同类型、不同品牌的电机可能存在差异。一般情况下,直流电机(DCmotor)和交流感应电机(ACinductionmot...
两相 电机 正常左转是顺时针?电机正转是顺时针转动,电机反转是逆时针转动。v根据正反转控制电路图及其原理分析,要实现电动机的正反转,只要将接至电动机三相电源进线中的任意两相...电...
如何分辨 单片机 方向?单片机芯片的引脚方向可以通过以下方法来区分:-带有豁口标识的芯片,这类芯片在壳体的一端会有一个半圆形的豁口,而这个豁口就是芯片的标记方向。-有缺口...
求指点 单片机 控制步进 电机 方法?步进电机的驱动电路是根据单片机产生的控制信号进行工作的,因此单片机通过步进电机驱动电路发送控制信号就能实现对步进电机的控制。驱动电路:可用达林顿驱动...
