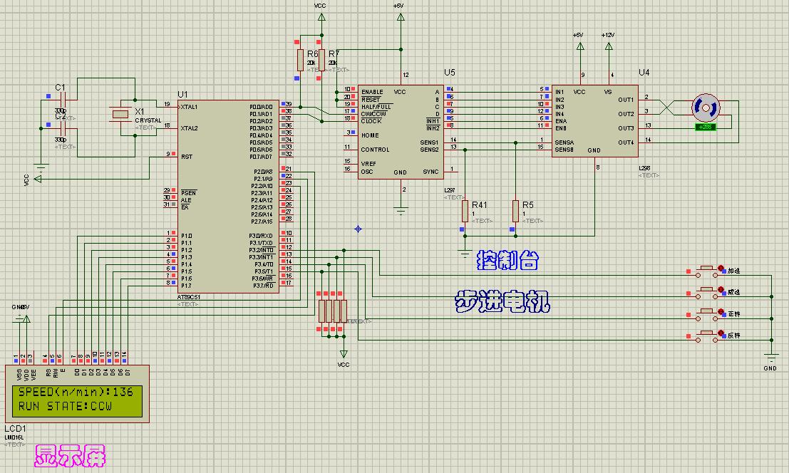
基于单片机步进电机正反转,加减速仿真实例
51单片机+L297+ L298 实现步进电机的正反转,加减速仿真。
main()
{
/*定时器设置*/
TMOD=0x66; //定时器0,1都为计数方式;方式2;
EA=1;//开中断
TH0=0xff;//定时器0初值FFH;
TL0=0xff;
ET0=1;
TR0=1;
TH1=0xff;//定时器1初值FFH;
TL1=0xff;
ET1=1;
TR1=1;
IT0=1;//脉冲方式
EX0=1;//开外部中断0:加速
IT1=1;//脉冲方式
EX1=1;//开外部中断1:减速
inti_lcd();
DoSpeed();
ShowState();
while(1)
{
clock(RunSpeed);
P0_1=P0_1^0x01;
}
}
「DC motor control 」 2直流减速电机的方向控制
在前面的文章中,我们说直流减速电机的控制,不外乎控制两个量就好了,一个是方向一个是速度。今天我们就来说说怎么使用单片机或者其它控制器来对直流减速电机的方向进行控制。
我们都有这么一个通识的认知:对于直流电机,我们给它接两个线,一正一负,电机就动起来了,并且朝一个方向一直运动,当我们交叉两个线的时候即对调正负极的时候,电机的转速是不变的,但是电机的旋转方向却发生了变化,方向了。
从这个小案例里面其实也折射出来了电机方向控制的基本原理,那实现对输入电平的控制,要可实现电平的反向。
为了使控制的方便,还有这样的控制电路:
很明显对于这个电路,拨动开关是可以实现电机的正反转的。
但是不管怎么样,这些控制都不是很好的控制方法,都必须实现手动的输入。我在我们对电机的使用上,肯定是不能这样的,你做一个机器车,要实现反向运动,你还需要去拨动一个开关,显然这是不智能的。
那么,我们需要怎么去控制呢?
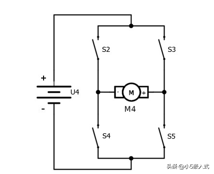
在模拟电路中,对于电机的控制有一个非常经典的电路:H桥电路
很明显:S2和S5将组成一组,S3和S4将组成一组。
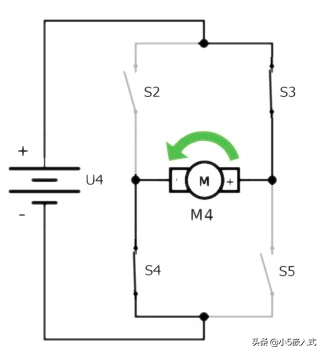
S2和S5闭合,S3和S4断开:
S3和S4闭合,S2和S5断开:
这很明显就实现了正反转。
对于这里的开关S,我们需要用一个电子器件将其换掉:三极管是一个很不多的选择。说道这里,我们再来看一下三极管的简单控制原理:
以NPN为例:
b为基极,一般接的是MCU的IO口,c为集电极,一般接的高电平,e发射极一般接的地。这个NPN的三极管,当be之间有一个小电流通过的时候,那么ce就会导通。就是这样的原理,使用这个来替换开关S那是在恰当不过了。
再看电机的控制:
所以对于电机的控制,我们需要H桥驱动电路,这些东西不需要我们从底层去设计,市场上有很多H桥电机驱动芯片,我们只需要阅读它的datasheet,直接用就好了。
我们再来看一个常见的电机的驱动芯片:DRV8881
看一下推荐的控制电路:
AIN1 、AIN2、 BIN1、 BIN2 接的点MCU的IO,当然这个电路是可以实现调速和转向的。至于到底是怎么转向的,在这个芯片里,我们不需要去详细的了解了,当黑盒用了。至于调速的原理,我们下一篇文章在细说了。
在附加自己的实战过的一个电路吧:
希望对大家有作用。
喜欢我文章的朋友,欢迎关注、点赞、评论、交流。版权个人所有,转载请注明出处。
相关问答
51 单片机 两个直流 减速电机 怎么接线?51单片机连接两个直流减速电机可以采用L298N电机驱动模块。具体接线步骤如下:将L298N模块的VCC引脚连接到5V电源,GND引脚连接到地线。将51单片机的输出引脚...
单片机 控制步进 电机 的加 减速 ,一般是无级变速还是有级变速?可以是有级也可是无级,但这说的无级也是真正的有极,他只是分得很多很多级。根据你需要设为无极或有极变速可以是有级也可是无级,但这说的无级也是真正的有极,...
减速电机 工作原理 减速齿轮电机_汽配人问答[最佳回答]减速电机一般就是普通的直流电机,只是在普通电机的前边加了一个齿轮减速器。你的这个电机就是个普通电机,那个电位器叫做摇杆电位器,电机的启动停止...
永磁直流 减速电机 ?有人知道不:永磁直流电机(可调速)?[回答]#includereg51.h#defineucharunsignedcharsbitEA1=P1^6;sbitEA2=P1^7;sbitC1=P3^0;sbitC2=P3^1;sbitC3=P3^2...
全自动洗衣机脱水时怎么变速?是单片机程序实现的,先转一下,将水脱一些,停一下再转,重复几下,衣物上的水大都出去了,同时衣物在缸内也较均衡了,减少了撞缸情况发生(撞缸会使电机电流增...
怎么把安卓手机的控制中心改到下边?买一个蓝牙模块,加上一个51单片机,减速电机,然后找个图自己焊接好。我们学校很早就做出来有,最近我也打算做这个,材料都买好了买一个蓝牙模块,加上一个51单...
什么是步进 电机 的细分控制?[回答]步进电机的细分控制,从本质上讲是通过对步进电机励磁绕组中电流的控制,使步进电机内部的合成磁场为均匀的圆形旋转磁场,从而实现步进电机步距角的细...
伺服 电机 异响是什么原因?如果负载没有问题,没有过载情况下,伺服电机异响可能是刚性调整不当或增益没调整好。伺服电机是指在伺服系统中控制机械元件运转的发动机,是一种补助马达间接...
交流 电机 变频变速工作原理是什么?我是电厂的电工,交流电机很普遍。因为我们国家的工频是50赫兹,这样,如果是2极的电机其转速就2900多转,四级的就是1400多转,这些是通过变极来调速的,但这种...
755 电机 相当于多少w动力?一般来说,如果额定转速4000rpm,电机功率大致50w输出。25w左右,用不同的电压,扭矩也不一样减速比越大,扭矩越大。准确一点是变频器,三相变频器,,单片机产...2...
