如何用Protel画单片机最小系统 的PCB
1、
原理图(参考)
2、 设计步骤
(1) 建立PCB工程,并添加原理图,原理库,pcb图
(2) 根据参考原理图画出实际电路图。
(3) 将原理图导入pcb中生成pcb图。
(4) 设置相关规则,进行pcb的布线。
(5) 给pcb图敷铜,完成画板,并输出打印预览。
3、 具体过程
(1) 原理图(手动画图)
(2)
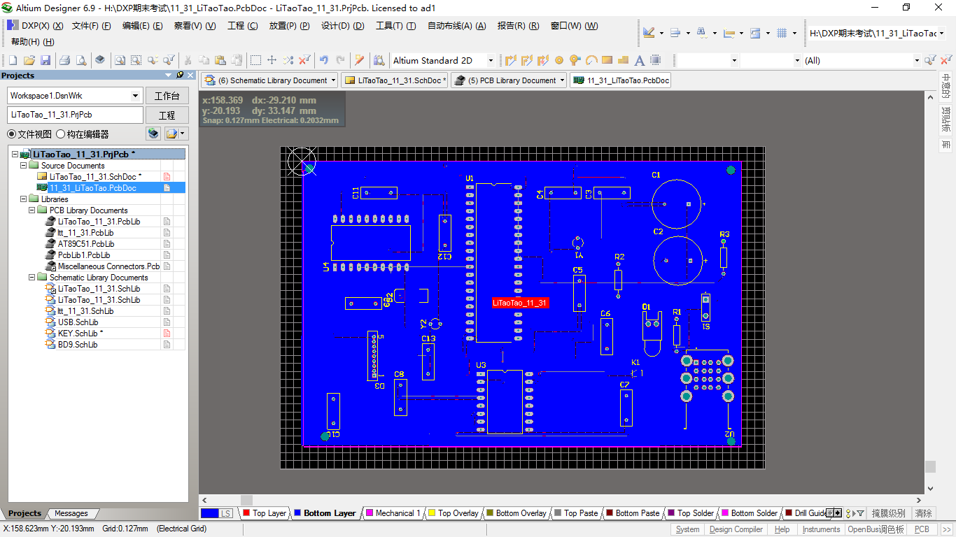
PCB板的设计图
(3) PCB设计图(打印输出)
1
底层设计图
2
顶层设计图
3
双层设计图
4 元件封装
AT89C51
2
MAX232
5 元件制作
BD9
KEY
USB
自学单片机第十七篇:焊一个单片机最小系统
学了这么长时间,基本算是入门了,如果有人问会不会单片机,我们可以自信地说一句,会那么一点。哈哈。当然单片机的学习,还是要动手操作的,没有实战,一切都是过眼云烟。我们就是朝着改变生活去的,靠软件是不行的。前边我们也测试了软件有时也有完不成的地方,这就需要我们实际操作了。有些同学没有单片机最小系统,又不想买,那么我们今天尝试着自己焊一个,由于需要看孩子,所以时间紧迫,就不管什么美观不美观了,先焊出来再说,电路图也不看,搞起来。
编写文章时,早已焊接完工。
首先是准备材料:
单片机一片:STC89c52RC,其他品牌也可以,这个必须有,不然没得玩,某宝大概1元一片。
单片机底座:DIP40的,没有也可以,就是后期更换单片机比较费事,我们可以不用,直接焊接。只要稳就好。
PCB洞洞板一片,大小得装得下单片机。
总开关(可保持的,实在没有也可以)、复位按键(点触型,可以不要)、晶振(随意找个就成,当然11.0592M最好,12M也可以,频率可高可低,但是得有)、瓷片电容(这个找两个30PF以内的,大了不行)、指示灯(用于指示电源是否接通的,要是没有也可以,盲刷)、跳线(可以用一般导线代替)、焊丝(粗细随意,活儿好就不是问题)、助焊膏(有松香也可以,我们只是焊接一个大阵脚的元件,助焊膏不影响大局,没有它,你基本就能把单片机焊废)、电烙铁(我们出征的武器)、直插排针(有了就好,没有的话,焊接上导线,到时候自己接线也可以)。
准备好这些东西,我们就开始工作了,为了赶进度,中间没有拍照,就到最后焊电容时,拍了一下,供大家参考,由于是单手操作,所以操作方法可能跟大家有出入。
焊接元件,首先是把元件安放到合适的位置,然后对引出线进行处理。长的可剪掉或者作导线用。
给烙铁上锡,我是单手焊的,你们可以双手焊,一手持丝一手焊,但记得,烙铁要能沾锡,不沾锡的就要处理下。我的焊丝带松香,所以有烟。
焊前要在焊点上抹助焊剂或松香。不然有些你把板子焊穿也焊不上。
先让焊笔接触元件,然后送丝,少上锡,不然会连起来的。
然后按原理图焊上所有部件。由于时间原因,我仅焊上了两排插针,因为刷程序要用。
这是正面布局。还好吧,不算很乱。主要是功能可以用就好。
这是一个下载接口,记得是当时双十一用红包免费买的,还好用着。
我把线都连上,写下程序看看,希望能写进去,不要出问题。
首先查看下下载器的COM口端口号,接下来下载要使用。
然后我们打开下载软件,这个软件,如果需要可以私信我,也可以直接到官网去下载,免费的,可以下载旧版本,因为如果购买的单片机比较老,新的下载器就不容易下载成功。
选择好文件,然后看下COM口是否正确,其他的不用更改,直接点击下方的下载,此时,单片机不要上电,等待软件提示。
当提示为单片机上电时,直接上电即可,如果是自己接的线,下载前把电源线正极先去掉,提示上电时,再连接上即可。为了方便,最好还是接一个电源总开关。我的程序比较小,所以一秒就下载完毕了。由于我没有焊接输出的插口,所以没法测试,但是既然下载成功了,那么可以预见的是,程序已经进入芯片,接下来就是调试的过程了。如果我把周围的插针焊接完成,那么就可以测试元件了。
以后有时间再完善吧,希望大家也能动手焊接一个自己的板子,体会不一样的喜悦和自信。学习单片机,不仅我们的程序是从一个一个代码走来的,我们的电路板也可以自己一点一点组装起来。这样,再看见电路,就能如数家珍了。
大家有什么问题或建议可以留言和私信我哦,共同学习,一起进步。
更多多内容,欢迎关注百家号:小亮谈电气。微信公众号:电气学苑。
相关问答
学 单片机 有 最小系统 了还要买开发板吗?个人建议:如果纯新手,并想学习更多的外设,如iic,spi,单总线等等接口,同时不具备硬件外围电路和PCB画板能力,可以考虑购买开发板作为学习工具,这样避免硬...
单片机 电路要焊成实物,需要买哪些元件,肿么把程序下载到AT89...买单片机芯片,电容电阻,晶振,数码管,做PCB板等等,AT89C51的话只能用编程器了,S51的话可以ISP烧写1、如果楼主没有电子电路制作经验,建议先买一块实验板、一杆焊...
焊接 单片机 电路板的电烙铁一般不能超太多少瓦?-ZOL问答楼主你误区了,你应该问多少温度不会把器件焊坏,而不该问焊接用的电烙铁多少瓦不会焊坏单片机。器件的封装引脚与内核电路引线的连接处处理,电路的半导体材质特...
pcb 和 单片机 有什么区别?PCB设计和单片机的区别1.单片机就是一个CPU里面有定时器,程序存储器,计数器啥的,单纯的一个单片机是没的用的,要用它和外部电路结合才能实现其功能(就像电脑...
单片机 ISP,IAP什么意思?ISP是指在系统编程,相比于过去编程需将单片机芯片从电路板上取下来,放在编程器上编程而ISP可以利用编程接口直接在电路板上烧写程序IAP更进一步,可以在运行中...
学 单片机 要会焊电路板吗?是的。会单片机编程而不会焊接电路板,就相当于厨师只会炒菜不会洗菜、切菜那怎么能行呢?除了要学会焊接大的插件,还要能焊接尺寸很小的器件,例如0402的电...
PLC与 单片机 之间实现modbus通信,如何选取 单片机 型号和制作电路板?还有程序编写?单片机首先要接个rs485/232芯片和PLC的通讯接口通讯,单片机需要编辑modbus通信程序,网上有很多现成的例程,单片机做modbus可以用protues软件先做个模拟,模拟...
小白想学习stm32,都需要用什么相关软件呢?求指教?想学习并且玩转stm32,首先至少要有一个stm32的最小系统板吧。AltiumDesignerAltiumDesigner是一款将原理图设计、电路仿真、PCB绘制编辑、拓扑逻辑自动布线...
5个 单片机 的教材有哪些?参考资料⒈《单片机原理及应用教程》徐煜明韩雁主编电子工业出版社⒉《MCS-51/96系列单片机原理及应用》孙涵芳徐爱卿主编北京航天航空大学出版社⒊...
利用 单片机 焊接电路板难不难?知道你要问什么,也就不批评你了,这个是经验了,一般焊了几个小时就可以上手。当然有技巧的,1,烙铁要尖细,烙铁上焊锡要上得少,2焊接时,焊锡融化了并且覆...
