DA与AD转换器你要知道的都在这里了
一、D/A转换器的基本原理及分类
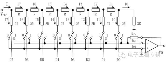
T型电阻网络D/A转换器 :
二:输出电压与数字量的对应关系
三:D/A转换器的主要性能指标
1、分辨率
分辨率是指输入数字量的最低有效位(LSB)发生变化时,所对应的输出模拟量(电压或电流)的变化量。它反映了输出模拟量的最小变化值。
分辨率与输入数字量的位数有确定的关系,可以表示成FS / 2^n 。FS表示满量程输入值,n为二进制位数。对于5V的满量程,采用8位的DAC时,分辨率为5V/256=19.5mV;当采用12位的DAC时,分辨率则为5V/4096=1.22mV。显然,位数越多分辨率就越高。
2、线性度
线性度(也称非线性误差)是实际转换特性曲线与理想直线特性之间的最大偏差。常以相对于满量程的百分数表示。如±1%是指实际输出值与理论值之差在满刻度的±1%以内。
3、绝对精度和相对精度
绝对精度(简称精度)是指在整个刻度范围内,任一输入数码所对应的模拟量实际输出值与理论值之间的最大误差。绝对精度是由DAC的增益误差(当输入数码为全1时,实际输出值与理想输出值之差)、零点误差(数码输入为全0时,DAC的非零输出值)、非线性误差和噪声等引起的。绝对精度(即最大误差)应小于1个LSB。
相对精度与绝对精度表示同一含义,用最大误差相对于满刻度的百分比表示。
4、建立时间
建立时间是指输入的数字量发生满刻度变化时,输出模拟信号达到满刻度值的±1/2LSB所需的时间。是描述D/A转换速率的一个动态指标。
电流输出型DAC的建立时间短。电压输出型DAC的建立时间主要决定于运算放大器的响应时间。根据建立时间的长短,可以将DAC分成超高速(<1μS)、高速(10~1μS)、中速(100~10μS)、低速(≥100μS)几档。
应当注意,精度和分辨率具有一定的联系,但概念不同。DAC的位数多时,分辨率会提高,对应于影响精度的量化误差会减小。但其它误差(如温度漂移、线性不良等)的影响仍会使DAC的精度变差。
四:芯片实例
1:DAC0832
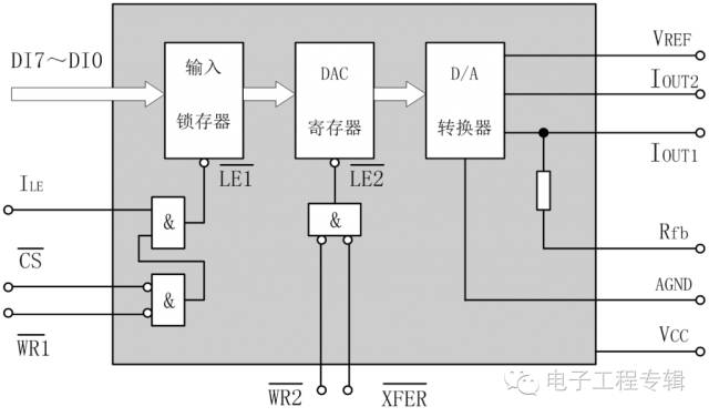
DAC0832是使用非常普遍的8位D/A转换器,由于其片内有输入数据寄存器,故可以直接与单片机接口。DAC0832以电流形式输出,当需要转换为电压输出时,可外接运算放大器。属于该系列的芯片还有DAC0830、DAC0831,它们可以相互代换。DAC0832主要特性:
分辨率8位;电流建立时间1μS;数据输入可采用双缓冲、单缓冲或直通方式;输出电流线性度可在满量程下调节;逻辑电平输入与TTL电平兼容;单一电源供电(+5V~+15V);低功耗,20mW。pin description:
2:DAC0832三种工作方式
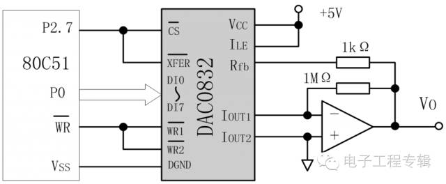
1、单缓冲工作方式
此方式适用于只有一路模拟量输出,或有几路模拟量输出但并不要求同步的系统。
即:默认 CS = XFER = 0, ILE = 1; WR单独控制。 缓冲仅由WR单独控制。
1.1 单极性模拟输出
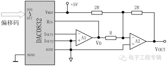
1.2:双极性模拟输出电压
双极性输出时的分辨率比单极性输出时降低1/2,这是由于对双极性输出而言,最高位作为符号位,只有7位数值位
2、双缓冲工作方式
多路D/A转换输出,如果要求同步进行,就应该采用双缓冲器同步方式 。
即:默认 CS = 0 ILE = 1 ; WR 和 XFER都单独控制, 缓冲由WR和XFER两个控制。
3、直通工作方式
当DAC0832芯片的片选信号CS、写信号WR、及传送控制信号XFER 的引脚全部接地,允许输入锁存信号ILE引脚接+5V时,DAC0832芯片就处于直通工作方式,数字量一旦输入,就直接进入DAC寄存器,进行D/A转换。
即: CS = WR = XFER = 0, ILE = 1;
A/D转换器
一、逐次逼近式ADC的转换原理
二、双积分式ADC的转换原理
三、A/D转换器的主要技术指标
1、分辨率
ADC的分辨率是指使输出数字量变化一个相邻数码所需输入模拟电压的变化量。常用二进制的位数表示。例如12位ADC的分辨率就是12位,或者说分 辨率为满刻度FS的1/ 2^n 。一个10V满刻度的12位ADC能分辨输入电压变化最小值是10V×1/ 2^12 =2.4mV。
2、量化误差
ADC把模拟量变为数字量,用数字量近似表示模拟量,这个过程称为量化。量化误差是ADC的有限位数对模拟量进行量化而引起的误差。实际上,要准确 表示模拟量,ADC的位数需很大甚至无穷大。一个分辨率有限的ADC的阶梯状转换特性曲线与具有无限分辨率的ADC转换特性曲线(直线)之间的最大偏差即 是量化误差。
3、偏移误差
偏移误差是指输入信号为零时,输出信号不为零的值,所以有时又称为零值误差。假定ADC没有非线性误差,则其转换特性曲线各阶梯中点的连线必定是直线,这条直线与横轴相交点所对应的输入电压值就是偏移误差。
4、满刻度误差
满刻度误差又称为增益误差。ADC的满刻度误差是指满刻度输出数码所对应的实际输入电压与理想输入电压之差。
5、线性度
线性度有时又称为非线性度,它是指转换器实际的转换特性与理想直线的最大偏差。
6、绝对精度
在一个转换器中,任何数码所对应的实际模拟量输入与理论模拟输入之差的最大值,称为绝对精度。对于ADC而言,可以在每一个阶梯的水平中点进行测量,它包括了所有的误差。
7、转换速率
ADC的转换速率是能够重复进行数据转换的速度,即每秒转换的次数。而完成一次A/D转换所需的时间(包括稳定时间),则是转换速率的倒数。
四:AD080X demo
PIN5 如果采用中断方式通知CPU,则接外部中断, 否则 5可悬空,延时直接读取即可。
启动时序图如下:
code demo:
[cpp] view plain copy print?
void Launch()
{
CS = 0;
WR = 1; WR = 0; WR = 1;
/*Waiting for INTR goto 0*/
}
读取时序图:
code demo:
[cpp] view plain copy print?
void ReadAD()
{
/* INTR had goto 0*/
CS = 0;
RD = 1; RD = 0; /*delay*/ RD = 1;
/* READ */
}
学习笔记单片机的40个经典实验之32:ADC0809AD 转换器基本应用技术
1. 基本知识
ADC0809 是带有 8 位 A/D 转换器、8 路多路开关以及微处理机兼容的控制逻辑的 CMOS 组件。它是逐次逼近式 A/D 转换器,可以和单片机直接接口。
(1). ADC0809 的内部逻辑结构
由上图可知,ADC0809 由一个 8 路模拟开关、一个地址锁存与译码器、一个 A/D转换器和一个三态输出锁存器组成。多路开关可选通 8 个模拟通道,允许 8 路模拟量分时输入,共用 A/D 转换器进行转换。三态输出锁器用于锁存 A/D 转换完的数字量,当 OE 端为高电平时,才可以从三态输出锁存器取走转换完的数据。
(2). 引脚结构
IN0-IN7:8 条模拟量输入通道ADC0809 对输入模拟量要求:信号单极性,电压范围是 0-5V,若信号太小,必须进行放大;输入的模拟量在转换过程中应该保持不变,如若模拟量变化太快,则需在输入前增加采样保持电路。地址输入和控制线:4 条ALE 为地址锁存允许输入线,高电平有效。当 ALE 线为高电平时,地址锁存与译码器将 A,B,C 三条地址线的地址信号进行锁存,经译码后被选中的通道的模拟量进转换器进行转换。A,B 和 C 为地址输入线,用于选通 IN0-IN7 上的一路模拟量输入。通道选择表如下表所示。
数字量输出及控制线:11 条
ST 为转换启动信号。当 ST 上跳沿时,所有内部寄存器清零;下跳沿时,开始进行 A/D 转换;在转换期间,ST 应保持低电平。EOC 为转换结束信号。当 EOC 为高电平时,表明转换结束;否则,表明正在进行 A/D 转换。OE 为输出允许信号,用于控制三条输出锁存器向单片机输出转换得到的数据。OE=1,输出转换得到的数据;OE=0,输出数据线呈高阻状态。D7-D0 为数字量输出线。CLK 为时钟输入信号线。因 ADC0809 的内部没有时钟电路,所需时钟信号必须由外界提供,通常使用频率为 500KHZ,VREF(+),VREF(-)为参考电压输入。
2. ADC0809 应用说明
(1). ADC0809 内部带有输出锁存器,可以与 AT89S51 单片机直接相连。
(2). 初始化时,使 ST 和 OE 信号全为低电平。
(3). 送要转换的哪一通道的地址到 A,B,C 端口上。
(4). 在 ST 端给出一个至少有 100ns 宽的正脉冲信号。
(5). 是否转换完毕,我们根据 EOC 信号来判断。
(6). 当 EOC 变为高电平时,这时给 OE 为高电平,转换的数据就输出给单片机了。
3. 实验任务
如下图所示,从 ADC0809 的通道 IN3 输入 0-5V 之间的模拟量,通过 ADC0809转换成数字量在数码管上以十进制形成显示出来。ADC0809 的 VREF 接+5V电压。
4. 电路原理图
5. 系统板上硬件连线
(1). 把“单片机系统板”区域中的 P1 端口的 P1.0-P1.7 用 8 芯排线连接到“动态数码显示”区域中的 A B C D E F G H 端口上,作为数码管的笔段驱动。
(2). 把“单片机系统板”区域中的 P2 端口的 P2.0-P2.7 用 8 芯排线连接到“动态数码显示”区域中的 S1 S2 S3 S4 S5 S6 S7 S8 端 口 上 ,作为数码管的位段选择。
(3). 把“单片机系统板”区域中的 P0 端口的 P0.0-P0.7 用 8 芯排线连接到“模数转换模块”区域中的 D0D1D2D3D4D5D6D7 端口上,A/D 转换完毕的数据输入到单片机的 P0 端口
(4). 把“模数转换模块”区域中的 VREF 端子用导线连接到“电源模块”区域中的 VCC 端子上;
(5). 把“模数转换模块”区域中的 A2A1A0 端子用导线连接到“单片机系统”区域中的 P3.4 P3.5 P3.6 端子上;
(6). 把“模数转换模块”区域中的 ST 端子用导线连接到“单片机系统”区域中的 P3.0 端子上;
(7). 把“模数转换模块”区域中的 OE 端子用导线连接到“单片机系统”区域中的 P3.1 端子上;
(8). 把“模数转换模块”区域中的 EOC 端子用导线连接到“单片机系统”区域中的 P3.2 端子上;
(9). 把“模数转换模块”区域中的 CLK 端子用导线连接到“分频模块”区域中的 /4 端子上;
(10). 把“分频模块”区域中的 CK IN 端子用导线连接到“单片机系统”区域中的 ALE 端子上;
(11). 把“模数转换模块”区域中的 IN3 端子用导线连接到“三路可调压模块”区域中的 VR1 端子上;
6. 程序设计内容
(1). 进行 A/D 转换时,采用查询 EOC 的标志信号来检测 A/D 转换是否完毕,若完毕则把数据通过 P0 端口读入,经过数据处理之后在数码管上显示。
(2). 进行 A/D 转换之前,要启动转换的方法:ABC=110 选择第三通道ST=0,ST=1,ST=0 产生启动转换的正脉冲信号
7. 汇编源程序
CH EQU 30H
DPCNT EQU 31H
DPBUF EQU 33H
GDATA EQU 32H
ST BIT P3.0
OE BIT P3.1
EOC BIT P3.2
ORG 00H
LJMP START
ORG 0BH
LJMP T0X
ORG 30H
START: MOV CH,#0BCH
MOV DPCNT,#00H
MOV R1,#DPCNT
MOV R7,#5
MOV A,#10
MOV R0,#DPBUF
LOP: MOV @R0,A
INC R0
DJNZ R7,LOP
MOV @R0,#00H
MOV TMOD,#01H
MOV TH0,#(65536-4000)/256
MOV TL0,#(65536-4000) MOD 256
SETB TR0
SETB ET0
SETB EA
WT: CLR ST
SETB ST
CLR ST
WAIT: JNB EOC,WAIT
SETB OE
MOV GDATA,P0
CLR OE
MOV A,GDATA
MOV B,#100
DIV AB
MOV 33H,A
MOV A,B
MOV B,#10
DIV AB
MOV 34H,A
MOV 35H,B
SJMP WT
T0X: NOP
MOV DPTR,#DPCD
MOV A,DPCNT
ADD A,#DPBUF
MOV R0,A
MOV A,@R0
MOVC A,@A+DPTR
MOV P1,A
MOV DPTR,#DPBT
MOV P2,A
INC DPCNT
MOV A,DPCNT
CJNE A,#8,NEXT
MOV DPCNT,#00H
NEXT: RETI
DPCD: DB 3FH,06H,5BH,4FH,66H
DB 6DH,7DH,07H,7FH,6FH,00H
DPBT: DB 0FEH,0FDH,0FBH,0F7H
DB 0EFH,0DFH,0BFH,07FH
END
8. C 语言源程序
#include <AT89X52.H>
unsigned char code dispbitcode={0xfe,0xfd,0xfb,0xf7,
0xef,0xdf,0xbf,0x7f};
unsigned char code dispcode={0x3f,0x06,0x5b,0x4f,0x66,
0x6d,0x7d,0x07,0x7f,0x6f,0x00};
unsigned char dispbuf[8]={10,10,10,10,10,0,0,0};
unsigned char dispcount;
sbit ST=P3^0;
sbit OE=P3^1;
sbit EOC=P3^2;
unsigned char channel=0xbc;//IN3
unsigned char getdata;
void main(void)
{
TMOD=0x01;
TH0=(65536-4000)/256;
TL0=(65536-4000)%256;
TR0=1;
ET0=1;
EA=1;
P3=channel;
while(1)
{
ST=0;
ST=1;
ST=0;
while(EOC==0);
OE=1;
getdata=P0;
OE=0;
dispbuf[2]=getdata/100;
getdata=getdata%10;
dispbuf[1]=getdata/10;
dispbuf[0]=getdata%10;
}
}
void t0(void) interrupt 1 using 0
P1=dispcode[dispbuf[dispcount]];
P2=dispbitcode[dispcount];
dispcount++;
if(dispcount==8)
{
dispcount=0;
阅读本文用了: 分 秒,转发只需1秒
❀ 转载是一种智慧❀ 分享是一种美德❀
相关问答
... D转换器 的作用是将& shy;______量转换成_______量。D/ A转...[最佳回答]如果你是一个全职的,你属于学生。只要你是年龄小于24岁的,你可能会被征集服现役。
单片机AD 转换位数,10位,12位,是什么意思?10,12代表什么?有什么计算关系吗?两者的计算关系:“位数”是A/D转换器的数学表达力(分辨力),就是输出的最小变化量其实是模拟量的离散值,在二进制系统中,它是满度量程的1/(2^x),式中的x...“...
单片机 主io扩展模块的作用?通过单片机IO控制扩展口,增加单片机IO口能控制的端口的数量。单片机(Microcontrollers)是一种集成电路芯片,是采用超大规模集成电路技术把具有数据处理能力的...
stc12c5 a 60s2 单片机D AC?STC12C5A60S2/AD/PWM系列单片机是宏晶科技生产的单时钟/机器周期(1T)的单片机,是高速/低功耗/超强抗干扰的新一代8051单片机,指令代码完全兼容传统8051,但速度...
单片机ad转换器 锯齿波产生原理?单片机AD转换器锯齿波产生原理是什么?单片机AD转换器通过逐渐增加或逐渐减小的数字信号来产生锯齿波形。具体原理如下:1.单片机AD转换器产生锯齿波形的原理是...
da转换器 接什么?da转换器接单片机接口。da转换器接单片机接口。
单片机 的毕业论文怎么写?一、毕业设计题目及要求(2个)1、基于单片机控制的电动机Y-△启动的设计要求:1)控制器为单片机,电动机为三相异步电动机;2)启动时间为3秒;3)由按键设...该...
AD 转换数值计算方法?1.为:Vout=(Vin/2^d)*a2.这个公式的原因是,a/d转换器将模拟信号转换为数字信号,其中a是转换器的分辨率,d是数字信号的位数,Vin是输入的模拟信号,Vo...
什么是 单片机 ?它由哪几部分组成?什么是 单片机 应用系统?二者...单片机是一种路芯片,模集成电路技术把具有数处理器CPU随机存储器RAM、只读存储器ROM、多种I/O口和中断系统、定时器/计时器等功能(可能还包括显示驱...
单片机 如何测电机相序?单片机可以通过读取电机的三个相的电压值,然后分析它们的相位差来确定电机的相序。具体的方法是使用单片机内置的模拟转换器将电机三个相的电压转换成数字信号...
