如何快速零基础到入门51单片机(二)
此讲我们主要介绍如何安装Keil5与STC-ISP
一
Keil5软件一共有许多版本,我们现在学的是51单片机所以我们要选择C51这个版本。(建议使用破解版)
破解版使用方法:先打开Keil_Lic.exe,然后进入Keil软件时不能双击进入,要先点击鼠标右键,选择以管理员的身份进入.
点击File然后选中License Management(许可证管理),把CID中的内容复制下来,填入Keil_Lic.exe中的CID处,点击生成按钮,然后把生成的代码复制,退出Keil_Lic.exe,回到Keil软件在New License ID Code(LIC)处粘贴。然后点击右边的添加许可证(Add LIC),对话框出现添加成功然后退出就可以了。
破解好了以后进入Keil5双击即可(不需要以管理员的身份进入)
STC-ISP下载就可以使用 无需安装。
除此之外我们还需要安装一个开发板的驱动程序,否正我们的电脑无法识别开发板。
首先我们通过USB线把开发板连接到电脑上面,然后通过“我的电脑”右键点击属性,然后点击设备管理器,在”其他设备“处出现了一个感叹号(因为电脑无法识别它),下载CH340-CH341驱动安装即可。
驱动安装好后可以在C盘看到WCH.CN文件夹,这个就是我们的驱动程序。
有道词典和福听阅读器选择性安装。这些都是辅助性工具。
便携有个性,功能强大,可配戴在手指上的键盘鼠标
中车永济电机有限公司、河南大学物理与电子学院的研究人员陶崇勃、侯卫周,在2019年《电气技术》增刊1中撰文(论文标题为“一款指尖压敏可配戴式键盘鼠标”)指出,在信息科技高速发展的时代下,可实现键盘和鼠标绝大部分功能的智能化可配戴便携式电子产品能很好满足用户的个性化需求。
本文通过对用户键盘和鼠标的调查与分析发现,传统键盘和鼠标存在不易携带、占用空间过大以及输入数据有较大局限性等不足。本作品采用了可配戴式便携外观设计,集合键盘和鼠标于一体,结合手机九宫格输入法,将26个英文字母及鼠标左右键在10个手指上进行有机的分配,实现键盘和鼠标的绝大部分功能,从而弥补了传统键盘和鼠标的不足。通过该作品得出结论,在信息科技高速发展的时代下,智能化可配戴便携式电子产品能很好满足用户的个性化需求,市场前景广阔。
目前市场上的指尖压敏鼠标极少。本设计采用可配戴式且便携式的指尖压敏制作了一款键盘鼠标。该键盘鼠标的使用将会代替传统键盘一些繁琐指令,使电子计算机的操作更加方便简捷。
该款指尖压敏可配戴式的键盘鼠标设计结合手机九宫格的输入方法,依据不同手指的敲击次数来输入10个数字、26个英文字母及其大小写等,能较好地满足用户个性化设计的需求。
1 工作原理
该款指尖压敏可配戴式键盘鼠标主要由USB接收板和主控板组成。下面主要介绍这两块板的工作原理。
1.1 USB接收板和主控板工作原理
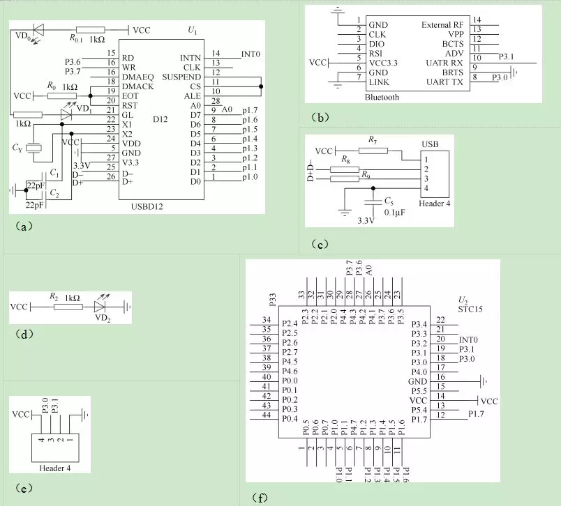
USB接收板工作原理:USB接收板通过USB协议控制电脑键盘鼠标的操作,其中USB接收板上的蓝牙模块负责将手表模块采集到的操作数据通过无线接收,并将数据传递给USB接收板上的STC15F2K60S2单片机,STC15F2K60S2单片机通过蓝牙进行数据接收,USB接收板利用PDIUSBD12芯片用规范的USB协议与电脑进行通信,STC15F2K60S2单片机负责将接收到的数据进行整理并控制改变关键数据,通过USB协议将操作数据进行转换,再向电脑发送键盘鼠标上的命令。
主控板工作原理:主控板上的OLED用来实时显示时间。在人按压压敏传感器后,所检测到的按压信息被传递给主控板,压敏传感器映射九宫格输入法中的8个按键的字母排列,并获取陀螺仪的速度信息,将其传递给主控板上的单片机,通过陀螺仪的速度控制电脑上鼠标光标移动,主控板上STC15F2K60S2单片机将接收到的传感器的按压信息和陀螺仪的移动信息进行转换,并控制主控板上的蓝牙,将获取到的各种传感器信息通过无线传输给USB接收板。
1.2 硬件模块
本设计作品包括显示部分、软硬件的转换电路、检测人体多种加速度变化、近距离的无线、发射、数据存储和逻辑传输等部分。所用电路模块主要包括MPU6050加速度传感器、OLED显示屏、STC15F2K60S2单片机、PDIUSBD12芯片和HC-05蓝牙。
2 电路设计
2.1模块设计
基于以上所述的USB接收板和主控板的工作原理,利用各个模块信息传输途径进行电路设计。
1)MPU6050加速度传感器:①具有数字运动处理功能;②感受加速度并转换成可用输出信号;③集成可程序控制,测量范围为±250°/s、±500°/s、±1000°/s与±2000°/s的3轴角速度感测器,范围为±2g、±4g、±8g和±16g的3轴加速度传感器。2)OLED显示屏:显示实时时间。3)STC15F2K60S2单片机:SPI通信,串口通信,GPIO。①SPI与陀螺仪通信,获取加速度与角度信息;②串口通信用于主控板和USB接收板的通信;③GPIO用于获取按键信号。4)PDIUSBD12芯片:内部集成有串行接口引擎(SIE)、320 b FIFO存储器、收发器(transceiver)和电压调节。5)HC-05蓝牙:当模块处于自动连接工作模式时,用于主控板和USB接收板之间的无线数据通信。2.2 硬件电路设计
主控板电路如图1所示。STC15在此作为主控芯片,与陀螺仪和按键相连,轮询按钮被按下的情况。当按钮被按下时,将信号通过蓝牙发送给USB接收板,并且以固定的频率将陀螺仪的速度数据发送至USB接收板。
图1 主控板电路
USB接收电路如图2所示。STC15单片机与USBD12芯片、蓝牙模块相连。作为核心控制芯片,USBD12是单片机与电脑通信的桥梁,负责把电脑发送的USB协议数据转发给STC15,并将STC15的应答数据转发给电脑。蓝牙模块负责接收主控板的用户动作数据,STC15将其处理后通过USBD12控制电脑的鼠标光标和键盘。
图2 USB接收电路
3 组装与调试
3.1 组装及调试
组装主要包括两部分:①硬件电路板的设计与功能测试;②系统外观模型的搭建。
在完成电路设计与焊接的基础上,首先对电路板进行功能测试,通过测试之后将系统按照预期的外观设计进行组装,对信号线处理:
①将从主控板上引出的两排主控信号线使用软排线进行连接,并且采用即拔即插的方式,方便用户配戴;②根据设计模型,从软排线的另一端将信号线分别引到双手的每根手指,与手指端传感器进行连接,通过指尖按压将信号传输至主控板;③对主板手表模型进行3D模型设计与搭建,此模型可按需求进行个性化设计。3.2 作品
USB接收模块如图3所示。最终设计的作品实物如图4所示。
图3 USB接收模块
图4 作品实物图
3.3 调试中出现的问题
在对该作品不断调试的过程中,出现的问题如下:
1)向MCU下载程序后,单片机工作出现了异常现象。在将USB接收板插入电脑后,电脑显示为“无法识别USB设备”。2)在陀螺仪工作进行接收数据时,数据异常。3)按键检测问题:一直检测为“按下”状态,有时会将“未按下”状态识别为“按下”。4)按键预设功能与实际按下功能不符。5)在工作一段时间后,USB模块向电脑发送乱码。6)USB模块与主控板无法进行通信。7)程序代码太大,超过ROM空间,无法下载。3.4 问题解决方案
针对以上调试程序中所遇到的问题,不断进行测试,最终制作出了较为完美的作品。以下为上述问题的解决方案。
1)程序逻辑错误,重新检查USB模块向主机发送的数据,观测数据,并进行程序修改,再多次与电脑进行连接,显示正常。2)检查连线问题,若连线正确,则更正SPI协议实现的代码。3)测量电源电压,部分原因是电压过低造成按键检测错误,在程序中加入延迟消抖。4)部分引线与传感器连接错误,对程序中按键定义进行重新修改。5)首先检测电源电压是否正常,也可能为串口传输存在出错的几率,在其中加入校验字节后便可正常传输。6)检查蓝牙是否连接完成,如果连接完成,可能是串口未开的原因。7)对程序部分指令进行适当优化。3.5 升级和包装
1)传感器和单片机的升级
(1)传感器。本设计最初采用的是轻触按键传感器,通过资料搜集,发现了更加实用的压敏传感器。对于鼠标光标的控制,本设计采用了MPU6050传感器,它能很好地获取手掌移动信息,从而准确地控制鼠标光标的移动。(2)单片机。本设计第一代产品采用的是插针式的51单片机,后考虑要把产品做的更小而采用了贴片式的STC15单片机。15单片机相比于51单片机,其性能更加优越。2)包装
通过3D画图设计了本作品的外包装,并通过3D打印将模型打印出来进行包装。对主控板进行包装是为了获得更佳的体验感,将电源隐藏在塑料壳内部,如图4所示。对于每个手指上的指圈,为更利于配戴,利用中通的软管将引线进行隐藏,得到了更简洁的外观,凸显作品特色。
4 软件流程设计
在本作品的软件设计中,USB接收板程序流程和主控板程序流程分别如图5和图6所示。
图5 USB接收板程序流程图
图6 主控板程序流程图
5 结论
本作品通过采用MPU6050传感器及压敏电阻传感器进行智能化数据采集,对手指运动产生的压力信号进行识别,结合手机九宫格的输入法,可以实现将26个英文字母及鼠标左右键在10个手指上进行有机的分配。同时对传统键盘鼠标进行外观个性化设计,实现便携式和可配戴式,不受使用场合的限制,还可使键盘键位宏定义可变,演变为多种设计,满足现代社会用户的个性化需求。
相关问答
如何用 51单片机 驱动USB 鼠标 ?有3种办法去实现:1、使用您手里的PL2303芯片串口接PD12USB芯片,然后自己写固件之后驱动。2、使用C8051F320带USB接口的51单片机直接驱动,也需要启动固件。3...
单片机 读取USB 鼠标 - 懂得需要实现USBHOST控制器。常用的是CH375芯片。网上资料有的是!
51单片机 C语言编程,简易计算器,复位键如何编程会简单些?要求...51单片机C语言编程,简易计算器,复位键如何编程会简单些?要求能任何时候返回主程序开头。。举报鼠标3R3R简易鼠标4人讨论9941次围观关注问题写回答讨...
光电 鼠标 是嵌入式系统产品吗 - 懂得准确说绝大多数鼠标只是单片机系统,包括单片机硬件、驱动程序和IO接口,只具备简单逻辑运算能力,逻辑运算程序写死在ROM里。嵌入式系统除硬件、驱动...
信捷OP320-A文本显示器(触摸屏)与 51单片机 通讯电缆接法問題...触摸屏端4和5不要短接,一般的接法是2-3、3-2、5-5,单片机的5要接地。触摸屏(touchscreen)又称为“触控屏”、“触控面板”,是一种可接收触头等输入讯号的感应...
罗技G602 鼠标 玩游戏怎么?性能评测! 详细??-ZOL问答5条回答:考虑到鼠标定位和节能方面的原因,罗技G602无线游戏鼠标没有采用大名鼎鼎的S9808激光引擎,而是使用了一颗采用小型8pin封装的光学引擎制作,并使用红外二...
51单片机 protues仿真学习:[22]串口通信实例?在图示位置上打上勾。4、进入protues仿真界面,也就是上面绘有单片机等元件的电路图5、单击右边的8051单片机,会显示出红色表示。6、此时鼠标再次点击单片机...
斯坦李对于漫威电影有什么意义?斯坦∙李(StanLee)斯坦∙李(StanLee)在好莱坞山的家中病倒后在医院去世,他的女儿今天证实了这一消息。最近几个月他的健康状况不佳,包括肺炎和心脏病。斯...
51 CTO数字化人才方向有硬件开发吗?有的,51CTO数字化人才开设有硬件开发方向。硬件开发一般是指电子产品硬件开发。一种看得见实物的电子产品研发,比如我们所说的手机、鼠标、键盘、音响都是硬件...
51 CTO数字化人才方向有哪些?51CTO数字化人才开设有云计算、大数据与数据分析、人工智能、前后端开发、网络运维、数据库、IT技术支持、游戏开发、硬件开发、运营管理,共计十大方向三十八...
