51单片机是如何存储程序和数据的
在学校很少用到外扩ROM/RAM的情况,都是用C语言编程,不差空间,代码太大了,买个大ROM的芯片就行了。现在工作了,单位是做SoC的,采用了51的IP核,才算对51的代码/数据空间有了清晰的认识。
MCS-51使用哈弗结构,它的程序空间和数据空间是分开编址的,即各自有各自的地址空间,互不重叠。所以即使地址一样,但因为分开编址,所以依然要说哪一个空间内的某地址。而ARM(甚至是x86)这种冯诺依曼结构的MCU/CPU,它的地址空间是统一并且连续的,代码存储器/RAM/CPU寄存器,甚至PC机的显存,都是统一编址的,只是不同功能的存储器占据不同的地址块,各自为政。
好,说回MCS-51。
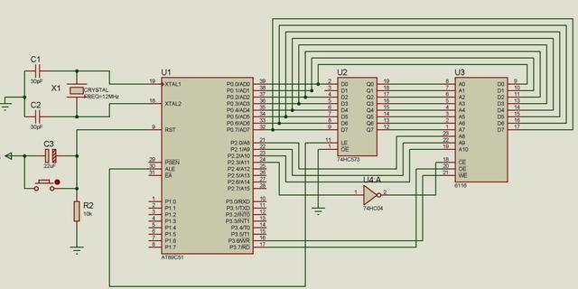
对于程序存储器,有片内和片外两部分。而且无论片内程序存储器,还是片外程序存储器,他们的地址是共享的。如果片内4k ROM的话,地址就是0x0000-0x0FFF,从0x1000-0xFFFF就是外部ROM的地址空间。可外部ROM的0x0000-0x0FFF的这一部分是否使用呢,这取决于单片机EA引脚的电平值。EA=1时就是使用内部ROM的这一部分,外部ROM的这一部分浪费不用;EA=0时就是使用外部ROM的这一部分,内部ROM浪费不用。从CODE段读取数据要使用汇编的MOVC指令,单片机会根据MOVC指令、EA状态、要读取的地址值,来自动地判断从什么存储器里取数据。
对于数据存储器,则分为内部数据存储器(IDATA/RAM)和外部数据存储器(XDATA)两个部分,但这两个存储器就不像code存储器那样共享地址空间的了。一般的8051芯片,内部RAM只有128B,从0x00-0x7F,而从0x80-0xFF则是SFR(CPU工作寄存器和各种外设寄存器都在此)的区域。对于8052来说,内部RAM有256B,所以0x80-0xFF是高128B的RAM在使用。可这部分不是SFR专用的吗?是SFR专用,但注意,SFR的访问只能使用“直接寻址方式”(使用特定的汇编指令来实现),区别就在这里。只有通过直接寻址访问的地址才是SFR,否则就是普通的RAM。至于外扩的RAM(XDATA),地址也是从0x0000-0xFFFF的,而且这里的0x0000和内部RAM的0x00是不同的,是完全独立的两个空间。他们的访问方法也是不同的。MCS-51使用MOVX指令,来读写XDATA区。而且,访问XDATA区,是需要DPTR寄存器来辅助的。因为只有DPTR才能装得下十六位的XDATA地址。
所以说,MCS-51读写IDATA区的速度是最快的,而且访问方法也是最多的。访问XDATA区的速度相对就要慢很多。MCS-51的堆栈要优先开辟在IDATA区中,并且在IDATA区中开辟的堆栈,可以使用栈指针寄存器SP来控制。如果栈实在太大,只能开辟在XDATA区中,那么CPU的SP寄存器就很难借力,只能由我们自己来构造堆栈结构和堆栈指针。既然外部程序空间和数据空间都是0-64K(0x0000-0xFFFF),那么我实际上可以为了省事/方便改写程序等原因,外部的CODE和DATA就可以共用一个可擦写存储器了(比如各种RAM什么可擦可写的)。比如系统有64K的外扩MEMORY,低32K我用作保存CODE,并让单片机在这32K之中读取程序运行,高32K我作为用户数据的保存处,完全可以。只是此时本来完全独立的CODE和DATA空间,因为在硬件芯片上共用了一个MEMORY,所以他们之间就可能互相影响了,程序就能自己改写程序了。比如0x0020处是一个指令,我通过MOVX把0x0020处改写了,那么再利用MOVC把0x0020处读取出来,数据就和原来不一样了。
容易混淆的症结在于,单片机存储空间是一个逻辑上的概念,是人为划分出来的两个相互独立的空间。而硬件电路上的MEMORY芯片则是现实中的概念,单片机的存储空间最终会落实在电路层面的芯片上,所以逻辑上的存储空间会因为物理上的电路连接而发生重叠。但是在逻辑层面上,这两个空间还是完全独立的。
附:各类存储空间名称的定义:
data:固定指前面0x00-0x7f的128个RAM,可以用a寄存器直接读写的,速度最快,生成的代码也最小。
idata:固定指前面0x00-0xff的256个RAM,其中前128和data的128完全相同,只是因为访问的方式不同。idata是用类似C中的指针方式访问的。汇编中的语句为:mov ACC,@Rx.(不重要的补充:c中idata做指针式的访问效果很好)xdata:外部扩展RAM,一般指外部0x0000-0xffff空间,用DPTR访问。pdata:外部扩展RAM的低256个字节,地址出现在A0-A7的上时读写,用movx ACC,@Rx读写。这个比较特殊,而且C51好象有对此BUG, 建议少用。但也有他的优点,具体用法属于中级问题,我不太会,所以这里不提。
51单片机是如何存储程序和数据的
在学校很少用到外扩ROM/RAM的情况,都是用C语言编程,不差空间,代码太大了,买个大ROM的芯片就行了。现在工作了,单位是做SoC的,采用了51的IP核,才算对51的代码/数据空间有了清晰的认识。
MCS-51使用哈弗结构,它的程序空间和数据空间是分开编址的,即各自有各自的地址空间,互不重叠。所以即使地址一样,但因为分开编址,所以依然要说哪一个空间内的某地址。而ARM(甚至是x86)这种冯诺依曼结构的MCU/CPU,它的地址空间是统一并且连续的,代码存储器/RAM/CPU寄存器,甚至PC机的显存,都是统一编址的,只是不同功能的存储器占据不同的地址块,各自为政。
好,说回MCS-51。
对于程序存储器,有片内和片外两部分。而且无论片内程序存储器,还是片外程序存储器,他们的地址是共享的。如果片内4k ROM的话,地址就是0x0000-0x0FFF,从0x1000-0xFFFF就是外部ROM的地址空间。可外部ROM的0x0000-0x0FFF的这一部分是否使用呢,这取决于单片机EA引脚的电平值。EA=1时就是使用内部ROM的这一部分,外部ROM的这一部分浪费不用;EA=0时就是使用外部ROM的这一部分,内部ROM浪费不用。从CODE段读取数据要使用汇编的MOVC指令,单片机会根据MOVC指令、EA状态、要读取的地址值,来自动地判断从什么存储器里取数据。
对于数据存储器,则分为内部数据存储器(IDATA/RAM)和外部数据存储器(XDATA)两个部分,但这两个存储器就不像code存储器那样共享地址空间的了。一般的8051芯片,内部RAM只有128B,从0x00-0x7F,而从0x80-0xFF则是SFR(CPU工作寄存器和各种外设寄存器都在此)的区域。对于8052来说,内部RAM有256B,所以0x80-0xFF是高128B的RAM在使用。可这部分不是SFR专用的吗?是SFR专用,但注意,SFR的访问只能使用“直接寻址方式”(使用特定的汇编指令来实现),区别就在这里。只有通过直接寻址访问的地址才是SFR,否则就是普通的RAM。至于外扩的RAM(XDATA),地址也是从0x0000-0xFFFF的,而且这里的0x0000和内部RAM的0x00是不同的,是完全独立的两个空间。他们的访问方法也是不同的。MCS-51使用MOVX指令,来读写XDATA区。而且,访问XDATA区,是需要DPTR寄存器来辅助的。因为只有DPTR才能装得下十六位的XDATA地址。
所以说,MCS-51读写IDATA区的速度是最快的,而且访问方法也是最多的。访问XDATA区的速度相对就要慢很多。MCS-51的堆栈要优先开辟在IDATA区中,并且在IDATA区中开辟的堆栈,可以使用栈指针寄存器SP来控制。如果栈实在太大,只能开辟在XDATA区中,那么CPU的SP寄存器就很难借力,只能由我们自己来构造堆栈结构和堆栈指针。既然外部程序空间和数据空间都是0-64K(0x0000-0xFFFF),那么我实际上可以为了省事/方便改写程序等原因,外部的CODE和DATA就可以共用一个可擦写存储器了(比如各种RAM什么可擦可写的)。比如系统有64K的外扩MEMORY,低32K我用作保存CODE,并让单片机在这32K之中读取程序运行,高32K我作为用户数据的保存处,完全可以。只是此时本来完全独立的CODE和DATA空间,因为在硬件芯片上共用了一个MEMORY,所以他们之间就可能互相影响了,程序就能自己改写程序了。比如0x0020处是一个指令,我通过MOVX把0x0020处改写了,那么再利用MOVC把0x0020处读取出来,数据就和原来不一样了。
容易混淆的症结在于,单片机存储空间是一个逻辑上的概念,是人为划分出来的两个相互独立的空间。而硬件电路上的MEMORY芯片则是现实中的概念,单片机的存储空间最终会落实在电路层面的芯片上,所以逻辑上的存储空间会因为物理上的电路连接而发生重叠。但是在逻辑层面上,这两个空间还是完全独立的。
附:各类存储空间名称的定义:
data:固定指前面0x00-0x7f的128个RAM,可以用a寄存器直接读写的,速度最快,生成的代码也最小。
idata:固定指前面0x00-0xff的256个RAM,其中前128和data的128完全相同,只是因为访问的方式不同。idata是用类似C中的指针方式访问的。汇编中的语句为:mov ACC,@Rx.(不重要的补充:c中idata做指针式的访问效果很好)xdata:外部扩展RAM,一般指外部0x0000-0xffff空间,用DPTR访问。pdata:外部扩展RAM的低256个字节,地址出现在A0-A7的上时读写,用movx ACC,@Rx读写。这个比较特殊,而且C51好象有对此BUG, 建议少用。但也有他的优点,具体用法属于中级问题,我不太会,所以这里不提。
相关问答
51单片机的存储结构 有何特点?MCS-51单片机在存储结构的特点:1、片内程序存储器2、片外程序存储器3、片内数据存储器4、片外数据存储器但在逻辑上,即从用户的角度上。8051单片机有三个...
51单片机 有几个内部 存储 区?51单片机有5个内部存储区1、存储矩阵区:RAM的核心区域是一个寄存器矩阵,用来存储信息,称为存储矩区。2、地址译码器区:地址译码器区的作用是将寄存器地址所...
51单片机 有储存功能吗?51单片机有存储功能,它两个存储空间,一个叫程序存储器,用来存储用户程序;另一个叫数据存储器,也叫RAM区,用来存储程序运行的中间数据。程序存储器是掉电保...
51单片机的 地址线和 存储 容量?1、存储器分为程序存储器(ROM)和数据存储器(RAM),两种又都可以分为片内和片外,片外即需要自己在单片机外部扩展。2、8051单片机的片内程序存储器有4K,片内数...
51单片机 主程序从rom的哪一地址开始存放?51单片机的主程序代码从最后一个中断向量起始址+4开始存放,例如你的程序启用了比较中断,这个比较中断向量的起始地址是00AB,那么,主程序就从00AF开始存放,一...
mcs 51单片机 数据 存储 器容量?MCS51系列单片机,标准的片内数据存储容量是128字节,片外是最大64K字节。但是,现在的各种增强型号,片内也可到64K或更多,片外的话外接flash存储器,可以达到...
at89s52 单片机 各 存储 器在 存储 空间的位置?MCS-51器件有单独的程序存储器和数据存储器。外部程序存储器和数据存储器都可以64K寻址。程序存储器:如果EA引脚接地,程序读取只从外部存储器开始。对于89S...
c 51 中 单片机的 库文件有哪些?51单片机有三个个库MCS-51存储器有三个空间,分别是片内RAM(内部数据存储器)、片外RAM(外部扩展的数据存储器)和ROM(内部或者外部程序存储器)。按照具...5...
51单片机 片外程序 存储 器用途?1用于存储用户的可改写代码。2单片机片内存储器包括片内ROM和片内RAM,片内ROM用于存储程序代码,片内RAM包括寄存器和片内扩展RAM,比如STC的很多型号都有片...
51 系列 单片机 内部包含哪些主要逻辑功能部件?1.51系列单片机内部包含了主要的逻辑功能部件。2.这些主要的逻辑功能部件包括中央处理器(CPU)、存储器(RAM和ROM)、输入输出端口(I/O)、定时器/计数器(T...
