单片机控制多轴步进电机
采用单片机stc89C2051和mpc006运动控制芯片模块作为控制系统的核心,控制三路步进电机做运动实验。单片机发送指令给mpc006微型运动控制模块,模块信号输出给步进驱动器作高速度运动。可以定点运动,直线插补和圆弧插补。
运动控制的应用在国内已有十几年的历史,技术也相当成熟。通常运动控制都需要用到运动控制卡,
运动控制器等产品,但这些产品价格高昂,使用复杂,也不适合由单片机构成的控制系统。而如果直接采
用单片机来做运动控制,由于运动控制对系统性能要求非常高,单片机速度资源有限,难以设计出性能优
良的运动控制模型。因此,本文采用单片机和专业的 mpc006 运动控制芯片模块构成运动控制系统。
MPC006 运动控制芯片模块采用新型 FPGA 设计,集成实用运动控制功能,可与普通单片机通过串口通讯
对步进电机和伺服电机控制。具有如下特点:
◆ 串口通讯,仅需使用几条指令,简单可靠。
◆ 单模块最高六轴输出,多个模块组网工作可达 120 轴。
◆ 最大脉冲输出频率为 2MHz,脉冲输出使用脉冲+方向方式。
◆ 最高六轴独立运动控制,任意两轴直线插补,任意两轴圆弧插补。
◆ 每轴一路硬件回原点。
◆ 模块带 1000 条指令缓存深度,指令先进先出,无需高速通讯。
◆ 模块体积小巧,仅 3.5*2.5*1.5cm,双排直插 30 脚封装。
硬件系统由四部分构成:
(1) 单片机部分
单片机与模块只需三根线连接,用作串口通讯的 RXD 和 TXD,用作模块缓存满输出的 BUSY 信号。P3.7引出一按键作为测试使用。
2) mpc006 运动控制芯片模块部分
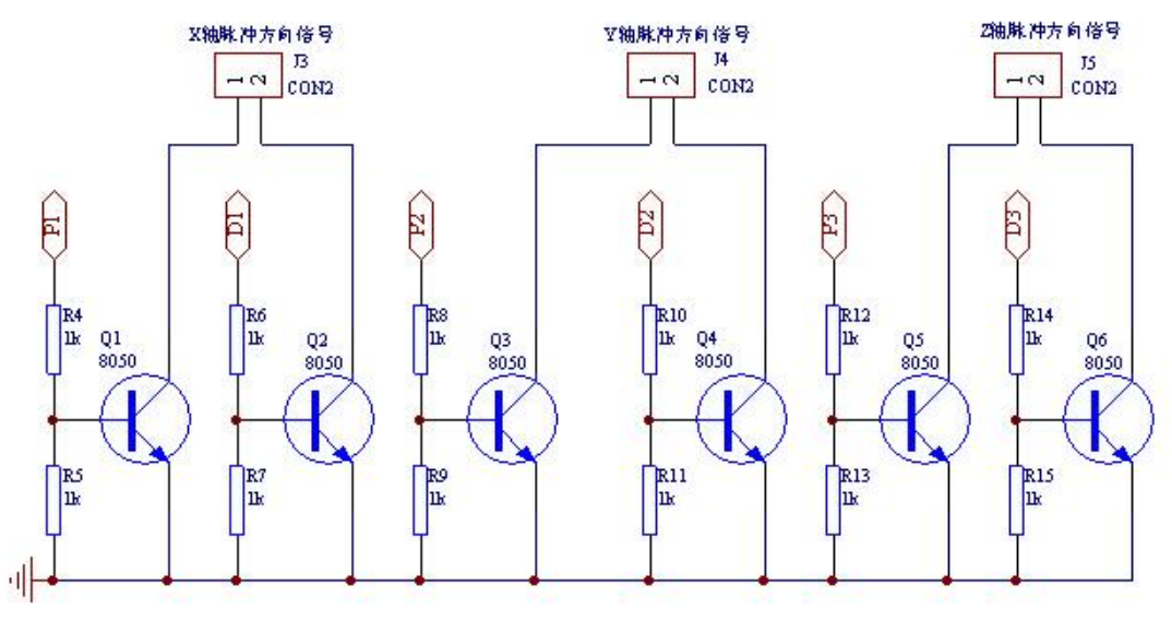
mpc006 运动控制芯片模块采用 5V 电源供电,RXD,TXD,BUSY 与单片机连接。X0,X1,X2 可作为三路电机的原点信号,P1,D1 为 1 轴的脉冲和方向信号。P2,D2 为 2 轴的脉冲和方向信号。P3,D3 为 3轴的脉冲和方向信号。
3)原点信号输入部分
原点采用光藕隔离输入,输入端可接 NPN 型光电开关来作为原点信号。
4) 信号输出部分
输出采用 NPN 晶体管及电极开路输出,分别接到电机驱动器脉冲和方向信号输入端。
MPC006 运动控制芯片模块与单片机串口通讯速率为 115200bps,数据位为 8 位,停止位 1 位,无校验。单片机与 mpc006 运动控制模块采用串口应答式通讯,单片机作主机,单片机每发送一条指令给 mpc006运动控制芯片模块,mpc006 运动控制芯片模块返回以 0x68 开始的固定长度为 10 个字节的数据串。单片即可以取出需要的数据。一般情况需接收到 mpc006 运动控制模块返回的数据后单片机才能发送下一条指令。如果程序中不接收模块返回的数据,需间隔 5MS 以上才能发送下一条指令。另外需注意,当发送指令时如果字节间时间间隔大于 1MS,模块会认为整条指令发送结束,所以在发送一条指令给模块时不要被程序里的中断长时间打断。当接收模块的返回的数据时,由于波特率很高,如果有长时间中断打断接收过程,可能会导致接收字节丢失。所以,通讯时最好能暂时关闭其它太占时长中断。mpc 运动控制模块带 1000条指令缓存空间,并自带基本逻辑判断能力,单片机不用等待一条执行完成后才发送下一条,完全可以一起发送给模块,模块会按顺序自动逐条执行。
单片机发送和接收指令的数据格式如下:
起始码:为一条指令的起始字节内容,固定为 0x68。
数据个数:为从数据个数开始到校验和的数据长度。
模块地址:为控制器的通讯地址。地址 0 对所有控制器都有效。
功能码:表示指令的功能,每条指令的功能码都是唯一的。
参数:表示指令的参数,每条指令的参数字节数并不都是相同的。
校验和:为从数据个数开始到校验和前一个字节的校验和。
mpc006 运动控制芯片模块默认地址为 0,可以接收带任何地址的指令数据。如果单片机串口只连接了一个模块,地址可以不用设置。
mpc006 运动控制芯片模块无需任何初始化。上电后只发一条 pmove 单轴运行指令对应轴都会有脉冲输出。使用函数前先设置好单片机的串口功能,并将需要用到的函数的原型拷贝到当前程序内。本文所使用的函数原型为基础版本,已根据模块使用说明书中通讯协议将各指令通讯过程描述出来。用户可根据所使用的单片机的资源在保证通讯格式正确的情况下作出适当优化。
试验程序如下:
#include <reg52.h>
//-----STC89C2051-------
sfr IPH =0XB7;
sfr CCON =0XD8;
sfr CMOD =0XD9;
sfr CL =0XE9;
sfr CH =0XF9;
sfr CCAP0L =0XEA;
sfr CCAP0H =0XFA;
sfr CCAPM0 =0XDA;
sfr CCAPM1 =0XDB;
sfr P3M1= 0XB1;
sfr P3M0= 0XB2;
sfr P1M1= 0X91;
sfr P1M0= 0X92;
sfr WAKE_CLKO= 0X8f;
sfr BRT =0x9c;
sfr AUXR =0x8E;
sfr AUXR1 = 0xA2;
sfr WDT_CONTR = 0xc1;
sfr T2MOD = 0xC9;
//////////////////
sbit busy = P3^2;
sbit s1=P3^7;
void initial()
{
P3M1 = 0x00;
P3M0 = 0x80;
P1M1 = 0x00;
P1M0 = 0xf9;
}
/*void init_uart() //串口 1 使用硬件波率发生器
{
PCON &= 0x7f; //波特率不倍速
SCON = 0x50; //8 位数据,可变波特率
BRT = 0xFD; //设定独立波特率发生器重装值 波特率 115200bps
AUXR |= 0x04; //独立波特率发生器时钟为 Fosc,即 1T
AUXR |= 0x01; //串口 1 选择独立波特率发生器为波特率发生器
AUXR |= 0x10; //启动独立波特率发生器
} */
void init_uart() //串口 1 使用定时器 1 重装值为波率
{
AUXR = 0x54; //使能独立波特率发生器,独立波特 1 个计 1 次,T1 不分频,串口 1 选择定时器重装值为波率
SCON = 0x50;//uart1 方式 1,允许接收
TMOD |= 0x20;//T1,方式 2
TL1 = 0xFD;//115200 波率
TH1 = 0xFD;//115200 波率
TR1 = 1; //T1 开启
}
/*
串口发送一个字节,需根据所使用的单片机作适当更改。
*/
void USART_Txbyte(unsigned char i)
{
SBUF = i;
while(TI ==0); //等待发送完成
TI = 0; //清零串口发送完成中断请求标志
}
/*
串口接收模块返回的 10 个字节数据,需根据所使用的单片机作适当更改。
*/
void receive(unsigned char *buf)
{
unsigned char i;
for(i=0;i<10;i++)
{
while(RI==0);
RI=0;
buf[i]=SBUF;
}
}
/*
串口发送一串数据。
*/
void USRAT_transmit(unsigned char *fdata,unsigned char len)
{
unsigned char i;
for(i=0;i<len;i++)
{
USART_Txbyte(fdata[i]);
}
}
/*
函数名: inp_move
功能:二轴直线插补
参数:
cardno 卡号
no1 X 轴轴号
no2 Y 轴轴号
pulse1,pulse2
X-Y 轴移动的距离,范围(
-8388608~+8388607)
mode 0:相对位移 1:绝对位移
返回值:
0 失败
1 成功
*/
unsigned char inp_move(unsigned char cardno,unsigned char no1 ,unsigned char no2 , long pulse1 ,long
pulse2 ,unsigned char mode )
{
unsigned char OutByte[25];
unsigned char inbuf[12];
OutByte[0] = 0x68;
OutByte[1] = 0x0F;
OutByte[2] = cardno;
OutByte[3] = 0x7;
OutByte[4] = no1;
OutByte[5] = no2;
OutByte[6] = pulse1>>24;
OutByte[7] = pulse1 >>16;
OutByte[8] = pulse1>> 8;
OutByte[9] = pulse1;
OutByte[10] = pulse2 >>24;
OutByte[11] = pulse2 >>16;
OutByte[12] = pulse2 >>8;
OutByte[13] = pulse2 ;
OutByte[14] = mode;
OutByte[15] =OutByte[1] +OutByte[2] +OutByte[3] +OutByte[4]+OutByte[5] +OutByte[6] +OutByte[7]
+OutByte[8] +OutByte[9] +OutByte[10] +OutByte[11] + \
OutByte[12] +OutByte[13] +OutByte[14];
USRAT_transmit(OutByte,16);
receive(inbuf);
return 1;
}
/*
函数名: inp_arc
功能:二轴圆弧插补
参数:cardno 卡号
no1参与插补 X 轴的轴号
no2参与插补 Y 轴的轴号
x,y圆弧插补的终点位置(相对于起点),范围(-8388608~+8388607)
i,j圆弧插补的圆心点位置(相对于起点),范围(-8388608~+8388607)
mode 0:顺时针插补 1:逆时针插补
返回值:
0 失败 1 成功
*/
unsigned char inp_arc(unsigned char cardno ,unsigned char no1,unsigned char no2, long X , long y, long i, long j,unsigned char mode )
{
unsigned char OutByte[25];
unsigned char inbuf[12];
OutByte[0] = 0x68;
OutByte[1] = 0x17;
OutByte[2] = cardno;
OutByte[3] = 0x8;
OutByte[4] = no1;
OutByte[5] = no2;
OutByte[6] = X >>24;
OutByte[7] = X >>16;
OutByte[8] = X >>8;
OutByte[9] = X ;
OutByte[10] = y >>24;
OutByte[11] = y >>16;
OutByte[12] = y >>8;
OutByte[13] = y ;
OutByte[14] = i >>24;
OutByte[15] = i >>16;
OutByte[16] = i >>8;
OutByte[17] = i ;
OutByte[18] = j >>24;
OutByte[19] = j >>16;
OutByte[20] = j >>8;
OutByte[21] = j ;
OutByte[22] = mode;
OutByte[23] =OutByte[1] +OutByte[2] +OutByte[3] +OutByte[4] +OutByte[5] +OutByte[6] +OutByte[7]
+OutByte[8] +OutByte[9] +OutByte[10] +OutByte[11] + \
OutByte[12] +OutByte[13] +OutByte[14] +OutByte[15] +OutByte[16] +OutByte[17] +OutByte[18] +OutByte[19]
+OutByte[20] +OutByte[21] +OutByte[22] ;
USRAT_transmit(OutByte,24);
receive(inbuf);
return 1;
}
/*
函数名: set_speed
功能:设置轴速度
参数:
cardno 卡号
axis 轴号(1-6)
acc 加速时间(ms)
dec 减速时间(ms)
startv 启动频率为:值*频率倍率(Hz)
speed 运行频率为:值*频率倍率(Hz)
range 频率倍率(1-100)
返回值:
0 失败 1 成功
*/
unsigned char set_speed(unsigned char cardno ,unsigned char axis ,unsigned int acc ,unsigned int
dec ,unsigned int startv ,unsigned int speed ,unsigned char range)
{
unsigned char OutByte[25];
unsigned char inbuf[12];
OutByte[0] = 0x68;
OutByte[1] = 0xe;
OutByte[2] = cardno;
OutByte[3] = 1;
OutByte[4] = axis;
OutByte[5] = acc >>8;
OutByte[6] = acc ;
OutByte[7] = dec >>8;
OutByte[8] = dec ;
OutByte[9] = startv >>8;
OutByte[10] = startv ;
OutByte[11] = speed >>8;
OutByte[12] = speed ;
OutByte[13] = range;
OutByte[14] =OutByte[1] +OutByte[2] +OutByte[3] +OutByte[4] +OutByte[5] +OutByte[6] +OutByte[7]
+OutByte[8] +OutByte[9] +OutByte[10] +OutByte[11] + OutByte[12] +OutByte[13] ;
USRAT_transmit(OutByte,15);
receive(inbuf);
return 1;
}
/*
函数名: set_soft_limit
功能:设置轴软件限位
参数:
cardno 卡号
axis
轴号(1-6)
mode 0:解除软件限位 1:启用软件限位
pulse1负方向限位脉冲值,范围(-268435455~0)
pulse2正方向限位脉冲值,范围(
0~+268435455)
返回值:
0 失败 1 成功
*/
unsigned char set_soft_limit(unsigned char cardno ,unsigned char axis ,unsigned char mode, long pulse1 , long
pulse2 )
{
unsigned char OutByte[25];
unsigned char inbuf[12];
OutByte[0] = 0x68;
OutByte[1] = 0xE;
OutByte[2] = cardno ;
OutByte[3] = 0x13;
OutByte[4] = axis;
OutByte[5] = mode;
OutByte[6] = pulse1 >>24;
OutByte[7] = pulse1 >>16;
OutByte[8] = pulse1 >>8;
OutByte[9] = pulse1 ;
OutByte[10] = pulse2 >>24;
OutByte[11] = pulse2 >>16;
OutByte[12] = pulse2 >>8;
OutByte[13] = pulse2 ;
OutByte[14] =OutByte[1] +OutByte[2] +OutByte[3] +OutByte[4] +OutByte[5] +OutByte[6] +OutByte[7]
+OutByte[8] +OutByte[9] +OutByte[10] +OutByte[11] +
OutByte[12] +OutByte[13] ;
USRAT_transmit(OutByte,15);
receive(inbuf);
return 1;
}
/*
函数名: set_hard_limit
功能:设置轴硬件限位
参数:
cardno 卡号
axis 轴号(1-6)
mode 0:解除硬件限位 1:启用硬件限位
dir 0:反方向 1:正方向
number 端口号(0-9) X0-X9
value 状态(0,1) 0: 输入低电平 1: 输入高电平
返回值:
0 失败 1 成功
*/
unsigned char set_hard_limit(unsigned char cardno ,unsigned char axis ,unsigned char mode, unsigned char dir,
unsigned char number, unsigned char value)
{
unsigned char OutByte[25];
unsigned char inbuf[12];
OutByte[0] = 0x68;
OutByte[1] = 0x9;
OutByte[2] = cardno ;
OutByte[3] = 0x10;
OutByte[4] = axis;
OutByte[5] = mode;
OutByte[6] = dir;
OutByte[7] = number;
OutByte[8] = value ;
OutByte[9] =OutByte[1] +OutByte[2] +OutByte[3] +OutByte[4] +OutByte[5] +OutByte[6] +OutByte[7]
+OutByte[8] ;
USRAT_transmit(OutByte,10);
receive(inbuf);
return 1;
}
/*
函数名: pmove
功能:单轴运行
参数:
cardno 卡号
axis 轴号(1-6)
pulse输出的脉冲数 >0:正方向移动
<0:负方向移动 范围(-268435455~+268435455)
mode 0:相对位移 1:绝对位移 2:连续位移
返回值:
0 失败 1 成功
*/
unsigned char pmove(unsigned char cardno ,unsigned char axis,long pulse , unsigned char mode)
{
unsigned char OutByte[25];
unsigned char inbuf[12];
OutByte[0] = 0x68;
OutByte[1] = 0xA ;
OutByte[2] = cardno;
OutByte[3] = 2
;
OutByte[4] = axis;
OutByte[5] = pulse >>24;
OutByte[6] = pulse >>16;
OutByte[7] = pulse >>8;
OutByte[8] = pulse ;
OutByte[9] = mode ;
OutByte[10] =OutByte[1] +OutByte[2] +OutByte[3] +OutByte[4] +OutByte[5] +OutByte[6] +OutByte[7]
+OutByte[8] +OutByte[9] ;
USRAT_transmit(OutByte,11);
receive(inbuf);
return 1;
}
/*
函数名: wait_delay
功能:等待延时数
参数:
cardno 卡号
value 延时量(1-10000)MS
返回值:
0 失败 1 成功
*/
unsigned char wait_delay(unsigned char cardno ,unsigned int value)
{
unsigned char OutByte[25];
unsigned char inbuf[12];
OutByte[0] = 0x68 ;
OutByte[1] = 0x6 ;
OutByte[2] = cardno ;
OutByte[3] = 0xE ;
OutByte[4] = value >>8;
OutByte[5] = value ;
OutByte[6] =OutByte[1] +OutByte[2] +OutByte[3] +OutByte[4] +OutByte[5];
USRAT_transmit(OutByte,7);
receive(inbuf);
return 1;
}
/*
函数名: set_command_pos
功能: 设置轴逻辑位置或编码器值
参数:
cardno 卡号
axis 轴号(1-8)
pulse
位置脉冲数,范围(
-268435455~+268435455)
返回值:
0 失败 1 成功
*/
unsigned char set_command_pos(unsigned char cardno ,unsigned char axis, long value )
{
unsigned char OutByte[25];
unsigned char inbuf[12];
OutByte[0] = 0x68 ;
OutByte[1] = 0x9 ;
OutByte[2] = cardno ;
OutByte[3] = 0x12 ;
OutByte[4] = axis ;
OutByte[5] = value >>24;
OutByte[6] = value >>16;
OutByte[7] = value >>8;
OutByte[8] = value ;
OutByte[9] =OutByte[1] +OutByte[2] +OutByte[3] +OutByte[4] +OutByte[5] +OutByte[6] +OutByte[7]
+OutByte[8] ;
USRAT_transmit(OutByte,10);
receive(inbuf);
return 1;
}
/*
函数名: write_bit
功能:写输出口状态或寄存器值
参数:
cardno 卡号
number 端口号(
0-14) Y0-Y14 ; 寄存器号(100-115)D100-D115
value 状态(0,1) 0 输出低电平 1 输出高电平;寄存器值(0-255)
返回值:
0 失败 1 成功
*/
unsigned char write_bit(unsigned char cardno , unsigned char number, unsigned char value)
{
unsigned char OutByte[25];
unsigned char inbuf[12];
OutByte[0] = 0x68 ;
OutByte[1] = 0x6 ;
OutByte[2] = cardno ;
OutByte[3] = 3
;
OutByte[4] = number;
OutByte[5] = value;
OutByte[6] =OutByte[1] +OutByte[2] +OutByte[3] +OutByte[4] +OutByte[5] ;
USRAT_transmit(OutByte,7);
receive(inbuf);
return 1;
}
/*
函数名: read_bit
功能:读输入口状态或寄存器值
参数:
cardno 卡号
number 端口号(0-6) X0-X6 ; 寄存器号(100-115)D100-D115
返回值:
状态(0,1) 0 输出低电平 1 输出高电平;寄存器值(0-255)
*/
unsigned char read_bit(unsigned char cardno ,unsigned char number)
{
unsigned char OutByte[25];
unsigned char inbuf[12];
OutByte[0] = 0x68;
OutByte[1] = 0x5;
OutByte[2] = cardno;
OutByte[3] = 4;
OutByte[4] = number;
OutByte[5] = OutByte[1] +OutByte[2] +OutByte[3] +OutByte[4];
USRAT_transmit(OutByte,6);
receive(inbuf);
return inbuf[5];
}
/*
函数名: sudden_stop
功能: 轴停止
参数:
cardno 卡号
axis 停止的轴号(1-8) 1-6:1-6 轴停 7:直线插补轴停 8:圆弧插补轴停
返回值:
0 失败 1 成功
*/
unsigned char sudden_stop(unsigned char cardno ,unsigned char axis)
{
unsigned char OutByte[25];
unsigned char inbuf[12];
OutByte[0] = 0x68;
OutByte[1] = 0x5;
OutByte[2] = cardno ;
OutByte[3] = 0x17 ;
OutByte[4] = axis ;
OutByte[5] =OutByte[1] +OutByte[2] +OutByte[3] +OutByte[4] ;
USRAT_transmit(OutByte,6);
receive(inbuf);
return 1;
}
/*
函数名: wait_in
功能: 等待输入口状态
参数:
cardno 卡号
number 端口号(
0-9) X0-X9
value 状态(
0,1) 0 输入低电平 1 输入高电平
返回值:
0 失败 1 成功
*/
unsigned char wait_in( unsigned char cardno, unsigned char number, unsigned char value)
{
unsigned char OutByte[25];
unsigned char inbuf[12];
OutByte[0] = 0x68 ;
OutByte[1] = 0x6 ;
OutByte[2] = cardno;
OutByte[3] = 0xF ;
OutByte[4] = number ;
OutByte[5] = value ;
OutByte[6] =OutByte[1] +OutByte[2] +OutByte[3] +OutByte[4] +OutByte[5];
USRAT_transmit(OutByte,7);
receive(inbuf);
return 1;
}
/*
函数名: wait_stop
功能:等待轴停止
参数:
cardno 卡号
axis 需要等待停止的轴号 1-6:1-6 轴停 7:直线插补轴停 8:圆弧插补轴停
返回值:
0 失败 1 成功
*/
unsigned char wait_stop(unsigned char cardno ,unsigned char axis)
{
unsigned char OutByte[25];
unsigned char inbuf[12];
OutByte[0] = 0x68 ;
OutByte[1] = 0x5 ;
OutByte[2] = cardno ;
OutByte[3] = 9
;
OutByte[4] = axis ;
OutByte[5] =OutByte[1] +OutByte[2] +OutByte[3] +OutByte[4];
USRAT_transmit(OutByte,6);
receive(inbuf);
return 1;
}
/*
函数名: get_number
功能:获取唯一序列号
参数:
cardno 卡号
返回值: 32 位序列号
*/
unsigned long get_number(unsigned char cardno )
{
unsigned long tmp=0;
unsigned char OutByte[25];
unsigned char inbuf[12];
OutByte[0] = 0x68 ;
OutByte[1] = 0x4 ;
OutByte[2] = cardno;
OutByte[3] = 0xC ;
OutByte[4] =OutByte[1] +OutByte[2] +OutByte[3] ;
USRAT_transmit(OutByte,5);
receive(inbuf);
tmp= (unsigned long)inbuf[4]<<24;
tmp+= (unsigned long)inbuf[5]<<16;
tmp+= (unsigned long)inbuf[6]<<8;
tmp+= (unsigned long)inbuf[7];
return tmp;
//return(((unsigned long)inbuf[4]<<24)+((unsigned long)inbuf[5]<<16)+((unsigned long)inbuf[6]<<8)+((unsigned
//long)inbuf[7]));
}
/*
函数名: get_status
功能:获取各轴工作状态
参数:
cardno 卡号
返回值: 8 位二进制,1-6 位分别代表 1-6 轴状态,第 7 位为直线插补状态,第 8 位为圆弧插补状态。0
表示停止中,1 表示运行中。
*/
unsigned char get_status( unsigned char cardno)
{
unsigned char OutByte[25];
unsigned char inbuf[12];
OutByte[0] = 0x68 ;
OutByte[1] = 0x4 ;
OutByte[2] = cardno ;
OutByte[3] = 5 ;
OutByte[4] =OutByte[1] +OutByte[2] +OutByte[3] ;
USRAT_transmit(OutByte,5);
receive(inbuf);
return inbuf[4];
}
/*
函数名: get_command_pos
功能: 获取轴逻辑位置或编码器值
参数:
cardno 卡号
axis 轴号
返回值:
位置脉冲数,范围(-268435455~+268435455)
*/
long get_command_pos( unsigned char cardno, unsigned char axis)
{
long tmp=0;
unsigned char OutByte[25];
unsigned char inbuf[12];
OutByte[0] = 0x68 ;
OutByte[1] = 0x5 ;
OutByte[2] = cardno ;
OutByte[3] = 6
;
OutByte[4] = axis ;
OutByte[5] =OutByte[1] +OutByte[2] +OutByte[3] +OutByte[4] ;
USRAT_transmit(OutByte,6);
receive(inbuf);
tmp= (long)inbuf[5]<<24;
tmp+= (long)inbuf[6]<<16;
tmp+= (long)inbuf[7]<<8;
tmp+= (long)inbuf[8];
return tmp;
//return(((unsigned long)inbuf[5]<<24)+((unsigned long)inbuf[6]<<16)+((unsigned long)inbuf[7]<<8)+((unsigned
//long)inbuf[8]));
}
/*
函数名: set_cardno
功能:设置卡号
参数:
cardno 卡号(1-128)模块地址 (250 ) 重启
返回值:
0 失败 1 成功
*/
unsigned char set_cardno(unsigned char cardno)
{
unsigned char OutByte[25];
unsigned char inbuf[12];
OutByte[0] = 0x68 ;
OutByte[1] = 5
;
OutByte[2] = 0
;
OutByte[3] = 0xFA ;
OutByte[4] = cardno ;
OutByte[5] =OutByte[1] +OutByte[2] +OutByte[3] +OutByte[4] ;
USRAT_transmit(OutByte,6);
receive(inbuf);
return 1;
}
/*
函数名: read_fifo_count
功能:获取缓冲空间未执行指令数量
参数:
cardno 卡号
返回值:(0-1000) 缓冲空间未执行指令数量
*/
unsigned int read_fifo_count ( unsigned char cardno)
{
unsigned char OutByte[25];
unsigned char inbuf[12];
OutByte[0] = 0x68 ;
OutByte[1] = 0x4 ;
OutByte[2] = cardno ;
OutByte[3] = 0x0d;
OutByte[4] =OutByte[1] +OutByte[2] +OutByte[3] ;
USRAT_transmit(OutByte,5);
receive(inbuf);
return (((unsigned int)inbuf[4]<<8)+ inbuf[5]);
}
/*
函数名: wait_pulse
功能:等待轴脉冲数
参数:
cardno 卡号
axis 轴号(1,2,3,5,7,8)
pulse位置脉冲数,范围(-268435455~+268435455)
返回值:
0 失败 1 成功
*/
unsigned char wait_pulse(unsigned char cardno ,unsigned char axis, long value )
{
unsigned char OutByte[25];
unsigned char inbuf[12];
OutByte[0] = 0x68;
OutByte[1] = 0x9 ;
OutByte[2] = cardno ;
OutByte[3] = 0x19;
OutByte[4] = axis ;
OutByte[5] = value >>24;
OutByte[6] = value >>16;
OutByte[7] = value >>8;
OutByte[8] = value ;
OutByte[9] =OutByte[1] +OutByte[2] +OutByte[3] +OutByte[4] +OutByte[5] +OutByte[6] +OutByte[7]
+OutByte[8] ;
USRAT_transmit(OutByte,10);
receive(inbuf);
return 1;
}
/*
函数名: set_synchro
功能:设置轴同步
参数:
cardno 卡号
no1 主轴号(1,2,3,5,7,8)
no2 随动轴号(1,2,3,5,7,8)
mode 方式 0 :关闭 1: 打开
pulse1 主轴脉冲数
pulse2 随动轴脉冲数
返回值:
0 失败 1 成功
*/
unsigned char set_synchro(unsigned char cardno ,unsigned char no1 ,unsigned char no2,unsigned char mode, int
pulse1 ,int pulse2 )
{
unsigned char OutByte[25];
unsigned char inbuf[12];
OutByte[0] = 0x68;
OutByte[1] = 0xb;
OutByte[2] = cardno;
OutByte[3] = 0x22;
OutByte[4] = no1;
OutByte[5] = no2;
OutByte[6] = mode;
OutByte[7] = pulse1 >>8;
OutByte[8] = pulse1 ;
OutByte[9] = pulse2 >>8;
OutByte[10] = pulse2 ;
OutByte[11] =OutByte[1] +OutByte[2] +OutByte[3] +OutByte[4] +OutByte[5] +OutByte[6] +OutByte[7]
+OutByte[8] +OutByte[9] +OutByte[10];
USRAT_transmit(OutByte,12);
receive(inbuf);
return 1;
}
/*
函数名: inp_move3
功能:三轴直线插补
参数:
cardno 卡号
no1 X 轴轴号
no2 Y 轴轴号
no3 Z 轴轴号
pulse1,pulse2,pulse3
X-Y-Z 轴移动的距离,范围(
-8388608~+8388607)
mode 0:相对坐标 1:绝对坐标
返回值:
0 失败 1 成功
*/
unsigned char inp_move3(unsigned char cardno,unsigned char no1 ,unsigned char no2,unsigned char no3, long
pulse1 ,long pulse2,long pulse3 ,unsigned char mode )
{
unsigned char OutByte[25];
unsigned char inbuf[12];
OutByte[0] = 0x68;
OutByte[1] = 0x14;
OutByte[2] = cardno;
OutByte[3] = 0x21;
OutByte[4] = no1;
OutByte[5] = no2;
OutByte[6] = no3;
OutByte[7] = pulse1>>24;
OutByte[8] = pulse1 >>16;
OutByte[9] = pulse1>> 8;
OutByte[10] = pulse1;
OutByte[11] = pulse2 >>24;
OutByte[12] = pulse2 >>16;
OutByte[13] = pulse2 >>8;
OutByte[14] = pulse2 ;
OutByte[15] = pulse3 >>24;
OutByte[16] = pulse3 >>16;
OutByte[17] = pulse3 >>8;
OutByte[18] = pulse3 ;
OutByte[19] = mode;
OutByte[20] =OutByte[1] +OutByte[2] +OutByte[3] +OutByte[4]+OutByte[5] +OutByte[6] +OutByte[7]
+OutByte[8] +OutByte[9] +OutByte[10] +OutByte[11] +OutByte[12] +OutByte[13] +OutByte[14]+OutByte[15]
+OutByte[16] +OutByte[1]+OutByte[18] +OutByte[19] ;
USRAT_transmit(OutByte,21);
receive(inbuf);
return 1;
}
void main(void)
{
char i;
//initial();
init_uart();
//set_cardno(1);
//设卡号为 1
set_hard_limit(1,1 ,1 , 0,0,0); // 设 1 轴向负方向运动时 X0 输入口状态为低时限位,用于回原点
set_hard_limit(1,2 ,1 , 0,1,0); // 设 2 轴向负方向运动时 X1 输入口状态为低时限位,用于回原点
set_hard_limit(1,3 ,1 , 0,2,0); // 设 3 轴向负方向运动时 X2 输入口状态为低时限位,用于回原点
while(1)
{
if(!s1)//按键按下
{
set_speed(1 ,1,1000,1000,10,200,100); // 设 1 轴速度
set_speed(1 ,2,1000,1000,10,200,100); // 设 2 轴速度
set_speed(1 ,3,1000,1000,10,200,100); // 设 3 轴速度
/*1,2,3 轴同时回原点*/
pmove(1,1,-1000000,0);
// 1 轴向负方向运动
pmove(1,2,-1000000,0);
// 2 轴向负方向运动
pmove(1,3,-1000000,0);
// 3 轴向负方向运动
wait_stop(1 ,1);
//等待 1 轴停止
wait_stop(1 ,2);
//等待 2 轴停止
wait_stop(1 ,3);
//等待 3 轴停止
set_command_pos(1,1,0);
//
设 1 轴此时坐标为 0
set_command_pos(1,2,0);
//
设 2 轴此时坐标为 0
set_command_pos(1,3,0);
//
设 3 轴此时坐标为 0
/*3 轴向正方向运动,单片机不断查询轴状态,直到轴都停止了才执行后面的程序。*/
pmove(1,3,3200,0);
// 3 轴运动
wait_stop(1 ,3) ; // 模块自己等待 3 轴停止
write_bit(1, 101, 1) ; // 3 轴停止后自己将模块寄存器 D101 写为 1
while(read_bit(1,101)!=1); //模块寄存器 D101 不为 1 一直等,即前面动作还没执行完
//while(get_status(1)); // 轴没停止一直等
/*1 轴向正方向运动,碰到感应开关 X5 后停止,然后 2 轴开始正方向运行 3200 个脉冲,运行
完成后,将 Y12 输出口置 1,等待 5 秒,再将 Y12 输出口置 0。*/
pmove(1,1,1000000,0);
// 1 轴运动
wait_in(1,5,0);
// 模块内部自己等待,直到 X5 为低
sudden_stop(1,1);
// 1 轴停止
pmove(1,2,3200,0);
// 2 轴运动
wait_stop(1 ,2);
//模块内部自己等待 2 轴停止
write_bit(1,12 ,1); //将 Y12 输出口置 1
wait_delay(1,5000);
//模块内部延时 5 秒
write_bit(1,12 ,0); //将 Y12 输出口置 0
/*mpc004S 芯片轴同步指令配合等待轴脉冲指令完成绕线的过程示例。编码器输入口接主轴电机编
码器,1 轴为排线电机。*/
for(i=0;i<10;i++) //绕 10 层
{
set_synchro(1 ,7 ,1,1,8,1) ; /*编码器 1 口为主轴,1 轴排线与其同步,编码器 1 圈为 1600 个
脉冲,1 轴移一个线宽为 200 脉冲,比率为 8 比 1。*/
wait_pulse(1 ,7, 160000); // 等待编码器脉冲为 160000,即转了 100 圈。
set_synchro(1 ,7 ,1,1,8,-1) ; //将比率设为 8 比-1。即让 1 轴反转排线。
wait_pulse(1 ,7, 320000); // 等待编码器脉冲为 320000,即又转了 100 圈。
set_command_pos(1,7,0); //将编码器脉冲清为 0。
write_bit(1, 100, i) ;
//每绕一层将层号写到模块,单片机可随时读出已绕到哪层。
}
while(!s1);
}
}
}
既要代码小,又想速度快!单片机程序该如何优化?
对程序进行优化,通常是指优化程序代码或程序执行速度。优化代码和优化速度实际上是一个予盾的统一。一般是优化了代码的尺寸,就会带来执行时间的增加;如果优化了程序的执行速度,通常会带来代码增加的副作用。很难鱼与熊掌兼得,只能在设计时掌握一个平衡点。
一、程序结构的优化
1.1 程序的书写结构
虽然书写格式并不会影响生成的代码质量,但是在实际编写程序时还是应该尊循一定的书写规则,一个书写清晰、明了的程序,有利于以后的维护。在书写程序时,特别是对于While、for、do…while、if…else、switch…case 等语句或这些语句嵌套组合时,应采用“缩格”的书写形式。
1.2 标识符
程序中使用的用户标识符除要遵循标识符的命名规则以外,一般不要用代数符号(如a、b、x1、y1)作为变量名,应选取具有相关含义的英文单词(或缩写)或汉语拼音作为标识符,以增加程序的可读性,如:count、number1、red、work 等。
1.3 程序结构
C 语言是一种高级程序设计语言,提供了十分完备的规范化流程控制结构。因此在采用C 语言设计单片机应用系统程序时,首先要注意尽可能采用结构化的程序设计方法,这样可使整个应用系统程序结构清晰,便于调试和维护。
对于一个较大的应用程序,通常将整个程序按功能分成若干个模块,不同模块完成不同的功能。各个模块可以分别编写,甚至还可以由不同的程序员编写,一般单个模块完成的功能较为简单,设计和调试也相对容易一些。在C 语言中,一个函数就可以认为是一个模块。
所谓程序模块化,不仅是要将整个程序划分成若干个功能模块,更重要的是,还应该注意保持各个模块之间变量的相对独立性,即保持模块的独立性,尽量少使用全局变量等。对于一些常用的功能模块,还可以封装为一个应用程序库,以便需要时可以直接调用。但是在使用模块化时,如果将模块分成太细太小,又会导致程序的执行效率变低(进入和退出一个函数时保护和恢复寄存器占用了一些时间)。
1.4 定义常数
在程序化设计过程中,对于经常使用的一些常数,如果将它直接写到程序中去,一旦常数的数值发生变化,就必须逐个找出程序中所有的常数,并逐一进行修改,这样必然会降低程序的可维护性。因此,应尽量当采用预处理命令方式来定义常数,而且还可以避免输入错误。
1.5 减少判断语句
能够使用条件编译(ifdef)的地方就使用条件编译而不使用if 语句,有利于减少编译生成的代码的长度。
1.6 表达式
对于一个表达式中各种运算执行的优先顺序不太明确或容易混淆的地方,应当采用圆括号明确指定它们的优先顺序。一个表达式通常不能写得太复杂,如果表达式太复杂,时间久了以后,自己也不容易看得懂,不利于以后的维护。
1.7 函数
对于程序中的函数,在使用之前,应对函数的类型进行说明,对函数类型的说明必须保证它与原来定义的函数类型一致,对于没有参数和没有返回值类型的函数应加上“void”说明。如果果需要缩短代码的长度,可以将程序中一些公共的程序段定义为函数。如果需要缩短程序的执行时间,在程序调试结束后,将部分函数用宏定义来代替。注意,应该在程序调试结束后再定义宏,因为大多数编译系统在宏展开之后才会报错,这样会增加排错的难度。
1.8 尽量少用全局变量,多用局部变量
因为全局变量是放在数据存储器中,定义一个全局变量,MCU 就少一个可以利用的数据存储器空间,如果定义了太多的全局变量,会导致编译器无足够的内存可以分配;而局部变量大多定位于MCU 内部的寄存器中,在绝大多数MCU 中,使用寄存器操作速度比数据存储器快,指令也更多更灵活,有利于生成质量更高的代码,而且局部变量所的占用的寄存器和数据存储器在不同的模块中可以重复利用。
1.9 设定合适的编译程序选项
许多编译程序有几种不同的优化选项,在使用前应理解各优化选项的含义,然后选用最合适的一种优化方式。通常情况下一旦选用最高级优化,编译程序会近乎病态地追求代码优化,可能会影响程序的正确性,导致程序运行出错。因此应熟悉所使用的编译器,应知道哪些参数在优化时会受到影响,哪些参数不会受到影响。
二、代码的优化
2.1 选择合适的算法和数据结构
应熟悉算法语言。将比较慢的顺序查找法用较快的二分查找法或乱序查找法代替,插入排序或冒泡排序法用快速排序、合并排序或根排序代替,这样可以大大提高程序执行的效率。
选择一种合适的数据结构也很重要,比如在一堆随机存放的数据中使用了大量的插入和删除指令,比使用链表要快得多。数组与指针具有十分密切的关系,一般来说指针比较灵活简洁,而数组则比较直观,容易理解。对于大部分分的编译器,使用指针比使用数组生成的代码更短,执行效率更高。
但是在Keil 中则相反,使用数组比使用的指针生成的代码更短。
2.2 使用尽量小的数据类型
能够使用字符型(char)定义的变量,就不要使用整型(int)变量来定义;能够使用整型变量定义的变量就不要用长整型(long int),能不使用浮点型(float)变量就不要使用浮点型变量。当然,在定义变量后不要超过变量的作用范围,如果超过变量的范围赋值,C 编译器并不报错,但程序运行结果却错了,而且这样的错误很难发现。
2.3 使用自加、自减指令
通常使用自加、自减指令和复合赋值表达式(如a-=1 及a+=1 等)都能够生成高质量的程序代码,编译器通常都能够生成inc 和dec 之类的指令,而使用a=a+1 或a=a-1之类的指令,有很多C 编译器都会生成2~3个字节的指令。
2.4 减少运算的强度
可以使用运算量小但功能相同的表达式替换原来复杂的的表达式。如下:
(1)求余运算
a=a%8;可以改为:a=a&7;
说明:位操作只需一个指令周期即可完成,而大部分的C 编译器的“%”运算均是调用子程序来完成,代码长、执行速度慢。通常,只要求是求2n 方的余数,均可使用位操作的方法来代替。
(2)平方运算
a=pow(a,2.0);可以改为:a=a*a;
说明:在有内置硬件乘法器的单片机中(如51 系列),乘法运算比求平方运算快得多,因为浮点数的求平方是通过调用子程序来实现的,在自带硬件乘法器的AVR 单片机中,如ATMega163 中,乘法运算只需2 个时钟周期就可以完成。既使是在没有内置硬件乘法器的AVR单片机中,乘法运算的子程序比平方运算的子程序代码短,执行速度快。如果是求3 次方,如:a=pow(a,3.0);更改为:a=a*a*a;则效率的改善更明显。
(3)用移位实现乘除法运算
a=a*4;b=b/4;可以改为:a=a<<2;b=b>>2;
说明:通常如果需要乘以或除以2n,都可以用移位的方法代替。在ICCAVR 中,如果乘以2n,都可以生成左移的代码,而乘以其它的整数或除以任何数,均调用乘除法子程序。用移位的方法得到代码比调用乘除法子程序生成的代码效率高。实际上,只要是乘以或除以一个整数,均可以用移位的方法得到结果,如:a=a*9可以改为:a=(a<<3)+a
2.5 循环
(1)循环语
对于一些不需要循环变量参加运算的任务可以把它们放到循环外面,这里的任务包括表达式、函数的调用、指针运算、数组访问等,应该将没有必要执行多次的操作全部集合在一起,放到一个init 的初始化程序中进行。
(2)延时函数
通常使用的延时函数均采用自加的形式:
void delay (void){unsigned int i;for (i=0;i<1000;i++); }将其改为自减延时函数:void delay (void){unsigned int i;for (i=1000;i>0;i--); }
两个函数的延时效果相似,但几乎所有的C 编译对后一种函数生成的代码均比前一种代码少1~3 个字节,因为几乎所有的MCU 均有为0转移的指令,采用后一种方式能够生成这类指令。在使用while 循环时也一样,使用自减指令控制循环会比使用自加指令控制循环生成的代码更少1~3 个字母。
但是在循环中有通过循环变量“i”读写数组的指令时,使用预减循环时有可能使数组超界,要引起注意。
(3)while 循环和do…while 循环
用while 循环时有以下两种循环形式:
unsigned int i;i=0;while (i<1000){i++; //用户程序}或:unsigned int i;i=1000;do
{i--; //用户程序
}
while (i>0);
在这两种循环中,使用do…while循环编译后生成的代码的长度短于while循环。
2.6 查表
在程序中一般不进行非常复杂的运算,如浮点数的乘除及开方等,以及一些复杂的数学模型的插补运算,对这些即消耗时间又消费资源的运算,应尽量使用查表的方式,并且将数据表置于程序存储区。如果直接生成所需的表比较困难,也尽量在启动时先计算,然后在数据存储器中生成所需的表,后以在程序运行直接查表就可以了,减少了程序执行过程中重复计算的工作量。
2.7 其它
比如使用在线汇编及将字符串和一些常量保存在程序存储器中,均有利于优化。
声明: 本文转载自网络,如涉及作品内容、版权和其它问题,请于联系工作人员微,我们将在第一时间和您对接删除处理!
相关问答
请问从软件开发岗位转行到人工智能岗位需要什么准备?从软件开发可以逐渐学习,转到人工智能岗。这中间有一个过程。软件开发注重纯软件理论。人工智能在一般软件开发的基础上,应掌握语法分析,语议分析及自动化控...
线切割上的电机是什么电机? - 樱桃杆酱 的回答 - 懂得二、线切割机线切割机主要由机床、数控系统和高频电源这三部分组成。数控系统由单片机、键盘、变频检测系统构成,具有间隙补偿、直线插补、圆弧插补...
线切割上的电机是什么电机? - ?梦想家二希 的回答 - 懂得二、线切割机线切割机主要由机床、数控系统和高频电源这三部分组成。数控系统由单片机、键盘、变频检测系统构成,具有间隙补偿、直线插补、圆弧插补...
线切割上的电机是什么电机? - 172****6319 的回答 - 懂得线切割用550W4级电机,用单片机控制一、线切割上的电机线切割上的电机共有6个电机,分别是一个储丝桶电机、一个水泵电机、Y,X轴各一个步进电机、U,V...
朋友们,跪求解答:湖南技术领先一体化电导率探头供应商,一...[回答]吃苦的人永不吃亏感谢合作商核光明仪表新专业啊也有叫机械电子工程的这个专业好找工作机电工程系机电一体化专业专业主干课程介绍简介1、机械设计...
汇编语言什么叫位控法1、机械设计基础掌握通用机械零件的设计原理、方法和机械设计的一般规律,具有选用通用机械传动装置和初步具有设计简单机械的能力,具有运用标准、...
机器人主机是什么?机器人主机是指一个智能控制中心,负责控制、监测和管理机器人的各项运动、处理和互动等,类似于计算机中的“中央处理器”(CPU)或“主板”(Motherboard)。它...
激光切割机报价需要抢购吗?童鞋们在线等!急急急!激光切割...[回答]线切割机主要由机床、数控系统和高频电源这三部分组成。数控系统由单片机、键盘、变频检测系统构成,具有间隙补偿、直线插补、圆弧插补、断丝自动处...
数控编程的原理是什么?数控系统是数字控制系统的简称,根据计算机存储器中存储的控制程序,执行部分或全部数值控制功能,并配有接口电路和伺服驱动装置的专用计算机系统。计算机数控(C...
好基友们,我想知道!!苏州负责任闭环步进驱动器,闭环步进...[回答]C:怎样实现运动轨迹控制(直线插补、圆弧插补)、对点位和轨迹轮廓的精度控制。教室专有运动控制设备晶体管输出型PLC、触摸屏、伺服驱动器、步进驱动...
