固态继电器简介及其使用
四个脚的固态继电器很好理解:两个引脚是线圈,另两个是开关,本文就不说了,主要说一下6脚和8脚的固态继电器。
6脚固态继电器有两个脚是线圈脚,也就是与单片机上输出端连接(或者是接电源的正负极)。如何辨别线圈脚呢?你用万用表测一下,有电阻的两个脚就是线圈脚。另外四个脚是两个公共点(即这两个脚其实是连在一起的),还有两个一个常开,一个常闭。
经常见的6脚继电器如下所示:
6脚继电器内部结构图:
继电器线圈未通电时处于断开状态的静触点,称为"常开触点";处于接通状态的静触点称为"常闭触点"。
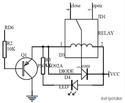
在单片机系统中继电器的控制一般通过一个三极管来驱动,典型的驱动电路如图所示:
继电器电路中一般都要在继电器的线圈两头加一个二极管以吸收继电器线圈断电时产生的反电势,防止干扰。上图中AB为常开触点,AC为常闭触点。图(a)中当控制信号为高电平时,继电器常开触点吸合(AB导通),当控制信号为低电平时,继电器常开触点断开常闭触点吸合(AC导通)。
单片机控制继电器也可如下图所示
那么8脚继电器跟6脚继电器有什么不同呢?
8脚继电器:
其实8脚继电器的引脚上都有数字标好的,从1到8。2和7接电源;1和4常闭、1和3常开;8和5常闭、8和6常开。这是有两个独立的常开常闭继电器。仔细观察8脚继电器的背面,你会发现8脚继电器背面画的有图形提示,也会清楚地表明断开闭合状态。
通过本篇文章,你学会使用继电器了吗?
了解电子元器件固态继电器
想学习单片机的同学可以关注、私信我或者在评论区回复我要入门。固态继电器(SolidStateRelay,缩写SSR),是由微电子电路,分立电子器件,电力电子功率器件组成的无触点开关。用隔离器件实现了控制端与负载端的隔离。固态继电器的输入端用微小的控制信号,达到直接驱动大电流负载。
一、什么是固态继电器
固态继电器是一种全部由固态电子元件组成的一种无触点开关器件,它利用一些电子元件(如开关三极管、双向可控硅等半导体器件)的开关特性,可达到无触点无火花地接通和断开电路的目的,所以我们也叫它做“无触点开关”。固态继电器是一种四端有源器件,其中两个端子为输入控制端,另外两个端子作为输出受控端。它不但具有放大驱动作用,而且又有隔离作用,很适合驱动大功率开关式执行机构,它比电磁继电器可靠性更加的高,且无触点、速度快、寿命长,对外界的干扰也小,因为它的优点非常的多应用得非常的广泛。
二、固态继电器结构及原理
常用固态继电器几乎都是模块化的四端有源器件,其中两端为输入控制端,另外两端为输出受控端,它的基本构成如下图所示。器件中采用很多光电耦合器实现输入与输出之间的电气隔离。输出受控端利用开关三极管、双向晶闸管等半导体器件的开关特性,实现无触点、无火花地接通和断开外接控制电路的目的。整个器件无可动部件及触点,可实现相当于常用电磁继电器的功能是一样的。
固态继电器按输出端极性的不同,可以分成直流式和交流式两个类别。直流固态继电器(DC-SSR)控制电压由输入端IN输入,通过光电耦合器将控制信号耦合至接收电路,经放大处理后驱动开关三极管VT导通。直流固态继电器的输出端OUT在接入被控电路回路中时,因为这是以直流来命名的器件所以它是有正、负极之分的。交流固态继电器(AC-SSR)的电路原理与直流固态继电器不同的是,其开关元件采用了双向晶闸管VS或其他交流开关,同理因此它的输出端OUT无正、负极之分,可以控制交流回路的通断。
由于固态继电器的输入端和输出端之间采用光电隔离等成熟可靠的技术,我们就可以把控制弱电和被控强电在电气上完全隔离,所以各种弱电设备输出的信号可以直接加在固态继电器的输入控制端上,不需要再额外的增加保护电路等。
三、固态继电器特点
固态继电器是具有隔离功能的无触点电子开关,在开关过程中无机械接触部件,因此固态继电器除了具有与电磁继电器一样的功能外,还具有逻辑电路兼容,耐振耐机械冲击,安装位置无限制,具有良好的防潮防霉防腐蚀性能,在防爆和防止臭氧污染方面的性能也极佳,输入功率小,灵敏度高,控制功率小,电磁兼容性好,噪声低和工作频率高等特点:
(1)SSR内部无机械部件,结构上采用了灌注全密封方式,因此,SSR具有耐振、耐腐蚀、长寿命及高可靠等优点。
(2)低噪声:交流型SSR采用了过零触发技术,因此在线路上有效地降低了电压上升速率dv/dt和电流上升速率di/dt值,使SSR长期工作时对市电的干扰极小。
(3)开关时间短,约为10ms,可应用在频率较高的场合。
(4)输入电路与输出电路之间采用光电隔离,绝缘电压2500V以上。
(5)输入功耗很低,与TTL,COMS电路兼容。
(6)输出端有保护电路。
(7)负载能力强。
本期先分享到这里,想要进群学习单片机编程的同学可以私信我,回复“我要入门”,与我们一起成长,喜欢的可以点个赞关注我们!
相关问答
串口输出通过 固态继电器 ,然后给 单片机 信号为什么不稳定 - h...一开机的时候,会乱跳信号稳定了就不会了,我最近刚做了一个串口的,没问题啊,你看看是不是两边电平不一致,用的是不是RS232协议具体什么问题我看看
串口输出通过 固态继电器 ,然后给 单片机 信号为什么不稳定 - 1...具体什么问题我看看一开机的时候,会乱跳信号稳定了就不会了,我最近刚做了一个串口的,没问题啊,你看看是不是两边电平不一致,用的是不是RS232协议
固态继电器 ,分别有何优缺点?_汽配人问答[最佳回答]你只能用固态继电器或者双向可控硅了,当然了,再者其实本质是一种东西,只是...你既然说是控制交流电了,那么IGBT和场效应管就用不上了,它们只能单方...
我要用 单片机 控制220V的电灯,用什么型号的 继电器 啊?很多种了,51单片机带负载能力不强,一般用三极管控制继电器,5v继电器最常用松乐T73SRD-5VDC-SL-C继电器也可以用固态继电器另外也可用其他控制电压的继电器...
如何设计一个以 单片机 为核心的 继电器 控制电路?根据提问者的意思以单片机为核心控制继电器,不知提问者提出这个问题的真正目的是什么,若只是为了想要一块继电器板实现相应的功能,可以直接购买一块单片机继电...
单片机 恒温箱有哪些不足热电偶传感器作者:不详来源:网上收集更新日期:2008-6-24阅读次数:6043一、热电偶传感器测温系统的设计应用下面介绍一个典型的单片机...
欣灵 继电器 型号有哪些?-设计本有问必答继电器型号第一部分用字母表示继电器的主称类型。JR——小功率继电器JZ——中功率继电器JQ——大功率继电器JC——磁电式继电器JU——热继电器...
欣灵 继电器 型号有哪些?_住范儿家装官网继电器型号第一部分用字母表示继电器的主称类型。JR——小功率继电器JZ——中功率继电器JQ——大功率继电器JC——磁电式继电器JU——热继电器...
...5V是由专用电源模块提供.用的是 固态继电器 , 继电器 与单_作业帮[最佳回答]应该是共地引起的.直接采用隔离控制就可以.
如何消除 继电器 对 单片机 的影响?大多数交流继电器吸合时线圈产生的磁场并无良好屏蔽,故易对附近弱电设备产生影响,因此,最好避免在单片机等数字装置附近使用交流继电器,如需要控制大容量的交...
