用STC 单片机设计脉冲发生器,改进线切割机床高频电源
高频脉冲电源是线切割机床加工专用电源,它的好坏直接关系到机床的加工质量。目前部分老式机床高频电源的高频振荡频率是由石英晶体产生,由于石英晶体自身存在的缺陷,会造成高频脉宽调节不稳定,使得机床加工稳定性变差,效率降低,损耗增大等现象。基于此现象,采用STC89C52RC单片机对高频电源进行控制。
1 石英晶体谐振器存在的问题
如果把交变电压施加于石英晶片两个电极之间,当交变电压的频率与石英晶片固有振动频率一致时,通过逆压电效应,晶片便产生机械振动。同时又通过正压电效应而输出电信号。一般石英晶体谐振器的频率范围可以从数百赫兹到几百兆赫兹。
1.2 影响石英晶体谐振器频率的原因
影响石英晶体谐振器频率改变的主要原因是温度的变化,石英晶体谐振频率会随温度的改变而变化,我们称作为频率温度特性。它的谐振器频率-温度特性与石英本身物理特性有关,还与其加工工艺和切割角度有一定关系。恒温型和温度补偿型高稳定度晶体振荡器正是基于频率温度特性研制而成的。
石英晶体谐振频率会随着石英的老化而缓慢增大或减小。老化主要是石英晶格不完善导致晶体结构发生变化,这种变化对晶体影响时间很长,另外温度变化和压力释放效应也会产生老化。另外激励电平的急剧变化也会影响到石英晶体的老化性能,从而影响到石英晶体的谐振器的频率稳定度。
同样负载的变化、电源电压的波动以及外界辐射等也都会导致石英晶体谐振器的谐振频率发生变化。基于上述原因,我们决定采用STC89C52RC单片机对线切割高频电源控制电路进行改造。
2 STC89C52RC单片机基本功能
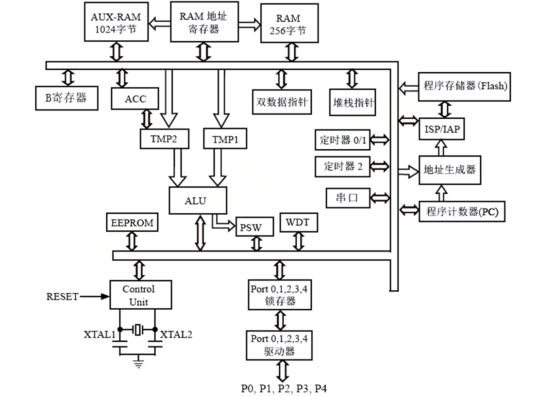
STC89C52RC单片机是宏晶科技推出的超强抗干扰、高速、低功耗单片机,指令代码完全兼容传统8051单片机。其最高频率时钟为80MHz,Flash存储器为8 KB,RAM为512 bit,E2PROM为2 KB,可反复擦写编程。工作温度为-40℃~+85℃,内置看门狗电路,内部电源供电系统、时钟电路和复位电路都经过特殊处理。“6时钟/机器周期”和“12时钟/机器周期”可在ISP编程时反复设置。具体结构如图1所示。
图1 STC89C52RC单片机内部结构示意图
P0端口(P0.0~P0.7):P0口是一个漏极开路的8位双向I/O口。作为输出端口,每个引脚能驱动8个TTL负载。对端口P0写入每个引脚能驱动写入“1”时,可以作为高阻抗输入。
P1端口(P1.0~P1.7):P1口是一个带内部上拉电阻的8位双向 I/O口。P1的输出缓冲器可驱动(吸收或者输出电流方式)4 个TTL 输入。对端口写入1时,通过内部的上拉电阻把端口拉到高电位,这是可用作输入口。P1口作输入口使用时,因为有内部上拉电阻,那些被外部拉低的引脚会输出一个电流。
P2端口(P2.0~P2.7):P2口是一个带内部上拉电阻的8位双向 I/O端口。P3端口(P3.0~P3.7):P3是一个带内部上拉电阻的8位双向I/O端口。
VCC(40引脚):电源电压;VSS(20引脚):接地。
图2 STC89C52RC单片机管脚示意图
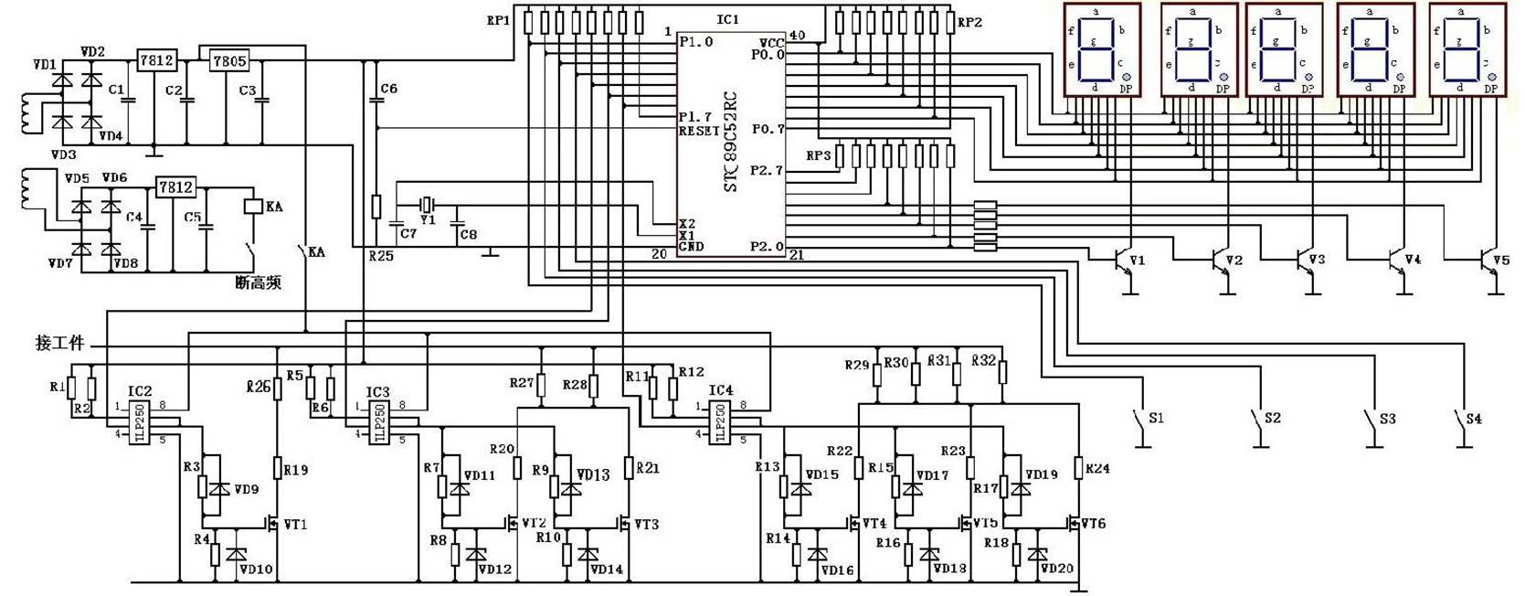
3 线切割高频电源主控电路改进设计
针对高频电源存在的实际问题,本文采用STC89C52RC单片机为主要处理部件,来改进原有的主控电路部分,整个电路是由单片机处理器、驱动电路、电源电路、功能参数及显示电路组成。
这样的设计可以使电路简单,投入极少,控制灵活方便,特别适合小型企业技术改造,加工速度提高了百分之二十五。具体设计框图如图3所示,电路原理图如图4所示。
图3 高频电源控制电路框图
3.1 控制信号产生电路
控制信号由单片机程序控制产生的脉冲信号,由单片机P1端口P1.4、P1.5、P1.6输出脉冲信号,控制驱动电路进行工作。当需要较小的输出功率时,驱动电路只有一个功率输出管VT1工作,则单片机只有P1.4端有脉冲输出,P1.5、P1.6端无脉冲输出,即P1.4端口只控制一只功率管工作,若要求输出功率大一些,则让P1.5端输出信号,P1.5端控制两只功率管(VT2、VT3)工作。
同样,P1.6端输出控制信号,同时控制三只功率管(VT4、VT5、VT6)工作。例如,在要求输出功率较大,要求5只功率管同时工作,则让P1.5、P1.6端同时输出脉冲信号也就有5只功率管同时工作,此项调整是通过SA4完成。
3.2 功放驱动电路设计
功放电路由三块TLP250光耦合集成电路完成,由单片机P1.4、P1.5或P1.6输出脉冲信号(低电平有效),分别加到三块TLP250功率驱动模块的3脚。当TLP250光耦驱动模块的3脚有低电平脉冲信号时(无信号时为高电平),其6、7脚就有高电平脉冲输出,直接驱动功率场效应管IRFP450的栅极,TLP250的5脚接地,8脚接12V电源。
其中IC2(TLP250)的输出(6、7脚)接到VT1的栅极,驱动一只功率场效应管。IC3(TLP250)的输出(6、7脚)同时接到VT2 和VT3的栅极,驱动两只功率场效应管工作。IC4(TLP250)的输出(6、7脚)同时接到VT4 、VT5和VT6的栅极,同时驱动三只功率场效应管工作。
由VT1、VT2、VT3、VT4、VT5、VT6六只功率场效应管组成功率输出电路,由单片机的P1.4、P1.5和P1.6端输出的脉冲信号来控制光耦IC2、IC3、IC4的输出,进一步驱动6只功率场效应管,以控制相应的功率管工作。
3.3 功能参数及显示电路设计
控制系统相关参数的显示用了5只LED数码管进行显示,第一位数码管显示功率管的电源电压,该电压档位分高、低两个档位,是由变压器抽头的改变而获得的,再通过桥式整流电路获得两个高低不同的直流电压,整流供给功率管工作。
当选择高电压供给功率管工作时,第一位LED数码管显示为“H”,当选择低电压供给功率管工作时,LED数码管显示为“L”,电压的高低由电压选择开关控制,由操作者根据工作要求来选定。第二位、第三位显示输出脉冲的宽度(大约几十微秒),脉冲有九个级别,可以通过选择开关S2进行选定。
第四位显示脉间的时间长短,脉间也有九个级别,由脉间选择开关S3进行选定。第五位显示功率输出管工作的数量,该电路共有6只功率管,操作者可根据输出功率的大小,由选择开关S4进行选定需要几只功率管进行工作。
以上四个参数的初始值,系统自动设定一组常用值。在需要改变时,操作者可通过相应的选择开关自行设定。参数显示电路,由单片机的P0口输出控制LED数码管的段码信号,即确定相应的数码管显示的内容。P2口输出的是位码信号,即控制由哪一个数码管进行显示。单片机的P0端口与P2端口输出信号组合控制LED数码管的动态显示。
图4 线切割高频电源单片机控制电路原理图
本设计通过在威海荣铭金属设备有限公司进行实验,达到了预期目的。选取了不同周期的波形,对改进的控制电路进行测试。测得数据显示其脉冲宽度可以达到1-120us,脉冲间隔比可以达到,满足机床的本身加工要求。
通过用示波器观察脉宽的调节范围为1us ~120us,脉间脉宽之比为ti: tj=1:1~1:15。这对于电火花加工来说,基本满足了其普通加工要求。从实验测得的数据可知,从周期调试过程中,占空比则控制在717%至2418%。
4 结束语
改进电路所测得的脉冲宽度、脉冲间隔均能在较宽的范围内调节,能满足不同的加工工艺要求。通过观察输出的电流波形,输出的控制信号稳定、波形振动小,前后沿陡峭,并可以实现对脉间脉宽进行数字调节,这对于提高机床的加工效率和加工质量起到了重要的作用。
另外,由于改进的控制电路采用数码显示,大大地提高了电火花线切割机床的智能化水平。本设计特别适合中小型企业,资金投入极少,并且机床加工也能满足工艺要求。
本文编自《电气技术》,标题为“基于STC89C52RC控制的线切割高频电源设计”,作者为李传伟、唐镜。
技术︱1kA脉冲电流发生器测控电路设计
各位读者,“2015第二届轨道交通供电系统技术大会”主讲报告文字精要版将在微信订阅号“城铁供电技术”(微信号:ctgdjs)上陆续发布,请感兴趣的读者扫描下方的二维码,关注该微信号前往阅读。
长治市气象局的研究人员李红梅、籍秀斌等,在 2015 年第 9 期《电气技术》杂志上撰文,针对 1kA 电流的脉冲电流发生器展开研究,对如何控制和采集脉冲电流的问题提出了利用 STC12C5A60S2 的单片机来实现的设计方案。利用单片机控制回路充电,把电能储存在电容器中,电容器在极短时间内快速放电,产生一个很大的瞬时电流,再将产生的信号采集输入给单片机,将采集到的数据及波形显示在液晶屏上,进行雷电仿真。对于预防雷电产生的影响具有较大的现实意义。
雷电灾害有着很大的破坏性,雷电的产生不是目前人类可以阻止或者说可以控制的。雷电放电时电压会很高,有时可以达到500kV以上,而且同时会产生峰值幅度很大的闪电电流,有时甚至会达到100~300kA,或者更高更强。闪电电流一次放电时间极短约为40μs的速度,而且变化很快[1]。同时,雷电也表现出较为强大的冲击波,这也为测试研究带来很大的困难。
脉冲电流是很快的一次性暂态量,而且电流幅值较大,当采集测试时,对测试设备元器件要求较高。因此,脉冲电流测控技术在对于雷电流这样大电流冲击时出现的危害是具有很大的研究意义[1,2]。
1 总体设计方案
1kA脉冲电流发生器是由单片机控制系统、充电回路电路、放电回路、放电采集电路以及液晶显示模块所组成。整个系统通过单片机控制IGBT开关闭合时间以及其断开时间来控制整个电路的充电模块和放电模块,以达到充放电电压、幅值可调的目的。最后再通过采集电路进行采集输入单片机,并显示在液晶屏上。脉冲电流发生器测控系统结构框图如图1所示。
图1 脉冲电流发生器系统总体设计
整个脉冲电流测控系统包括控制模块、采集模块和充放电的主电路模块。系统可分为充电和放电两个过程。
充电过程为:220V的交流电通过整流桥及滤波后产生300V的直流电源,通过按键向单片机发送调节开关闭合时间以及发送充电指令,单片机接受到指令后控制前级充电开关闭合,由IGBT控制的直流电源向储能电容开始充电,直到单片机按指令时间停止对电容充电,自动断开前级开关,停止充电。
随即单片机对后级开关发出指令,闭合开关,使得储能电容开始放电,在后级放电电路中,采用的是RLC回路,在通过负载很小的电阻时,产生一个瞬态的冲击电流,通过参数调整可产生一个8/20μs脉冲波形。
经采集电路采集信号后,由单片机A/D转换输出给液晶显示电路并显示在液晶屏幕上其检测到的波形、幅值、上升沿时间和半波时间等参数。
2 硬件设计
2.1 直流电源设计
主回路中分为两个主要部分:充电电路以及放电回路。充电电路中为了给储能电容充电,需要直流电源为其充电。如图2所示,采用单相桥式整流电路整流后为储能电容充电,其构成的原则就是可以保证在充电回路中负载上的电压和电流方向保持一致。
在相同情况下,对二级管的要求是一样的,但单相桥式整流法要比半波整流电路输出电压高、效率高、脉动波动小等,所以选择了单相桥式整流电路。R12的作用是为了起到一个限流作用,防止过大电流对前级IGBT造成毁坏。
图2 主电路原理图
主电路,Q11与Q12均为IGBT开关,C12为储能电容,R15为试样电阻,L11为放电电路中的谐振电感。电路上电之前,处于初始状态,储能电容C12两端电压为0,开关Q11与Q12处于断开状态,当S1闭合后这时的电路将由单片机控制完成。
当电路上电后,利用按键设置好充电时间,然后按下充电按钮,单片机接受到设置的参数信号后,会发出一个高电平信号,控制充电回路中的IGBT开关闭合,使得充电回路导通,从而让整流后的直流电源对储能电容C12开始充电。当充电时间达到预设值后,单片机会发出一个低电平使得开关Q11断开,此时整个充电过程结束。
当Q11断开后,单片机会间隔50μs对开关Q12发出一个高电平,使其闭合,从而开始后级回路中的放电过程。同理,当放电结束后,也就是C12两端电压为0时,单片机会在指定足够长的时间后变成低电平,使其后级驱动开关IGBT断开,这是整个过程就结束了。
2.2 单片机电路
如图3所示,P10口作为A/D采集所用,P11和P12作为给控制开关输出高低电平,当输出高电平时开关闭合,当输出低电平时开关断开。S1是设置充电时间按键,S2是确认按键。J12是单片机的下载端口。
图3 单片机电路
在这里特别说明一点,单片机使用的是30M的晶振,这样对于STC12C5A60S2单片机来讲,可以大大提高其采样率,理论计算采样率为350kHz,采样周期则为2.8μs,为之后采集波形带来了一定程度上的方便,但对于8/20μs波形来讲依旧还是太大,无法精确采集,仍会产生较大的误差,在程序中采用插值法来减少这样所带来的误差。
2.4 采样电路
如图4所示的采样电路,由于放电回路中瞬时电流太大,不易采集测量,这是利用线圈感应的方式把大电流感应成小电流,再测量负载两端的电压大小即可。由于本次设计要求最大电流为1000A,所以经过计算利用铜线自制一个空心线圈。由于计算的比例是1:2000,购买一个电流互感器更为方便。
图4 采样电路
采样电路中负载选用的是10的电阻,所以当最大电流1kA经过时,R13上的电压只有5V,此时才可以输入单片机选用的A/D中,经过单片机的采样与计算再输出显示。
3 软件设计
通过单片机控制充放电时间来控制充电电压大小,以达到后级电流可调的目的,再利用采集电路对放电回路中的负载进行电参数采集,然后送给单片机进行运算,最后在液晶显示屏上显示所需要的数据。软件设计的主函数流程图如图5所示。
图5 主函数流程图
4 演示结果与分析
实物图如图6所示。右下方模块是单片机电路,包括单片机最小系统及液晶显示模块;而右上方为采样电路部分,左侧是一自制电源,通过变压器将220V电压转成15V和5V电压供给电路。
图6 实物展示
图7 控制电压
单片机控制充放电开关是通过输出一个高低电平来控制通断的,如图7所示,左侧的图显示为充电状态,右侧的图显示为放电状态。单片机输出5V的高电平则表示开关闭合,输出0V的低电平则表示为开关断开。
波形及参数测试如图8所示,液晶显示屏在前端丢失了部分波形,没有采集显示出来;而采集到的电参数,像幅值、半波时间以及上升沿时间是与实际上存在一定的误差。
在这里对这样的结果进行简单分析:波形部分,认为产生丢失波形的原因有两个,其一是使得单片机判断出现波形时的算法还有待改进;其二是雷电波形发生的时候有一定的干扰;电参数部分,幅值、上升沿时间以及半波时间的确定存在一定的误差,这来源于51单片机的缺陷,采样率依旧比较低,采样周期只有2.8μs,对于产生的8/20μs波形来说依旧略大,无法更精细的判断,导致产生一定误差。
图8 波形及参数测试
5 结论
雷电释放瞬间会产生较大的脉冲电流,放电一次时间很短,约在40μs左右,本文主要针对1kA电流的脉冲电流发生器展开研究,对如何控制和采集脉冲电流的问题提出了利用STC12C5A60S2的单片机来实现的设计方案。因此对于脉冲电流测控技术的研究对于预防雷电产生的影响具有较大的现实意义。
电气技术(微信号:dianqijishu)
关注电气工程技术、聚焦学科前沿发展
相关问答
光电 脉冲发生器 原理?原理:中央控制部分同时生成S1-Sn个正、负脉冲,各脉冲的宽度、间隔时间、幅度可调,由脉冲形成部分对S1-Sn进行波形组合并高压输出。用组合波形中的负脉冲去补...
ne555 脉冲发生器 原理?您好,NE555脉冲发生器是一种常用的集成电路,其原理是基于一组电容和电阻构成的RC电路和一组比较器和放大器组成的电路,能够产生高稳定性和可调频率的脉冲信号...
怎样在STEP7中编写一个 脉冲发生器 程序?硬件组态中CPU属性"Cycle/ClockMemory"中"ClockMemory"设定的MemoryByte,可以看下帮助,每一位都有固定频率.M0....
步进电机 脉冲发生器 作用?主要是产生控制步进电机运动的脉冲。主要是产生控制步进电机运动的脉冲。
脉冲发生器 的调节方法?脉冲控制仪怎么调节1、首要翻开脉冲操控仪通明盖板。2、然后看到里面有两个旋转钮,写着脉冲宽度、脉冲距离。3、脉冲宽度是调理单个脉冲阀敞开时...脉冲控...
位置 脉冲发生器 是什么?位置脉冲发生器是用来发生信号的系统,产生所需参数的电测试信号仪器。按其信号波形分为四大类。①正弦信号发生器。主要用于测量电路和系统的频率特性、非线...
怎么自制一个电磁 脉冲发生器 ?多谢题主邀请,要自制一个电磁脉冲发生器并不是很难,当然这个必须是小功率的,还要懂得无线技术以及安全操作才行。第一、只要改装你家用的电磁炉就行了,第二...
rcmf-1 脉冲发生器 怎么设置定长?根据我所了解的信息,RCMF-1脉冲发生器通常不具备直接设置定长脉冲的功能。它主要用于产生可调节频率和占空比的脉冲信号,而非固定时长的脉冲。如果您需要生成...
信号 发生器 单 脉冲 怎么设置?调节方法如下1、首要翻开脉冲操控仪通明盖板。2、然后看到里面有两个旋转钮,写着脉冲宽度、脉冲距离。3、脉冲宽度是调理单个脉冲阀敞开时刻,顺...调节方...
点火信号 发生器 _电子点火系统 - 汽车维修技术网[回答]点火信号发生器在电子点火系统中点火信号发生器取代了传统点火系统断电器中的凸轮,用来判定活塞在气缸中所处的位置,并将非电量的活塞位置信号转变...
