单片机中的触发器和寄存器是怎样工作的
单片机内部有大量寄存器,寄存器是一种能够存储数据的电路,由触发器构成。
(1)触发器
触发器是一种具有记忆存储功能的电路,由门电路组成。常见的触发器包括:RS 触发器、D 触发器和 JK触发器等,其中D触发器最为常用。D触发器的逻辑符号如下图
从图中可以看出,D触发器的端子包括:输入端D、输出端Q、反相输出端、时钟脉冲输入端CLK、置“0”端R和置“1”端S。
数据存储过程:当D触发器的D端输入数据“1”时,数据并不能马上被存入触发器,只有CLK端时钟脉冲信号上升沿(即低电平转为高电平时)到来时,“1”才能被存入触发器,存入后Q端输出“1”,端输出“0”。也就是说,只有时钟脉冲上升沿到来时,D触发器才能将输入端的数据存储起来,并从Q端输出。
D触发器的置“0”和置“1”:当置“0”端R为低电平时,触发器被置“0”,即Q端为“0”;当置“1”端S为低电平时,触发器被置“1”,即Q端为“1”。
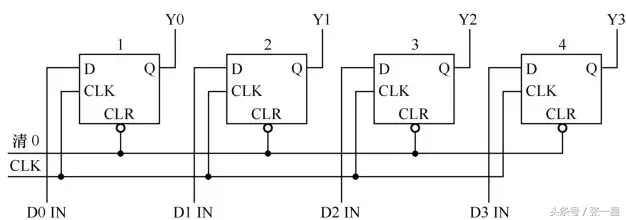
(2)寄存器
寄存器是单片机内部的基本存储单元,由触发器构成,一个触发器就是1位寄存器。
图示是一种由D触发器构成的4位寄存器。
在工作时,寄存器先让清0线为低电平,该低电平送到各触发器的CLR端(实际为D触发器的R端),将各触发器清0,Y3Y2Y1Y0=0000;然后将数据送到各触发器输入端,当CLK端的时钟脉冲上升沿到来时,输入端的数据就被存入到各触发器中,并从输出端输出。
单片机寄存器是什么?单片机寄存器有哪些分类?
单片机中有很多种特殊功能,今天宇凡微来为大家介绍”单片机的寄存器是什么?“以下内容将详细分析单片机寄存器 的各个参数。
单片机寄存器是什么?
一、单片机寄存器是什么?
寄存器是一种特殊的存储器,主要用于存储和检查微机的状态。CPU寄存器用于存储和检查CPU的状态,具体包括计算中途数据、程序因中断或子程序分支时的返回地址、计算结果为零时的负值、计算结果为零时的信息、进位值等。
由于CPU的通用寄存器在硬件上直接与CPU相连,因此它们的访问速度比RAM更快,后者通过内部总线访问数据。
单片机的外围功能控制寄存器用于设置外围功能,例如称为通用I/O GPIO的I/O端口、定时器、串行通信、AD转换器和DA转换器。有显示外围功能状态的状态寄存器,存储AD转换器转换结果的结果寄存器,以及存储通信功能中发送/接收数据的发送/接收数据寄存器。
我们可以直接从程序中设置寄存器,但是通常使用厂商们提供的固件库(设备驱动),所以寄存器不是直接设置,而是间接设置的。
二、单片机寄存器的分类
1、SCON控制寄存器
SM2——多机通信控制位:是工作于方式2和方式3,SM2位主要用于方式2和方式3。接收状态,当串行口工作于方式2或3,以及SM2=1时,只有当接收到第9位数据(RB8)为1时,才把接收到的前8位数据送入SBUF,且置位RI发出中断申请,否则会将接收到的数据放弃。当SM2=0时,就不管第9位数据是0还是1,都会将数据送入SBUF,并发出中断申请。工作于方式0时,SM2必须为0;
REN允许接收位:用于控制数据接收的允许和禁止,REN=1时,允许接收,REN=0时,禁止接收;
RB8接收数据位8:在方式2和方式3中,RB8存放接收到的第9位数据,用以识别接收到的数据特征;
TB8发送数据位8:在方式2和方式3中,TB8是要发送的——即第9位数据位。在多机通信中同样亦要传输这一位,并且它代表传输的地址还是数据,TB8=0为数据,TB8=1时为地址;
RI接收中断标志位:可寻址标志位。接收完第8位数据后,该位由硬件置位,在其他工作方式下,该位由硬件置位,RI=1表示帧接收完成;
在串口中断处理时,TI,RI都需要软件清"0",硬件置位后不可能自动清0,此外,在进行缓冲区操作时,需要ES=0,以防止中断出现。
2、AUXR辅助寄存器
AUXR.0:S1BRS,如果为1那么串口1的波特率发生器为独立波特率发生器,否则为定时器1
AUXR.1:EXTRAM,为1则可以使用内部扩展RAM;
AUXR.2:BRTx12,为1则独立波特率发生器不分频,否则12分频;
AUXR.3:S2SMOD,为1串口2波特率加倍,否则不加倍;
AUXR.4:BRTR,为1则允许独立波特率允许,否则不允许;
AUXR.5:UART_M0x6,为1则串口模式0为2分频,否则为12分频;
AUXR.6:T1x12,为1则定时器1不分频,否则12分频;
AUXR.7:T0x12,为1则定时器0不分频,否则12分频。
3、串口寄存器SBUF
SBUF是指串行口中的两个缓冲寄存器,一个是发送寄存器,一个是接收寄存器,在物理结构上是完全独立的,但地址是重叠的。它们都是字节寻址的寄存器,字节地址均为99H;
串行发送数据时,CPU向SBUF写入数据 SBUF=date; //发送数据;
串行接收数据时,CPU从SBUF读出数据 date=SBUF; //接收数据。
推荐阅读:“揭秘”单片机主要寄存器有哪些?
以上就是深圳宇凡微为大家介绍关于单片机寄存器 是什么和单片机寄存器有哪些分类的全部内容。
原文:单片机寄存器是什么?单片机寄存器有哪些分类?-深圳宇凡微
相关问答
单片机 里面的 寄存器 与存储器不同吗?单片机里面的寄存器与存储器没有什么不同。唯一区别寄存器有名称,并且某些位也有名称,而通用存储器只有地址,没有名称。寄存器是CPU内部的元件,包括通用寄存...
简述程序状态 寄存器 PSW各位的含义, 单片机 如何确定和改变当前工作 寄存器 组?位、借位标志。当D3向D4有借位或...进位、借位CY=1;否则CY=0.AC(PSW.6):即PSW的D6位,辅助进位、借位标志。当D3向D4有借位或进位时,AC=1;否则AC=0.F0(PS...
单片机寄存器 芯片的作用?可以用它来访问外部数据存储器中的任一单元,如果不用,也可以作为通用寄存器来用,由我们自已决定如何使用。分成DPL(低8位)和DPH(高8位)两个寄存器。用来存放16...
8051 单片机 中有多少组工作 寄存器 ?51单片机有4组工作寄存器,每组各8个,寄存器名称都是R0~R7。这4组工作寄存器位于单片机数据存储的底部,0组地址是00~07,1组地址是08~0F,2组地址是10~17,4组...
关于 单片机 工作 寄存器 位,地址,字节的理解?不知道你问的是什么问题!可能你根本就没理解寄存器地址的基本概念!51单片机因为是8位机,其每一个寄存器的位数也是8位的,也就是一个字节的长度。32位机的寄...
【 单片机 是如何确定和改变当前工作 寄存器 的】作业帮[最佳回答]51的是根据RS0和RS1来改变的.默认RS0,RS1均为0,使用第0组寄存器.通过软件可以改变RS0,RS1的值,来切换寄存器组.直接读其值,也就知道当前用的是哪个...
51 单片机 ie 寄存器 每一位含义?51单片机的IE寄存器各位的含义如下:Bit7:EA。当EA=0时,所有中断禁止(即不产生中断);当EA=1时,各中断的产生由个别的允许位决定。Bit6:ET2。定时2溢出...
八位机和三十二位 单片机 有什么区别[回答]你说的LED灯闪烁,不知是指的流水灯还是一只发光二极管在不停地闪烁?但不管是哪一种,有一点很重要。你在编写此程序时必须要考虑延时,因为51单片机的...
51 单片机 中pc 寄存器 作用?51单片机中PC寄存器是用来存储指向下一条指令的地址,也即将将要执行的指令代码。由执行引擎读取下一条指令。它是一块很小的内存空间,几乎可以忽略不计。也...
51 单片机 t0t1由哪些 寄存器 组成?51单片机定时器T0和T1的结构类似,都是由高低位两个寄存器组成,即TH0/TL0组成T0,TH1/TL1组成T1。T0和T1本身的工作机理很简单,都是高低位寄存器联合组成一个1...
