详解单片机的按键检测与控制
按键在单片机控制系统中起到人机交互的作用,通过按键可以输入数据、命令和各种参数,按键侧键测处理是单片机系统设计和开发中一个重要的内容,关系到整个系统的交互性能和稳定性。按键处理形式在单片机系统中有两种形式:直接按键和矩阵编码键盘,下面分别对这两种按键检测电路的特点及编程思路和方法进行分析和介绍。
按键抖动问题产生的原因及解决方法
按键的抖动问题是指按键的触点在闭合和断开瞬间由于接触情况不稳定,从而导致电压信号的抖动现象(由按键的机械特性造成,不可避免)。图8-1所示为一次按键的抖动过程,在按键的前沿和后沿都会有5~10ms的抖动。
图8-1 按键抖动示意图
对于时钟是微秒级的单片机而言,键盘的抖动有可能造成单片机对一次按键的多次处理。为了提高系统的稳定性,我们必须采用有效的方式消除抖动。
去除抖动可以采用硬件方式和软件方式。硬件方式一般是在按键与单片机的输入通道上安装硬件去抖电路(如RS触发器)。软件方式的实现方法是:当查询到电路中有按键按下时,先不进行处理,而是先执行10~20ms的延时程序,延时程序结束后,再次查询按键状态,若此时按键仍为按下状态,则视为按键被按下。
按键检测电路及应用
1. 独立式按键
独立式键盘相互独立,每个按键占用一根I/O口线,每根I/O口线上的按键工作状态不会影响其他按键的工作状态,CPU可直接读取该I/O线的高/低电平状态。这种按键硬件、软件结构简单,判键速度快,使用方便,但占用I/O口线较多,适用于按键数量较少的系统中。
独立连接式键盘连接如图8-2所示。当没有键被按下时,所有的数据输入线均为高电平;当任意一个按键被按下时,与之相连的数据输入线将变为低电平;通过相应指令,可以判断是否有键被按下。
图8-2 独立式键盘接口设计
【例8-1】 利用单片机的P1.0~P1.34个I/O口检测4个按键的触发信息,以实现不同功能的控制。
硬件电路参见图8-2所示,C51参考程序如下:
2. 矩阵式按键
在单片机系统中,当按键数量较多时,为了减少IO口的使用,通常将按键排列成矩阵型式。例如下例中的16个按键,被排列成了如图8-3所示的4X4矩阵方式。该矩阵式键盘由4根行线和4根列线组成,每个行线和列线的交叉点是一个按键。
【例8-2】 将矩阵式键盘的按键值通过数码管显示出来。
电路连接如图8-3所示(电源和震荡电路未标出)。
图8-3 矩阵式键盘按键显示电路图
如何判断被按下的键值呢?
分析如下:
根据下面的电路图,如果已知P1.0端口被置为低电平“0”,那么当按键K0被按下时,可以肯定P1.4端口的电平也变为了低电平“0”。基于这个原理,总结矩阵键盘识别按键的步骤如下:
a)首先判断是否有按键被按下
本例中矩阵键盘中P1端口低4位连接的是列线,高4位连接的是行线。将全部行线置为低电平“0”,全部列线置为高电平“1”。然后检测列线的状态。只要有一根列线的电平为低,则表示有按键被按下。否则没有按键按下。
b)按键消抖
当判断到有按键被按下后,还要进行消抖处理,以确认真正有按键被按下。
c)按键识别
当确认有键被按下后,采用逐行扫描的方法来确定是哪一个按键被按下。先扫描第一行,即将第一行输出低电平“0”,然后读取列值,那一列出现低电平“0”,则说明该列与第一行交叉处的按键被按下。如果读入的列值全部为"1",说明与第一行连接的按键均没有被按下。那么接下来开始扫描第二行,以此类推。直到完成全部行线的扫描。
C51程序如下:
矩阵式键盘与I/O接口应用
【例8-3】 四位数字密码锁
四位数字密码锁功能:通过键盘输入密码,当输入密码与内置密码相同时,继电器动作,表示密码锁解开。为了简化功能,该密码锁只使用12个键(即4x3键盘),其中S1~S9为1~9数字键,S10为0数字键,S11为“*”键作为确认键使用,而S12为“#”键作为复位键,键盘接口电路如图8-4所示,键值布局如表8-1所示。
图8-4 行列式键盘电路连接图
表8-1 键盘布局表
单片机上电时,数码管显示“0000”,此时输入数字,数码管将显示按键值,数字逐个向左递增,四次输入完毕,四个数码管显示输入的数,此时按“*”号按键将启动比较,若输入数字与内设密码相同,继电器动作。如不同,则系统复位等待重新输入密码。当按“#”号键,系统复位,数码管显示“0000”。
在上面键扫描程序基础上增加的源程序如下:
实例讲解,单片机常用键盘连接控制子程序
在单片机控制中,键盘与单片机的连接一般采用独立按键连接和矩阵按键连接。
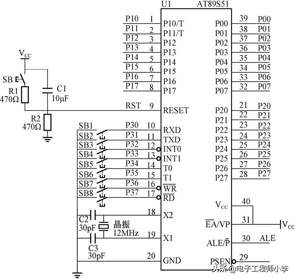
独立按键连接
独立按键是每一个按键的电路是独立的,占用一条数据线。当其中任意一按键按下时,它所对应的数据线的电平变成低电平,若无键按下,则所有的数据线的电平都是高电平。独立按键连接一般用于系统中按键较少的情况。独立按键单片机连接控制接线原理图如图1所示。
图1 独立按键单片机连接控制接线原理图
1.问题的提出
在图1中,当任何一个按键按下时,单片机转入执行相应的程序。
2.控制程序
矩阵式键盘连接
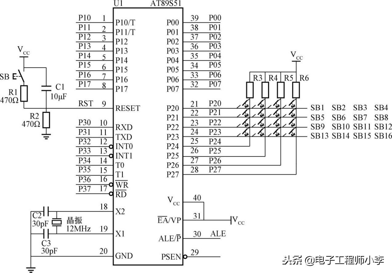
矩阵式键盘又称行列式键盘,当按键数较多时,采用矩阵式键盘。矩阵式键盘的按键设置在行与列的交点上。4×4矩阵式键盘与单片机的连接(见图2)。
图2 4×4矩阵键盘连接单片机控制接线原理图
利用图2所示4×4矩阵键盘连接单片机接线原理图来作为控制按键控制程序时,其程序如下:
相关问答
关于C51 单片机 按键 编程 的問題-ZOL问答ucharkey_scan();//按键扫描子程序voiddelay10ms();//延时程序ucharkey_free();//等待按键释放程序voidkey_deal();s...
单片机 怎么设置一个 按键 开关?要设置一个按键开关,首先需要选择一个合适的单片机引脚作为输入引脚。然后,将按键连接到该引脚和地线之间。接下来,在单片机的程序中,需要配置该引脚为输入...
8脚 单片机 烧写程序步骤?第一步、先安装AT89C51单片机的开发工具软件,如KeilUV2第二步、在Keil中创建51单片机的工程,并编写相应的控制代码,之后生成HEX文件第三步、打开51单片机专用...
单片机 的 按键 开启和复位电路图-ZOL问答单片机的复位有上电复位和按钮手动复位两种。如图(a)所示为上电复位电路,图(b)所示为上电按键复位电路。上电复位是利用电容充电来实现的,即上电瞬间RST端的电...
单片机按键 功能实现原理?单片机按键功能的实现原理是通过将按键连接到单片机的某个引脚,在程序中进行相应的输入输出操作。当按键按下时,引脚会被拉低,单片机便会对该引脚的电平状态进...
51 单片机按键 线怎么连?一般单片机的外接按键有三种接法:1、每个I/O端口接一个按键:按键接另一端通常是接地,I/O口通常还应该接一个上拉电阻,有些单片机的I/O口可以配置成内部上拉...
单片机 的 按键 开关抖动的产生原因,抖动的特点和如何消除抖动 ...判定打开,软件解决可以降低成本,但是有时候硬件劣化超出延时的范围会造成故障。硬件解决:专用的去抖芯片或者自己组装一个双稳态消抖电路,...开关...
怎么写 单片机 自锁程序呀!比如说两个 按键 控制一个输出,按下第一个 按键 ,有输出,且自锁。当按下第二个?只要不改变输出,就是LZ所谓的“自锁”了。与多少个按钮无关、与按哪个按钮更无关。如果要实现LZ的功能,只需要学会按键扫描及处理、单片机IO输出。按下第一...
51 单片机 中如何通过一个 按键 实现暂停与恢复?需要一个 编程 的思想?有以下几种情况:1.循环查询按键。当按键按第一次时间,进入第一层循环查询语句内部,执行恢复。不跳出该层循环,继续查询按键。当第二次按下时间,进入第二层...
单片机按键 计数器的中断函数、显示函数怎么写?单片机按键计数器用外部中断每进一次中断,就加一个数,但是要防止重复进入中断,防止重复进入中断你可以把中断源设置成上升沿或者是下降沿。不要设置成高电平和...
