使用国产8051内核FMC1001单片机驱动无刷电机
一、特点
1、概述:
FMC1001C 是一款8位的带32K 字节 FLASH 的控制器,它片上包含了256字节的内部 RAM(可 以直接访问)和4 K 字节的外部 RAM(需要用 MOVX 访问)。FMC1001C 低功耗,高性能,稳 定,低成本,使用 CMOS 工艺,和51系列控制器完全兼容。
2、内核:
24MHz 高性能 1T 8051内核,全兼容8051指令集,内置16位硬件乘除法;
31个中断源和中断向量,2级中断优先级;中断源来自于每一个 IO 和各个模块的中断。
3、存储器:
256字节的内部 RAM ; 4 K 字节的外部 RAM(SRAM) ;
32K FLASH 程序空间,支持在线读取、擦除和编程;
4、外设:
------1个看门狗计数器 WDT;1个唤醒计数器 WUT;2个16位通用定时器;
------40个 IO 双向口,工作模式有推挽输出、上拉、输入,每个 I/O 口都支持外部中断;
------2个全双工串口 UART;支持 UART8位/9位模式、2线 SPI 主模式;
------2个全双工 SPI 接口,支持 SPI、I2C 主模式;
------1个 USB,4个端点,支持 lowspeed、fullspeed,支持在线升级,自擦写;
------2个 TPC 可实现计时(Timer)、脉宽调制(PWM)和捕捉(Capture)功能。
------(HRP 模块)6路16位的高精度 PWM,每路可以有各自的占空宽度;
------(PWM 模块)6路独立带死区的14位 PWM,有2个专用 Ptimer 提供时间计数,并和
PSYNC 模块一起实现两颗或多颗 MCU 的 PWM 同步;
------1个12位 ADC,15路外部输入检测,1路内部检测,4路外部输入参考及4路内部参考;
------4 个比较器;
------低电压检测器 LVD,支持16级电压检测;
5、可以在线仿真哦!!!!
所以,该单片机用在无刷霍尔电机、飞控是一个非常不错的选择。
二、编程方面和8051一样,IDE也是使用熟悉的KEIL软件了。
1、比如寄存器:
2、比如编程代码:
只是功能更强、时钟更高了。
详细无刷电机驱动程序 五款无刷电机驱动电路
五款无刷电机驱动电路
1、三相六臂全桥驱动电路
无刷直流电机驱动控制电路如图1 所示。该电路采用三相六臂全桥驱动方式,采用此方式可以减少电流波动和转矩脉动,使得电机输出较大的转矩。在电机驱动部分使用6个功率场效应管控制输出电压,四轴飞行器中的直流无刷电机驱动电路电源电压为12 V.驱动电路中,Q1~Q3采用IR公司的IRFR5305(P沟道),Q4~Q6为IRFR1205(N 沟道)。该场效应管内藏续流二极管,为场效应管关断时提供电流通路,以避免管子的反向击穿,其典型特性参数见表1.T1~T3 采用PDTC143ET 为场效应管提供驱动信号。
由图1 可知,A1~A3 提供三相全桥上桥臂栅极驱动信号,并与ATMEGA16单片机的硬件PWM驱动信号相接,通过改变PWM信号的占空比来实现电机转速控制;B1~B3提供下桥臂栅极驱动信号,由单片机的I/O口直接提供,具有导通与截止两种状态。
无刷直流电机驱动控制采用三相六状态控制策略,功率管具有六种触发状态,每次只有两个管子导通,每60°电角度换向一次,若某一时刻AB 相导通时,C 相截至,无电流输出。单片机根据检测到的电机转子位置,利用MOSFET的开关特性,实现电机的通电控制,例如,当Q1、Q5 打开时,AB 相导通,此时电流流向为电源正极→Q1→绕组A→绕组B→Q5→电源负极。类似的,当MOSFET 打开顺序分别为Q1Q5,Q1Q6,Q2Q6,Q2Q4,Q3Q4,Q3Q5时,只要在合适的时机进行准确换向,就可实现无刷直流电机的连续运转。
2、三相全桥驱动电路
下图为无刷电机的三相全桥驱动电路,使用六个N沟道的MOSFET管(Q1~Q6)做功率输出元件,工作时输出电流可达数十安。为便于描述,该电路有以下默认约定:Q1/Q2/Q3称做驱动桥的“上臂”,Q4/Q5/Q6称做“下臂”。
图中R1/R2/R3为Q1/Q2/Q3的上拉电阻,连接到二极管和电容组成的倍压整流电路(原理请自行分析),为上臂驱动管提供两倍于电源电压(2×11V)的上拉电平,使上臂MOSFET在工作时有足够高的VGS压差,降低MOSFET大电流输出时的导通内阻,详细数据可参考MOS管DataSheet。
上臂MOS管的G极分别由Q7/Q8/Q9驱动,在工作时只起到导通换相的作用。下臂MOS由MCU的PWM输出口直接驱动,注意所选用的MCU管脚要有推挽输出特性。
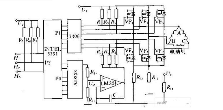
3、单片机控制直流无刷电动机驱动及接口电路图
图1示出采用8751单片机来控制直流无刷电动机的原理框图。8751的P1口同7406反相器联结控制直流无刷电动机的换相,P2口用于测量来自于位置传感器的信号H1、H2、H3,P0口外接一个数模转换器。
图1 直流无刷电动机计算机控制原理图
4、电动车无刷电机控制器驱动电路图
5、全桥驱动电路
无刷直流电机一般使用全桥驱动,即6个MOSFET分别构成上臂和下臂,通过MCU具有推挽输出的IO口控制,或者使用电机驱动专用芯片控制。
最常用的应该是3个P-MOS+3个N-MOS,电路结构简单。如下图所示。
这里使用的是MK电调V2.0版本中使用的MOSFET,P-MOS—IRFR5305、N-MOS—IRFR1205N-MOS的Vgs(th)=2V~4V,直接用工作在VCC=5V的MCU即可驱动控制,但注意IO口必须具有推挽输出功能,否则IO口的驱动能力不够。图中R7/R8/R9可视为下拉电阻,使N-MOS的栅极电平有一个参考地,电平稳定不会意外导通MOSFET。R10/R11/R12电阻的作用有三个,一是减少振荡,二是减小栅极充电的峰值电流,三是防止N-MOS的漏-源极击穿。
由于MCU的IO引脚都存在杂散电感,与栅极电容串联形成LC振荡,加入电阻后会增大振荡阻尼而减小振荡;当对栅极加驱动电压时,会对栅源电容Ciss充电,此时Vgs上升但未到达阈值电压Vgs(th)时Vds基本不变,这段时间称为导通延迟时间td(on)。当Vgs》Vgs(th)时,Vds下降同时id上升,这期间栅极和漏极之间的传输反向电容Crss开始向漏极放电,而此时栅极电流会流向该电容对其充电,但基本没有对Ciss充电,所以Vgs基本保持不变,这段时间称为上升时间tr,tr之后才会继续对Ciss充电。电容充电的尖峰电流可以计算如下:I=Qg/(td+tr),其中Qg=Qgs+Qgd,即td+tr时间内的充电电量,计算结果电流是远大于MCu的IO口输出驱动电流,因此通过串联电阻,增加充电时间,即t=RC。但这会导致Vgs的上升沿和Vds的下降沿斜率减小,影响MOSFET的开关性能,所以电阻的选取要准确。(此处理论知识分析可能不正确,我也在学习MOSFET的驱动应用原理,若有误或需要补充会再做修改)
防止漏源击穿的原因也是和电容的时间常数有关,当栅极驱动电压快速关断,漏源极从导通状态变为截止状态,Vds迅速增加,当dVds/dt过大就会击穿器件,串联电阻可以减缓Ciss的放电时间,使Vgs缓慢变化,因此Vds不会迅速增加。
P-MOS的Vgs(th)《0,源极一般加11V电压,MCU的IO口无法正常控制P-MOS的开关,我们需要用三级管驱动栅极,三极管由IO口驱动控制。电阻R1/R2/R3上拉栅极电压,使P-MOS能关断。这个电阻不能太小,否则会造成三极管导通时承受过大的电流。同时电阻也不能太大,否则会增加三极管BC极间电容的充电时间,延长三极管的导通时间,进而影响P-MOS栅极电压Vgs的上升时间。
三极管的选择不能选用我们常用的8050或9013小信号的三极管,它们的耐压和导通电流太低,所以这里我选择了SS8050(MK中使用的三极管找不到)。R4/R5/R6阻值的选择无特别要求,只要使三极管工作在饱和区即可。
文章素材来自互联网
相关问答
有人知道么:stm32 单片机 连接电调控制 无刷电机 问题?[回答]普通的单片机编译器的时候,会自动加到一个头文件51.h类似于的东西,这个时候就是初始化寄存器了。冷启动的时候一般都没问题,但是如果是电源张开类似...
硬盘的 无刷电机 的 驱动 方法?硬盘里的电机是三相交流电机,有三根线的,有4根线的。线圈连接方式为星形。3根线的是将中性线封闭在电机里面不用的。4根线的就用到这个中性线。而且这种电机是...
在座的盆友 给推荐推荐! 单片机 如何控制直流 无刷电机 ?[回答]必要用个2个三极管就可以掌控了啊。用H型的电路就可以掌控它的正翻转,至于速度就看你给的电压了,你网际网路搜下H型电路,一大把的。。。。。。。。...
无刷 控制器出现故障的分析原因是什么及解决方案是什么?答:直流电机具有良好的调速性能,如无级调速、调速范围宽、低速性能好、高起动转矩、高效率等。无刷直流电机由于采用电子换向,PWM调速,在进一步提高直流电机性...
老板们谁知道:直流 无刷电机 问题?[回答]根据你的叙述,是要电机+齿轮箱的终端输入转矩超过拒绝的值,并且电机稳定运营,终端输入扭矩拒绝较小。首先,指定电机后,电机的转矩是等价的,假...
如何用51 单片机 控制 电机 和水泵?谢谢邀请,作为一名单片机开发工程师,和大家讲一讲电机控制的几个技术要点。电机是自动化等领域必须要用到的电子器件,而电机控制也就应用很广泛,专业技术要求...
什么是永磁 无刷 直流 电机 ?永磁 无刷 交流 电机 操作复杂吗?[回答]永磁无刷直流电机与永磁直流电机原理是一样的,只是用电子换向(控制器)代替了机械换向(换向器)而已。控制器主要是由单片机、mosfet和(或)电机里面的...
无刷 直流 电机 控制意义?直流无刷电机控制器包括电源变换电路、微控制器(单片机或DSP或其他处理器)和信号输入输出电路,控制器内存贮有控制器的工作程序,它能准确地控制、通过检测直...
无刷 直流 电机 的基本工作原理是什么?直流无刷电动机是什么原理?答;直流无刷电动机是采用晶体管换向技术,来代替了传统的整流子换向器一种新型直流电动机。它的结构图如下图所示。它的工作原...直...
3相全桥 无刷 直流 电机驱动 板怎么设计?1.区别有刷无刷非常不一样。有刷的简单很多,给一个直流电压就可以转了。无刷的话需要功率电力电子设备来开通、关断电压,并且需要根据转子的位置判断开关的节...
