干货|一文读懂单片机里面的“中断”优先级
中断优先级的内容,有一般紧急的中断,有特别紧急的中断,这取决于具体的系统设计,这就涉及到中断优先级和中断嵌套的概念,今天先简单介绍一下相关寄存器,不做例程说明。
中断的产生背景,实际生活当中还有更复杂的,比如我正在看电视,这个时候来电话了,我要进入接电话的“中断”程序当中去,就在接电话的同时,听到了水开的声音,水开的“中断”也发生了,我们就必须要放下手上的电话,先把煤气关掉,然后再回来听电话,最后听完了电话再看电视,这里就产生了一个优先级的问题。
还有一种情况,我们在看电视的时候,这个时候听到水开的声音,水开的“中断”发生了,我们要进入关煤气的“中断”程序当中,而在关煤气的同时,电话声音响了,而这个时候,我们的处理方式是先把煤气关闭,再去接听电话,最后再看电视。
从这两个过程中,我们可以得到一个结论,就是最最紧急的事情,一旦发生后,我们不管当时处在哪个“程序”当中,我们必须先去处理最最紧急的事情,处理完毕后再去解决其它事情。
在我们的单片机程序当中有时候也是这样的,有一般紧急的中断,有特别紧急的中断,这取决于具体的系统设计,这就涉及到中断优先级和中断嵌套的概念,今天先简单介绍一下相关寄存器,不做例程说明。
中断优先级有两种,一种是抢占优先级,一种是固有优先级,先介绍抢占优先级。来看表1和表2。
表1: IP——中断优先级寄存器的位分配(地址0xB8、可位寻址)
表2: IP——中断优先级寄存器的位描述
IP 这个寄存器的每一位,表示对应中断的抢占优先级,每一位的复位值都是 0,当我们把某一位设置为 1 的时候,这一位的优先级就比其它位的优先级高了。
比如我们设置了 PT0位为 1 后,当单片机在主循环或者任何其它中断程序中执行时,一旦定时器 T0 发生中断,作为更高的优先级,程序马上就会跑到 T0 的中断程序中来执行。
反过来,当单片机正在 T0中断程序中执行时,如果有其它中断发生了,还是会继续执行 T0 中断程序,直到把 T0 中的中断程序执行完毕以后,才会去执行其它中断程序。
当进入低优先级中断中执行时,如又发生了高优先级的中断,则立刻进入高优先级中断执行,处理完高优先级级中断后,再返回处理低优先级中断,这个过程就叫做中断嵌套,也称为抢占。
所以抢占优先级的概念就是,优先级高的中断可以打断优先级低的中断的执行,从而形成嵌套。当然反过来,优先级低的中断是不能打断优先级高的中断的。
表3: 中断查询序列
那么既然有抢占优先级,自然就也有非抢占优先级了,也称为固有优先级。在表3中的最后一列给出的就是固有优先级,请注意,在中断优先级的编号中,一般都是数字越小优先级越高。
从表3中可以看到一共有 1~6 共 6 级的优先级,这里的优先级与抢占优先级的一个不同点就是,它不具有抢占的特性,也就是说即使在低优先级中断执行过程中又发生了高优先级的中断,那么这个高优先级的中断也只能等到低优先级中断执行完后才能得到响应。既然不能抢占,那么这个优先级有什么用呢?
答案是多个中断同时存在时的仲裁。比如说有多个中断同时发生了,当然实际上发生这种情况的概率很低,但另外一种情况就常见的多了,那就是出于某种原因我们暂时关闭了总中断,即 EA=0,执行完一段代码后又重新使能了总中断,即 EA=1,那么在这段时间里就很可能有多个中断都发生了,但因为总中断是关闭的,所以它们当时都得不到响应,而当总中断再次使能后,它们就会在同时请求响应了,很明显,这时也必需有个先后顺序才行,这就是非抢占优先级的作用了——如表3中,谁优先级最高先响应谁,然后按编号排队,依次得到响应。
抢占优先级和非抢占优先级的协同,可以使单片机中断系统有条不紊的工作,既不会无休止的嵌套,又可以保证必要时紧急任务得到优先处理。在后续的学习过程中,中断系统会与我们如影随形,处处都有它的身影,随着学习的深入,相信你对它的理解也会更加的深入。
「硬见小百科」单片机中断系统
单片机中断系统的概念
什么是中断,我们从一个生活中的例程引入。
你正在家中看书,突然电话铃响了,你放下书本,去接电话,和来电话的人交谈,然后放下电话,回来继续看你的书。这就是生活中的“中断”的现象,就是正常的工作过程被外部的事件打断了。仔细研究一下生活中的中断,对于我们学习单片机的中断也很有好处。
第一、什么可经引起中断。生活中很多事件能引起中断:有人按了门铃了,电话铃响了,你的闹钟闹响了,你烧的水开了….等等诸如此类的事件,我们把能引起中断的称之为中断源。单片机中也有一些能引起中断的事件,8031中一共有5个:两个外部中断,两个计数/定时器中断,一个串行口中断。
第二、中断的嵌套与优先级处理。设想一下,我们正在看书,电话铃响了,同时又有人按了门铃,你该先做那样呢?如果你正是在等一个很重要的电话,你一般不会去理会门铃的,而反之,你正在等一个重要的客人,则可能就不会去理会电话了。如果不是这两者(即不等电话,也不是等人上门),你可能会按你常常的习惯去处理。总之这里存在一个优先级的问题,单片机中也是如此,也有优先级的问题。优先级的问题不仅仅发生在两个中断同时产生的情况,也发生在一个中断已产生,又有一个中断产生的情况,比如你正接电话,有人按门铃的情况,或你正开门与人交谈,又有电话响了情况。考虑一下我们会怎么办吧。
第三、中断的响应过程。当有事件产生,进入中断之前我们必须先记住现在看书的第几页了,或拿一个书签放在当前页的位置,然后去处理不一样的事情(因为处理完了,我们还要回来继续看书):电话铃响我们要到放电话的地方去,门铃响我们要到门那边去,也说是不一样的中断,我们要在不一样的地点处理,而这个地点常常还是固定的。计算机中也是采用的这种办法,五个中断源,每个中断产生后都到一个固定的地方去找处理这个中断的程序,当然在去之前首先要保存下面将执行的指令的地址,以便处理完中断后回到原来的地方继续往下执行程序。具体地说,中断响应能分为以下几个步骤:1、保护断点,即保存下一将要执行的指令的地址,就是把这个地址送入堆栈。2、寻找中断入口,根据5个不一样的中断源所产生的中断,查找5个不一样的入口地址。以上工作是由计算机自动完成的,与编程者无关。在这5个入口地址处存放有中断处理程序(这是程序编写时放在那儿的,如果没把中断程序放在那儿,就错了,中断程序就不能被执行到)。3、执行中断处理程序。4、中断返回:执行完中断指令后,就从中断处返回到主程序,继续执行。
MCS-51单片机中断系统的结构
5个中断源的符号、名称及产生的条件如下。
INT0 :外部中断0,由P3.2端口线引入,低电平或下跳沿引起。
INT1 :外部中断1,由P3.3端口线引入,低电平或下跳沿引起。
T0 :定时器/计数器0中断,由T0计满回零引起。
T1 :定时器/计数器l中断,由T1计满回零引起。
TI/RI :串行I/O中断,串行端口完成一帧字符发送/接收后引起。
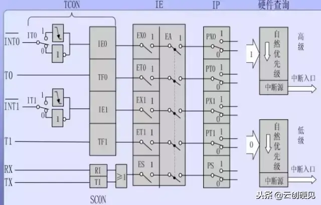
整个中断系统的结构框图见下图所示。
<51单片机中断系统结构>
如图所示,由与中断有关的特殊功能寄存器、中断入口、次序查询逻辑电路等组成,包括5个中断请求源,4个用于中断控制的寄存器IE、IP、ECON和SCON来控制中断类弄、中断的开、关和各种中断源的优先级确定。
中断请求源
(1)外部中断请求源 :
即外中断0和1,经由外部管脚引入的,在单片机上有两个管脚,名称为INT0、INT1,也就是P3.2、P3.3这两个管脚。在内部的TCON中有四位是与外中断有关的。
IT0:INT0触发方式控制位,可由软件进和置位和复位,IT0=0,INT0为低电平触发方式,IT0=1,INT0为负跳变触发方式。这两种方式的差异将在以后再谈。
IE0:INT0中断请求标志位。当有外部的中断请求时,这位就会置1(这由硬件来完成),在CPU响应中断后,由硬件将IE0清0。
IT1、IE1的用途和IT0、IE0相同。
(2)内部中断请求源TF0 :
定时器T0的溢出中断标记,当T0计数产生溢出时,由硬件置位TF0。当CPU响应中断后,再由硬件将TF0清0。
TF1:与TF0类似。
TI、RI:串行口发送、接收中断,在串行口中再讲解。
中断允许寄存器IE在MCS-51中断系统中,中断的允许或禁止是由片内可进行位寻址的8位中断允许寄存器IE来控制的。
中断系统的控制寄存器
中断系统有两个控制寄存器IE和IP,它们分别用来设定各个中断源的打开/关闭和中断优先级。此外,在TCON中另有4位用于选择引起外部中断的条件并作为标志位。
1.中断允许寄存器--IE
IE在特殊功能寄存器中,字节地址为A8H,位地址(由低位到高位)分别是A8H-AFH。
IE用来打开或关断各中断源的中断请求,基本格式如下图1所示:
图1
EA:全局中断允许位。EA=0,关闭全部中断;EA=1,打开全局中断控制,在此条件下,由各个中断控制位确定相应中断的打开或关闭。
×:无效位。
ES:串行I/O中断允许位。ES=1,打开串行I/O中断;ES=0,关闭串行I/O中断。
ETl:定时器/计数器1中断允许位。ETl=1,打开T1中断;ETl=O,关闭T1中断。
EXl:外部中断l中断允许位。EXl=1,打开INT1;EXl=0,关闭INT1。
ET0:定时器/计数器0中断允许位。ET0=1,打开T0中断;ET0=0,关闭TO中断。
EXO:外部中断0中断允许位。Ex0=1,打开INT0;EX0=0,关闭INT0.
2、中断优先寄存器--IP
IP在特殊功能寄存器中,字节地址为B8H,位地址(由低位到高位)分别是B8H一BFH,IP用来设定各个中断源属于两级中断中的哪一级,IP的基本格式如下图2所示:
图2
×:无效位。
PS:串行I/O中断优先级控制位。PS=1,高优先级;PS=0,低优先级。
PTl:定时器/计数器1中断优先级控制位。PTl=1,高优先级;PTl=0,低优先级。
Pxl:外部中断1中断优先级控制位。Pxl=1,高优先级;PXl=O,低优先级。
PT0:定时器/计数器o中断优先级控制位。PT0=1,高优先级;PTO=0,低优先级。
Px0:外部中断0中断优先级控制位。Px0=1,高优先级;Px0=0,伤优先级。
在MCS-51单片机系列中,高级中断能够打断低级中断以形成中断嵌套;同级中断之间,或低级对高级中断则不能形成中断嵌套。若几个同级中断同时向CPU请求中断响应,则CPU按如下顺序确定响应的先后顺序:
INT0一T0---INT1一T1一RI/T1.
以上所有信息仅作为学习交流使用,不作为任何学习和商业标准。若您对文中任何信息有异议,欢迎随时提出,谢谢!
关于云创硬见
云创硬见是国内最具特色的电子工程师社区,融合了行业资讯、社群互动、培训学习、活动交流、设计与制造分包等服务,以开放式硬件创新技术交流和培训服务为核心,连接了超过30万工程师和产业链上下游企业,聚焦电子行业的科技创新,聚合最值得关注的产业链资源, 致力于为百万工程师和创新创业型企业打造一站式公共设计与制造服务平台。
相关问答
51 单片机有 哪几个 中断源 ?各中断标志是如何产生的?当中断响应...51单片机有哪几个中断源?各中断标志是如何产生的?当中断响应后,中断标志是如何消除的?当CPU响应CPU讨论回答(5)串口定时器01外部中断0.1中断标志除串口中...
单片机中断 机制 有哪些 ?谢邀!对于单片机的中断分这么几类,从中断源分部布上可分外部中断和内部中断、硬件中断及软件中断,芯片的开发者已给各类芯片的中断都有赋予各自的向量地址入...
单片机中断 的含义?中断就是指处理机运行过程中,出现某些意外情况需主机干预时,机器能自动停止正在运行的程序并转入处理新情况的程序,处理完毕后又返回原被暂停的程序继续运行。...
什么是 单片机 的 中断 序号? 中断 序号1表示什么?指单片机多个中断源的先后顺序,如果中断优先级相同,哪一个中断序号小,同时发生中断时哪一个就优先响应。例如51单片机的中断顺序是:外中断0定时器0外中...
51 单片机 的 中断 系统 有哪些 寄存器?答:51单片机的中断系统有以下几种寄存器:中断允许寄存器IEEA——全局中断ES——串口中断ET2——定时器2中断EX1——外部中断1ET1——定时器1中断EX0...
51 单片机有 几个 中断 源,分别是什么?51单片机总共有5个中断源,分别为:外部中断0(int0),对应中断号是0,中断入口地址0003h定时/计数器0(t1),对应中断号1,中断入口地址000bh外部中断1(int1...51...
单片机 同时运行几个 中断 ?单片机可以同时运行多个中断,但是它们之间需要通过优先级来进行区分和控制。当有多个中断同时发生时,单片机会根据各个中断的优先级先后执行,处理高优先级的中...
51 单片机 的 中断 源 和 中断 入口?51单片机的中断源就是指能够打断当前顺序执行的功能模块,比如外部中断事件源,定时器中断事件源,通讯模块数据发送接收中断源等。中断入口是指打断当前顺序执行...
80C51 单片机有哪些中断 源?它们对应的中断入口地址分别是什么?AT89S51共有5个中断向量:2个外中断(INT0和INT1),2个定时中断(Timer0和Timer1)和一个串行中断。中断入口地址如下:外部中断INT00003H定时器0...AT89S51...
51系列 单片机 的 中断 源有什么优先级和什么优先级两个 中断 优先级?51单片机有程控优先级和自然优先级两个中断优先级。所谓程控优先级,就是通过ⅠP和ⅠPH寄存器设置每一个中断源的优先级,ⅠP和IP成对使用,两个寄存器器的同位...
