工程师,还有6个引脚封装的单片机?涨知识了
工程师,在开发设计电路项目,一般都是围绕微处理器这个中心进行,根据项目的功能需求,设计微处理器的外围电路;微处理器按照类型区分,包含
MCU单片机,如ST意法的STM32F103RCT6单片机;DSP处理器,如TI德州仪器的TMS320C6652;FPGA处理器,如Xilinx赛灵思的XA7A50T;CPU处理器,如Intel英特尔的I5处理器;其中,对于一些功能较为简单,不需要大量的数据运算,工程师优先选用的微处理器会是MCU单片机。这是为什么呢?
第一,开发设计简单,无论是硬件电路设计还是软件代码设计,工程师只需依据MCU单片机公司提供的参考设计例程,进行二次开发基本上就能完成项目的电路方案开发;
第二,成本低廉,由于8位单片机与32位单片机被大量的应用在不同产品中,出货量非常庞大,直接的结果是单片机价格的直线下降;
第三,大中院校的电子教材,基本都是以单片机的开发案例为主,为日后参加工作的学生培养了使用单片机的习惯;
单片机电路项目
是的,没错!单片机应用非常广,也非常受工程师的欢迎!
在设计项目的过程中,工程师会面临一个问题---如何选择项目匹配的单片机型号?因为单片机不仅品牌多,而且数量多、功能多还型号多。
以单片机的封装为例来区分,工程师常见的封装类型如,SOP8、MSOP10、SOP14、SOP16、TSSOP20、QFN24、QFN32、LQFP44、LQFP48、LAFP64等等
SOT23-6封装单片机
那么这个只有6个引脚封装的单片机,有什么特色呢?芯片哥以上海晟矽微的MC30P6250为例进行详细的说明
MC30P6250单片机引脚定义
在了解一个新型号的单片机之前,首先需要熟知这个型号MC30P6250单片机的引脚定义
MC30P6250单片机
Pin 1引脚:SDI & PWM1B & P11SDI:编程数据信号输入引脚,作为编程口,也可作为SPI通信输入引脚;
PWM1B:单片机内部定时器PWM信号的输出引脚;
P11:单片机的普通IO引脚,内部集成上拉与下拉电阻,可编程;
Pin 2引脚:GNDGND:单片机的电源的引脚,作为0V的参考点;
Pin 3引脚:SDO & EVN0 & P14SDO:编程数据信号的输出引脚,作为编程口,也可作为SPI通信输出引脚;
EVN0:单片机内部比较器正端输入引脚;
P14:单片机的普通IO引脚,内部集成上拉电阻,可编程;
Pin 4引脚:P13 & CMPN & RST & VPPP13:单片机的普通IO引脚,内部集成上拉电阻,可编程;
CMPN:单片机内部比较器负端输入引脚,与EVN0共同构成单片机的比较器输入检测功能;
RST:单片机的外部复位输入引脚;
VPP:单片机的编程高压输入引脚;
Pin 5引脚:VDDVDD:单片机的电源输入引脚;
Pin 6引脚:P12 & TC0 & BUZ1 & CMPO & SCKP12:单片机的普通IO引脚,内部集成上拉与下拉电阻,可编程;
TC0:单片机内部定时器的外部计数输入引脚;
BUZ1:有源蜂鸣器驱动输出引脚;
CMPO:单片机内部比较器的输出引脚;
SCK:编程时钟信号,作为编程口,也可作为SPI通信的时钟引脚;
MC30P6250单片机功能特点
在基本了解这个型号MC30P6250的单片机引脚定义后,它的功能特点可以归纳为
它是一个OTP类型的单片机,存储空间大小只有1K*14 bit,有且只能编写一次;单片机的内核属于8位CPU,工程师想不到吧,呵呵~~~内置高频RC振荡器,最大可支持16MHz的主频,是不是有点小惊喜,意不意外~~~PWM波输出功能;比较器功能;SPI串口通信功能;工作电压范围0~6.0V,支持3.3V与5.0V系统;其中集成了内部比较器,是这个6引脚封装的单片机最大的特色;当然其他型号的SOT23-6封装的单片机,也可以集成类似触摸按键功能、ADC采集功能等等;
另外一个特点是单片机的IO引脚输出输入电流能力,输出电流可达20mA,输入电流可达30mA;要超出一些常规的单片机IO引脚特性。
IO引脚输出电流能力大,其最大的优势是可以直接驱动一些小型负载,比如LED灯,不再需要其他功率放大电路了。
MC30P6250单片机项目应用
初步掌握SOT23-6封装的单片机MC30P6250特性后,工程师就可以使用其开发设计电路项目了。尤其是一些功能简单的小型电器产品项目,比如
智能化妆镜,只需两个按键检测和两个IO输出就可以满足;
智能感应水龙头,只需三个IO引脚就可以满足;
智能小便池,只需四个IO引脚就可以满足;
智能门禁,只需三个IO引脚就可以满足;
开发这些功能的项目,虽然SOT23-6封装的单片机能胜任,但设计它的软件,芯片哥建议工程师优先选用汇编语言,因为汇编语言占用的存储空间相比较C语言编写的程序要小一些;
使用SOT23-6封装的单片机,在软件开发上使用汇编语言,可能会有些不便,但它的另一个特点是价格便宜,毕竟只有6个引脚的单片机,应该是属于全球最小封装的单片机吧。MC30P6250单片机参考价为 0.5~0.6RMB/PCS。
尾声
MC30P6250型号的单片机,虽然只有6个引脚,但它的功能和其他普通的8位单片机一样,区别在于内部集成的外设资源相对较少,除去两个电源引脚VDD和GND之外,只有其他四个可以定义的IO引脚功能;
在硬件电路应用和软件开发上,与其他形式封装的单片机,没有任何本质的区别。
本文由【芯片哥】原创撰写,一个只谈电子元器件与芯片的工程师,喜欢就关注芯片哥,和芯片哥一起加油吧~~~ #芯片# #单片机# #电子元器件#
sot23-6长按2秒开关机芯片 高低电平轻触开关IC 单片机芯片方案开发
EC201228-335A-19E7长按2秒开机长按3秒关机
一. 功能说明
一路按键开关输入控制,两路LED同步输出:1路高电平、1路低电平(可二选一)。
上电不工作,长按2秒开关,两路LED一直工作。再长按3秒关机,两路LED停止工作。
二. 电气参数 (VDD=3.0V TA=25℃)
参数
符号
最小值
典型值
最大值
单位
条件
工作电压
VDD
2.4
3.0
5.0
V
工作电流
IOP
1.6
mA
Fcpu=4MHz@HIRC-8M
静态电流
ISTB
3
uA
VDD=5V, WDT 开, LVR 关
驱动电流
Iol
30
mA
Vol=0.6V
工作温度
TA
-10
25
70
℃
储存温度
Tstg
-20
25
100
℃
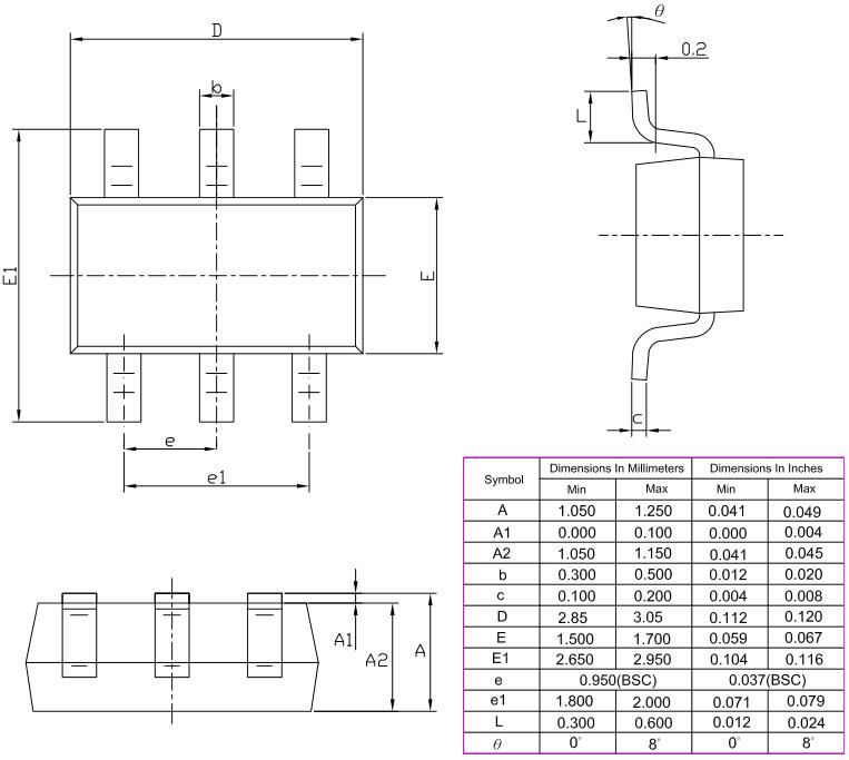
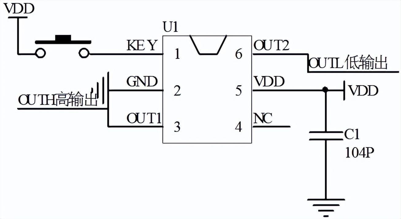
三. 封装脚位图(SOT23-6)
长按2秒开机长按3秒关机芯片
管脚号
符号
功能描述
1
KEY
触发开关
2
GND
电源负
3
OUT1
输出1高电平有效
4
NC
悬空
5
VDD
电源正
6
OUT2
输出2低电平有效
四. 电路图参考
按摩仪开关机芯片
接LED参考电路
长按开关机IC
五. 封装尺寸图(SOT23-6)
SOT23-6开关机芯片
六. 版本说明
版本
日期
描述
EC201228-335A-19E7
2020/12/31
V01初版
轻触按键开关机IC
相关问答
4pin封装 单片机 有哪些?最小封装6脚单片机:飞凌单片机FM8PE53SOT23-6。小单片机是针对某一个特殊应用的简化版,指令系统与母版相同,是专用的智能芯片。用户开发产品的数量足够大,就...
电池升压芯片哪一种更适合呢?电池升压芯片哪一种更适合?选择升压芯片需要考虑几个参数,输入电压范围、开关功率、工作效率等。使用3.7V的锂电池升压到12V,给350mA的负载供电,本来使用的66...
朋友们有没有谁了解,坪山ic烧录厂为您解决ic烧录难题,ic烧...[回答]SOT23因为塑封体的面积很小,所以打印的内容都比较少,以你的描述看,很有可能是看不出品名的,1327可能表示13年27周生产的,C可能表示的是封装厂的代码...
怎么把4v左右的电压升高到5v左右?用LDOLM1117是一个低压差电压调节器系列。其压差在1.2V输出,负载电流为800mA时为1.2V。它与国家半导体的工业标准器件LM317有相同的管脚排列。LM1117有可调...
没有7805,怎么变12V为5V?根据提问者的意思,是想把12V直流电变为5V,可是没有7805,怎么办?12V转5V的方法很多,没必要非得用7805,况且12V转5V,高达7V的压降,使用7805内耗高,效率低...7805作.....
