电子器件的“中控室”:单片机MCU详解
上一篇(只有想不到,没有嵌不到,嵌入式系统科普 )文章介绍了嵌入式系统的组成部分。其中提到了单片机MCU,其实它也是一个小系统,它是控制电子产品的大脑。现如今,我们生活中的许多电器都含有单片机。例如:手机、电视机、冰箱、洗衣机、以及开关、LED等。那么,什么是单片机?它在这些电器中究竟做了些什么呢?以及是如何构成的?
它是如何诞生的
单片机诞生于1971年,经历SCM、MCU、SoC三大阶段。单片机由以前的1位、4位、8位、16位。早期的单片机都是4位或8位。其中最成功的是英特尔的8031,因为简单可靠而性能不错获得了很大的好评。此后在8031上发展出了MCS51系列单片机系统。基于这一系统的单片机系统直到现在还在广泛使用。
随着工业控制领域要求的提高,开始出现了16位单片机,但因为性价比不理想并未得到很广泛的应用。90年代后随着消费电子产品大发展,单片机技术得到了巨大的提高。如今已发展到32位甚至64位。90年代后随着消费电子产品大发展,单片机技术得到了巨大提高,相继诞生了一批经过市场考验获得良好口碑的单片机制造厂商。
“神通广大”,到哪儿都有它
实际工作中并不是任何场合都要求计算机有很高的性能。应用的关键看是否够用,是否有很好的性价比。单片机是电器动作的关键,是指挥硬件运行的。例如:接收按钮或按键的输入信号,按照事先编好的程序,指挥马达和LCD的外围功能电路动作。
为什么很多电器设备都要使用单片机呢?我们用一个点亮LED电路为例来说明。
(右)无单片机的电路是一个由LED,开关和电阻构成的简单电路。很显然,使用单片机的电路要复杂得多,而且设计电路还要花费精力与财力。这样看来使用单片机并没有什么优点,其实不然。
如果我们让这个电路做一些比较复杂的操作,会怎么样呢。例如:如果希望LED在按下开关后,经过一段时间再点亮或熄灭,那么,对于安装有单片机的电路来说,只需更改单片机中的程序就可以了,并不需更改原电路。另一方面,对于没有单片机的电路来说,就必须在元电路中加入定时器IC,或者用标准逻辑IC和FPGA构成逻辑电路,才能实现这个功能。也就是说,在更改和添加新功能时,带有单片机的电路显然更加容易实现。
单片机通常用于工业生产的控制、生活与程序和控制有关领域。由于单片机比专用处理器更适合应用于嵌入式系统,因此它得到了最多的应用。事实上单片机是世界上数量最多的计算机。现代人类生活中所用的几乎每件电子和机械产品中都会集成有单片机。手机、电话、计算器、家用电器、电子玩具、掌上电脑以及鼠标等电脑配件中都配有1-2部单片机。而个人电脑中也会有为数不少的单片机在工作。据了解,一辆汽车上要配备40多部单片机,复杂的工业控制系统上甚至可能有数百台单片机在同时工作。这样算下来,单片机的数量已经远超过地球人口的数量了。
那么“无所不能”的单片机都由哪些器件构成的?
以PC为例,一台计算机主要有这几个部位组成:中央处理单元CPU(进行运算、控制)、随机存储器RAM(数据存储)、存储器ROM(程序存储)、输入/输出设备I/O(串行口、并行输出口等)。在个人计算机上这些部份被分成若干块芯片,安装在一个被称之为主板的印刷线路板上。而在单片机中,这些部份全部被做到一块集成电路芯片中,所以就称为单片机,而且有一些单片机中除了上述部份外,还集成了其它部份如模拟量/数字量转换(A/D)和数字量/模拟量转换(D/A)等。此外,现在的单片机绝大多数都是基于冯·诺伊曼结构。
以51单片机为例,其功能组件及作用主要有:
1、CPU主芯片(内部通过总线连接扩展的设备)
2、时钟电路(为单片机提供震荡脉冲)
3、电源电路(为单片机提供电源)
4、内部数据存储器RAM(包括通用数据寄存器和专用寄存器SFR,主要是数据存储区。)
5、程序存储器ROM(主要是存储程序,51系列有4K内部程序ROM,可以外扩64K。)
6、并行端口4*8位(P0,P1,P2,P3主要是数据交换接口。)
7、串行口(TXD,RXD用于串口通信。)
8、中断系统(外中断0,定时计数T0,外中断1,定时计数T1,串口中断。)
9、定时/计数器(16位用于外部的计数和定时功能。)
在这些组成里,内存是单片机的记忆装置,主要记忆程序和数据,但ROM与RAM有所区别:
ROM是只读内存的简称。保存在ROM中的数据不能删除,也不会因断电而丢失。ROM主要用于保存用户程序和在程序执行中保持不变的常数。
RAM是可随机读/写内存的简称。可以随时读写数据,但关机后,保存在RAM中的数据也随之消失。主要用于存储程序中的变量。在单芯片单片机中,常常用SRAM作为内部RAM。SRAM允许高速访问,但是,内部结构太复杂,很难实现高密度集成,不适合用作大容量内存。除SRAM外,DRAM也是常见的RAM。DRAM的结构比较容易实现高密度集成,因此,比SRAM的容量大。但是,将高速逻辑电路和DRAM安装于同一个晶片上较为困难,因此,一般在单芯片单片机中很少使用,基本上都是用作外围电路。
工作原理
虽说CPU相当于人的大脑,但是它却不能像人的大脑一样,能有意识的、自发的思考。CPU只能依次读取并执行事先存储在内存中的指令组合。
单片机自动完成赋予它的任务过程,即一条条执行的指令过程,所谓指令就是把要求单片机执行的各种操作用的命令的形式写下来,这是在设计人员赋予它的指令系统所决定的,一条指令对应着一种基本操作;单片机所能执行的全部指令,就是该单片机的指令系统,不同种类的单片机,其指令系统亦不同。
所以必须把要把问题编成一系列指令,这一系列指令的集合就成为程序,程序需要预先存放在存储器中。存储器由许多存储单元组成,你可以想像成宾馆的房间,指令就存放在这些房间里,房间里的指令取出并执行就像入住要分配房间一样,每一个存储单元也必须被分配到唯一的地址号,该地址号称为存储单元的地址,这样只要知道了存储单元的地址,就可以找到这个存储单元,其中存储的指令就可以被取出,然后再被执行。
主流单片机
现在主流单片机有:
51系列单片机——对所有兼容Intel 8031指令系统的单片机的统称,51单片机是基础入门的一个单片机,还是应用最广泛的一种。
PIC系列单片机——用来开发的去控制外围设备的集成电路,有计算和记忆功能,处理能力一般,存储器容量也很有限。
AVR系列单片机——AVR最大的优点就是哈佛结构速度快;片上资源丰富;驱动能力强;功耗低;可选择型号种类多;性价比高;保密性好;带PWM脉冲宽度调制、串行外设接口SPI,片内RC 振荡器,SRAM比51大。
这些是应用最多的三大系列单片机。其主要特点就是:51系列单片机是冯.诺依曼结构,后两种是哈佛结构。
典型玩家介绍
经多年发展,MCU厂商可谓是多种多样。简单介绍下这个圈里典型玩家
1. 恩智浦(收购飞思卡尔)
单片机是基于80C51内核的单片机,嵌入了掉电检测、模拟以及片内RC振荡器等功能,这使51LPC在高集成度、低成本、低功耗的应用设计中可以满足多方面的性能要求。NXP的MCU几乎都是采用cortex-m系列架构。
2. 瑞萨电子
NEC电子和瑞萨科技于2010年4月1日通过合并诞生了“瑞萨电子”,现为全球首屈一指的微控制器供应商,也是SoC系统晶片与各式类比及电源装置等先进半导体解决方案的领导品牌之一。他们推出的针对中国市场的MCU产品RL78系列分为通用产品和集成LCD驱动的产品,通用产品的升级款又围绕着传感器、小系统、马达驱动等具体应用领域做了相应拓展。
3. 微芯科技(Microchip)(收购爱特梅尔(Atmel))
微芯科技是全球领先的单片机和模拟半导体供应商,微芯单片机是市场份额增长最块的单片机。 他们强调节约成本的最优化设计,使用量大、档次低、价格敏感的产品。
4.三星(Samsung)
三星单片机有KS51和KS57系列4位单片机,KS86和KS88系列8位单片机,KS17系列16位单片机和KS32系列32位单片机。
5. 意法半导体(ST)
意法半导体微控制器拥有一个强大的产品阵容,从稳健的低功耗8位单片机STM8系列,到基于各种ARM Cortex-M0和M0+、 Cortex-M3、Cortex-M4、Cortex-M7内核的32位闪存微控制器STM32家族。STM32系列32位微控制器基于Arm® Cortex®-M处理器,旨在为MCU用户提供新的开发自由度。它包括一系列产品,集高性能、实时功能、数字信号处理、低功耗/低电压操作、连接性等特性于一身,同时还保持了集成度高和易于开发的特点。
6. 英飞凌(Infineon)
其前身是西门子集团的半导体部门。英飞凌8位单片机能实现高性能的电机驱动控制,在严酷环境下(高温、EMI、振动)具有极高的可靠性。英飞凌针对中国市场推出的XMC1000工业单片机,在电机控制领域拥有很高的性价比。
7. 德州仪器(TI)
TI是全球领先的模拟及数字半导体 IC 设计制造公司。除了提供模拟技术、数字信号处理 (DSP) 以外,TI 在单片机领域也涉入较深,推出一系列的32位单片机,其中Piccolo系列微处理器最具代表性,具体型号如C2000和F28x系列。
8. 东芝(Toshiba)
东芝单片机的特点从4位机到64位,门类齐全。4位机在家电领域仍有较大的市场。8位机主要有870系列、90系列等,该类单片机允许使用慢模式,采用32K时钟时功耗低至10uA数量级。CPU内部多组寄存器的使用,使得中断响应与处理更加快捷。东芝的32位单片机采用MIPS3000ARISC的 CPU结构,面向VCD、数字相机、图像处理等市场。
9. Silicon Laboratories(芯科实验室)
Silicon Laboratories成立于1996年,位于美国德州奥斯汀市,是一家专业研发设计类比电路及混合信号IC的公司,为成长快速的通信产业设计等提供广大应用。在8051系列MCU领域居于领先军团行列。这家公司2013收购了一家叫Energy Micro的节能型MCU公司,所以产品有两个型号。
10. Maxim
Maxim的超低功耗32 位 Arm® Cortex®-M4 FPU微控制器(单片机),可以帮助您在任意地方收发其他超低功耗MCU的产品。超低功耗MCU系列产品既智能又省电。他们在去年发布了一款名为MAX78000的革命性芯片。这颗低功耗神经网络加速微控制器能将人工智能(AI)推向边缘端,更重要的是,因为其低功耗特性,那就意味着即使在将其应用在电池供电的物联网(IoT)设备里,芯片性能并未受到影响。
11. ADI
ADI提供日渐增多的DSP、混合信号控制处理器、嵌入式处理器和模拟微控制器产品,适合广泛的通用和专用需求。例如产品包括:带有微处理器的模数转换芯片ADuC844和ADuC846,用于IoT超低功耗MCU ADuCM4050。
12. 高通(Qualcomm)
高通的MCU主要应用于智能手机、平板电脑、无线调制解调器等等,功能非常强大。主要提供16位,32位MCU。
其余厂商见图片。
MCU作为微型计算机的一个重要分支,应用面很广,发展很快。自MCU诞生至今,已发展为上百种系列的近千个机种。而且随着半导体集成工艺的不断发展,MCU的集成度将更高、体积将更小、功能将更强。
需求多周期长,详解新能源整车控制器VCU开发过程
一款合适的整车控制器需要正确的输入,一般车型不一样整车控制器的接口需求也不一样,因为整车控制器开发周期比较长,所以在整车控制器的研发起始阶段要考虑,所研发的整车控制器要有一定的兼容性,能适应较多车型。
1、从输入来看:需要整车设计需求+整车控制原理图
2、整车电气原理确定后,就确定了整车的控制方案,这时就可以确定整车控制器的接口功能:
3、整车控制接口定义确定后,内部功能也就确定
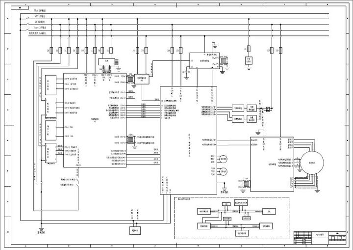
我们需用飞思卡尔16位双核单片机Mc9s12xep100 112脚作为主处理器,将CAN通讯收发发在协处理器XGATE中,主CPU只经行与控制策略有关的处理,这样就大大提高了控制的实时性。
原理图如下:
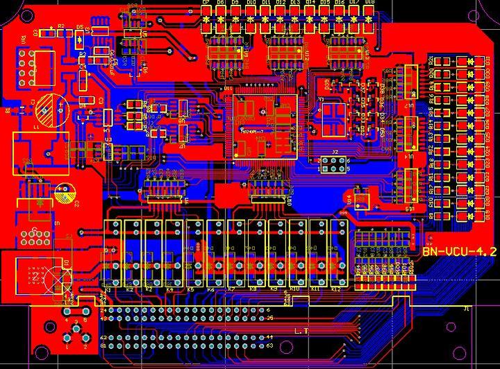
PCB图如下:
外观如图:
4、整车硬件部分完成后,接着进行软件的设计,主要包括:
A、底层软件的编写,主要是配置时钟、SPI、CAN、PIT、ECT、IO、interrupt等的寄存器。
B、BootLoader驱动,主要是CAN模块和Flash模块的配置。
C、CCP标定驱动。
D、应用程序包括:数据采集、故障诊断、工况判断、辅机管理、通讯控制;
程序截图:
5、整车控制器调试软件:
5.1、通过CAN总线进行程序下载更新的BootLoader软件,如图:
5.2、通过Busmaster监控,如图:
在编写控制软件前,应制定相应的控制策略、通讯协议:
1、通讯协议:
2、CAN通讯网络拓扑结构(此处预留燃料电池)
3、控制策略:
有了以上就可以就行控制软件的编写和调试的工作,调试匹配,本开发主要是针对新能源电动中巴、大巴、物流车车型,本次调试的车型为纯电动考斯特,如图:
1.调试阶段:
2.试车阶段:
试车视频
整个过程经历了1年的时间,过程中总是一个接一个的困难,记得刚开始做这个项目的时候,CAN通讯也不是很精通,急忙恶补了下,CAN底层代码也是修改了好久,还好板子的硬件部分还算比较给力,没出问题,在一些demo的基础上,进行了移植和修改,很快搭建出了具有一定功能的整车控制器,同时根据项目的需要,开发了基于CAN总线下载的Bootloader。也不断的优化换控制策略,这一块对油门、刹车的解析是一个难点,也是废了不少功夫。
经过以上,形成了如下开发包。
相关问答
飞思卡尔单片机 的抗干扰能力真有那么强吗?这个要区分具体的系列和型号,并不是完全一致的。而且在业界,飞思卡尔(默哀一下先)的单片机并不算是抗干扰性能最好的。这个要区分具体的系列和型号,并不是完...
飞思卡尔单片机 MC56F801X与MC9S12X有什么不同?MC56F系列是飞思卡尔的DSC系列MCU,主打电机控制;而MC9S作为智能车的应用非常多,学习资料和例程也远比DSC的多;更重要的,MC56F系列的单片机的编译器USP-TAP可...
飞思卡尔 9S12XS128 单片机 的中断向量和中断号,在芯片手册里...这往下定义“/****************interruptvectornumbers****************/”我把它复...把这往下定义“/****************inter...
飞思卡尔 9S12XS128 单片机 的中断向量和中断号,在芯片手册里...32132321312一般都是exception的章节里面,或者看BSP代码相关的.h里面看那些宏即可。工程下面有个文件夹“Includes”面包含文件“mc9s12xs128.h”...
飞思卡尔单片机 中watchdogstartbarking这是什么意思?是看门狗吧,只有不断“喂”狗,才能保证正常运行,是防止意外的。是看门狗吧,只有不断“喂”狗,才能保证正常运行,是防止意外的。
飞思卡尔单片机 MC9s12xs128的中断周期定时器的关闭问题?是在做飞思卡尔智能车么,可以去飞思卡尔论坛问说一下我的理解:我以前也用过这个芯片,有一次是用它做超声波测距,要用输入捕捉来测高电平持续时间,就用了里...
51 单片机 哪种好一点?国内常用的:ATMEL(美国):AT89S51TI德州仪器(美国):MSP430系列MicroChip(美国):PIC系列单片机飞思卡尔半导体(原摩托罗拉半导体)(美国):基于A...国内常...
单片机 行业摸到天花板后还能转什么行业呢?只是会单片机已经不太满足现在科技发展的需要了,你可以搜索一下单片机工程师的需求,仅仅会单片机的岗位越来越少。单片机还分为51,AVR,STM32,飞思卡尔这些本...
现在 单片机 发展到什么程度了?51、AVR、STM8、STM32这些主流单片机笔者都用过,要说到单片机的发展程度还得看STM32,因为在当代STM32已然成为高性能单片机的标志了。这时候可能会有人要说我们...
在大学本科阶段学ARM有效果吗?我们经历差不多。个人觉得,本科期间把单片机掌握好,学会AltiumDesigner或者PADS等电路图软件,对于找到工作是已经足够了。提问中,说学学ARM应该指的是跑Lin...
