【Proteus仿真】基于单片机万年历日历实时时钟显示设计
大家好,今天完成了一期基于单片机的万年历实时时钟的显示的仿真设计。
·看一下硬件构成,这边是18b20的测温,这边是ds130的时钟,获取当前的时间。这边是按键来调节当前的日历时间。
·拿到好双击单片机,加载一下x文件,点运行,这边会获取出当前的时间。二零二三年十一月一号,农历星期三,当前的十分秒,气温、度数可以进行调节,三十七点五、三十八度、三十九四十点五都可以的。
·通过按键一可以进行功能选择,比如先把二零二三调到二零二四,网上加或者往下减调到二零二都可以,下一个可以调这个,都可以,反正就是都可以调,这东西调成自己需要就可以了。
·最后是回到设定好的时间,刚刚调成了二零二二年五月一号,这边套送一个仿真的过程,转型比较简单。
·看一下配套资料,配套资料一共是由这些东西构成。首先代码仿的原理图,后面的ppt设计报告,看一下ds130的项目讲解,讲解一些是怎么获取到时间的过程。
·最后还有两篇报告,报告还写的比较详细,这东西该有的都有。
·最后还给另外一篇报告,也主要是讲解围栏面积、130测温以及相关的一些理论计算分析实验,基本上该有的都有,一共是十份资料。
手把手教你制作无电源仍可走的时钟
芯片简介
乍一看题目读者可能会纳闷,这是什么奇怪的东西,不用电源还可以工作?其实笔者只是在这里卖了个关子,说的是不用外加电源也可以正常走时,并不是说整个电路工作时不需要供电。也就是说不使用时这个时钟不需要供电,在你加上电源之后就可以显示时间,并且仍然是正确的。就好像有些手机关闭之后又取下电板,等你下次开机的时候它又能显示正确的时间。其实这些手机里面都是有后备电池的,就是做时钟那一小块电路有后备电池供着电的。要是后备电池没有了电,取下电板后问题就来了,这也是为什么有些用久了的手机取下电板再装上,时间就不对了的缘故。但是本文说的这个时钟不需要外加后备电池,那它是怎么做到这一点的呢?请听我慢慢道来。
图5.1 实物图
图5.2 DS12887引脚
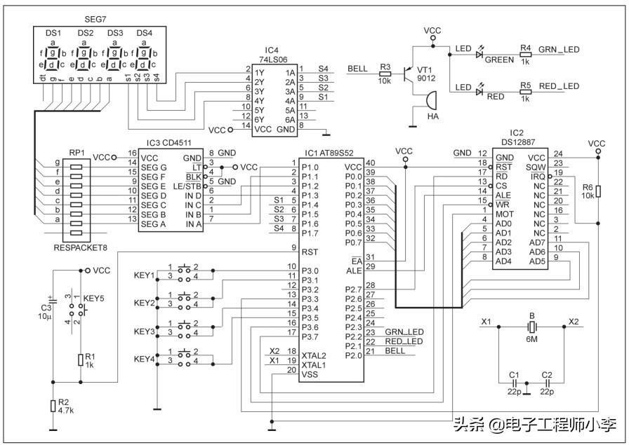
先了解一下“主角”的基本特性吧,DS12887是Dallas半导体公司推出的实时时钟芯片,在芯片内部集成了石英晶体、锂电池和其他支持电路,在没有外部供电的情况下,可以正确走时10年;可以计数时、分、秒、年、月、日和星期等信息,而且闰年补偿到2100年有效;内部的闹钟寄存器用来保存闹钟时间,当实时时间等于闹钟时间时,在DS12887的IRQ引脚输出低电平,微控制器可以利用此信号作为闹钟信号来处理。笔者用万用板焊接了电路,实物图见图5.1。下面将介绍如何使用DS12887制作这个时钟。
芯片引脚
了解了“主角”的基本特性,再来看看它的引脚。一个芯片的引脚可以看作是跟外界“交流”的通道,了解了引脚的用法就可以知道如何跟单片机相连。芯片引脚如图5.2所示,其中部分引脚命名与官方的数据手册有所不同,原数据手册上使用的是Motorala总线时序的命名方式,这里为了方便理解,采用Intel总线时序的命名方式,因为文章所使用的51单片机即为Intel时序。这两种总线时序最初分别是用在Motorala和Intel两家公司生产的芯片中,有兴趣的朋友可以在DS12887的数据手册上找到更详细的信息。
引脚MOT为总线方式选择,DS12887可以有两种时序:当MOT接VCC时选择Motorala总线时序;当MOT接地或悬空时选择Intel总线时序。本文用AT89S52作为控制器,AT89S52作为一种典型的51单片机,理所当然使用的是Intel总线时序。
AD0~AD7是地址、数据复用线,跟标准的51单片机的P0口类似,在一个读写周期里的前后两个时间段分别是作为地址线或数据线。它可以直接连接到AT89S52的P0口。
ALE为地址锁存信号,因为DS12887数据地址线采用分时复用的形式,所以需要ALE作地址锁存信号。在一个读写周期里AD0~AD7引脚上首先出现的信号表示地址,通过ALE的下降沿将该信号锁存到DS12887的地址寄存器,稍后AD0~AD7引脚上出现的信号则表示写入或读出DS12887的数据。ALE可以直接连接至AT89S52的ALE引脚。
RD、WR是读写控制信号引脚,分别连接AT89S52的RD(P3.7)、WR(P3.6)引脚。
CS为片选信号,为低电平时选中芯片,可以跟AT89S52的P2.7脚相连,这样就可以形成DS12887的读写基地址:0x0000。
IRQ引脚为中断输出信号,当DS12887产生中断时,在IRQ引脚输出有效低电平,该引脚为漏极开路输出,在外部需要加上拉电阻。
复位功能在本设计中不使用,RST可以直接接高电平。
片内资源
看完了外面,进到里面看看。DS12887内部有10字节的时钟(时、分、秒)、闹钟(时、分、秒)和日历(年、月、日、星期)寄存器和4个控制寄存器以及114字节的通用RAM。地址分配如附表所示。
在本文的设计中只使用了前面14字节的时钟、闹钟、日历和控制寄存器,其余的114字节的RAM并未使用。采用了如图5.3所示的电路图后,片内的14字节的地址分配就是从0x0000~0x000D,在程序中可以像访问外部RAM一样方便地读取和写入数据至这些地址。
0x0000~0x0009是时钟、闹钟和日历寄存器,保留了时间信息等相关内容,单片机可以通过读取这些内容将时间信息显示出来。
寄存器A的BIT6~BIT5控制DS12887内部晶体振荡器的关断。
寄存器B控制各种中断的使能,在本文中需要将闹钟使能位(BIT5)打开,BIT2决定输出的时钟数据是十六进制或是BCD码,BIT1决定时间采用的格式:24小时或12小时制。
寄存器C保存了中断标志位,若在使用多种中断的情况下,微控制器可以通过读取该寄存器辨别产生了何种中断,从而进入相应的处理程序。而在本设计中,只使用了闹钟中断,当在/IRQ引脚输出低电平时,就可以判断产生了闹钟时间到的中断。但是仍需要通过读取该寄存器以清楚中断标志,以免程序重复处理。
寄存器D是与器件是否有效相关的寄存器,本电路无需处理该寄存器。
附表 片内地址分配
硬件电路
电路使用4位一体共阴极数码管显示时钟、闹钟和日历信息,数码管采用CD4511作硬件译码,74LS06作动态选择和驱动电路。电路图如图5.3所示。
CD4511是一种用于数码管显示的译码芯片,在芯片输入引脚(D~A)输入4位二进制数值,在输出端(a~g)则译码输出共阴极数码管所需要显示的数值,例如,在CD4511的D~A这4个引脚输入“0101”(十进制的“5”,D为最高有效位数据),则在输出端的a~g输出“1011011”。而且CD4511有个很有用的“消隐”功能,即当输入端D~A的值大于9时,输出端a~g呈现高阻态,从而数码管表现为7段灯都会灭掉。
74LS06包含6个非门电路,本文只需要其中4路即可。在输入端置“1”,对应的输出端则为“0”,选中其中一个数码管。比如在AT89S52的P1.4输入“1”,则74LS06的4A引脚为“1”,在其对应的输出脚4Y输出就为“0”,从而选中与s1相连的DS1数码管。在焊接电路板时,可以将CD4511和74LS06这两个芯片放在数码管下方,这样整个电路板就会小巧一些。
图5.3 电路图
因为数码管只有4位,而且必须用其中的两位显示一项时间信息,所以每次只可以显示两项时间信息,例如,DS1、DS2分别显示月份的十位、个位,DS3、DS4分别显示日期的十位、个位。但要显示的时间信息要多得多,所以采用“分时复用”的方法轮流显示时和分、月和日、年和星期,在时间分配上笔者使用了下述方案:在每一分钟中,0~9s、20~39s、50~59s的时间里显示时钟的时和分,在10~19s内显示月和日,在40~49s内显示年和星期,而时钟的秒数则不作显示处理。因为星期的最大数值为7(表示星期天),可以只在个位显示,星期分配的十位可以作“消隐”处理。设定的闹钟信息不是需要经常查看的,所以不做上述的分时显示,而是通过按下KEY4键查看。
图5.4 主函数程序流程图
电路图中的4个按键功能分配如下,KEY1:数值加1键;KEY2:数值减1键;KEY3:调节项目选择,当该键按下可以选择不同的调节项目,依次为时钟的时、时钟的分、月份、日期、年、星期、闹钟的时和闹钟的分。KEY4:选择显示时间(包括时、分、月、日、年和星期)或闹钟。
红色的LED闪亮表示数码管当前显示的是闹钟的时和分,绿色的LED闪亮表示当前显示的是时钟的时和分;而红色的LED闪亮和蜂鸣器发出声音,则表示闹钟所定格的时间到来,发出警报提醒;当两个LED都不闪亮时表示显示的为日历信息,即月、日、年和星期,可以通过DS3是否显示数据区分出显示的是月、日还是年、星期。
软件设计
笔者使用的编译环境为Keil编译软件,采用C51编程语言。
整个程序由几个模块构成,文件mmi.c中包括一些人机交互处理的函数,比如读取按键、在数码管上显示时间信息、LED和蜂鸣器的发声处理等;文件ds12887.c中包括读写和初始化DS12887的函数;文件my52.c中包含延时函数;在文件main.c中则调用这些模块中的函数进行综合处理,主函数的程序流程图如图5.4所示。各个xxx.h文件中则是相应的xxx.c文件中的函数声明、全局变量声明等。更多源程序可以到qq群657864614进行下载!
一个属于电子工程师的专属淘宝店,总有一款适合你。所有商品均可以无理由退货,请放心购买! 首页-电子工程师小李-淘宝网
相关问答
求一个51 单片机 定时闹钟程序。要 C 语言。能够调时间 - hL0lQS...P0=dispcode[hour10];//显示时的十位2113delay(1);P2=0x7f;P0=dispcode[hour1];//显示时的个位delay(1);}voidmain(){uns...
谁能给我说一下!电子 日历单片机 制作?,制作单片机怎么选,都...[回答]服务热情,公司环境设备先进,价格合理品控做的不错,据说他们生意做的也很好。还不错的,他们专业承接设计电路板,以前朋友在那做了,还批量生产了。下...
我想用 单片机 的显示屏写一电子钟可是不知道怎么编才能调整时...对于初学者来说,可以使用C语言编写基本框架,如`while(1)`循环里包含获取当前时...别忘了查阅你使用的单片机型号的手册以获取准确的指令和引脚配置信息首先,你...
求用 C 写一个61 单片机 8位单独按键程序,每个键控制一个发光二...进入recovery模式后怎样用按键选择?2534浏览6回答请问我的按键不是特别灵敏,有的时候需要按两次才出现字母,而且,打快了,常掉字母,而且光标老跑。840浏览...
java怎么获取当前时间 年月日 时分秒-ZOL问答//得到long类型当前时间longl=System.currentTimeMillis();//new日期对象Datedate=newDate(l);//转换提日期输出格式Simple...
单片机 中断响应时间肿么计算-ZOL问答(3)CPU当前执行的指令是RETI或访问IE、IP寄存器时,本指令(1个周期)没有响应,且下一条指令执行完后才能响应,这样附加的等待时间最长不会超过5个周期(1+4)。整个...
学习 c 语言和 单片机 的笔记本用什么硬盘-ZOL问答使用C语言的话,大学一般使用MicrosoftVisualC++6.0(C和C++都可以用这个)自学的话,可以学点打基础的turboC什么的都不错其实语言的话掌握了精髓C语言都差别...
晶振在 单片机 中的实际作用,为什么必须要时钟信号?.另外定时器也要有时基脉冲访问外部数据存储器也要锁存脉冲总之时钟好比很多人一起干活或者跑步时的"一二一"口号,没有它,很难做到步调一致农民种田,日出...
8 单片机 怎么发送32位数据,就是发送float型数据,要在电脑上能...那你吧浮点数转成ASCII码再发送就好了有用(0)回复gaoyanggy123传送肯定是二进制,可以在电脑上转换有用(0)回复APP查看全部4条讨论相关问题我的电脑玩造...
关于 单片机 ( 80c 51)编写的程序問題-ZOL问答MINDAT:MOVR0,#30HMOVR2,#10MOV40H,#0FFHLOOP:MOVA,@R0CJNEA,40H,LOOP1LOOP1:JNCLOOP2MOV40H...
