零基础入门单片机实例(详解、附代码)
案例一:LED闪烁
电路:
案例二:按键控制LED的亮灭
电路:
案例三:多按键控制多LED亮灭
电路
案例四:流水灯
电路
单片机是一门侧重于动手能力的行业,所以说在学习的时候自然也就和其他的行业是不一样的,在学习的时候就应该更加的注重动手做项目这块,那么零基础如何快速入门,新手学习单片机入门基础知识,从零基础开始讲起,简单易懂,按照初学者学习的一般步骤,详细介绍了单片机开发的入门知识和经典实例
案例五---十二例单片机电路图和程序代码详细---戳进 ------>零基础入门单片机实例(12例详解、附代码)
单片机案例大全:毕业设计参考案例分享
关注头条号:机械工程师engineer,领取更多有关机械自动化、计算机、医疗器械相关资料
单片机案例大全:毕业设计参考案例分享
目录
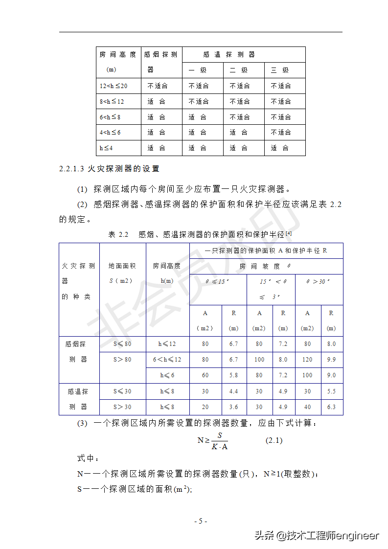
实例1:火灾自动报警系统设计
领取方法:
关注、私信:52
相关问答
单片机 牛人有哪些,我想看看他们的学习经历和成长的过程,请举几个例子?周立功,以一己之力,创办了周立功单片机发展有限公司。电子科技大学的吴鉴鹰,16岁考上电子科技大学,20岁创办了一家外包公司,30岁已身价千万。哈尔滨工程大...
单片机 的延时,延时时间长度是怎么算的?最好有一个例子,来...单片机的延时可以使用定时器和循环来实现。以下是两种常见的方式:1.使用定时器延时时间长度取决于定时器的时钟源和预分频器的设置。例如,如果使用...
对 单片机 编程要用什么软件? 单片机 编程如何快速入门?你好,我就是做单片机嵌入式软件开发的,对于第一个问题,单片机开发一般都是用C语言,单片机的开发平台即编译器通用的有keil、IAR、eclipse等,现在eclipse也支...
请问小白学 单片机 的具体方向和步骤该如何呢?我是从大学开始学习单片机的,现在分享一下我的学习感受。单片机学习分为硬件部分和软件部分,硬件那部分需要电路,模电数电等作为基础,软件部分只需要有一点...3...
单片机 是用什么编程的?这个问题要从两方面来说:第一是单片机是用什么编程环境(开发平台)编程?第二是单片机是用什么编程语言编程?我们分别来看看:一、单片机的编程环境单片机...这...
单片机 控制大电流器件,如何实现电路隔离?单片机用在工业现场,出现异常状况多数是源自于干扰,造成程序跑飞、控制失灵,有时出现严重事故。根据题目说的,单...单片机控制大电流器件,如何实现电路隔离?单...
如何在线实时监控调试 单片机 程序运行?在线实时监控调试单片机程序运行只有一种方式:程序在线仿真。在线实时监控单片机程序运行可以有多种方式:在线仿真;程序实时输出运行状态(可通过LED,LCD等显...
stc系列 单片机 没有供电,只在一引脚接入5v电压,其他引脚也出现了电压,怎么回事?不单是STC单片机会出现这种情况,很多单片机都有这种情况,甚至其它集成电路也不例外的会出现这种情况。集成电路内部的结构是相当复杂的,只能举一个简单例子说...
单片机 项目怎么开发?, 单片机 开发项目哪家经验丰富?[回答]还不错的,他们专业承接设计电路板,以前朋友在那做了,还批量生产了。还不错的,他们专业承接单片机解决方案,以前朋友在那做了,还批量生产了跟合作好...
什么样的 单片机 上可以跑系统 - caiccc 的回答 - 懂得据我所知,目前世面上任何单片机都跑不起安卓安卓系统对运算速度的要求相对很高ARM架构里面Cortex-A8单核或者是现在流行的Cortex-A7四核系列的,能...
