基于PIC单片机的交流净化稳压电源设计
目前,现有的各类民用稳压电源均普遍针对一般民用电网的特点而设计,不适合航天发射计量测试的需求。一般说来,民用电网由于负荷大,电源电压通常偏低,而航天计量测试设备所用的电网由于采用了逆变不间断供电技术,供电容量相对较小,易受负荷变动的影响,为适应多种负荷的工作需要,电源电压通常偏高。
普通的交流稳压电源,由于供电波形失真大,过零检测不准确,易造成输出电压不稳,另外,由于某些交流稳压电源的一些固有的特点,当驱动非线性负载时易产生振荡。这样就造成的问题主要是现有稳压电源不适用于航天计量测试的条件,故障率高,使用寿命短,一般不超过2年,给计量测试工作带来很大的麻烦。
1 交流净化稳压电源设计方案
通过对国内外交流稳压电源技术现状了解和发展动态的分析,以及对发射基地供用电特点的调查,计量测试用精密交流净化稳压电源的设计方案主要考虑2个方面的内容,一是主调整回路采用正弦能量分配器,在设计上主要考虑输入电压普遍偏高,且变动幅度大,谐波含量丰富的基地供电特点,需要对正弦能量分配器各元件进行参数的设计;二是由于计量测试用电对稳压精度的要求较高,控制电路的设计成为研制的关键。
交流净化稳压电源的基本设计思路是,在设计正弦能量分配器、采用数字控制技术的基础上,充分借鉴目前交流稳压电源设计技术,根据对交流净化稳压电源自身特性的理解,着重克服基地实际使用中面临的问题,以达到预先的设计目标。根据上述思路,设计如图1所示的交流净化稳压电源原理框图。
该方案设计以含有功率滤波功能的正弦能量分配器为主回路,控制电路以PIC微处理器为核心,由过零检测电路、电压采样电路、波形采样电路、电平变化电路组成。当市电电压或负载波动引起输出电压变化时,通过采样电路和数字化处理之后,通过控制电路控制双向可控硅SCR的导通角,从而改变流过电感的电流的大小,进而改变补偿电压的大小及其相位,最后达到稳压的目的。
图1 原理框图
电源控制电路要解决的主要问题:精密过零检测技术,误差放大技术,振荡抑制技术,可控硅导通角精密控制技术,极速稳压技术,以克服正弦能量分配器主调整回路易产生低频振荡的缺陷,使长期稳压精度优于±1%,稳定时间减小到10ms。
2 控制电路硬件设计与仿真
传统精密交流净化稳压电源的改进,即数字监控精密交流净化稳压电源的开发方案根据当前技术发展、数字化趋势,通过对数字信号处理器DSP和可编程逻辑控制器PLD、单片机MPU三者组成数字监控系统的优缺点的比较,综合经济和功能实现的要求,精密交流净化稳压电源监控系统的改进任务由单片机实现。
2.1 控制电路中各功能电路设计
控制电路设计应遵循下列设计原则:
1.选择典型电路和微处理器的常规用法,便于实现硬件系统的标准化、模块化。2.系统中模块设计尽可能做到性能匹配,例如选用晶振频率较高时,存储器存取时间有限,应该选择允许存取速度较高的芯片。3.微处理器外接电路较多时,必须考虑其驱动能力和电平配合。4.系统硬件配置与应用软件方案统筹考虑,软件能实现的功能尽可能由软件来实现,以简化硬件结构。5.可靠性和抗干扰设计是硬件系统设计不可缺少的一部分,它包括芯片、器件选择、电气隔离等。2.1.1市电同步正弦波电路
该部分电路的作用是获得与市电同步的正弦波。因为与市电同步的正弦波是以后产生与市电同步脉冲波的基础,而整个数字监控系统的工作都是按照与市电同步的脉冲波的时序来进行的,系统监控核心PIC单片机处于中断工作方式,与市电同步的脉冲波是它的中断触发信号,可见这部分电路的作用十分重要。
2.1.2 同步脉冲波电路
交流净化稳压电源是根据输出电压的大小改变晶闸管导通的相位角来稳定电压的,这个相位角由众多因素来决定,同时晶闸管触发脉冲必须与交流信号同步,而交流过零点脉冲的提取是确定相位角的基础,只有准确无误的捕获它,才能准确确定相位角。
当为整流滤波型负载时,使其交流输入电流为严重的非正弦波,使输出电压波形平顶化,并最终影响到过零采样点处的电压幅值和波形,这是造成普通控制电路控制的净化型交流稳压电源振荡的主要原因,波形示意图如图2,3所示。
图2 市电同步正弦波电路波形示意图
图3 市电同步脉冲示意图
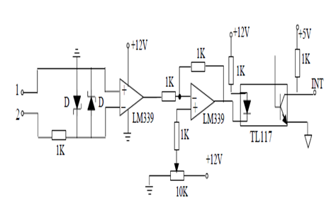
这里选取的方案是与市电同步的正弦波先通过一片LM339组成的比较器得到方波,然后通过一片LM339组成的电平转换电路进行电平转换,最后通过一片线性光耦TIL117进行光电隔离,得到与市电同步的脉冲波。脉冲波的上升沿十分陡峭,而且使用了线性光耦TIL117进行光电隔离,保证数字监控系统免受其他外来噪声的干扰,实现强弱电的隔离。
光电隔离器传输信号采用光电转换原理,使信号输入端与信号接受并输出端实现电绝缘。因此,可以消除输入回路中噪声信号、共地杂波等对输出回路的信号干扰,实现直流信号到交流或脉冲信号间的传送,如图4所示。
图4 市电同步脉冲电路原理图
图5 电压采样电路原理图
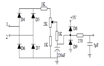
2.1.3 电压采样电路
任何一个含有智能处理单元的电路系统中,采样信号处理的好坏,对整个电路系统的性能都起着至关重要的作用。这是因为,一方面采样电路的好坏,关系到能否为智能处理单元提供正确、稳定的采样信号,如实地反应电路系统的状态;另一方面,质量优异的采样信号为相应的电路提高转换质量和稳定性提供了保障。电源实际控制电路的设计中,为提高整个交流稳压系统的稳压精度和系统故障检测功能,在稳压电源的输入电压和输出电压都设置了采样电路。
输出电压采样值的精确与否对本数字监控式精密净化稳压电源技术指标的提高的影响是十分关键的,因为根据输出电压采样值来计算可控硅触发脉冲的起始时间,以达到监控的目的。输出电压进行采样的同时,加上了电压限幅电路和高频滤波电路。 先把输出电压通过全波整流,转换为纹波较小的脉动直流,然后通过两个二极管组成的限幅电路,最后通过RC电路进行高频滤波,送入PIC单片机A/D转换口,如图 5所示。
另外,为了实时的相对准确的显示输入电压和输出电压的波形,还设计了波形采样电路及信号处理电路,晶闸管触发电路,报警电路,控制电路供电电源等等这里不一一叙述。
2.2 电源主回路仿真
在确定电路主回路参数的基础上,利用PSPICE的电路仿真能力,对于主回路中各参数的作用做了较为详细的研究,仿真图如图6所示。
图6 净化稳压电源主回路仿真示意图
图7 输出电压与可变电感曲线关系图
图8 输出电压与负载阻抗曲线关系图
在电源主回路的仿真研究中,为了清晰的、直观的显示主回路参数对输出电压的影响,假设电源主回路其他元件参数固定不变。单独分析可变电感L在(38.7mH-200 mH)变化时,输出电压呈现了逐渐下降的趋势。
这种主回路元件参数的组合,在没有控制电路稳压控制的时候,最大电压输出值达到280V,最小电压输出值可以达到160V,如图7所示,如显然难以满足稳定输出电压的要求,但只要通过控制电路实现晶闸管控制角的相应改变,可变电感值必然发生相应变化,输出电压的变化趋势一定会发生相应的变化,可以达到电源稳压的目的。
在交流稳压电源的实际使用中,影响电源稳压特性的因素很多,而电源负载阻抗的复杂特性和大小变化也是其中的重要影响元素。那么电源负载阻抗的变化,对于稳压电源输出电压的影响到底怎么样呢?假设电源负载阻抗从空载阻抗一直变化到满载阻抗,稳压电源的输出电压变化规律怎么样呢?
这里,设交流稳压电源空载时,负载阻抗值为1KΩ;满载时,设定其负载值为50Ω。如图8 所示,在主回路其他元件参数固定的情况下,负载阻抗的变化,确实可以引起输出电压的相应变化。当负载阻抗从满载阻抗增大时,输出电压相应的呈增大趋势。
图9 输出电压与感性阻抗曲线关系图
图10 输出电压与容性阻抗曲线关系图
交流稳压电源的实际应用中,负载阻抗的表现为感性的情况较多。当负载阻抗存在感性阻抗时,交流输出电压值相应的产生变化。在交流稳压电源主回路其他元件参数不发生变化时,输出电压随感性负载的增大,呈现减小的趋势,如图9所示。
图10中所示的这种变化关系,是一种理想的变化状况,在实际的电源使用中负载的变化规律复杂,但是这样的关系直观的表达了感性负载变化时输出电压的变化规律。
交流稳压电源的实际应用中,电源负载的特性复杂,容性阻抗作为阻抗类型的一种,到底对于交流稳压电源的输出电压影响作用如何,本文在规定其他主回路元件参数不变的基础上做了仿真分析。
图10中显示,容性阻抗在一定的范围内,当容性阻抗逐渐增大时,输出电压呈上升趋势。但是当容性阻抗超出这个范围后,输出电压随着容性阻抗逐渐增大而逐渐减小。这种固定其他因素不变,单独反映容性阻抗的影响作用的曲线图,从一个侧面直观的反映了电源负载阻抗对于输出电压影响的复杂性。
图11 输出电压与可变电感并联电容曲线关系图
图12 输出电压与滤波电容曲线关系图
交流净化稳压电源的稳压原理是通过改变晶闸管导通角的大小,来改变可变电感的大小,进而改变可变电感与并联电容组成的电抗属性和大小,通过控制电路从而实现输出电压的稳定输出。所以,并联电容的选取很关键。
图11中显示,一定范围内增大并联电容,减小可变电感与并联电容组成的电抗值,输出电压呈下降趋势。但是,当并联电容增大超过一定范围后,对输出电压的影响作用变化不定,这样会影响电源工作的稳定性,这也为主回路并联电容大小的选取提供了必要的指导。
在交流净化稳压电源主回路的设计中,有专门谐振于市电3倍频和5倍频的滤波电容和电感的设计,除此之外,在交流净化稳压电源的设计中,与电源负载并联的滤波的电感的设计也很重要,它在一定意义上将极大的影响交流净化稳压电源的低通滤波特性。从图12中可以清晰看出,滤波电容的选取不宜太大,太大会对电源的工作稳定性产生不良影响。
3.样机稳压性能测试
交流稳压电源中,负载变化、主回路参数、输入电压等因素会引起输出电压的变化。在实际交流稳压电源的应用中,各种相关因素是不断变化的,而输出电压最大限度保持恒定的能力是用户最关心的事情。样机经性能测试,其指标完全符合设计要求,后在计量站进行了实际试用,效果良好。
图13是实验样机的实物图片,为说明其主要性能表现,给出了稳压电源在5KW输出负载时,通过调压器对输入电压进行突变调节时,图14所示实测的输入输出比对波形, 图15所示外场实测的输入输出比对波形。
图13 高稳定度精密供电电源样机实物图
图14 实测输入输出比对波形(上波形为输入,下波形为输出)
图15 外场实测输入输出比对波形(上波形为输出,下波形为输入)
从图14中明显看出,稳压精度优于±1%,稳压输出的调整速度不大于10ms,表明研制的稳压电源具有优良的性能。从图15中可以看出,外场实际的输入电压波形得到了很好的改善,输出电压可以满足实际需求。
4.总结
通过交流净化稳压电源仿真模型的建立,实现了电源主回路的仿真,进一步明确了主回路各元件参数对电源输出电压的影响,为主回路参数的斟酌选取提供了理论指导,并且克服了实际设计中器件更换繁琐的缺点,对于各元件参数的影响有了直观的认识。
通过对样机稳压性能的实际测试证明,样机的稳压性能可以很好的满足基地对输出电压的稳定要求,并且在实际试用中,效果良好。
(本文选编自《电气技术》,作者为任贤。)
51、AVR、PIC、MSP430等单片机的复位电路详解
51单片机复位电路
复位是使CPU和系统中其他部件都处于一个确定的初始状态,并从这个状态开始工作。
80C51复位结构如上图所示,此处的复位引脚只是单纯地称为RST而不是RST/VPD,因为CHMOS型单片机的备用电源也是由VCC引脚提供的。
无论是HMOS型还是CHMOS型的单片机,在振荡器正在运行的情况下,复位是靠在RST/VPD引脚加持续2个机器周期(即24个振荡周期)的高电平来实现的。在RST引脚出现高电平后的第二个周期执行内部复位,以后每个周期重复一次,直至RST端变低电平。
51单片机复位电路及复位操作
单片机的复位有上电复位和按钮手动复位两种。如下图2所示为上电复位电路,图(b)所示为上电按键复位电路。
上电复位是利用电容充电来实现的,即上电瞬间RST端的电位与VCC相同,随着充电电流的减少,RST的电位逐渐下降。图2 (a)中的R是施密特触发器输入端的一
个10K?下拉电阻,时间常数为10×10-6×10×103=100ms。只要VCC的上升时间不超过1ms,振荡器建立时间不超过10ms,这个时间常数足以保证完成复位操作。上电复位所需的最短时间是振荡周期建立时间加上2个机器周期时间,在这个时间内RST的电平应维持高于施密特触发器的下阈值。
上电按键复位2(b)所示。当按下复位按键时,RST端产生高电平,使单片机复位。
在复位有效期间(即高电平),80C51单片机的ALE引脚和PSEN引脚均为高电平,且内部RAM不受复位的影响。
AVR单片机复位电路
Mega16已经内置了上电复位设计。并且在熔丝位里,可以控制复位时的额外时间,故AVR 外部的复位线路在上电时,可以设计得很简单:直接拉一只10K的电阻到VCC即可(R0)。为了可靠,再加上一只0.1uF的电容(C0)以消除干扰、杂波。D3(1N4148)的作用有两个:作用一是将复位输入的最高电压钳在Vcc+0.5V 左右,另一作用是系统断电时,将R0(10K)电阻短路,让C0快速放电,让下一次来电时,能产生有效的复位。当AVR在工作时,按下S0开关时,复位脚变成低电平,触发AVR芯片复位。
重要说明:实际应用时,如果你不需要复位按钮,复位脚可以不接任何的零件,AVR芯片也能稳定工作。即这部分不需要任何的外围零件。
PIC单片机复位电路
当PIC16F87X系列单片机使用低频振荡方式时,单片机的外接引脚MCLR连接如图所示中(a)和(b)所示。
其中,MCLR引脚的漏电流最大值为5μA,电阻R取值应小于40kΩ,以保证其压降不大于0.2V;R1用作限流电阻,取值1.0Ω,用于保护MCLR引脚内部电路。
PIC单片机复位电路
二极管D使电容C能够在电源掉电时快速放电。电容C的充电过程对于我们有用,而放电过程不仅无用,而且在一次掉电之后,C还有积累电荷时,如果再次上电,就会造成RC延时电路失去延时作用,从而不能可靠复位。
MSP430单片机复位电路
只要电源接通,那么这个电容就会“逐渐充满电”,这个过程必须要有,正是这个过程保证了CPU正确地“RESET”。
当电容充满电之后我们把电源开关断开了,这个电容中的电“何去何从”呢?VCC和GND之间接了N多的器件,所有的器件都对它说:“把你那点电给我吧,我还能坚持一下。”电容说:“给你们没问题,可是我他娘脑袋上有个电阻挡我的财路,你们先别急,我慢慢把电放给你们。”
当电容刚刚要把电通过那个上拉电阻放出来,电源开关突然又接通了。CPU开始冲电容吼:“孙子!你Y的那个充电过程怎么没啦?我还要复位呢!”电容不干了:“废话,我上次充的电还没放呢这他妈电源又通啦!”CPU急了:“那我怎么办?我得复位啊!”电容眼珠一翻:“管你Y怎么办,死去吧你!”
如果有了这个二极管就可以快速将电容上的电压释放,保证复位信号正确无误。这个才是该二极管起到的真正作用。
相关问答
PIC单片机 功耗?PIC功耗很小的。休眠时1uA左右,工作时要看工作频率,负载,电压。以我用PIC16F690为例,选用32.768KHz晶振,3.6V电压,待机功耗为17uA左右。4M晶振的话有几百u...
通俗的介绍一下 pic单片机 - 懂得为什么要和电脑类比呢?看来你没有用过单片机吧,单片机的结构都是大同小异的。那就象征性地类比下。pic是哈佛结构的,程序存在程序存储器,也就是ROM...
pic单片机 的pic是什么意思?1.PIC单片机(PeripheralInterfaceController)是一种用来开发和控制外围设备的集成电路(IC)。一种具有分散作用(多任务)功能的CPU。与人类相比,大脑就是C...
Keil可以用来开发 PIC单片机 程序么?keil不能给pic单片机编程。pic有专用的编译软件,mplab和c语言编译软件picc。1、MPLABX目前还不是很成熟,如果用来做项目的话,建议用MPLAB8.86版本即可,到MIC...
. pic单片机 烧写问题Theovercurrentlogichasdetectedafaultco...[最佳回答]供电电流不够,烧写器的带载能力不强,你看看烧写器供电有没有选择上,然后是不是烧写器对电路板的其他外设进行了供电。我一般会在单片机的5V电源和外...
pic单片机 结构属于?传统的单片机采用复杂指令集(ComplexInstructionSetComputer,CISC)结构,通常有50~110条。而PIC采用精简指令集(ReducedInstruction...
pic单片机 ,偶尔死机?我用C8051f330控制36V无刷电机的时候也出现过你这现象,也是偶尔死机,估计是硬件的事我用C8051f330控制36V无刷电机的时候也出现过你这现象,也是偶尔死机,估计...
pic单片机 引脚设置为ad输入时内阻很低,加了运放也不够,接上就会把电压拉到0,有谁知道怎么回事呢?先确认你单片机的AD采样端的参考电压是多少。2.看一下你输入的2V到单片机引脚是不是还有2V,是不是被拉低了。3、看一下你AD采样脚和AD采样寄存器的配置。给你...
单片机 芯片有哪些?单片机有很多种啊,以内核划分就有51、ARM等等。如果你习惯了51单片机的编程,可以试试89C2051这款单片机,它是89C51的精简版,只有20个脚,编程的时候和普通51...
怎么测 单片机 板子的静态电流,比如 PIC 16F886?把电源线(给单片机供电的电源线)断开,把电流表串在电源线中间,开机就可以看到静态电流。把电源线(给单片机供电的电源线)断开,把电流表串在电源线中间,开机就...
