小5带你飞(8)—AVR(ATmega 328P)单片机片内ADC的原理和使用(1)
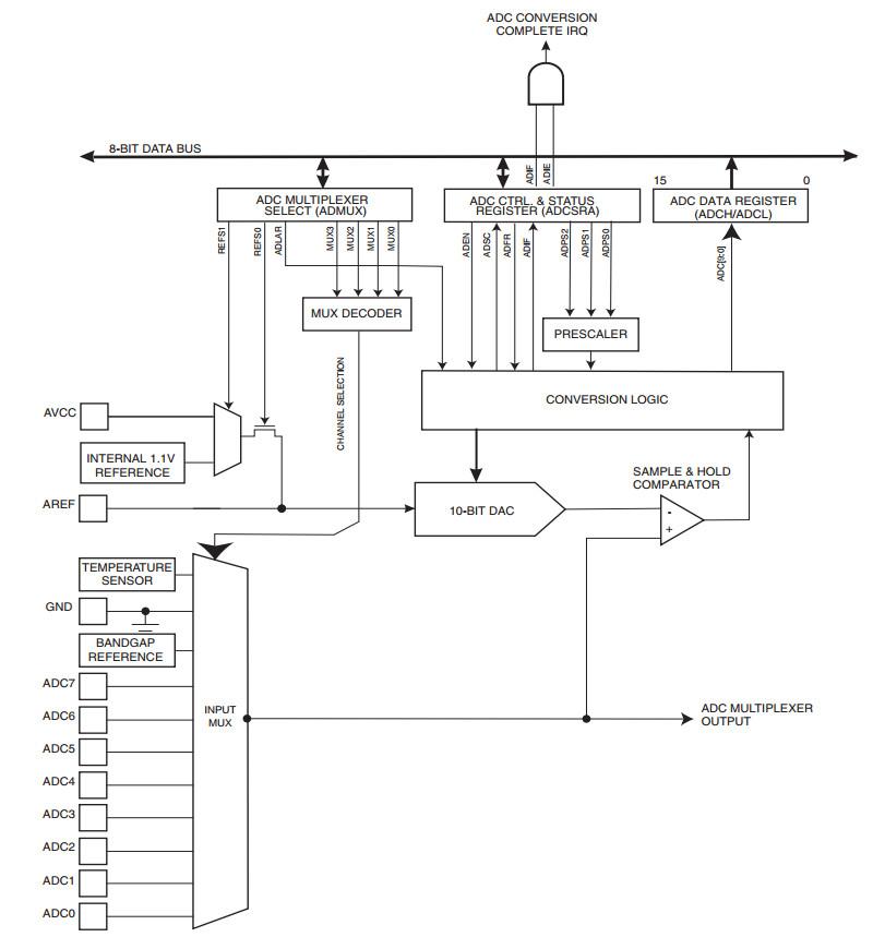
ATmega328p内部集成了一个10位的逐次逼近的A/D转换器。该转换器与一个8通道的模拟多路复用器连接。它能够对来自端口A的8路单端输入电压进行采样。
ADC转换模块的原理图
看一下它的基本特性:
10位分辨率
0.5 LSB积分非线性
±2 LSB绝对精度
13 -~260µs转换时间
最高采样速率76.9 kSPS/s
6路可选的单端输入通道
2路额外多路复用单端输入通道(TQFP 、QFN/MLF)
温度传感器输入通道
ADC读取的结果可设置为左端对其
0~Vcc ADC输入电压范围
可选择1.1v ADC参考电压
自由连续转换模式和单次转换模式
在ADC转换完成时中断
睡眠模式噪音消除
ADC的供电和参考电压:
ADC由独立的专用的模拟电压引脚AVCC供电,AVCC和VCC的电压差别不能大于±0.3V。
ADC的参考电源可以是芯片内部的1.1v的参考电源,也可以是AVCC,也可以采用外部参考电源,使用外部参考电源的时候,外部参考电源可由引脚AREF接入,使用内部参考电压源的时候,可以通过在AREF引脚外部并接一个电容来提高ADC的抗噪性能。这个电容一般可为0.1uF
与ADC有关的寄存器:
ADMUX:多路复用选择寄存器
bit6、bit7 :ADC参考电压选择。如果在转换过程中改变了设置,则只有等待当前转换结束后才起作用。如果在 AREF引脚上施加了外部参考电压,则内部参考电压将不能被选择。这个参考电压的选择见下图:
还是解释一下:
00 :AREF,内部基准源关闭
01 :AVCC,AREF外接滤波电容
10 : 保留
11 :1.1v内部基准电压源,AREF外接滤波电容
bit5:转换结果对齐位。置位左对齐,清位右对齐
bit4:一个保留位
bit3~bit0:模拟通道选择位
就是选择连接到哪个通道上,这个没啥说的。看表就好了,如下:
2. ADCSRA:ADC控制和状态寄存器A
bit7:ADC使能位。置位则启动ADC功能,清位ADC功能关闭
bit6:ADC开始转换。
在单次转换模式下,该位置位将启动一次ADC转换,在连续转换模式下,该位置位,将启动首次转换
bit5:ADC自动触发使能位。
该位置位,则启动ADC自动触发功能。
bit4:ADC中断标志位
ADC转换结束且数据寄存器被更新后该位置位,如果ADIE及SREG寄存器中的全局中断使能位I被置位,
则ADC转换结束中断服务程序被执行,同时该位被硬件清零,也可以通过软件写1清零。
bit3:ADC中断使能位。如果该位及SREG寄存器中的全局中断使能位I被置位,则ADC转换结束中断将被使能。
bit2~bit0:ADC预分频器的选择。这三位决定ADC输入时钟与CPU时钟之间的分频系数,如下表:
3. ADCL 、 ADCH :ADC数据寄存器
分别是左对齐的和右对齐的数据
ADC转换结束后,转换结果将存在这两个寄存器当中。首先ADMUX寄存器当中的ADLAR和MUXn影响转换结果在寄存器中的存放形式。当ADCL被读取时,ADC数据寄存器在读取ADCH之前不会更新,如果转换结果为左对齐且只需要8位的精度,那么仅需要读取ADCH就可以了,否则需先读取ADCL然后读取ADCH。
4.ADCSRB :ADC控制和状态寄存器B
bit2~bit0:ADC自动触发源的选择
说明一下吧:
000:连续转换模式
001:模拟比较器
010:外部中断请求0
011:定时器/计数器0比较匹配A
100:定时器/计数器0溢出
101: 定时器/计数器0比较匹配B
110:定时器DIDR0数器1溢出
111:定时器/计数器1捕捉事件
5. DIDR0:数字输入禁用寄存器0
说明一下:
bit5~bit0 :当这些位置位,相应的ADC引脚的数字输入缓存区被禁止,相应的PIN寄存器读取的时候都为0,
模拟信号运用于ADC5~ADC0,是不需要这么做的,ADC6和ADC7是没有缓存区的。
下面来看看ADC的基本使用步骤:
ADC输入端口初始化
基准电压的设置,数据对齐方式的设置,通道的选择。(ADMUX寄存器的配置)
AD使能,启动装换,中断的设置(ADCSRA寄存器的设置)
触发源的选择(ADCSRB寄存器的设置)
选择中断号,编写中断服务程序,读取ADC的数据(ADCL 、 ADCH )
好的,关于ADC的寄存器就写这么多了,下一篇我们来写ADC的驱动程序。
更多内容请关注头条号:小5嵌入式
小5带你飞(15)—AVR(ATmega 328P)单片机USART的原理和使用(1)
通用同步和异步串行接收器和转发器 (USART) 是一个高度灵活的串行通讯设备。主要特点为:
还是先来看涉及到的寄存器:
UDRn – USART I/O 数据寄存器n
这个其实两个寄存器,其实一个是读一个是写。USART 发送数据缓冲寄存器和 USART 接收数据缓冲寄存器共享相同的 I/O 地址,称为USART 数据寄存器或 UDR。将数据写入 UDR 时实际操作的是发送数据缓冲器存器(TXB),读 UDR 时实际返回的是接收数据缓冲寄存器 (RXB) 的内容。
2. UCSRnA – USART 控制和状态寄存器nA
Bit 7 – RXCn: USART 接收结束。接收缓冲器中有未读出的数据时 RXC 置位,否则清零。接收器禁止时,接收缓冲器被刷新,导致 RXC 清零。 RXC 标志可用来产生接收结束中断。
Bit 6 – TXCn: USART 发送结束。发送移位缓冲器中的数据被送出,且当发送缓冲器 (UDR) 为空时 TXC 置位。执行发送结束中断时 TXC 标志自动清零,也可以通过写 1 进行清除操作。 TXC 标志可用来产生发送结束中断。
Bit 5 – UDREn: USART 数据寄存器空。UDRE标志指出发送缓冲器(UDR)是否准备好接收新数据。 UDRE为1说明缓冲器为空,已准备好进行数据接收。 UDRE标志可用来产生数据寄存器空中断(见对UDRIE位的描述)。复位后 UDRE 置位,表明发送器已经就绪。
Bit 4 – FEn: 帧错误。如果接收缓冲器接收到的下一个字符有帧错误,即接收缓冲器中的下一个字符的第一个停止位为 0,那么 FE 置位。这一位一直有效直到接收缓冲器 (UDR) 被读取。当接收到的停止位为 1 时, FE 标志为 0。对 UCSRA 进行写入时,这一位要写 0。
Bit 3 – DORn: 数据溢出。数据溢出时 DOR 置位。当接收缓冲器满 ( 包含了两个数据 ),接收移位寄存器又有数据,若此时检测到一个新的起始位,数据溢出就产生了。这一位一直有效直到接收缓冲器(UDRn) 被读取。对 UCSRnA 进行写入时,这一位要写 0。
Bit 2 – UPEn: 奇偶校验错误。当奇偶校验使能 (UPMn1 = 1),且接收缓冲器中所接收到的下一个字符有奇偶校验错误时UPE 置位。这一位一直有效直到接收缓冲器 (UDRn) 被读取。对 UCSRnA 进行写入时,这一位要写 0。
Bit 1 – U2Xn: 倍速发送。这一位仅对异步操作有影响。使用同步操作时将此位清零。此位置 1 可将波特率分频因子从 16 降到 8,从而有效的将异步通信模式的传输速率加倍。
Bit 0 – MPCMn: 多处理器通信模式。设置此位将启动多处理器通信模式。 MPCMn 置位后, USART 接收器接收到的那些不包含地址信息的输入帧都将被忽略。发送器不受MPCM设置的影响。
3.UCSRnB – USART 控制和状态寄存器nB
Bit 7 – RXCIEn: 接收结束中断使能。置位后使能 RXCn 中断。当 RXCIEn 为 1,全局中断标志位 SREG 置位, UCSRnA 寄存器的 RXCn 亦为 1 时可以产生 USART 接收结束中断。
Bit 6 – TXCIEn: 发送结束中断使能。置位后使能 TXC 中断。当 TXCIEn 为 1,全局中断标志位 SREG 置位, UCSRnA 寄存器的TXCn 亦为 1 时可以产生 USART 发送结束中断。
Bit 5 – UDRIEn: USART 数据寄存器空中断使能。置位后使能 UDREn 中断。当 UDRIEn 为 1,全局中断标志位 SREG 置位, UCSRnA 寄存器的 UDREn 亦为 1 时可以产生 USART 数据寄存器空中断。
Bit 4 – RXENn: 接收使能。置位后将启动 USART 接收器。 RxDn 引脚的通用端口功能被 USART 功能所取代。禁止接收器将刷新接收缓冲器,并使 FEn、 DORn 及 UPEn 标志无效。
Bit 3 – TXENn: 发送使能。置位后将启动将启动 USART 发送器。 TxDn 引脚的通用端口功能被 USART 功能所取代。TXENn 清零后,只有等到所有的数据发送完成后发送器才能够真正禁止,即发送移位寄存器与发送缓冲寄存器中没有要传送的数据。发送器禁止后, TxDn引脚恢复其通用I/O功能。
Bit 2 – UCSZ2n: 字符长度。UCSZ2n与UCSRnC寄存器的UCSZn1:0结合在一起可以设置数据帧所包含的数据位数(字符长度 )。
Bit 1 – RXB8n: 接收数据位 8n。对 9 位串行帧进行操作时, RXB8 是第 9 个数据位。读取 UDRn包含的低位数据之前首先要读取 RXB8n。
Bit 0 – TXB8n: 发送数据位 8n。对 9 位串行帧进行操作时, TXB8 是第 9 个数据位。写 UDRn 之前首先要对它进行写操作。
4.UCSRnC – USART 控制和状态寄存器nC
Bits 7:6 – UMSELn1:0 USART 模式的选择。见下表:
Bits 5:4 – UPMn1:0: 奇偶校验模式。见下表:
Bit 3 – USBSn: 停止位的选择
Bit 2:1 – UCSZn1:0: 字符长度
Bit 0 – UCPOLn: 时钟极性
UBRRnL and UBRRnH – USART 波特率寄存器
Bit 11:0 – UBRR11:0: USART 波特率寄存器。这个 12 位的寄存器包含了 USART 的波特率信息。其中 UBRRH 包含了 USART 波特率高 4 位, UBRRnL 包含了低 8 位。波特率的改变将造成正在进行的数据传输受到破坏。写UBRRnL 将立即更新波特率分频器。
波特率的计算公式:
atnega328p的晶振频率为:16MHz,故看这样一个表,直接查表设定值就好了。
常用振荡器频率的UBRRn设置示例
总结一下串口使用的方法:
初始化。工作模式,帧结构等(UCSRnC)
波特率的设置。(UBRRnL ,UBRRnH)
中断的相关设置。(UCSRnB)
选择终端号,编写中断服务程序。
更多内容请关注头条号:小5嵌入式
相关问答
arm 单片机 和 avr 、51有什么区别?简单的说,CPU构架不同,虽然都是8位的,但指令集不同,AVR是用RISC的,哈佛结构的总线;51是用CISC,冯诺衣曼结构的总线。跟AVR比,51是老掉牙的东西,内部资源...简...
单片机 教材,有什么推荐?参考资料⒈《单片机原理及应用教程》徐煜明韩雁主编电子工业出版社⒉《MCS-51/96系列单片机原理及应用》孙涵芳徐爱卿主编北京航天航空大学出版社...
我在烧录 avr单片机 的时候烧录不了-ZOL问答单片机配置写入是你对这片芯片下次再写或程序上电启动时的要求,数据校验是你这片芯片写完后是否还要校验一次(这提高了可靠性可要多花时间)9条回答:【推荐答案...
谈谈你对 单片机 的认识?从大一的时候在大学图书馆看到关于AVR单片机的书籍,到参加竞赛、工作,我和单片机已经打了六七年的交道了吧。其间我都是在做产品的软件开发,与硬件工程师合作...
单片机 和ARM有什么区别?欢迎大家关注狗哥,学习更多单片机干货1、单片机指单芯片上集成了控制器、存储器以及如定时器、SPI、IIC等外部设备于一体的片上系统,可以用来执行复杂的功能,...
51 单片机 的晶振电路组成?源晶...1、最普通的模式,也就是外接无源晶振,然后每个晶振的一个脚都接一个20-30pF的电容到地。2、外接振荡源的模式,也就是利用有源晶振,脉冲输出后直接接X...
为什么很多 单片机 的工作电压是5v?因为大多数芯片都是5V的TTL电平,要做到电平兼容,电平匹配,避免要电平转换操作,所有很多单片机的工作电压都是5V。TTL指的是TTL电平,0~5V之间,小于0.2V输出...因...
c52 单片机 开发板能干啥?c52单片机开发板能可以作为烧写器(即编程器),将自己写好的程序写入单片机中,但烧写单片机的种类单一,型号也不会太多。2、可以利用开发板上的一些硬件做一些...
单片机 缺货原因?还是有人捣鬼。有那些人有货源,花钱把货源全买断,然后市场上就会缺货,这时候他们可以再高价出售。因为芯片厂的产量是固定的,不可能一下子填补市场的空缺。这...
Arduino、arm、树莓派、 单片机 四者有什么不同?首先arm是由软银设计的微处理器内核,既不是单片机也不是开源电子并且不是一种可以看到的实物,是ARM公司授权被封装在ARM系列CPU中的一种逻辑架构内核。手机中...
