单片机是如何与电脑进行通信的,电子工程师必知内容
单片机怎样才能与电脑进行通信呢?相信很多初学者对此都有疑问,今天从应用层面跟大家分析一下。
单片机的串口是TTL电平无法直接与电脑进行通信,需要进行电平转换。现在市面上有很多型号的电平转换芯片,今天给你推荐三款,分别是MAX232,CH340G,CH340C。下面分别介绍。
1. MAX232芯片
这款芯片是出镜率比较高的芯片,不管实在大学的课本上还是在单片机开发板上,只要涉及到USB/串口,一定会讲到这款芯片。这款芯片具有双通道的转换接口,设计电路也不复杂,下图是典型的设计原理图:
MAX232芯片典型原理图
这款芯片需要四个电容来搭建外设电路,手册上推荐用1uF的极性电容,但是经过验证使用0.1uF的电容也是可以的,这大大降低了板子的体积。
2.CH340G芯片
CH340G是南京沁恒生产的,可以说这家公司生产的电平转换芯片、网关芯片都是神器,外设电路简单,功能强大。CH340G芯片由于外设电路简单目前卖的比较火,经常断货。他的典型原理图如下图所示:
CH340G典型原理图
这款芯片需要外接12M的晶振,而且在设计的时候要注意,外接电源为5V和3.3V时,第4引脚V3的处理方式是不一样的,上图外接5V,V3需要通过0.1uF的电容到GND;外接3.3V时,V3需要连接到电源。目前很多USB转串口的模块就是使用该芯片设计的。
USB/TTL模块
目前很火的ISP自动下载电路使用的就是该芯片。
3.CH340C芯片
CH340C跟CH340G是同系列的,但是CH340C在使用时可以省去外接12M晶振和起振电容,更节省了PCB空间和成本,相对而言设计更为方便。CH340C的典型电路原理图如下所示:
CH340C典型原理图
这几款芯片的价格也不是很高,CH340G约1.8元人民币,CH340C约1.94元人民币,MAX232约3元人民币。当然还有其他很多芯片如PL2303,这里就不再推荐。
欢迎留言评论,更多精彩内容可以关注我的头条号玩转嵌入式 。谢谢。
工程师,USB与SPI之间如何通信?什么芯片方案可以实现
工程师,在研发设计电路项目,可能会使用不同标准协议的通信方式;常见的通信方式类型包含
USB通信,如U盘的接口是采用USB通信;UART通信,如数字温湿度传感器的接口是采用UART通信;SPI通信,如Nor Flash存储芯片的接口是采用SPI通信;IIC通信,如EEPROM存储芯片的接口是采用IIC通信;RS485通信,如工业电机控制器的接口是采用RS485通信;CAN通信,如数字PLC的接口是采用CAN通信;电路项目
通信协议,严格定义了每种通信方式的电路含义;不同类型的通信协议,所代表的电路含义也不同 ;以SPI通信协议与USB通信协议举例说明
SPI通信协议与USB通信协议区别
01 引脚定义
SPI通信协议,在硬件电路上表现为CS引脚、CLK引脚、DI引脚与DO引脚,分别对应的电路含义
CS为通信的片选信号,CLK为通信的时钟信号,DI为通信的数据输入信号,DO为通信的数据输出信号;
SPI通信接口
USB通信协议,在硬件电路上表现为VBUS引脚、D+引脚、D-引脚与GND引脚,分别对应的电路含义
VBUS为通信的电源,D+为通信的数据信号,D-为通信的数据信号,GND为通信的参考地线;
USB通信接口
02 通信速度
从Nor Flash存储芯片25Q16数据手册得知,SPI通信的时钟信号最大可以支持到133MHz,也就是SPI通信速度最大为133Mbps;
从USB3.0最新的标准得知,USB通信的最大速率可以达到480Mbps;
SPI通信与USB通信在硬件引脚定义以及通信速度上,呈现出截然不同 的电路特性;然而工程师在开发一些特定的项目,会面对不同协议之间的通信接口需要互相通信的问题,比如USB与SPI两者之间需要通信;
工程师该如何去解决这类不同协议之间的通信电路问题?采用什么芯片应用电路方案,能实现USB与SPI之间可以互相通信?
HT42B533桥接芯片的电路方案 就可以较好地解决此类电路问题;HT42B533桥接芯片是如何解决的呢?工程师如何去设计它的应用电路方案呢?
HT42B533桥接芯片
工程师在首次接触一个全新的芯片,会试图去了解这个芯片能实现什么功能,它包含一个怎样的电路特性,以此来判断是否能解决当前项目设计遇到的电路问题;
所谓通信桥接芯片,是指能将一种通信协议的接口转换成另外一种通信协议的接口,以实现不同通信协议接口可以互相转换;
HT42B533芯片作为一种通信桥接芯片,能实现的功能是可以将USB通信协议与SPI通信协议互相转换;
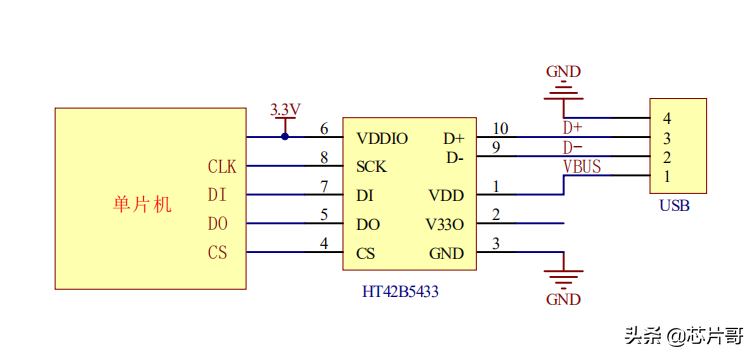
HT42B533引脚定义图
Pin1引脚VDD:芯片的工作电源引脚,工程师在项目应用中,直接连接到USB的VBUS电源引脚;Pin2引脚V33O:芯片的3.3V电源输出引脚,可以作为其他电路模块的工作电源电压;Pin3引脚GND:芯片的参考地线;Pin4引脚CS:芯片的SPI通信片选信号引脚,工程师在项目应用中,直接连接到SPI通信接口的CS引脚;Pin5引脚DO:芯片的SPI通信数据输出信号引脚,工程师在项目应用中,直接连接到SPI通信接口的DO引脚;Pin6引脚VDDIO:芯片的SPI通信功能电源引脚;Pin7引脚DI:芯片的SPI通信数据输入信号引脚,工程师在项目应用中,直接连接到SPI通信接口的DI引脚;Pin8引脚SCK:芯片的SPI通信时钟信号引脚,工程师在项目应用中,直接连接到SPI通信接口的CLK引脚;Pin9~Pin10引脚D-&D+:芯片的USB通信信号引脚;HT42B533芯片工作原理
HT42B533芯片内部电路
方便工程师更深层次地了解HT42B533芯片工作原理,可以查看其芯片的内部电路图;大致的工作原理说明
USB通信数据进入芯片的USB控制单元,控制单元通过数据的解析,将数据内容发送至128位的TX Buffer,传递给到SPI控制单元,最后通过SPI的通信方式发送数据;同样原理,SPI通信的数据进入芯片的SPI控制单元,控制单元通过数据的解析,将数据内容发送至128位的RX Buffer,传递至USB控制单元,最后通过USB的通信方式发送数据;
HT42B533应用电路图
了解完HT42B533桥接芯片的电路功能与原理,工程师就可以去设计它的应用电路,解决项目中存在的USB与SPI之间通信的电路问题;
HT42B533应用电路图
工程师,可以依据实际的电路项目需求,将其作为电路问题解决的参考设计;
在HT42B533芯片应用电路方案中,工程师需要注意两点内容
1)HT42B533芯片连接的两个接口SPI与USB,必须包含至少一个“主设备”,例如SPI连接单片机或者USB连接电脑;如SPI连接25Q16存储芯片“从设备”和USB连接类似于U盘的“从设备”,则HT42B533芯片不能正常工作,实现不了其通信协议的桥接转换功能;
2)软件开发的时候,需要配置匹配的各自通信速率,以免出现通信数据解析乱码;
最后总结
HT42B533芯片应用电路方案只是解决这类通信协议互相转换的一个方案,不知面对此问题,工程师在之前的项目开发中,是采用什么芯片电路方案解决的?
本文由【芯片哥】原创撰写,一个做电子元器件与芯片销售的工程师,喜欢就关注芯片哥,和芯片哥一起加油吧
相关问答
51 单片机 怎么连接 USB 接口进行数据传输?1不支持USB,只有用串口,51用串口传输数据,像CH340这种芯片和51连一起就可以用USB通信了。还有就是232和485了。1不支持USB,只有用串口,51用串口传输数据,像CH...
如何用 usb 给 单片机 供电?USB口的1脚为+5V,4脚为GND,在你设计版时可以直接引用这个电源为单片机供电,如板上需要3.3V则再加个1117模块稳压输出3.3V使用时要注意:1、不要知路及反接2...
可以让android手机与 单片机 通过 usb 线连接获取数据吗?手机没有usbhub,也就是只能作为usb的从机设备而不能作为主机。方案1、如果用usb的话,那么你的stm32就要做成usb主机了方案2、通过蓝牙,买一个串口通信的蓝牙...
51 单片机usb 驱动器怎么连接?要连接51单片机与USB驱动器,您可以按照以下步骤进行:1.准备硬件:您需要准备一个51单片机开发板或自己设计的电路板,以及一个USB驱动器(如USB闪存驱动器)...
51 单片机 怎样和PC通过RS485进行 通信 ?你已经用USB转成RS485,再将RS485转成TTL了,剩下的事就简单了,就把RS485TTL的RXD接到单片机RXD,把485TTL的TXD接到单片机的TXD上就行了。然后就要写程序了。...
下位机是个 单片机 ,通过 USB 线联接,怎么写PC的VC 通信 程序?-Z...如果你是开发上位机,就需要相关的IC来支持的,IC的作用是协议转换,将上位机的USB相关的协议格式转换为下位机的协议,下位机协议通常有SPI,IIC,UART等等。我目前...
如何实现 单片机 与手机的远距离 通信 ?通过云服务器中转可以实现单片机与手机的远距离通信只要有互联网连接,通过云服务器中转,单片机和手机无论处于地球的哪一个角落都可以进行通信,这就是物联网...
8052 单片机 怎么 通信 ?1、单片机与其他单片机或芯片级的通讯有:RS232、IIC、SPI、并口(I/O)、DMA(如msp430、ARM);2、单片机通过电缆与PC或其他设备通讯有:RS232、RS485、USB、CA....
32位 单片机 芯片间的通讯方式?1、单片机与其他单片机或芯片级的通讯有:RS232、IIC、SPI、并口(I/O)、DMA(如msp430、ARM);2、单片机通过电缆与PC或其他设备通讯有:RS232、RS485、USB、CA....
这种 USB 接口弄 单片机 最小系统怎么焊接啊?那四个引脚作用怎么...亚马逊USB连接线讨论回答(5)电脑USB2.0(兼容1.0标准)插口定义是:+5V电源电压。数据线负极。数据线正级。电源地线。可以参考下面图形进行焊接。要想成...
