扫盲教程:深入浅出讲解单片机控制单只数码管循环显示0~F
最近有好多小伙伴留言说,我发的项目很难,他们都是刚入门的,希望我写一些入门级的教程,那么今天我就从硬件和软件两个方面来给大家讲一下最基本也是十分重要的电路 单片机驱动数码管显示电路。
要弄清楚单片机控制数码管显示字符的原理我们首先要知道:三个概念
单片机:通俗的讲单片机是一种集成电路芯片,利用一些特殊工艺把许多不同功能的模块集成到一块硅片上构成的一个小而完善的微型计算机系统,在工业控制领域广泛应用。单片机可以烧进程序,然后从不同的IO口输出规定的电平信号。
七段数码管(如下图):
数码管是一类价格便宜 使用简单,通过对其不同的管脚输入相对的电流,使其发亮,从而显示出数字能够显示 时间、日期、温度等所有可用数字表示的参数的器件。一般的七段数码管拥有七个发光二极管(三横四纵)用以显示十进制0至9的数字外加小数点,也可以显示英文字母 A 至 F(b、d 为小写,其他为大写)。现时大部分的七段数码管会以斜体显示。
好了,上面是单片机和数码管的概念,下面说一下单片机的工作原理:
一个单片机要想能正常工作必须满足它工作的最小系统,这个最小系统包括,电源电路,晶振电路,复位电路等,当电源电路给单片机正常供电后,在上电的一瞬间会给复位电容充电从而完成上电复位的动作。单片机复位结束后,我们把需要控制数码管显示的代码烧进单片机,这时候单片机就会根据写的代码从不同的IO口输出不同的电平,从而控制七段数码管每一段的亮灭,而达到显示不同数字的目的。
好了说了半天理论了,下面我们开始实践一下吧!
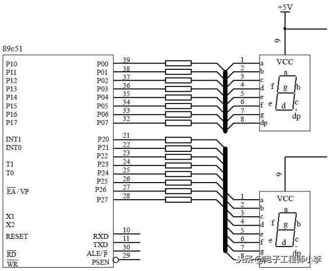
首先用PROTEUS仿真软件画好单片机最小系统和LED数码管驱动原理图:本项目中用STC89C52
把程序烧进去以后,数码管开始从0到F显示,适当调整源代码参数可以修改显示不同的数字和不同的时间间隔。
51单片机参考源代码如下:
/*单只数码管循环显示0~F 作者 科技小伟1*/
#include <reg51.h>
typedef unsigned char uint8;
typedef unsigned int uint16;
code uint8 LED_CODE[] = {0xC0,0xF9,0xA4,0xB0,0x99,0x92,0x82,0xF8,
0x80,0x90,0x88,0x83,0xA7,0xA1,0x86,0x8E};
void delay(uint16 x)
{
uint16 i,j;
for(i = x; i > 0; i --)
for(j = 114; j > 0; j --);
}
void main()
{
uint8 i = 0;
while(1)
{
for(i = 0; i < 16; i ++) //i = (i + 1) % 16
{
P0 = LED_CODE[i];
delay(500);
}
}
}
好了以上就是单片机控制数码管显示的全部内容了,本文从软件和硬件两个角度分别讲解,如果有任何意见或者需要设计文件 欢迎留言或者私信,如果你也对单片机感兴趣,那么快点行动起来吧!我们下期再见!
详解数码管显示控制
数码管种类繁多,按外观来划分,可以分为七段数码管、米字型数码管、点阵块等。图8-5所示为各种不同形状的数码管。
图8-5 各种不同形状的数码管
LED数码管结构与工作原理
单片机系统中常用的是七段数码管,它由8个发光二极管(以下简称字段)构成,如图8-6(a)图所示(注:由于小数点字段不常用,所以一般称为七段),通过不同的组合可以显示数字0~9、字符A~F、H、L、P、U、符号“-”及小数点“.”。
根据发光二极管物理连接的不同,七段数码管可以分为共阴极和共阳极两种结构。共阴极型数码管如图8-6(b)所示,所有字段的阴极均连接低电平,因此在使用共阴极数码时,需要在相应字段上加高电平,才会使其发光。共阳极数码管如图8-6(c)所示,所有字段的阳极均连接高电平,在使用时,需要在相应字段上加低电平。
图8-6 7段数码管结构
LED数码管字型编码
在单片机与数码管组成的应用系统中,一般将单片机的一个并口与数码管的8个段控制引脚连接,且按照口线位的顺序由低到高与a、b、c、d、e、f、g、h连接,这样,若要显示不同字符,只需应用单片机的口线输出相应的控制的电平就可以实现。向口线送的数据就是LED的字型编码。共阴和共阳的字型编码如表8-2所示。
表8-2 共阴和共阳的字型编码表
LED数码管要正常显示,就要用驱动电路来驱动数码管的各个段码,从而显示出我们要的数位,因此根据LED数码管的驱动方式的不同,可以分为静态显式和动态显式两类。
LED数码管静态显示
静态驱动也称直流驱动。静态驱动是指每个数码管的每一个段码都由一个单片机的I/O口线进行驱动,或者使用如BCD码、二–十进位解码器解码进行驱动。
静态驱动的优点是编程简单,显示亮度高,缺点是占用I/O口较多,如驱动5个数码管静态显示则需要5×8=40根I/O口线来驱动,而1个89S51单片机可用的I/O口线才32个。
2位共阳极数码管的静态显示电路如图8-7所示。
图8-7 2位共阳极数码管的静态显示电路原理图
显示数字12的C51程序如下:
LED数码管动态显示
数码管动态显示是单片机中应用最为广泛的显示方式,动态驱动是将所有数码管的8个同名端“a,b,c,d,e,f,g,h”连在一起,另外为每个数码管的公共极COM增加位选通控制电路,位选通由各自独立的I/O线控制。
当单片机输出字形码时,所有数码管都接收到相同的字形码,究竟是那个数码管会显示出字形,取决于单片机对位选通COM端电路的控制。通过分时轮流控制各个LED数码管的COM端,就使各个数码管轮流受控显示。
在轮流显示过程中,每位数码管的点亮时间为1~2ms,由于人的视觉暂留现象及发光二极体的余辉效应,尽管实际上各位数码管并非同时点亮,但只要扫描的速度足够快,给人的印象就是一组稳定的显示,不会有闪烁感,动态显示的效果和静态显示相同,并且能够节省大量的I/O口线,降低功耗。
2位共阳极数码管动态显示电路如图8-8所示。
显示数字12的C51程序如下:
图8-8 2位共阳极数码管动态显示电路原理图
相关问答
单片机 数码管 小数 点的 显示 ?以下是我的回答,单片机数码管小数点的显示可以通过以下步骤实现:首先,需要了解数码管的工作原理。数码管是由多个LED段组成的,通过控制各个段的亮灭来显示不...
单片机 中怎么实现12864动态 小数 点 显示 ?比如你要的时钟秒闪小数点,那你可以在计时程序加到半秒的时候显示,加到一秒的时候让那个位显示空格相当于清除由于12864是一个地址写2个值(ASCII码)或一个中...
我想通过GUI向 单片机 串口发射 小数 ,应该怎么编程?浮点数?定义一个浮点数和长整数的联合体,把浮点数的4个字节取出来直接按顺序发给单片机就行了。浮点数?定义一个浮点数和长整数的联合体,把浮点数的4个字节...
单片机 减法指令 小数 减大数怎么算?1.单片机减法指令小数减大数是不可行的。2.这是因为单片机的减法指令是基于补码运算的,而补码运算是通过将减数取反再加上被减数来实现的。当小数减大数时,...
(最大 显示 数必须为999),能自动 显示小数 点和单】作业帮[最佳回答]先做几个恒流源,然后做几个测试电桥,将电阻转换成电压,送入单片机进行AD转换,然后显示.首先默认大电阻,如果检测到的数字过小,通过继电器切换大一档...
我需要stc89c52 单片机 ds18b20温度控制的c语言程序,要求可显...我这里刚好有2113,不过是用的串口现实的,5261能正确测试温度********************************************************/#include#...
【求MCS51 单片机 高手!回答正确了加100分!程序设计1在内部RAM...[最佳回答]太集中了,慢慢答,得用几天.
智能电表如何看电度?一、智能电表怎么看1、直进式的单相电表和三相电表可直接读取数字减去上次的读数就为这一阶段的电量。2、三相电表通过电流互感器连接方式连接的三相电表,电...
51 单片机 读取电压原理?仿真制作的数字电压表的量程为0到5v,由于用到的模数转换芯片是ADC0809,设计系统给的供电电压为+5v。同时设计的精度为小数点后两位,满足要求的两位小数的精度...
单片机 数字钟毕业中期检查表中的一个问题 - 沈禾欣子 的回答...你问什么问题??淮安信息职5261业技术学院综合毕业实践说明4102书(论文1653)2009-2010学年系专业摘要:数字电子时钟电路设计系统,以AT89C51单片机为...
