单片机的复位电路分析
单片机的复位电路使单片机进入复位状态。通过复位操作可以完成单片机的初始化,也可使处于死机状态下的单片机程序重新开始运行。
单片机复位的原理
单片机复位的原理是,在时钟电路开始工作后,在单片机的RST复位引脚施加24个以上的时钟振荡脉冲的高电平,单片机便可以实现复位。当RST引脚从高电平跳变为低电平后,单片机便从0000H地址开始执行程序。
单片机的复位电路可以有上电复位、手动加上电复位、看门狗复位以及一些复杂的复位电路。在实际应用中,一般采用外部复位电路来进行单片机复位。此时,在RST引脚保持10ms以上的高电平即可保证单片机能够可靠地复位。
复位电路
最典型的上电复位电路如图2.4所示,其基本原理是利用RC电路的充放电效应。当单片机上电的时候,复位电路通过电容加载RST引脚一个短暂的高电平信号,这个高电平信号随着电容的充电而逐渐降低,这个高电平持续的时间和RC电路的充放电时间有关。用户在使用时,需要选择合适的电容和电阻来使高电平的持续时间大于单片机的复位时间。
图2.4 上电复位电路
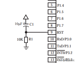
在实际应用的电路中经常需要手工复位,因此使用最多的便是既可以手动复位又可以上电复位的电路,如图2.5所示。上电复位部分的原理同样是RC电路的充放电效应。当按下复位开关的时候,VCC通过一个电阻之间连接到RST引脚,给RST一个高电平,按键松开的时候,RST引脚恢复为低电平,从而完成复位。
图2.5 手动加上电复位电路
在一些复杂的单片机系统中,还经常用到定时监视器复位,它采用单片机内部的看门狗来实现复位操作。应用程序在运行过程中,由于外界的干扰而进入非正常工作状态时,WDT定时计数器产生溢出信号,复位单片机,重新恢复正常运行。对于自身不带看门狗WDT功能的单片机,可以采用专门的复位电路芯片来实现。
常见的单片机复位方式及其原理分析
为确保设计出的电路系统稳定可靠的工作,必须在电路中加入复位电路——将电路恢复到初始状态。类似于我们使用的电脑,一旦我们电脑死机或发生其他问题,我们会利用重启按钮重启我们的电脑。复位电路亦是如此,一旦我们按下复位按键,复位电路就会将系统恢复到初始状态。复位电路的一般组成是电容和电阻组合形式,少部分会用到三极管。
复位方式
1、上电复位/掉电复位
上电复位
当电源电压VCC低于上电/掉电复位电路的门槛电压时,所有的逻辑电路都会被复位。当VCC重新恢复到正常电压时,单片机延迟32768个时钟后,上电复位/掉电复位状态结束。
2、按键复位
3、软件复位
涉及的单片机系统在运行过程中,有时难免会遇到需要软件复位的情况。有些古老的单片机在硬件上可能不支持软件复位功能,所以我们就需要去模拟软件复位的过程。比较常用的方法是跳转到程序的入口地址,利用汇编LJMP、JMP等跳转语句跳到程序的初始入口。但是现在常用的一些单片机(8051、STM32等)在硬件上都支持软件复位,配置专门的寄存器就可以实现复位功能。例如常用的8051单片机,有专门的ISP_CONTER寄存器来支持复位。寄存器的具体配置参考如下。
ISP_CONTER
4、看门狗(WDT)复位
在工业应用中,绝大多数应用系统都会用到看门狗(Watch Dog Timer)。在工业控制/汽车电子/航空航天等高可靠系统中,为了防止系统在异常情况下受到干扰导致MCU长时间异常工作、程序跑飞,通常是引进看门狗。如果CPU不在规定时间内访问看门狗,看门狗就认为系统出了问题,会强制将系统进行复位,使系统从头开始执行程序。现在绝大多数的单片机都支持看门狗功能,例如STC89C52、STM32等。STC89C52单片机有专门的看门狗寄存器WDT_CONTER,配置相应的位即可启动看门狗。
看门狗
复位原理
无论使用上面的哪种复位方式,其本质都是在操作RST复位引脚。用8051单片机按键复位方式的图来说明复位电路的原理。8051单片机的RST引脚只需要保持2个机器周期的高电平即可产生复位。利用电容电压不可突变的性质,适当选取电容充放电的参数(电容值、电阻值)即可达到要求。刚开始上电时,由于电容电压(0V)不能突变,所以电容两端电压为0V,RST此时的电压为VCC。电容慢慢充电,充电结束后,电容两端的电压为VCC,所以此时RST的电势为0V。电容的这一段充电时间要大于单片机的2个机器周期。
软件复位和看门狗复位方式的原理都是使RST的高电平持续时间能够维持2个机器周期。
相关问答
请问 单片机 芯片的 复位原理 是怎么的?何为组容复位电路?有简单...请问单片机芯片的复位原理是怎么的?何为组容复位电路?有简单的电路参考吗?讨论回答(6)单片机的复位就像百米短跑起跑的那声“各就各位,预备...”单片机有各...
单片机复位 电路,按下k键电容C11为什么能放电?我是电子及工控技术,我来回答这个问题。作为单片机最小系统之一的复位电路在单片机中占有很重要的位置,今天我就和朋友们聊聊这方面的事。复位电路介绍一般来...
S51 单片机复位 电路的 原理 -ZOL问答1、上电复位:上电瞬间,电容充电电流最大,电容相当于短路,RST端为高电平,自动复位;电容两端的电压达到电源电压时,电容充电电流为零,电容相当于开路,RST端为低电...
单片机 上电 复位 的工作 原理 是什么?在计算机刚通电的瞬间,复位电容器充电,将CPU的输出状态强行置为预定的状态。待计算机时钟振荡正常,然后等待逻辑运算器开始正常工作后,才开放计算机...
单片机复位 条件?1.51单片机复位的条件为保证RST引脚出现的高电平持续两个机器周期以上的时间。2.51单片机是对所有兼容Intel8031指令系统的单片机的统称。该系列单片机的...
单片机 的 复位 操作有几种方法?单片机的复位操作有两种方法即单片机有两种复位方法:一是高电平复位,二是低电平复位。基本上所有单片机都有一个复位端口(随着单片机技术的发展,现在有些单片...
单片机 按键 复位 电容有什么作用? - 野心要有 的回答 - 懂得充放电作用:当你按下按键时,直接将电容短路掉,电容开始放电,RST端为高电平,按键松开后电容充电,冲完电后通过电阻的电流为0,即RST端为低电平,单片机...
8051 单片机 有几种 复位 方法条件是?8051单片机复位方法有三种方式:1、上电自动复位2、按键电平复位3、外部脉冲。8051单片机当RST引脚上的“高”电平保持2个机器周期以上,就可以复位成功了。...
单片机 按键 复位 电容有什么作用? - i4Ql5kBzhbT 的回答 - 懂得这个电容是上电时复位电容,刚上电时由于充电,电容上没有电荷,RST引脚输入高电平,随着充电进行,电容接近充满时电压接近VCC,此时RST引脚上是低电平。...
单片机 的 复位 方式有俩种是内部复位和外部复位,还是上电自动...[回答]下授课,课堂理论+室内练习+入户实践三位一体的课程方式,最大程度上让学员接受更全面、专业的指导。在通过结业考核后,将发放中国人力资源...看高电...
