DIY电子制作——录音模块ISD1820介绍与应用电路
有时候我们看见街头上小贩们不停的播放声音招揽顾客,想不想自己做一个?今天就给大家介绍一款这样的芯片,只需要几个简单的元件就可以组成一个不停播放的喊话器。这款芯片就是ISD1820语音模块。
产品特点:
使用方便的单片至20秒语音录放
高质量,自然的语音还原技术
边沿/电平触发放音
自动节电,维持电流0.5uA
不耗电信息保存100年(典型值)
外接电阻调整录音时间
内置喇叭驱动放大电路(可直接驱动8欧0.5W小喇叭)
3-5V单电源工作
借助专用设备可以批量拷贝
封装与管脚图:
DIP封装实物图
DIP和COB封装管脚图
单片封装管脚图
引脚说明:
1、电源(VCC) 芯片内部的模拟和数字电路使用的不同电源总线在此引脚汇合,这样使得噪声最小。去耦电容应尽量靠近芯片。
2、地(VSSA, VSSD) 芯片内部的模拟和数字电路的不同地线汇合在这个引脚。
录音 (REC) 高电平有效。只要REC变高(不管芯片处在节电状态还是正在放音),芯片即开始录音。录音期间,REC必须保持为高。REC变低或内存录满后,录音周期结束,芯片自动写入一个信息结束标志(EOM),使以后的重放操作可以及时停止。然后芯片自动进入节电状态。注:REC的上升沿有84毫秒防颤,防止按键误触发。
3、边沿触发放音(PLAYE) 此端出现上升沿时,芯片开始放音。放音持续到EOM标志或内存结束,之后芯片自动进入节电状态。开始放音后,可以释放PLAYE。
4、电平触发放音(PLAYL) 此端从低变高时,芯片开始放音。放音持续至此端回到低电平,或遇到EOM标志,或内存结束。放音结束后芯片自动进入节电状态。
5、录音指示(/RECLED) 处于录音状态时,此端为低,可驱动LED。此外,放音遇到EOM标志时,此端输出一个低电平脉冲。此脉冲可用来触发PLAYE,实现循环放音。
6、话筒输入(MIC) 此端连至片内前置放大器。片内自动增益控制电路(AGC)控制前置放大器的增益。外接话筒应通过串联电容耦合到此端。耦合电容值和此端的10KΩ输入阻抗决定了芯片频带的低频截止点。
7、话筒参考(MIC REF) 此端是前置放大器的反向输入。当以差分形式连接话筒时,可减小噪声,提高共模抑制比。
8、自动增益控制(AGC) AGC动态调整前置增益以补偿话筒输入电平的宽幅变化,使得录制变化很大的音量(从耳语到喧嚣声)时失真都能保持最小。通常4.7uF的电容器在多数场合下可获得满意的效果。
9、喇叭输出(SP+,SP-) 这对输出端可直接驱动8Ω以上的喇叭。单端使用时必须在输出端和喇叭之间接耦合电容,而双端输出既不用电容又能将功率提高至4倍。SP+和SP-之间通过内部的50KΩ的电阻连接,不放音时为悬空状态。
10、外部时钟(XCLK) 此端内部有下拉元件,只为测试用,不用接。
11、振荡电阻(ROSC) 此端接振荡电阻至VSS,由振荡电阻的阻值决定录放音的时间。
12、直通模式(FT) 此端允许接在MIC输入端的外部语音信号经过芯片内部的AGC电路、滤波器和喇叭驱动器而直接到达喇叭输出端。平时FT端为低,要实现直通功能,需将FT端接高电平,同时REC、PLAYE和PLAYL保持低
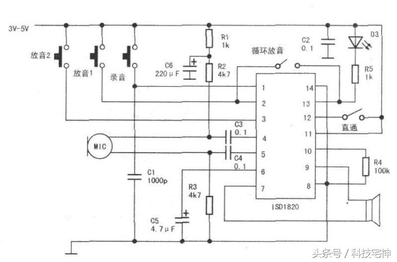
典型应用图:
典型应用电路图
使用介绍:
电源电压3-5V,在录放模式下,按住REC录音按键不放即录音,RECLED灯会亮起,录音在松开按键时停止,放音有三种情况: 1、边沿触发放音,按PE键一下即将全段语音放出,除非断电或语音结束不能停止放音; 2、电平触发放音,按住PL键时即放音,松开按键即停止; 3、循环放音,置循环放音开关闭合,按动PE键即开始循环放音,只能断电才能停止。 在直通模式下,直通开关闭合,对话筒说话会从喇叭里扩音播放出来,构成喊话器功能,由于该模 式下的话筒放大同时经过AGC自动增益调节和带通滤波器,其音质比通常的话筒放大器要好很多,而且不会出现喇叭过载的情况。
如果用户不需要直通模式,而且对电路的静态耗电有要求,就可以改变话筒的接入方式,将话筒下端的偏置电阻接到RECLED端,这样,在平时由于RECLED端为高电平话筒没有电压电流,整个电路的耗电几乎为零。但这种方式下直通模式不能工作。如果用户只需要电路做放音用,可以在芯片录好音测试无误后,将芯片的REC端长期接低电平。取消REC按键,这样可以防止意外抹音。如果用户想制作变调电路,现在ISD芯片也可以了,原来的ISD系列芯片的内部时钟固定,几乎不能产生变调效果,而ISD1820P可以方便的实现,只需要录音和放音时的外部振荡电阻不同就能改变声音的录入和播放速度,详见振荡电阻和取样率表。将ROSC端所接的振荡电阻改为电位器可以无级调节语音的快慢,录入的时间越短音质越好,录入的时间越长音质越差。
Rosc录音电阻与录音时间的关系
PS:大家是不是觉得很简单,几个元件加上一个ID1820,就可以组成一个喊话器,或者一个性化的门铃。不过ID1820只能带动8Ω0.5W的喇叭,如果需要声音更大,可以在后置电路接上放大电路驱动功率更大的喇叭。如果嫌弃组装麻烦,该录音模块组件在某宝上有买的,价格也不贵。 不过那就有点失去了DIY的乐趣了。
自己动手DIY录音机-ISD1820(内附电路图及原件)
暑假闲来无事捣鼓的东东
ISD1820做的小录音机
用到的元件
这是主角,ISD1820
制作过程省略
……………………………………………………
……………………………………………………
完工!
背面,跳线多了点
电路如下
相关问答
isd1820 语音模块工作原理?ISD1820是美国ISD公司于2001年最新推出一种单片8〜20秒单段语音录放电路ISD1810,它的基本结构与ISD1110.1420完全相同,采用CMOS技术,内含振荡器,话筒前置放...
isd1820 p声音传感器的应用?声音传感器在现实生活和军事中都发挥着相当大的作用。1、比如配备装有声音探测和定位传感器的“通用遥控武器站”,这种声音传感系统能对狙击火力进行定位和分...
