华维实战小项目:教你如何用51单片机驱动步进电机
步进电机是一种无刷电机,可将电脉冲转换为机械旋转。顾名思义,它根据输入脉冲逐步旋转,是现代数字程序控制系统中的主要执行元件。
步进电机相比其他电机来说,一般具有5个比较明显的特征:
第一,可实现精细,正确的定位
第二,可通过脉冲信号简单控制
第三,体积小型,高转矩
第四,可自行保持停止位置
第五,可进行大惯性负载
广泛应用于工业、医疗、消费电子应用。简而言之,用于任何需要精确旋转或定位对象的地方。
在单片机领域应用比较广泛,在此和大家分享一个小项目。
步进电机内部线圈原理图:
步进电机通常具有多个励磁线圈(相)和一个带齿转子。电机的步长由相数和转子上的齿数决定。步长是转子一步的角位移。比如一个步进电机有 4 相 50 个齿,则转一圈需要 50×4=200 步。因此步距角为 360/200=1.8°。
本次使用的步进电机有 4 极和一个 1/64 减速齿轮机构,用于增加扭矩。电机的步距角为 5.64°。但在考虑减速齿轮,输出轴的步距角为5.64/64°。
电路原理图:
将步进电机按照电路图连接到 8051 的P1.0、P1.1、P1.2 和 P1.3 引脚分别用于控制步进电机的 A1、A2、A3 和 A4 相。ULN2003 用于驱动步进电机的各个相位。
ULN2003 是一种达林顿晶体管阵列,用于驱动继电器和电机等大电流负载。ULN2003 有 8 个单独的通道,每个通道的容量为 1A,通道可以并联以增加电流容量。每个通道都配有单独的续流二极管,通道通过提供逻辑低电平来激活。例如,我们将 ULN2003 的引脚 1 设为低电平,则步进电机的 A1 接通。
程序设计
按照上图的引线顺序,按时序循环给A1、A2、A3、A4相应的控制。
程序首先将 P1.0 清零以启动步进电机(A1),此状态保持 65ms,然后设置 P1.0 为1以停用电机的第 1 相。然后对 P1.1 到 P1.3 重复相同的过程,并一遍又一遍地重复整个循环,使电机沿顺时针方向旋转。
将定时器 0 配置为模式 1,用于产生 65 毫秒的延迟。65ms 是每个控制脉冲的宽度。
结束
这个小项目非常简单,主要是电机控制在单片机项目中太常见了,很有必要掌握。希望通过这个分享能帮助到有需要的同学。
想要进阶单片机的同学,找我领取入门和进阶教程,加入我们,就可以与导师一对一互动,快速成长。
华维团队
专注单片机十年
物联网 丨 嵌入式 丨 单片机
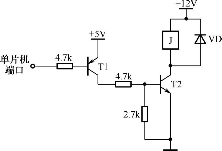
51单片机端口怎样驱动继电器?
经典的51单片机虽然其端口有上拉电阻,但高电平时驱动能力很差,而且单片机复位时端口输出的是高电平,因而常规的做法是用低电平作驱动,采用PNP与NPN三极管结合控制,注意防止单片机在上电过程中继电器有吸合动作现象。
也可以采用专门的驱动芯片,这类芯片不仅可以直接用单片机端口驱动,而且ULN2003可以采用12V供电,有7个驱动门电路可以分别驱动7个微型继电器或其他负载,且其内部集成有续流保护二极管,可以防止继电器这样的感性负载在关闭时因电流快速变化而出现的高电压及其对电路的击穿。
相关问答
51单片机驱动 用什么软件-ZOL问答89C52RC是没有USB接口的,所以没有驱动;或外接USB转232转换芯片,如FT232,2303HX等,这此芯片配套的驱动可从网上下载(免费的)。这个芯片有些旧win7驱动难找...
51单片机 电机 驱动 用哪个脚?不知道你想驱动什么类型的电机?需要注意的是,单片机引脚不具备直接驱动各种类型电机的电流能力,都需要外接继电器或者是开关管,至于使用哪个引脚无关紧要,只...
51单片机 开发板和 驱动 模块怎么连接?GND是正12V和正5V的负极,如果单片机已经有供电电源的话,正5V不用和单片机连接但GND要和单片机电源的负极相连接GND是正12V和正5V的负极,如果单片机已经有供...
单片机 怎么接 驱动 模块?方法如下:+5V和GND是电源,俗称正负极,接到单片机板子上的DC-10插座里面的电源接口就可以了(+5V接VCC,GND接GND),前提是你不是从这个下载口给单片机板子供...
51单片机 如何 驱动 12V继电器?单片机是一个弱电器件,一般情况下它们大都工作在5V.驱动电流在mA级以下,而要把它用于一些大功率场合,比如控制电动机,显然是不行的。所以就要有一个环节来衔...
如何用 51单片机驱动 USB鼠标?有3种办法去实现:1、使用您手里的PL2303芯片串口接PD12USB芯片,然后自己写固件之后驱动。2、使用C8051F320带USB接口的51单片机直接驱动,也需要启动固件。3...
51单片机驱动 不了?如果51单片机无法驱动,可能有几个原因。首先,检查电源是否正常供电,确保电压和电流符合要求。其次,检查电路连接是否正确,包括引脚连接和电路板布线。还要...
51单片机 按钮 驱动 试验程序中,void main(){P1|=0xE0;...} 他...单片机复位后P0=0xff;P1|=0xE0;等价于P1=P1|0xE0表示P0的低5位保持原来不变,其余都置高电平单片机上电时,P1口一般是0xffswitch(temp){temp=P...
怎样用 51单片机驱动 ULN2003来带动5V直流电机?你的接法是没问题的,ULN2003能够驱动5V电机的,那就是你程序的原因了,看看你程序吧。你的接法是没问题的,ULN2003能够驱动5V电机的,那就是你程序的原因了,看看...
单片机驱动 交流接触器的方法[回答]在各种自动控制设备中,都存在一个低压的自动控制电路与高压电气电路的互相连接问题,一方面要使低压的电子电路的控制信号能够控制高压电气电路的执...
