单片机创意小制作,ARM7音乐播放器
在校学习期间,教我单片机的王老师时常提起ARM处理器。她提醒我说,我们是计算机专业的,应该研究嵌入式系统。起因是,我喜欢单片机,而单片机偏偏在我们学校是电子系的专业。把单片机玩转了,对于计算机专业的我,就显得偏离专业了。那时,我还是头脑一热,在网上买了一个AT91SAM7S64最小系统。但是,一直没有像样地玩它。只是断断续续地写了几个简单的程序,像学习51单片机一样学它。随着时间的推移,它被遗忘在一边了。不过这几天在整理零碎时,我又开始注意到它了。
这次制作的主题是——做一款能够媲美山寨CD机的音乐播放器。随着MP3、MP4、手机、PMP等便携播放器的出现,在市场上很少看到专门卖CD机的柜台了。想想也是,现在马路上很少看到有人拿个硕大的CD机听音乐。最主要的原因,估计是CD光盘尺寸偏大,携带不便,所以现在听MP3的人越来越多了。但是,不管怎样,CD的音质还是相当好的。还记得去年,我制作了一款M8音乐播放器,朋友听了后,直接评价那音质不行。我解释说,那是8位的播放器,还是被他鄙视了。太伤我心了。于是,我又琢磨着做一款新的播放器,希望它超过普通MP3的音质。这回做好后,又特意给那位朋友试听了一下,这次他评价说,这音质的确超过普通MP3了。下面我会和大家分享制作它的过程。
主要芯片介绍
这次制作的音乐播放器使用了TI公司的PCM1770,它是24位低功耗立体声音频DAC。由于它能够直接驱动耳机,所以选择它作为音频解码器。当耳机的阻抗为16Ω时,它的输出功率为13mW。PCM1770使用的电源范围为1.6~3.6V,支持标准的I2S音频接口。对DAC的操作是通过SPI接口实现的。它的音量也由软件控制,音量控制一共分为64个等级。
电路的处理器使用Atmel公司的AT91SAM7S64。它有64KB的FLASH程序存储器,16KB的内部SRAM,是高性能的32位RISC架构的ARM7处理器,最高工作频率可达55MHz。它一共有64个引脚,PIO控制的I/O驱动电流可以达到8mA,PA0~PA3可以达到16mA,但所有I/O电流之和不能超过150mA。这款处理器具有SSC同步串行控制器,支持I2S标准,也有SPI接口,可以设定8到16位的数据长度,每个SPI接口有4个片选线。这样,处理器与DAC解码器的数据传输、控制命令的发送都可以在硬件上连接实现。
可实现功能
这个制作完成后,将CD音质的WAV文件复制到SD卡内,文件必须存放在根目录下。程序通过AT91SAM7S64的SSC串行控制器,把音频的数据流通过SSC接口传输到TI的音频DAC上。这样,耳机就播放出动听的音乐了。播放器使用普通的微动按钮控制,一共用了5个按钮,分别实现音量、选曲、播放、暂停等控制。
工作原理
整个制作,由图11.1所示的AT91SAM7 S64 最小系统(左边)、洞洞板(中间)和转接成DIP封装的PCM1770 DAC(右边)组成。
图11.1 制作所需的各部分实物
这款音乐播放器的工作原理并不复杂。主要由5大部分组成:
(1)AT91SAM7S64最小系统,比51单片机最小系统稍微复杂些。
(2)PCM1770 I2S音频解码器,用于驱动耳机或音响,播放音乐。
(3)SD卡存储卡,存放44.1kHz/16位的WAV格式的音乐文件。
(4)5个普通的微动按钮,功能分别为:控制音量、前后选择音乐和播放/暂停音乐。
(5)简单的用稳压芯片将5V的USB电源转换成3.3V的电路工作电源。
音乐播放器的原理图如图11.2所示,可分为5大部分:左上角为稳压电路,左下角为5个微动按钮,右上角为SD卡,右下角为TI的音乐DAC芯片,中间的就是AT91SAM7S64的最小系统了。
图11.2 电路原理图
它使用1117-3.3V的稳压芯片,把USB接口的5V电源转换成3.3V。4个电容起到滤波作用。稳压芯片可以采用SPX1117-3.3V、LM1117-3.3V或AMS1117-3.3V。如果使用有极性的电解电容,不要粗心地把正负极性弄反。
2. 5个微动按钮
这5个微动按钮排列成经典的上下、左右、中间的十字结构,它的控制功能大家很容易理解,分别是上下为音量控制、左右为切换歌曲控制、中间为暂停/继续播放控制。
3. SD 卡
使用了它的SPI接口,直接和ATM7的SPI接口的NPCS0、MOSI、MISO、SPCK连接,在程序中我使用了系统时钟16.9344MHz作为SPCK时钟,这样它的传输速率才可以超过CD音乐格式标准的数据流速度。
4. TI的DAC
这是这个系统最关键的地方,它需要SPI接口控制它,同时又需要I2S接口给它提供数据流。它的SPI控制接口与AT91SAM7S64的NPCS1、MOSI、MISO、SPCK引脚相连,程序通过拉低 NPCS0 与 NPCS1 这两个引脚来片选 SD 卡或 DAC 芯片。在传输数据时,可以拉低不同的片选信号来指定传输的方向。DAC的LRCK、DATA、BCK接口分别与RAM7的TF、TD、TK连接。但由于DAC芯片还需要系统时钟,它可以是128fs、192fs、256fs或384fs(fs为音乐的采样率,如44.1kHz采样率)。所以,我通过ARM7的PCK0引脚输出384fs频率的时钟。最后,还可以通过控制DAC的PD引脚为0,让DAC休眠,减低它的功耗。
5. AT91SAM7S64 最小系统
正确连接好处理器各内部控制器的电源,如VDDFALSH、VDDIO、VDDCORE、VDDPLL等,确认USB的D+上拉电阻到3.3V。在播放44.1kHz音乐时,确认使用的是16.9344MHz晶体(在下载程序时使用18.432MHz)。最后,在AT91SAM7S64的PLL RC引脚上连接 PLL滤波用的电容。这样,ARM7上电后就能运行代码了。
AT91SAM7S64的电源系统比较复杂,但还好仅仅需要单一的3.3V电压,即可解决所有供电问题。电源使用USB的5V电压,经过1117-3.3V稳压芯片稳压,然后给DAC、AT91SAM7S64、SD卡供电。AT91SAM7S64还需要1.8V的电源电压,好在它内部集成的电压调节功能,能输出1.8V电压。
AT91SAM7S64处理器只要正确连接好需要的2种电源电压(3.3V、1.8V),焊接上18.432MHz的外部晶体,并且连接上简单的USB接口电路,在物理上就能够下载程序了。注意,当使用18.432MHz的外部晶体时,烧录文件才能通过USB接口下载。但由于音乐播放器需要16.9344MHz的外部晶体,才能以正常的速率播放CD采样率(44.1kHz)的音乐。因此,下载好程序后,还需要切换晶体。这一步麻烦些。
程序首先初始化AT91SAM7S64的SPI接口和SSC接口,并使能PIOA引脚(连接按钮的引脚)和SSC接口(I2S接口)的中断。等初始化接口完毕后,程序才能通过已经正确配置的接口,初始化音频DAC、SD卡设备。等这些操作完成后,程序会通过读取SD卡的特定扇区,识别文件系统种类,并搜索根目录下的第1个音乐文件。最后,通过按钮控制,实现音乐的播放。
使用方法
先要格式化SD卡,使用FAT(FAT12与FAT16的合集)或FAT32都可以。然后,复制44.1kHz、16位的WAV音乐到SD卡上(注意,请复制到根目录)。插上USB电源后,按中间的播放/暂停按钮播放音乐(音乐播放器在上电时不能自动播放,还需要按下播放/暂停按钮才能播放)。
烧录文件的下载与使用
1. 引导代码简介
AT91SAM7S64内部含有一段叫SAM-BA BOOT的程序,它在出厂时已被固化,不会被擦除,也不会被改变。在特定的条件下,它会被复制到内部Flash中,这个复制的过程叫系统程序恢复。系统程序恢复后,下一次上电或手动复位时,SAM-BA BOOT代码就会运行了,它使用片上集成的USB或DEBUG串口与上位机通信,实现自编程。
2. 恢复启动代码
在PA0、PA1、PA2、TST这4个引脚保持高电平的状态下,上电并等待10s。由于上电时PA0、PA1、PA2默认上拉电阻使能了,所以这3个引脚可以悬空。而TST引脚内部下拉电阻使能,因此需要通过外部电路将TST引脚拉高。
10秒后当芯片再次上电时(记得恢复TST引脚为低电平),就会运行SAM-BA BOOT程序了。这时,把芯片的USB接口连接上电脑,电脑上就会发现新硬件,并自动安装驱动。当然,前提是你在电脑上已经安装了SAM-BA ISP下载软件。
3. 关于 ERASE 引脚
上电时ERASE引脚的上拉可以用来擦除内部Flash的安全位,并且会在50ms的时间内完成。它的作用是使整个内部Flash存储器的内容被清除掉。当完成这些操作后,安全位才会清除。
当你使用SAM-BA对器件编程后,执行了Enable Security Bit操作,即编程了Flash安全位,那么下一次恢复系统程序前必须拉高ERASE引脚。
4. SAM-BA 软件使用
首先,安装SAM-BA ISP软件,它会连同驱动一起安装的。这样,当把已经恢复启动代码的ARM7插入USB接口时,驱动即可自动安装,并在设备管理器里多出如图11.3所示的设备。
然后,双击软件运行,出现图11.4所示的运行画面。选择图11.4所示的连接方式“\usb\ARM0”和开发环境“AT91SAM7S64-EK”后,按“Connect”后连接。接着,烧录软件的主界面就会跳出,如图11.5所示。
图11.3
图11.4
图11.5
然后,点击“Send File”按钮,选择烧录用的BIN文件。最后,点击“Send”发送即可。期间会弹出扇区解锁确认和扇区锁定确认对话框,点击“Yes”即可。
几秒后,程序就烧录完毕了。重新上电后,音乐播放器的代码就能成功运行了。
制作简介
其实,整个制作对刚学习ARM7处理器的人也不难。买一个AT91SAM7S64的最小系统,它的32个PIO口一般都会引出来的,并用插针连接。只需要自己做底板,焊接好插座,就能方便地合并了。
我做的这个底板是用万用板制作的,尺寸大约是10cm×10cm。仔细观察的朋友,还会发现,这个底板的功能不仅仅是特意用来做音乐播放器的,还可以做许多关于ARM7的小实验。
底板的反面我用绝缘导线连接线路,这也是我目前喜欢的做法(见图11.6)。如果觉得难看,大家还可以自制PCB的底板,这样也能轻松焊接。
为了使自己的制作更美观,我又在网上买了片1.8mm厚的有机玻璃板。用小锯切割成10cm×10cm大小后,用砂纸仔细打磨。打磨好后在合适的位置上钻孔,最后用2mm的螺丝和对应的铜座固定,这个制作的外观就完成了(见图11.7)。
大家会发现制作的正面还有一根飞线,这是由于我买的最小系统,3.3V的电源插针没有向下引出,只好拿了条杜邦线连接到底板了。
图11.6 用绝缘导线连接底板背面的线路
图11.7 用有机玻璃制作播放器的外壳
单片机实例分享,打造音乐频谱时钟
(此处已添加圈子卡片,请到今日头条客户端查看)电路原理
下面我们按各功能模块逐一给大家介绍一下这个制作的电路原理吧。
图25.1 时钟显示效果
图25.2 频谱显示效果
1.电源部分
电源电路如图25.3所示。
图25.3 电源部分的电路
电源模块采用了一支很常见的7805稳压芯片,再加一大一小两个电容进行滤波,输入端直接买了个9V/1A的电源适配器,方便省事。7805额定输出电流1A,对于这样的小系统来说,已经完全够用了。实际使用下来,7805发热不太大,无需加装散热片。为了使用方便,我在7805的输入端加装了一个开关和一个红色LED,分别作为系统电源开关和指示灯。
2.时钟、温度部分
这部分电路如图25.4所示。单片机采用的是STC89C52RC,考虑到成本和功能性问题,时钟部分我没有单独买时钟芯片,直接使用内部定时器中断作为时钟源,这直接导致的结果就是时钟误差稍大。经测试,每24小时误差在1分钟左右,作为一个功能性的DIY作品,就饶了它吧,呵呵……温度传感器采用的也是常用的DS18B20,相信大家都很熟悉。3个功能按键分别是时钟(闹铃)小时调整、时钟(闹铃)分钟调整和时钟/闹铃切换。
图25.4 时钟、温度部分的电路
为了跟“频谱”切题,时钟、温度的显示没有采用传统的数字表示,而是分别把时钟的小时、分钟的十位和个位分别用点来表示,每两列表示一位,每行表示一点,左下角是时钟,右上角是温度。是不是有点晕乎呢?其实只要你看了实物就会觉得很简单,文字的确不是很好表达。时钟没有单独设置“秒”的显示,为了增强显示效果,我特地在右下角设置了沙漏下落效果,每一秒钟下落一行。
3.频谱分析部分
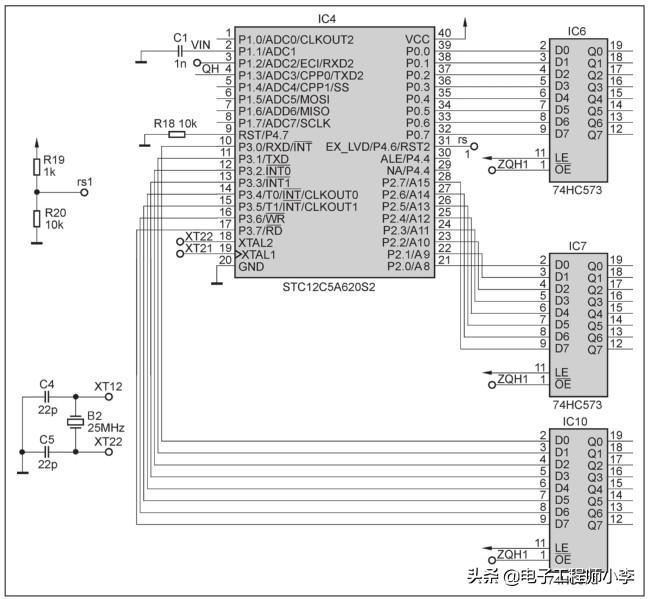
电路如图25.5所示。这部分的制作跟“五色LED频谱”是一样的原理,都是把音频信号经AD采样,用快速傅里叶变换求出频点的幅值,再根据幅值大小来驱动相应的LED。只不过我设计的是每次采128个点,最后十六分频而已。单片机采用的是STC12C5A60S2,已经在信号输入端加了47pF的电容滤波,但还是发现有噪声。可能是因为使用的是洞洞板,还有就是走线过长的缘故。我试着加大了电容再次滤波,但直接导致低频响应变差,鉴于噪声不是很严重,最后只好作罢,将就一下了。
图25.5 频谱分析部分的电路
4.WAV 音乐播放部分
电路如图25.6所示。这部分应该是整个系统里面最复杂的了,WAV音乐播放部分是在数码之家论坛hit00版主的“WAV播放器”的基础上修改而来的。单片机选用的是STC12C5616AD,虽然该单片机自带有SPI接口,在一定程度上已经简化了程序,但SD卡文件的操作确实有难度。原来的程序里带有语音,受到单片机存储空间的限制,语音质量太差,没有“暂停”及”上一曲”功能。我去掉了语音,增加了暂停及上一曲功能。其中暂停功能的实现花了我不少时间,本来想当暂停的时候就让单片机进入死循环,开始的时候再跳出来,结果试了以后发现完全不是那么回事。单片机PWM信号的输出本来就用的中断,单片机进不进入死循环,中断还是一样的工作。要不就让它在暂停的时候掉电或是待机什么的呢?好吧,查STC12C5616AD的手册。一看手册我笑了,PCON电源控制寄存器不正是我想找的吗,单片机进入掉电模式,单片机状态维持当前值,呵呵……问题解决。功放部分采用了LM386功放芯片,直接引用了网上LM386的典型应用电路。
图25.6 WAV音乐播放部分的电路
5.显示部分
电路如图25.7所示。为了能有好的显示效果,显示部分用的是32×16的高亮度聚光蓝色LED组成的点阵屏,1kΩ电阻限流。全过程手工焊接,可能我焊得慢,整整焊了一晚上。焊接状态与电路细节如图25.8、图25.9所示。
图25.7 显示部分的电路
由于时钟部分跟频谱分析部分共用点阵屏,所以必须考虑两路信号的隔离分时显示。还有就是32列LED的列驱动问题。信号的隔离分时显示我用的是74HC573锁存器,通过控制OE端口将需要显示的信号线路的74HC573选通,而将另外一组信号通过74HC573的高阻态实现隔离。LED的列驱动选用的是74HC154(4线—16线译码器),只需一组I/O口就可实现32列LED的列驱动了。
到此,整个系统的介绍就完了,在这里特别感谢数码之家论坛的hit00版主在制作过程中给予的大力帮助。图25.10就是这个实物作品的全家福。
为了尽量减少干扰和连线,整个板子电源全是用焊锡走的线。信号线采用杜邦线和插针连接,方便调试。
虽然制作时觉得挺累,但当看到自己做的东西“跑”起来那一刻,就什么都值了,我相信每一个DIY爱好者都会有这种感觉吧,也许这就是DIY的乐趣。相关源程序可到qq群657864614进行下载。
图25.8 焊接状态
图25.9 电路细节
图25.10 完成的电路板实物
划重点:现收集整理了1300G电子技术资料,一口价68元,需要的朋友可以私聊我!
相关问答
向 单片机 高手求助,怎样用C语言编写歌曲程序和歌曲代码?需要用那些工具怎么样编写的要求详细解答。谢谢?//绝对调试通过,AVR-GCC,mega16,带数码显示,单键开关多功能控制#include{key_state=7;key_return=3;}elsekey_state=5; ...
单片机 编写 音乐 程序中DB表示什么意思?程序中的一段如下?DB是单片机汇编语言中的指令DB指令以表达式的值的字节形式初始化代码空间。格式:[标号:]DB表达式表表达式中可包含符号、字符串、或表达式等项,各个项之间用逗...

