STM32F373单片机
视频加载中...
一、前言
STM32F373是一款内部具有16位ADC 和两个DAC的单片机,适合用于信号测量的场合。下面设计一个简单的测试电路板,对它的功能进行初步测试。
二、设计电路
首先,根据STM32F373的管脚功能定义,绘制Altium Design 中它对应的器件图。设计最小系统测试板。将芯片的AD、DA 管脚引出。还将芯片的 USB 接口引出。下面设计电路板。尽量在顶层布通引线,这样可以使用一分钟制版方法,快速得到测试电路板。最终存在三个底层引线,后期通过 0 欧姆电阻进行飞线。
▲ 图1.2.1 STM32F373C8Tx封装
▲ 图1.2.2 测试电路板原理图
▲ 图1.2.3 测试电路板PCB
一分钟后,得到测试电路板。这次制作中腐蚀速度控制的很好。电路板非常完美。接下来对其进行焊接。
焊接电路板。经过清洗之后,进行检查。下面进行测试。
三、上电测试
给电路板上电进行初步检查。测试电路板上的3.3V稳压电压,电压正常。利用五芯探针夹子将程序下载器与电路板链接。通过芯片BOOTLOADER的功能对它进行程序更新。如果能够下载程序,就为下面进行程序测试打下基础。
四、下载程序
很可惜,使用传统的BOOTLOADER 下载程序,无法链接到单片机,经过检查,单片机与外部的引线都正常。下面需要再阅读F373对应的数据手册,查看它对BOOTLOADER的支持。如果不行,则重新设计电路板,使用SWD接口进行调试。
※总 结 ※
本文记载了对STM32F373 测试开发的过程。很可惜,它的BOOTLOADER 程序下载功能没有能够成功。后面再通过它的数据手册来判断究竟是为什么。
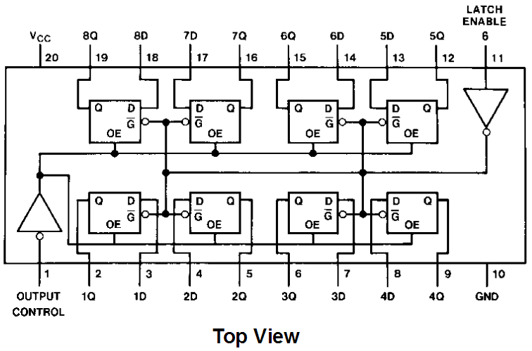
74HC373芯片介绍
74XX373为带三态缓冲输出的八D锁存器
74xx373内部结构图
工作原理:
1.当OutputControl为低时,8个锁存器的内容可被正常输出;
2.当OutputControl为高时,输出进入高阻态,OutputControl端的操作不会影响锁存器的状态;
3.当使能端LatchEnable为高电平是,锁存器的数据输出端Q的状态与数据输入端D相同(透明的);
4.当LatchEnable端从高电平返回到低电平时(下降沿后),输入端的数据就被锁存在锁存器中,数据输入端D的变化不再影响Q端输出。
74xx373真值表
实际应用中经常用74XX573来取代74XX373,两者功能相同,但是前者引脚排序更易于PCB板布线。
以下是573资料
74xx573引脚图
74xx573真值表和内部结构图
74hc373与以下型号逻辑功能相同:
74hc533,是输出相反
74hc563,是输出相反且引脚布局不同
74hc573,是引脚布局不同
相关问答
当MCS-51 单片机 应用系统需要扩展外部存储器或其它接口芯片时,( )可作为低8位地址总线使用?答:当MCS-51单片机应用系统需要扩展外部存储器或其它接口芯片时,(P0)可作为低8位地址总线使用。准确讲,是P0口经74LS373锁存器锁存后得到低8位地址。所以...
【十里加急!译码电路—彩灯控制:在89C51 单片机 应用板上,扩展...[最佳回答]说穿了,就是相当于做一个流水灯的程序,只是把流水灯的灯的位置变一下,摆个什么图形,当然可能一个时刻不止一个灯亮,也就是要加好驱动.说穿了,就是...
怎样使用 单片机 锁存器编程?[回答]出。锁存端口使能后,赋新的值到输入端口,再关闭使能,又锁存了新的值。你要是想用,先去下载一个锁存...锁存端口使能后,赋新的值到输入端口,再关闭...
哪位前辈!请回答一下!怎样使用 单片机 锁存器编程?[回答]锁存器一般是指单片机外边的,是外接的芯片。从这个电路看,P0控制数码管的段、P2控制数码管的位。P0、P2是单片机内部的特殊功能寄存器,能够保存数据...
怎么实现 单片机 传输数据给计算机的串口通信?-ZOL问答必须在单片机上编写程序,程序的功能是将从键盘的获取到的数据通过串口发送出去。单片机串口参数(如波特率、数据位、停止位、奇偶校验位等)须与电脑设置一致。...
51 单片机 的16位地址总线如何产生?51单片机的16位地址总线是由其内部的地址寄存器和地址译码器共同产生的。在51单片机中,地址寄存器的位数为16位,可以存储2^16个不同的地址。当CPU需要访问某...
D锁存器是静态实现还是动态实现?锁存器就是把单片机的输出的数据先存起来,可以让单片机继续做其它事..比如74HC373是一种CMOS电路8D锁存器74LS373是一种TTL电路8D锁存器74LS74是一...锁...
用C语言和 单片机 89C51实现方波输出,怎么回事?[回答]下载线可以自己制作,也可以去采购一根,主要就是一个25针的打印机接头,和一个74HC373芯片。其他的方法还可以通过电脑的D9针接口,USB接口等。我只说...
其传送和接收信号的方式类似,故选用相同的 单片机 和总线收...[最佳回答]2systemarchitectureprinciplesElevatorsystemofprinciplesasshowninFigure2-1.Someofthe...
有没有人能告诉我:深圳IC烧录的程序开发质量保障,IC烧录的...[回答]2、如果是可在线编程的,可以用ISP直接进行烧录。3、如果不是可在线编程的,将单片机芯片,放入编程器,然后烧录。注意:编译和烧录时,都要选择和单片机...
