跟电师傅学单片机(15):单片机逻辑运算指令图文讲解
一:累加器A清0和取反指令(共2条)
累加器A清0和取反指令表
累加器A清0指令
CLR A;单片机软件指令功能是将累加器A中的内容清0。影响单片机标志寄存器PSW中的奇偶标志位P。
累加器A取反指令
CPL A;单片机软件指令功能是将累加器A中的内容全部取反,结果送回A中。影响单片机标志寄存器PSW中的奇偶标志位P。
常用于单片机某个存储器单元或某个存储器区域中带符号数的求补。
二:循环移位指令(共4条)
循环移位指令示意图
RL A;左循环移位指令:
单片机软件指令功能是将累加器A的8位二进制数向左移动1位,累加器A中最左边1位(即最高位A.7)移至最右边1位(即最低位A.0)。不影响单片机标志寄存器PSW中的标志位。
RR A;右循环移位指令:
单片机软件指令功能是将累加器A的8位二进制数向右移动1位,累加器A中最右边1位(即最低位A.0)移至最左边1位(即最高位A.7)。不影响单片机标志寄存器PSW中的标志位。
RLC A;带进位左循环移位指令:
单片机软件指令功能是将累加器A的8位二进制数和进位CY向左移动1位,累加器A中最左边1位(即最高位A.7)移至CY,CY原内容移至累加器A的最右边1位(即最低位A.0)。影响单片机标志寄存器PSW中的进位标志位CY。
RRC A;带进位右循环移位指令:
单片机软件指令功能是将累加器A的8位二进制数和进位CY向右移动1位,累加器A中最右边1位(即最低位A.0)移至CY,CY原内容移至累加器A的最左边1位(即最高位A.7)。影响单片机标志寄存器PSW中的进位标志位CY。
单片机标志寄存器PSW功能图
注意:
执行带进位的单片机循环移位指令之前,必须给PSW进位标志位CY置位或清零,否则会影响移动的数据。
到此为止,24条单片机逻辑运算类指令讲解完毕,谢谢阅读!欢迎留言讨论,共同提高!
单片机内外部晶振,到底有什么区别?
如果你对于单片机硬件足够了解的话,一般都知道单片机系统里都会使用到晶振,其发挥的作用非常大。单片机带有内部晶振和外部晶振,那么如何单片机稍微内部晶振与外部晶振有何区别呢?
一、单片机晶振的作用
单片机是指一个集成在一块芯片上的完整计算机系统。尽管它的大部分功能集成在一块小芯片上,但是它具有一个完整计算机所需要的大部分部件:CPU、内存、内部和外部总线系统,目前大部分还会具有外存。
单片机晶振的作用是为系统提供基本的时钟信号。通常一个系统共用一个晶振,便于各部分保持同步。有些通讯系统的基频和射频使用不同的石英晶振,而通过电子调整频率的方法保持同步。单片机晶振提供的时钟频率越高,那么单片机运行速度就越快,单片机接的一切指令的执行都是建立在晶振提供的时钟频率。
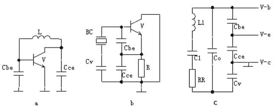
二、单片机晶振电路原理
单片机一般采用三端式(考毕兹)交流等效振荡电路;实际的晶振交流等效电路中,其中Cv是用来调节振荡频率,一般用变容二极管加上不同的反偏电压来实现,这也是压控作用的机理;把石英晶体的等效电路代替晶体后。其中Co,C1,L1,RR是晶体的等效电路。单片机工作时,是一条一条地从RoM中取指令,然后一步一步地执行。单片机访问一次存储器的时间,称之为一个机器周期,这是一个时间基准。
分析整个振荡槽路可知,利用Cv来改变频率是有限的,决定振荡频率的整个槽路C=Cbe,Cce,Cv三个串联后和Co并联再和C1串联。可以看出:C1越小,Co越大,Cv变化时对整个槽路的作用就越小。因而能“压控”的频率范围也越小。实际上,由于C1很小(1E-15量级),Co不能忽略(1E-12量级)。所以,Cv变大时,降低槽路频率的作用越来越小,Cv变小时,升高槽路频率的作用却越来越大。这一方面引起压控特性的非线性,压控范围越大,非线性就越厉害;另一方面,分给振荡的反馈电压(Cbe上的电压)却越来越小。采用泛音次数越高的晶振,其等效C1就越小;因此频率的变化范围也就越小。
简单地说,没有晶振,就没有时钟周期,没有时钟周期,就无法执行程序代码,单片机就无法工作。
三、单片机的内部晶振与外部晶振区别
单片机的外部晶振稳定,受温度,湿度等环境因素影响比内部晶振小,精度比较高。而且当设计需要降低功耗时,比如说便携式仪表等,就需要外部晶振,因为内部晶振不能根据需要停止,而外部晶振可以适时停止,从而进入休眠状态,降低功耗。
而单片机的内部晶振一般不够准确,误差比较大。但单片机的内部晶振和外部晶振的作用都是一样的,给系统提供时钟。如果对频率要求不高的话(比如不涉及串口通信和精确定时等的话),用内部晶振就足够了,并且这样成本还低。
相关问答
单片机 中 rr 是什么指令?RR在汇编中是移位类指令,是不带进位的循环右移,而RRC是带进位的循环右移。RRRoadRunner(简称RR)是易驰车载电脑中可选配程式,用来管理软硬件资源的中控软...
51 单片机 移位循环指令?51单片机有4条循环移位指令,包括左移RLA、RLCA和右移RRA、RRCA。这两种循环指令都是针对累加器A进行操作,特点都是循环位移,区别是方向不同。以左移的两...
老司机们能告诉我: 单片机 (秒表制作)?,制作 单片机 xxx如何??[回答]有了解过一点,上次跟朋友一起吃饭的时候提到过,正好我们也需要他们的产品。单片机是指一个集成在一块芯片上的完整计算机系统。尽管他的大部分功能...
51 单片机 多少位谁能告诉我_其他问答_系统粉MCS-51单片机的指令集1、数据传送类指令助记符功能说明字节数振荡周期MOVA,Rn寄存器内容送入累加器112MOVA,direct直接地址单元中的数据送...
什么是步进电机驱动器细分? - yali是鸭梨呀 的回答 - 懂得各相绕组中的电流,使它们按一定的规律上升或下降,即在零电流到最大电流之间形成多个稳定的中间电流状态,相应的合成磁场矢量的方向也将存...其中合...
信号调理电路的运放怎么选择,要看哪些参数?以上就是这个问题的回答,感谢留言、评论、转发。更多电子设计、硬件设计、单片机等内容请关注本头条号:玩转嵌入式。感谢大家。信号调理电路的运放怎么选择?要看...
可以用来调摄像头模组的自动调焦机有吗[回答]浩林公司自主研发行业首台全智能摄像头聚焦机!适用全景及半景镜头产品特点:1、通过高精度分割器旋转工号,逻辑运算分工处理,三轴同步运行聚焦、点...
吗!LINDSTROMMPEWS100共晶贴片机参数及原理,MPEWS100共晶贴...[回答]原文晶振的原理及作用晶振是电路中常用用的时钟元件,全称是叫晶体震荡器,在单片机系统里晶振的作用非常大,他结合单片机内部的电路,产生单片机所...
led灯字幕移位显示不清楚-ZOL问答还有移动速度,有时感觉抖你确定你那个串口是COM4?你试一试其它的呢,如:COM1等;或者是串口线和卡坏了,也有可能。希望能帮你!广告屏突然没有字幕,...
龙门铣床数控改造分为几步?[回答]紧作用,内外环分别产生径向弹性变形,靠磨擦力与套连接,消chu配合...由于锥环之间的楔紧作用,内外环分别产生径向弹性变形,靠磨擦力与套连接,消chu...
