深度解析,单片机运行原理,你知道吗?
单片机是将中央处理单元(CPU)、储存器、输入输出集成在一片芯片上,可以说单片机就是一台微型计算机,只是和我们平常使用的计算机相比它的功能有所不同,也没有我们用的计算机那样强大。
计算机可以运行一个个应用,单片机可以按照工程师的编写可执行文件,实现各种各样的功能。那么,单片机是怎么知道要执行什么指令,做什么动作呢,我们的指令又是怎么被单片机识别呢?了解这个过程,可以加深对单片机的理解。
首先要从CPU的组成说起,CPU是由晶体管组成的,这些晶体管是一种半导体器件,比如二极管就是最为常见的半导体器件。电流只能从正极流向负极,反向则截止。
晶体管通过各种组合方式构成门电路:与门,或门,非门,异或门等。门电路又称为逻辑门,是数字电路的基础,常见门电路,及其真值表:
我们了解下与门电路:
与门电路可以想象为两个串联开关控制一个灯泡,只有同时闭合两个开关,灯泡才会被点亮。开关表示晶体管的导通与截止,灯泡的点亮与熄灭表示电路输出的高低电平。
其他门电路也是由各种晶体管构成,不同的输入,有不同的输出,构成各种功能。各种门电路通过复杂的组合就成了CPU了。然后用CPU完成各种复杂计算的。
有了CPU,我们用它来算一道小学生算术题1+1=2,看看它是怎么计算的,从一个简单加法器开始,加法器由半加器组成。
半加器
半加器由一个与门和异或门构成。不考虑低位进位来的进位值,只有两个输入,两个输出。
1+1=2,2在二进制中表示为0010。在半加器中:异或门输入不同的电平(不是同时高或低),输出为高,也就是1+0或0+1,输出1,当两个都输入为1输出为0,与门则输出为1,也就是进位。可以把它抽象成一个黑盒子:
全加器
用两个半加器可以组成一个全加器:
当多位数相加时,半加器可用于最低位求和,并给出进位数。第二位的相加有两个待加数(B和进位CO),还有一个来自前面低位送来的进位数 (A)。这三个数相加,得出本位和数(全加和数)和进位数。同样可以把它抽象出来:
这个黑盒子就是一个函数,输入两个加数,相加运算,输出和数。
如果要计算多位数的相加,则需要多个全加器以及其他门电路,组合出更复杂的加法器。减法的运算可以用加法来分解:
减法:10 - 5 = 10 +(-5),须通过反码,补码等操作。
其他运算器也有相关的门电路来组成,有关知识这里不展开。
从加法器我们不难得出,CPU的运算是各种门电路的高低电平的输入和输出,高电平为1,低电平为0,把我们平常的十进制数字转成二进制数输入,输出二进制数。
寄存器
两个数字相加用全加器的组合来完成,如果是多个数字的相加呢?比如1+2+3+4+5+……+100,该怎么完成呢?
按照我们的计算过程来看这个问题,我们先把前两个数拿出来相加,得到的和再和第三个数相加,依次累加到100,转换到单片机来完成,那就要把所有的相加数放到一个存储器中,以便在每次的相加中取出,还要把每次相加的和数保存起来用到下一次的相加,这就用到了寄存器了。
寄存器-1保存1-100的数字,寄存器-2保存每次的相加结果。计算1-100的相加,寄存器-2的初始值为0,依次取出寄存器-1的数字和寄存器-2的结果相加:
1+0=1,
2+1=3,
3+3=6,
4+6=10……
锁存器
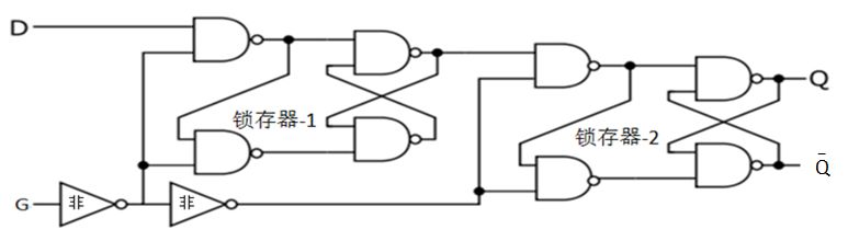
但是寄存器是怎么帮我们保存数据的呢?这就要锁存器(Latch)来帮助了,两个或非门组成了一个最简单的锁存器。
简单的说,这个单元记住了之前S端的输入1,直到我们把R端设为1,输出端Q才变回0。
然后在这个简单锁存器加上控制端G和一个输入端D就变成了D锁存器:
它有两个输入端,分别是一个信号控制G,一个输入数据信号D,一个输出Q。它的功能就是在G有效的时候把D的值传给Q,也就是锁存的过程。
触发器
把两个D锁存器结合到一起就成了D触发器(DATA flip-flop)。触发器也叫双稳态门,又称双稳态触发器,是一种可以在两种状态下运行的数字逻辑电路。
触发器一直保持它们的状态,直到它们收到输入脉冲,又称为触发。常见的触发器包括:RS 触发器、D 触发器和 JK触发器等,其中D触发器最为常用。
当锁存器-1控制G为有效信号时,D的输入传到到锁存器-2的输入,但是此时锁存器-2的控制信号不是有效的,所以锁存器-2的输出Q没有改变;当锁存器-1的控制G变为无效,锁存器-2的控制信号变为有效,锁存器-2的输出Q就改变了,也就是触发器的D输入传到了Q,并且D没有输入就一直不变。
时序电路
我们再来看看1—100的累加过程,如果寄存器-1和寄存器-2的存储速度不一样,或者运算单元取数不协调,也就是寄存器-2没来得及存储,或者寄存器-1还没取出下一个参与运算的数字,则此次的运算就会就会出错,又会影响到下一次的运算,这个影响会无限放大到之后的结果,并且单片机还有很多外设需要同步运行,这时就需要一个统一指挥来同步各个部分的行动,什么时候该做什么,做到哪一步了。
这个指挥就是时钟。时钟电路产生脉冲信号给电路,可以认为给一次脉冲信号,单片机各个部位就动一下,电路就刷新一下,这就做到了行动统一。前面的D锁存器,D触发器G输入端就是时钟脉冲信号输入,控制G输入信号,进而控制Q的输出,或者记住Q值。这是内存最初的样子。
到此,我们知道了寄存器就是一种时序逻辑电路,但这种时序逻辑电路只包含存储电路。寄存器的存储电路是由锁存器或触发器构成的,用来暂时存放参与运算的数据和运算结果。
一个锁存器或触发器能存储1位二进制数,所以由N个锁存器或触发器可以构成N位寄存器,一般有8位寄存器、16位寄存器等。它被广泛的用于各类数字系统和计算机中。
- 运行程序 -
有了前面的铺垫,我们来分析一下,代码从是怎么被单片机识别的,并转换成功能输出的。
首先工程师把代码逻辑写好,再编译成单片机的可执行程序,这个可执行程序实际上就是变成由0,1组成的按一定规律排列好的二进制数,再用烧录器写进单片机。
单片机内部就是由我们前面学的门电路的各种组合,门电路也由半导体器件构成,这些半导体PN结是一种特殊的熔丝。空白的单片机内部是矩阵排列的熔丝,在烧录过程,程序中0的地方就熔断,1的地方就导通。烧录好之后,单片机就有了逻辑功能。
执行程序过程:从程序存储区读取程序指令——分析指令——执行指令。
读取指令:就是根据程序计算器(PC)的地址取出相应的指令,送到指令寄存器。
分析指令:将指令寄存器中的指令操作码取出后进行译码,分析其指令性质。如指令是我们之前的加法运算中的取加数,则寻找加数的地址。
执行指令:无非是把一条二进制代码,转换成数字信号(高低电平),操作逻辑门电路,就像我们的加法器一样输入输出。把经过逻辑门运算的结果输出,把单片机的相关引脚电平输出高或低。
也就是单片机上电开机,单片机处于初始状态,可以认为初始状态中程序计算器(PC)就有了第一个指令地址,在时序电路作用下,送到指令寄存器,分析指令,执行指令,输出功能,如此循环。单片机就这样自动进入执行程序过程。
当然单片机运行的过程是很复杂的,这里只是个人简单的理解,总结。
从晶体管组合成逻辑电路,逻辑电路组合成单片机,再从单片机在到现在的计算机,超级计算机,是一个不断积累,不停进步的过程。想要你的人生也是这样的精彩过程吗,来找我领取入门资料,开启与导师的一对一互动,进入高阶学习,成就精彩人生。
还没明白单片机的原理就去学编程肯定不行,31页内容介绍单片机
单片机概述
单片机概念:
单片机就是单片微型计算机, 是将计算机的中央处理器(CPU)、存储器(ROM,RAM)、输入/输出(I/O)接口等集成在一小块硅片上的微型机。
单片机发展:
单片机属于微型机,微型计算机的发展形成两大分支:
1、独立使用式微机( PC机):PC机系统全力实现海量高速数据处理,兼顾控制功能。
2、嵌入式微机单片机:单片机系统全力满足测控对象的测控功能,兼顾数据处理能力。
31页内容介绍单片机(文末有获取)
1000G机械必备设计资料内容详情
这1000G资料涉及的范围很广,具体来说包括机械设计、机械原理、模具、机械加工、材料类、电气行业、各种零件模型和非标等等领域,具体内容有:上千份文档类(各类机械设计手册、液压类手册、自动化类手册等等,所有历史文章的PPT源文件等)、常用的设计工具(一些自动计算表格)以及各类视频教程类,我相信这1000G资料对于提升你的能力一定会有很大的帮助。同时在你工作中遇到相关问题的时候,这些资料也能提供很好的指导作用。
获取方式
相关问答
单片机 控制器 原理 ?单片机原理是指一种在线式实时控制计算机的原理方式。在线式就是现场控制,需要的是有较强的抗干扰能力,较低的成本,这也是和离线式计算机(比如家用PC)的主要...
单片机 显示屏的控制 原理 ?控制原理主要是通过将单片机与显示屏连接,并通过编程控制单片机发送特定的信号和数据以控制显示屏的显示内容。1.首先,单片机通过与显示屏的引脚连接,可以通...
单片机 程序烧写,使用 原理 -ZOL问答PC机写好的程序,通过编译器转换成二进制文件,然后通过烧录器写入到单片机的程序寄存器中(ROM,相当于电脑的硬盘;烧录器和单片机之间的通信,是通过特定的协议...
单片机原理 与微机原理有什么区别?当前的单片机课程多数都是基于C语言编程,以Intel公司8051为内核的8位单片机进行讲解,如AT系列、STC系列等。而微机原理中的微型计算机,其微处理器、存储...
单片机 控制的充电器 原理 ?1.电源电路:变压器输出端的9V电压,经桥式整流电容滤波后在电容C4两端大约会有11V左右的电压。2.控制系统:STC89C52单片机作为控制中心,工作频率为11.0592MHz...
单片机 红外传感器的工作 原理 ?形防范,现在已经从最...主动红外探测器技术主要采用一发一收,属于线形防范,现在已经从最初的单光束发展到多光束,而且还可以双发双受,最大限度的降低误报率,...
单片机 识别c语言 原理 是什么?单片机识别C语言原理可以分为两个阶段:编译和运行。在编译阶段,C语言源代码通过编译器转换成机器语言指令。编译器会对C语言程序进行词法分析、语法分析和语义...
微机 原理 与 单片机 哪个容易?区别在那里?1、微机原理就是计算机原理,一般地该课程及其书籍都会讲电脑硬件方面的知识,而其中或多或少会带有一些单片机方面的知识。要说学的话,微机原理容易学些。2、...
单片机 蜂鸣器的工作 原理 是什么?请详细说一下可以的话-ZOL问答单片机本身是没有蜂鸣器的。单片机外接的蜂鸣器通常是有压电陶瓷片、驱动电路和谐振腔组成,通电(加额定电压)就叫。单片机的引脚通常通过一个三极管驱动可接蜂...
单片机 gui交互 原理 ?原理如下单片机gui交互原理,一般的情况可以用串口来通讯,matlabGUI可以直接读取串口中的数据,因此如果选用串口通讯的话,想实现matlabGUI和单...原理如下...
