单片机是如何与电脑进行通信的,电子工程师必知内容
单片机怎样才能与电脑进行通信呢?相信很多初学者对此都有疑问,今天从应用层面跟大家分析一下。
单片机的串口是TTL电平无法直接与电脑进行通信,需要进行电平转换。现在市面上有很多型号的电平转换芯片,今天给你推荐三款,分别是MAX232,CH340G,CH340C。下面分别介绍。
1. MAX232芯片
这款芯片是出镜率比较高的芯片,不管实在大学的课本上还是在单片机开发板上,只要涉及到USB/串口,一定会讲到这款芯片。这款芯片具有双通道的转换接口,设计电路也不复杂,下图是典型的设计原理图:
MAX232芯片典型原理图
这款芯片需要四个电容来搭建外设电路,手册上推荐用1uF的极性电容,但是经过验证使用0.1uF的电容也是可以的,这大大降低了板子的体积。
2.CH340G芯片
CH340G是南京沁恒生产的,可以说这家公司生产的电平转换芯片、网关芯片都是神器,外设电路简单,功能强大。CH340G芯片由于外设电路简单目前卖的比较火,经常断货。他的典型原理图如下图所示:
CH340G典型原理图
这款芯片需要外接12M的晶振,而且在设计的时候要注意,外接电源为5V和3.3V时,第4引脚V3的处理方式是不一样的,上图外接5V,V3需要通过0.1uF的电容到GND;外接3.3V时,V3需要连接到电源。目前很多USB转串口的模块就是使用该芯片设计的。
USB/TTL模块
目前很火的ISP自动下载电路使用的就是该芯片。
3.CH340C芯片
CH340C跟CH340G是同系列的,但是CH340C在使用时可以省去外接12M晶振和起振电容,更节省了PCB空间和成本,相对而言设计更为方便。CH340C的典型电路原理图如下所示:
CH340C典型原理图
这几款芯片的价格也不是很高,CH340G约1.8元人民币,CH340C约1.94元人民币,MAX232约3元人民币。当然还有其他很多芯片如PL2303,这里就不再推荐。
欢迎留言评论,更多精彩内容可以关注我的头条号玩转嵌入式 。谢谢。
单片机与PC机串行通信的实现方法
随着单片机和微机技术的不断发展,特别是网络技术在测控领域的广泛应用,由PC机和多台单片机构成的多机网络测控系统已成为单片机技术发展的一个方向。它结合了单片机在实时数据采集和微机对图形处理、显示的优点。同时,windows环境下后台微机在数据库管理上具有明显的优势。二者结合,使得单片机的应用已不仅仅局限于传统意义上的自动监测或控制,而形成了向以网络为核心的分布式多点系统发展的趋势。本文主要介绍PC机与51系列单片机实现通信的一般方法和步骤。
硬件结构和单片机的通1S程序设计
单片机和PC机的串行通信一般采用RS-232、RS-422或B3-485总线标准接口,也有采用非标准的20nnJL电流环的。为保证通信的可靠,在选择接口时必须注意:(1)通信的速率;(2)通信距离:(3)抗干扰能力;(4)组网方式。本文主要介绍采用RS-232接口与单片机通信的方法。
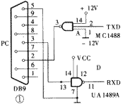
1、 RS-232电平转换和PC机的接口电路
RS-232是早期为公用电话网络数据通信而制定的标准,其逻辑电平与ITL\CMOS电乎完全不同。逻辑“0”规定为+5- +15V之间,逻辑“1,,规定为-5~-15V之间。由于RS-232发送和接收之间有公共地,传输采用非平衡模式,因此共模噪声会耦合到信号系统中,其标准建议的最大通信距离为15米.但实际应用中我们在300bi:/s的速率下可以达到300米。
相关问答
单片机 的 串口 ,怎样与电脑 串口 联接?-ZOL问答一般单片机由于供电的原因,通常都是TTL的UART电平讯号,需要经过转换IC来提升电平(RS-232),电脑通常都是RS-232的讯号,因此直接把转换后的RS-232跟电脑的RS-232来...
如何实现 单片机与PC 之间socket 通信 ?单片机与PC之间最简单的通讯是通过串口来实现,其次是通过并口,这不需要额外的资源开销,如果通过socket来通讯,那么需要设计专用的板卡。单片机与PC之间最简单...
怎么实现51 单片机与 电脑 串口 之间的 通信 ?首先,单片机和微机通信的电气标准要一致,微机串口一般是RS232电气标准,所以要加电平转换芯片,大多用MAX232,一般单片机实验板上都提供这样的标准串口。其...
51 单片机与PC 机之间的硬件如何 串口 连接?51单片机与PC机之间的硬件串口连接,如果PC机有COM串口用RS232转换TTL与单片机RXDTXD连接,如果PC机没有COM串口用USB转换TTL与单片机RX...
单片机与 电脑 串口通信 故障?可能由以下原因导致:1.连接线路:串口连接器、信号线、地线连接不牢固或者断开,导致信号无法正常传输。2.信号线:信号线(通常是4线或6线)连接到单片机的...
单片机与PC 机之间的串行 通信 怎么改变串行 通信 的速度?单片机与PC机之间的串行通信改变串行通信的速度的方法步骤如下:1.硬件连接首先需要将单片机与串口电机连接,具体连接方式根据电机型号和单片机型号不同而异,...
我想把 单片机 的信息通过nrf24l01传到 PC 机上,应当怎么弄呢?-...单片机+nrf24L01做为发送端:任务是把要发送的信息发送出去;单片机+nrf24L01做为接收端:任务是nrf24l01接收发送端发来的信息,并把信息送给单片机,单片机再通过...
51 单片机 怎样和 PC 通过RS485进行 通信 ?你已经用USB转成RS485,再将RS485转成TTL了,剩下的事就简单了,就把RS485TTL的RXD接到单片机RXD,把485TTL的TXD接到单片机的TXD上就行了。然后就要写程序了。...
单片机串口 通讯中RXD与TXD怎么连线?这个提问实在是太模糊了,RXD,TXD怎么连线?与什么连线?串口通讯,是两个单片机通信,还是单片机与电脑通信?如果是实验,两个单片机可以TTL连接,TXD,RXD...这个...
89c52 单片机 怎么实现 与PC 机之间 通信 ?(详细点)?用PC机的后面的一个九针串行口,再在单片机的串行口用MAX232或HIN232进行电平转换就行了。用PC机的后面的一个九针串行口,再在单片机的串行口用MAX232或HIN232...

