单片机中的晶振
一、引言
电子技术日益发展,单片机已经广泛应用于各种电子产品中,包括家电、通信设备、汽车电子等领域。而晶振作为单片机中的重要组成部分,可以提供稳定的时钟信号,保证单片机系统的正常运行。 下面我将对单片机中的晶振为大家进行详细介绍,旨在揭示其工作原理、特性和应用,并探讨晶振在单片机系统中的优化方法,以提高单片机系统的性能和稳定性。
二、晶振的原理和特性
1. 晶振的工作原理: 晶振是利用电子晶体的谐振特性来产生稳定的时钟信号。晶体具有固定的振荡频率,通过在晶体上施加电场或应力,可以使其产生谐振振荡。晶振将晶体的振荡信号转化为电信号输出,为单片机提供时钟信号。
2. 晶振的特性: 晶振具有多种特性,包括频率稳定性、负载能力、温度特性等。频率稳定性是晶振最重要的特性之一,它决定了单片机系统的时钟精度和稳定性。负载能力指晶振能够驱动的负载电容,不同的晶振具有不同的负载能力。温度特性是指晶振在不同温度下的频率变化情况,对于某些应用来说,温度补偿是必要的。
常见晶振
主要可以根据其工作原理、振荡频率和封装形式进行分类。下面是一些常见的晶振种类:
1. 石英振荡器: 石英振荡器是最常见的晶振种类之一。它利用石英晶体的共振特性产生稳定的振荡信号,可提供各种频率范围的时钟信号。
2. 晶体振荡器: 晶体振荡器是一种集成在封装内的晶振。它通常由石英晶体、电容器和放大器组成,提供稳定的时钟信号。晶体振荡器广泛应用于电子设备中。
3. 陶瓷振荡器: 陶瓷振荡器是一种利用陶瓷晶片的共振特性来产生振荡信号的晶振。它具有低成本、小尺寸和低功耗等优点,常用于一些低频和低要求的应用中。
4. 表面声波(SAW)振荡器: SAW振荡器是利用表面声波晶片的声波共振特性来产生振荡信号的晶振。它具有高频率和高稳定性的特点,广泛应用于无线通信设备中。
5. 电子振荡器: 电子振荡器是一种利用电子元件产生振荡信号的晶振。它通常使用集成电路或放大器来实现振荡功能,适用于一些特定的应用场景。
以上仅列举了一些常见的晶振种类,实际上还存在其他类型的晶振,如温度补偿型晶振、低功耗晶振等,每种类型的晶振都有不同的特点和适用范围,具体选择应根据实际需求来进行。
三、晶振的应用
晶振广泛应用于单片机系统中的各个环节,其中包括时钟源、时钟分频、定时器和定时中断等。 通过晶振提供的稳定时钟信号,单片机可以按照指定的频率进行工作。而定时器和定时中断功能则可以利用晶振提供的时钟信号来实现各种定时功能,例如延时、定时中断 等。晶振在单片机系统中的应用可以大大提高系统的稳定性和性能。
四、晶振在单片机系统中的优化方法
1. 选择合适的晶振频率和型号: 不同的应用场景对晶振的要求不同,需要根据需求选择合适的晶振频率和型号。频率选择要与单片机的工作频率相匹配,而型号选择要考虑到负载能力、温度特性等因素。
2. 电路布局和走线优化: 为了减少晶振信号受到干扰和损耗,需要合理设计电路板的布局和走线,将晶振与其他电路隔离开来,减少信号的干扰和失真。
3. 温度补偿和稳定性优化: 对于某些对时钟精度要求较高的应用,可以采用温度补偿电路来抵消晶振频率因温度变化引起的偏差,从而提高系统的稳定性。
4. 去除电磁干扰和震动干扰: 晶振对电磁干扰和机械震动都十分敏感,因此需要采取相应的措施来降低干扰和震动对晶振信号的影响,例如使用屏蔽罩、减震装置等。
参考文献:
1. Lide, D.R. (Ed.) (2003) CRC Handbook of Chemistry and Physics, 84th edition, CRC Press.
2. Smith, A.B.C. and Jones, X.Y. (2006) Title of the Book, Publisher Name, City, Country.
最后
欢迎加入我们的嵌入式学习群!作为这个群的一员,你将有机会与嵌入式系统领域的专业人士和爱好者们交流、分享经验和学习资源。群内涵盖了各种嵌入式系统的应用和开发,无论你是初学者还是经验丰富的专业人士,都能在这里找到志同道合的伙伴和有益的互动。无论你是对物联网、智能家居、工业自动化等领域感兴趣,还是希望分享你自己的项目和经验,我们的群都会为你提供一个广阔的交流平台。
更多学习资源在这里:扫码进群领资料
推挽式直流开关电源的设计
推挽式直流开关电源的设计
摘 要
随着现代通讯技术的飞速发展,对通讯电源的重量、体积、可靠性、效率等提出了更高的要求。而应用于中大功率场合的移相全桥DC/DC变换器具有结构简单、输出功率大、效率高、易实现软开关、功率开关管所承受的电压电流应力小等一系列优点,因此,对它进行研究具有十分重要的意义。本文首先对DC/DC升压变换器的电流触发主电路、输入电路、反馈电路控制芯片、推挽变压器进行了详细的讲解,其中重点对MOS场效应管的损耗问题进行了研究和分析。其次本文也对本实验用到的器件进行了简单的介绍并给出了所需器件的参数,建立了模型并用Protel Altium Designer 6.9仿真软件对系统的稳定性进行了分析。最后根据自己的仿真结果做出了实际电路并进调试一切正常,达到了所需要的效果。
关键词:DC/DC电压变换器;推挽变压器;反馈电路控制芯片
Abstract
With the rapid development of modern communication technology, communication power of the weight, volume, reliability, efficiency, and put forward higher requirements. The power applied to the phase-shifted full-bridge where the DC/DC converter has a simple structure, high output power, high efficiency, easy to realize soft-switching, the power switch is exposed to a series of voltage and current stress of the advantages, therefore, its study is of great significance. This article first DC/DC boost converter current triggering the main circuit, input circuit, feedback circuit control chip, push-pull transformers were in detail.The focus of the MOS FET loss problems were studied and analyzed. Secondly, the paper also used in this study a brief introduction devices and gives the necessary parameters of the device, the establishment of a model and simulation using Protel Altium Designer 6.9 software to analyze the stability of the system. Finally, the simulation results according to their actual circuit and thus made all the normal debugging, achieves the required effect.
Keywords: DC/DC boost converter; push-pull transformer; feedback circuit control chip
目 录
摘 要 I
1 绪论 1
1.1开关电源的发展历程 1
1.2开关电源的分类 1
1.2.1按驱动方式分类 1
1.2.2按能量转换过程的类型分类 2
1.2.3按输入与输出是否隔离分类 2
1.2.4按功率开关管关断和开通工作条件分类 2
1.3开关电源的特点 2
1.4本文主要工作 3
2 开关电源的基础知识 4
2.1开关电源DC/DC变换器的软开关技术分类 4
2.2开关电源移相全桥DC/DC变换器控制技术 5
2.3开关电源常用拓扑结构 6
2.3.1非隔离式开关电源拓扑结构 6
2.3.2隔离式开关电源拓扑结构 8
2.3.3开关电源各种拓扑结构的比较 10
2.4开关电源的调制方式 10
2.4.1脉冲宽度调制 10
2.4.2 脉冲频率调制 10
2.4.3 混合调制 11
2.5开关电源的控制方式 11
2.5.1电压控制模式 12
2.5.2电流控制模式 13
3 开关电源主电路的设计 15
3.1逆变器的工作原理 15
3.2换器的滤波电容和电感的选取 16
3.2.1滤波电容的选取 16
3.2.2滤波电感的选取 17
3.2.3高频逆变电源的设计核心就是变压器的设计 17
3.3变压器绕制步骤 18
3.4硬件抗干扰措施 19
3.5仿真结果 19
4 开关电源控制芯片的设计 22
4.1 TL494芯片简介 22
4.2外围电路的介绍 26
4.3仿真结果 27
5 开关电源反溃电路的设计 28
5.1电源反馈部分的工作原理 28
5.2仿真结果 30
6 结论 31
致 谢 33
参考文献 34
1 绪论
1.1开关电源的发展历程
随着电子技术的发展, DC/DC 电源已经形成一个庞大的工业, 材料、工艺、外封装的不断改进, 使DC/DC产品普遍被工业界采用, 并在军界、医疗、宇航等领域迅速推广。现已有数家产值达数千万美元的公司生产DC/DC电源, 产品从0.5瓦至上千瓦. 从单输出到多输出。也有的公司把自己的DC/DC模块产品组合设计成用户需要的电源系统。
激烈的竞争局面, 导致各厂家积极采用先进技术, 使模块以最小的体积达到最高的功率输出,某些新产品的功率密度已可达每立方英寸10瓦。提高效率和输出功率是大家追求的目标, 场效应开关管、肖特基整流管以及磁性材料的改进, 都是关键因素。
计算机工业的发展给DC/DC电源提出了新的目标。以往的TTL 电路逻辑电压为5V , 超大规模集成电路的驱动电流较大, 一个需5A 电流的设计至少要25 瓦输出的电源模块。为节省能源, 新的CMOSIC设计使电压降为3.3V , 同样需5A 电流则可仅用16.5 瓦的模块。目前一些超大规模集成电路生产厂家有意把电压降至2 .9V 、2.1 V ,以节省电力, 因对DC/DC电源产品带来了新的挑战。目前DC/DC模块的设计人员采用同步整流技术在一定程度上使效率有所提高,但最终的改进尚依赖于半导体元件性能的改善。为解决DC/DC模块的控制电路。使用一定规模的集成电路将使DC/DC模块性能得到革命性的进步[1]。
DC/DC模块的外封装的散热也是个关键间题。由于体积的限制,模块外壳需有良好的导热能力, 否则将烧毁内部半导体元件。近几年已有把电路印刷在铝制或陶瓷荃板上的DC/DC产品间世。铝板和陶瓷板导热较好, 给DC/DC模块的发展提供的新的方向。
1.2开关电源的分类
1.2.1按驱动方式分类
1)自激式开关电源开关管起着振荡器器件和功率开关的作用。
2)他激式开关电源备有专门独立的振荡电路,使用专用的脉冲调宽控制器PWM芯片就是中一例。
1.2.2按能量转换过程的类型分类
1)直流—直流(DC-DC)变换器它是将一种直流电转换成另一种或几种直流电。DC-DC变换器是直流开关电源的核心部件,也是非隔离式或隔离式变换器直流电源的重要组成部分。
2)逆变器(DC-AC)它是将直流电转换交流电的开关变换器,是交流输出开关电源和不间断电源(UPS)的主要部件。
3)开关整流器(AC-DC)它是将交流电转换成直流电能的一种电源装置,这种变换器其变换过程应该理解为交流-直流-交流-直流(AC-DC-AC-DC)。
4)交流-交流变换器(AC-AC)它是将一种频率的交流电直接转换成另一种恒频或可变频率的交流电,或是将交流电直接转换成恒频交流电的变换装置。
1.2.3按输入与输出是否隔离分类
1)隔离式开关变换器它是高频变压器将变换器的一次侧(输入)与二次侧(输出)隔离。这种变换器结构主要有单端正激式变换器,单端反激式变换器,中心抽头式(推挽)变换器,半桥式变换器,全桥式变换器。
2)非隔离式开关变换器它是在电气上输入与输出不隔离的。输入与输出公用一个公共端。这种变换器结构主要有降压型(Buck)变换器,升压型(Boost)变换器,降压-升压(Buck-Boost)变换器以及它们的组合变形电路,如Cuk器,Zeta变换器,Sepic变换器等。
1.2.4按功率开关管关断和开通工作条件分类
1)硬开关变换器功率开关器件是在承受电压或电流应力的情况下接通或关断的。这样不但产生开关损耗,而且形成开关尖峰干扰噪声,需要附加屏蔽,滤波等抗噪声技术,才能满足高精度,高性能用电设备的要求。
2)软开关变换器功率开关器件是在不承受电压或电流应力的情况下接通或关断的;或是加在开关管上的电压为零,称零电压开关(ZVS);或是流过开关管的电流为零,称零电流开关(ZCS)。因开关过程中无电压,电流重叠(理想情况),开关损耗大大降低,而且开关噪声电压小,有利于开关变换器的高频化,小型化。
1.3开关电源的特点
DC/DC 电源在70 年代即得到应用, 已形成模块化产品。由于DC/DC电路设计相对较简单、费用低, 可以快速的良好设计解决大量复杂问题, 而且已经形成一整套DC/DC电源的设计、测试、生产标准。这就大大简化了电子、电器设备系统设计过程。在较大型设备中( 如程控交换机) , 电源往往占据系统费用的20 %左右, 电源设计考虑不周常因电源故障而使整个系统不能正常工作。
采用DC/DC供电方式是目前最简单而最易行的办法。在系统的设计初期,即可根据系统内部各级部件电路对不同的电压电流要求, 根据DC/DC模块生产厂家的产品目录找到合适的DC 江兀模块产品。如系统对DC/DC模块有特殊要求, 也可请DC/DC二模块生产厂家进行特殊设计和生产。从而可使设计师以较少的精力考虑电源而把主要精力投入到系统核心部分的设计。采用DC/DC模块化电源即可使这一切成为现实。采用小型化的电源模块可大大减化设备结构, 减小体积重量, 同时, 电源模块所特有的高可靠性使系统的整体可靠性大幅度提高, 更有利于降低设计费用和设备成本。
1.4本文主要工作
本文的主要工作是分析设计了一种PWM升压型DC/DC变换器的控制芯片。本文共分六个章节详细介绍。
第一章介绍了开关电源的发展历程、开关电源的分类和开关电源的特点。
第二章阐述了开关电源的基础知识,其中包括了软开关技术、全桥控制技术、电源开关常用的拓扑结构、电源开关的调制方式以及开关电源的控制方式,在此对每一项都进行了详细的介绍的分析。
第三章是对主电路进行原理分析,本设计所用器件的选取、重要的变压器制作和硬件抗干扰进行了一系列措施的研究。
第四章分析了参与主电路的开关电源控制芯片TL494的设计,本文也对此进行了详细的描述。
第五章介绍了开关电源反馈电路的设计。
第六章是本文的结论,写出了本人对这次设计的感想和一些看法。
2 开关电源的基础知识
2.1开关电源DC/DC变换器的软开关技术分类
现代电力电子装置的发展趋势是小型化、轻量化,同时对装置的效率和电磁兼容性也提出了更高的要求。通常,滤波电感、电容和变压器在装置的体积和重量中占很大比例。因此必须设法降低他们的体积和重量,才能达到装置的小型化和轻量化。从电路的有关知识可以知道,提高工作频率可以减小变压器各绕组的匝数,并减小铁心的尺寸,从而使变压器小型化。因此装置的小型化、轻量化最直接的途径是电路的高频化。但在开关频率提高的同时,开关损耗也会随之增加,电路效率严重下降,电磁干扰也增大,输入所以简单的提高开关频率是行的。针对这些问题出现了软开关技术,它利用了谐振为主的辅助换流手段,解决了电路中的开关损耗和开关噪声的问题,使开关频率大幅度提高,从而大大减小了开关电源的体积和重量。变换器的软开关技术实质上是利用电感和电容的谐振来完成开关器件的换流,最早是采用有损缓冲电路来实现,从能量的角度来看,它是将开关损耗转移到缓冲电路中消耗掉,从而改善开关管的开关条件,因此这种方法对变换器的变换效率没有提高,甚至会使效率有所降低。目前所研究的软开关技术不再采用有损缓冲电路、不是开关损耗的转移,而是真正减小开关损耗。直流开关电源的软开关技术一般可分为以下三类[2]:
1)准谐振电路,准谐振电路中电压或电流的波形为正弦半波,因此称之为准谐振。是最早出现的软开关电路。可分为零电压开关准谐振电路、零电流开关准谐振电路、零电压开关多谐振电路以及用于逆变器的谐振直流环节电路。缺点:准谐振的引入使得电路开关损耗和开关噪声大大下降,但也带来一些负面问题:谐振电压峰值很高,要求器件耐压必须提高;谐振电流的有效值很大,电路中存在大量的无功功率的交换,造成电路的导通损耗加大;谐振周期随输入电压、负载变化而改变,因此只能采用PFM方式来控制,变频的开关频率给电路设计带来困难。
2)零开关PWM变换器,它可分为零电压开关PWM变换器和零电流开关PWM变换器。该类变换器是在准谐振变换器的基础上,加入一个辅助开关管,来控制谐振元件的谐振过程,实现恒定频率PWM控制。这与准谐振变换器不同的是,谐振元件的谐振工作时间与开关周期相比很短,一般为开关周期的1/10~1/5。优点:同准谐振电路相比,电压和电流基本上是方波,只是上升沿和下降沿较缓,开关承受的电压明显降低,电路可以采用开关频率固定的PWM控制方式。
3)零转换PWM变换器,它可分为零电压转换PWM电路和零电流转换PWM变换器,这类变换器还是采用辅助开关控制谐振的开关时刻,所不同的是,谐振电路是与主开关并联的,因此输入电压和负载电流对电路的谐振影响很小,电路在很宽的输入电压范围内并从零负载到满载都能工作在软开关状态,而且电路中无功功率的交换被消减到最小,这使得电路的效率有了进一步的提高。尽管软开关技术的引入提高了变换器的工作频率,降低了开关损耗,减小了功率器件的电压和电流力但其中仍有许多问题有待解决,如进一步扩大功率使用范围,完善控制技术,提高工作可靠性等。软开关技术的应用已经给功率变换器的发展带来了深刻的变革,随着软开关的技术的进一步完善,必将为实现更高品质的功率开关变换器提供有力的技术保障。
2.2开关电源移相全桥DC/DC变换器控制技术
控制技术包括控制的策略(软件技术)以及实现控制策略的电路方式(硬件技术)。在传统电力电子技术中,控制部分是以模拟电路方式来设计和工作的。伴随着高速、高性能、低成本数字处理器(DSP)芯片的面世并逐步走向市场,电力电子电路控制系统的数字化正成为研究的方向。数字控制技术可使系统控制电路大为简化,并能提高系统的控制灵活性和抗干扰能力(减少杂散信号的干扰),避免模拟信号的传递畸变失真,便于自诊断、容错等技术的植入,利于提高系统的智能化水平。移相全桥DC/DC变换器是使用较多而且技术已经比较成熟的一种直流变换器,从控制方式看,主要有以下三种[3]:
1)ID控制,比例积分(PI)控制实现容易,是工程实际中应用最广泛的一种控制器。在DC/DC直流变换器中,PI控制可以实现无静差跟踪。为了满足动态性能要求,在实际系统中,经常需要引入分环节(D),移相全桥DC/DC变换器空载时相当于二阶欠阻尼系统,带负载时系统的零极点会发生变化,所以要使整个系统在整个带负载范围保持好的动态性能和静态性能,就必须对PID的各参数进行综合考虑。
2)电压和电流双闭环控制,在单环控制系统中,只选取了一个有用反馈量(电流量或电压量)参与控制,因此只有当负载扰动的影响最终在输出表现出来以后,控制器才开始反应,因而控制速度不够快。为了克服这些缺点,在DC/DC直流变换器的电压单环基础上增加电流内环,利用电流内环快速、及时的抗干扰性来有效地抑制负载扰动的影响。在双闭环控制中,由电压外环控制电流内环(即内环电流在每一开关周期内变化,直至达到电压外环设定的误差阀值),电流内环瞬时快速的监测输出电流的动态变化,电压外环只负责控制输出电压,双闭环电压电流型控制模式具有比单环电压型控制模式大得多的带宽。
3)模糊控制,与传统控制方式相比,模糊PID控制的好处是不依赖控制对象的数学模型,它是根据人工控制规则组织控制决策表,然后由该表决定控制量的大小。就移相全桥变换器而言,模糊控制器的设计仅需要知道电感电流、输出电压和模糊控制规则
2.3开关电源常用拓扑结构
开关电源(直流变换器)的类型很多,从输入输出有无隔离角度,开关电源主回路可以分为隔离式与非隔离式两大类型。这两种类型中又各自包含有不同的电路拓扑种类。每种结构都有各自的特点,适用于不同的应用场合,下边将对各种开关电源拓扑结构简要叙述和比较[4]。
2.3.1非隔离式开关电源拓扑结构
非隔离式电路是指输入端与输出端电气相通,没有隔离。非隔离式又可分串联式结构、并联式结构和极性反转式结构三种电路拓扑结构,这三种电路拓扑结构有各自的特点,工作过程不一样,应用场合也不一样。
1)联式结构特点和工作原理 ,图2.1所示为串联式结构,这种结构的特点是:在主回路中开关器件T与输入端、输出端、电感器L、负载RL四者成串联连接的关系。开关管T交替工作于导通/关断两种状态,当开关管T导通时,输入端电源通过开关管T及电感器L对负载供电,并同时对电感器L充电,当开关管T关断时,电感器L中的反向电动势使续流二极管D自动导通,电感器L中储存的能量通过续流二极管D形成的回路,对负载RL继续供电,从而保证了负载端获得。
图2.1串联式开关稳压电路主回路
串联式结构中,输出电压与输入电压成线性关系,其表达式为Vo≈Vi×D,D为开关器件T的占空比,D越大输出越大,其最大值为1,因此串联式结构只能获得低于输入电压的输出电压,只适合于降压式变换。
2)联式结构特点和工作原理,图2 .2所示为并联式结构,并联式结构与串联式结构有相同的组成部分,只是他们的位置被重新布置了一下。这种结构的特点是:在主回路中开关器件T与输出端负载成并联连接的关系。开关管T交替工作于导通/关断两种状态,当开关管T导通时,输入端电源通过开关管T对电感器L充电,同时续流二极管D关断,负载RL靠电容器存储的电能供电;当开关管T关断时,续流二极管D导通,输入端电源电压与电感器L中的自感电动势正向叠加后,通过续流二极管D对负载RL供电,并同时对电容器C充电。
图2.2并联式开关稳压电路主回路
由此可见,并联式结构中,可以获得高于输入电压的输出电压,因此为升压式变换,适合于输出电压高于输入电压的场合,并且为了获得连续的负载电流,并联结构比串联结果对输出滤波电容C的容量有更高的要求。
3)性反转型变换器结构,图2.3所示为极性反转变换器结构,输出电压与输入电压的极性相反。电路的基本结构特征是:在主回路中,相对于输入端而言,电感器L与负
载成并联。
图2.3极性反转开关电源主回路
开关管T交替工作于导通/关断两种状态,工作过程与并联式结构相似,当开关管T导通时,输入端电源通过开关管T对电感器L充电,同时续流二极管D关断,负载RL靠电容器存储的电能供电;当开关管T关断时,续流二极管D导通,电感器L中的自感电动势通过续流二极管D对负载RL供电,并同时对电容器C充电;由于续流二极管D的反向极性,使输出端获得相反极性的电压输出。
2.3.2隔离式开关电源拓扑结构
隔离式是指输入端与输出端电气不相通,通过脉冲变压器的磁耦合方式传递能量,输入输出完全电气隔离。隔离式又可分为以下几种拓扑结构:
1)单端反激式,图2.4开关电源电路中所谓的单端是指变换器的磁芯仅工作在磁滞回线的一侧。所谓的反激是指当功率调整管T导通时,变压器N在初级绕组中储存能量;当功率调整管T截止时,变压器N通过次级绕组向负载传递能量。即原/副边交错通断。这样可以避免变压器磁能被积累的问题,但是由于变压器存在漏感,将在原边形
成电压尖峰,可能击穿调整管T,因此需要设置RCD缓冲电路如下图2.4:
图2.4单端反激式开关电源主回路
2)单端正激式,从电路原理图2.5上看,正激式与反激式很相似,表面上只是变压器同名端的区别,但工作过程不同。当T导通时,变压器N的初级和次级绕组同时导通,向负载传送能量,滤波电感L储存能量;当T截止时,电感L通过二极管D1继续向负载释放能量。
图2.5单端正激式开关电源主回路
该电路的最大问题是:功率管T交替工作于通/断两种状态,当功率管关断时,脉冲变压器处于“空载”状态,其中储存的磁能将被积累到下一个周期,直至电感器饱和,可能会使功率调整管烧毁。
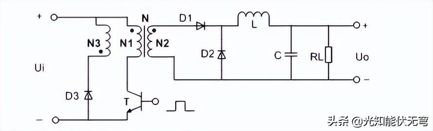
3)推挽式,图2.6这种电路结构的特点是:变压器原边是两个对称线圈,两只功率调整管接成对称关系,轮流通断,工作过程类似于线性放大电路中的乙类推挽功率放大器。
图2.6推挽式开关电源主回路
该电路的主要缺点是:电路结构相对复杂,成本较高,变压器绕组利用率低,对功率管的耐压要求比较高。
4)半桥式,图2.7电路的结构类似于全桥式,只是把其中的两只调整管换成了两只等值的大电容C1、C2。工作过程:T1和T2交替导通,使变压器一次侧形成幅值为Ui/2
的交流电压,改变PWM的占空比就可以改变输出电压。
图2.7半桥式开关电源主回路
5)全桥式,图2.8这种电路结构的特点是:由四只相同的调整管接成电桥结构驱动变压器的原边。工作过程:互为对角的两个功率管同时导通,同一侧上的两功率管交替导通,使变压器一次侧形成幅值为Ui/2的交流电压,改变PWM占空比就可以改变输出电压。
图2.8全桥式开关电源主回路
该电路使用的功率管数量多,且要求参数一致性好,驱动电路复杂,实现同步比较困难,这种电路结构通常使用在1KW以上超大功率开关电源电路中。
2.3.3开关电源各种拓扑结构的比较
表2.1开关电源各种拓扑结构的比较
拓扑
功率范围(W)
Vin(dc)范围(V)
输入输出隔离
典型效率(%)
相对成本
Buck
0-1000
5-40
无
70
1.0
Boost
0-150
5-40
无
80
1.0
Buck-Boost
0-150
5-40
无
80
1.0
正激式
0-150
5-500
有
78
1.4
反激式
0-150
5-500
有
80
1.2
推挽式
100-1000
50-1000
有
75
2.0
半桥式
100-500
50-1000
有
75
2.2
全桥式
400-2000+
50-1000
有
75
2.5
2.4开关电源的调制方式
2.4.1脉冲宽度调制
(Pulse Width Modulation,缩写为PWM)开关周期恒定,通过改变脉冲宽度来改变占空比的方式。
PWM:脉宽调制PWM是开关型稳压电源中的术语。这是按稳压的控制方式分类的,除了PWM型,还有PFM型和PWM、PFM混合型。脉宽宽度调制式(PWM)开关型稳压电路是在控制电路输出频率不变的情况下,通过电压反馈调整其占空比,从而达到稳定输出电压的目的。
2.4.2 脉冲频率调制
(Pulse Frequency Modulation,缩写为PFM)导通脉冲宽度恒定,通过改变开关工作频率来改变占空比的方式。
PFM:一种脉冲调制技术,调制信号的频率随输入信号幅值而变化,其占空比不变。由于调制信号通常为频率变化的方波信号,因此,PFM也叫做方波FM PWM是频率的宽和窄的变化,PFM是频率的有和无的变化, PWM是利用波脉冲宽度控制输出,PFM是利用脉冲的有无控制输出. 其中PWM是目前应用在开关电源中最为广泛的一种控制方式,它的特点是噪音低、满负载时效率高且能工作在连续导电模式;PFM具有静态功耗小的优点,但它没有限流的功能也不能工作于连续导电方式。
2.4.3 混合调制
导通脉冲宽度和开关工作频率均不固定,彼此都能改变的方式,它是以上二种方式的混合,WM-PFM兼有PWM和PFM的优点。
DC/DC变换器是通过与内部频率同步开关进行升压或降压,通过变化开关次数进行控制,从而得到与设定电压相同的输出电压。PFM控制时,当输出电压达到在设定电压以上时即会停止开关,在下降到设定电压前,DC/DC变换器不会进行任何操作。但如果输出电压下降到设定电压以下,DC/DC变换器会再次开始开关,使输出电压达到设定电压。PWM控制也是与频率同步进行开关,但是它会在达到升压设定值时,尽量减少流入线圈的电流,调整升压使其与设定电压保持一致。 与PWM相比,PFM的输出电流小,但是因PFM控制的DC/DC变换器在达到设定电压以上时就会停止动作,所以消耗的电流就会变得很小。因此,消耗电流的减少可改进低负荷时的效率。PWM在低负荷时虽然效率较逊色,但是因其纹波电压小,且开关频率固定,所以噪声滤波器设计比较容易,消除噪声也较简单。 若需同时具备PFM与PWM的优点的话,可选择PWM/PFM切换控制式DC/DC变换器。此功能是在重负荷时由PWM控制,低负荷时自动切换到PFM控制,即在一款产品中同时具备PWM的优点与PFM的优点。在备有待机模式的系统中,采用PFM/PWM切换控制的产品能得到较高效率。 PFM相比较PWM主要优点在于效率: 1)对于外围电路一样的PFM和PWM而言,其峰值效率PFM与PWM相当,但在峰值效率以前,PFM的效率远远高于PWM的效率,这是PFM的主要优势。 2)PWM由于误差放大器的影响,回路增益及响应速度受到限制,PFM具有较快的响应速度 。PFM相比较PWM主要缺点在于滤波困难 :1)滤波困难(谐波频谱太宽)。 2)峰值效率以前,PFM的频率低于PWM的频率,会造成输出纹波比PWM偏大。 3)PFM控制相比PWM控制 IC 价格要贵。 PFM之所以应用没有PWM多最主要的一个原因就是另外一个原因就是PWM的巨大优点了:控制方法实现起来容易,PFM控制方法实现起来不太容易[6]。
2.5开关电源的控制方式
DC-DC变换器从控制模式上可以分为两类,即电压模式控制(Voltage Mede Control)和电流模式控制(Current Mode Control)。由于本文设计采用的PWM调整方式,下面分别介绍PWM调制方式下的电压模式控制和电流模式控制。
2.5.1电压控制模式
PWM电压型控制的基本原理就是通过误差放大器输出信号与一定的锯齿波进行比较,产生控制用的PWM信号。PWM电压型控制的原理如图2.9所示:
图2.9 PWM电压型控制原理图
其原理为:电源输出反馈电压Vsens与参考电压Vref比较放大,得到误差信号Error,Error和锯齿波信号比较后,PWM比较器输出一系列脉冲,这些脉冲的宽度随误差信号Verror的变化而变化,而这些脉冲宽度决定了输出能量的大小。当负载消耗能量增大时,脉冲宽度增大,开关管导通时间增大,而负载消耗能量减小时,输出脉冲宽度减小,开关管导通时间减小,从而维持输出电压恒定。这种电压控制开关电源只需要一个反馈信号用于实现整个电路的负反馈而维持输出恒定。
从控制理论的角度来讲,电压型控制方式在整个控制电路中只有一个反馈环路,是一种单环控制系统。电压控制型变换器是一个二阶系统,它有两个状态变量::输出滤波电容的电压和输出滤波电感的电流。二阶系统是一个有条件稳定系统,只有对控制电路进行精心的设计和计算后,在满足一定的条件下,闭环系统方能稳定的工作]。开关电源的电流均流经电感,对于电压信号90°的相位延迟。因此,仅用电压采样的方法稳压,响应速度慢,稳定性差,甚至在大信号变动时产生振荡,从而损坏功率器件,以致在推挽和全桥等电路中引起变压器偏磁化饱和而产生电流尖峰,最终导致线路工作失常。
电压型控制的优点是:l)单环反馈的设计和分析较易进行;2)锯齿波振幅较大,对稳定的调制过程可提供较好的噪声余裕;3)低阻抗功率输出,对多输出电源具有较好的交互调节特性。
电压型控制的缺点是:l)动态响应速度较慢;2)输出滤波器对控制环增加了两个极点,这就需要增加一个零点补偿;3)由于环路增益随输入电、压而变,使得补偿变得更加复杂化[5]。
2.5.2电流控制模式
针对电压模式控制的缺点,最近十几年发展起来了电流模式控制技术。电流模式控制可分为峰值电流模式(PCM)控制和平均电流模式(ACM)控制,ACM在PCM的基础上发展而来。通常情况下所指电流模式为峰值电流模式控制。
电流控制模式是在电压控制模式的基础上,增加一个电流负反馈的环节,电感电流不再是一个独立变量,从而使开关变换器成为一个一阶无条件的稳定系统,它只有单个极点和90°相位滞后,从而很容易不受约束地得到大的开环增益和完善的小信号、大信号特性。根据最优控制理论,实现全状态反馈的系统是最优控制系统,可以实现最小的动态响应的误差平方积分指标。因此,取输出电压和电感电流两种反馈信号实现双环控制是符合最优控制规律的。
图2.10 PWM峰值电流型控制原理图
图2.10为PWM峰值电流型控制原理框图。与电压型控制不同的是,电流型控制PWM较器的入由电压模式控制中的锯齿波信号,换成了对电感电流采样值所转换成的电压VS。每个期中,振荡器输出的脉冲开启开关管,当电感电流感应电压VS达到VE电平时,PWM较器状态翻转,开关管截止。
从图10可以看出,与单一闭环的电压控制模式相比,电流模式控制是双闭环控制系统,外环由输出电压反馈电路形成,由电压外环控制电流内环,即内环电流在每一开关周期内上升,直到达到电压外环设定的误差电压闽值。电流内环是瞬时快速进行逐个脉冲比较工作的,并且检测输出电感电流的动态变化,电压外环只负责控制输出电压。因此电流型控制模式具有比起电压型控制模式大得多的带宽。无论是理论分析还是电路测试,都证明电流型控制比电压型控制有许多优点,归纳起来主要有以下几点:(1)瞬态闭环响应快,对输入电压的变化和输出负载的变化的瞬态响应均很快;(2)具有瞬时峰值电流限流功能,不会因过流而使开关管损坏,大大减小过载与短路的保护(3)整个反馈电路变成了一阶电路,因此误差放大器的控制环补偿网络得以简化,稳定度得以提高且易于补偿;(4)输出电压纹波较小。正是基于电流控制模式引入的优秀的线性调整率,负载调整率和瞬态特性,本文设计的控制芯片选取了峰值电流控制PWM调制方式。但是,峰值电流控制型DC/DC变换器本身也有缺点和问题: (1)当占空比大于50%时,控制环变得不稳定,抗干扰性能差,需要斜坡补偿;(2)因控制信号来自输出电流,功率级电路的谐振会给控制环带来噪声;(3)电感峰值电流与平均电流有误差;(4)需要双环控制,增加了电路设计和分析的难度[7]。
3 开关电源主电路的设计
3.1逆变器的工作原理
图3.1 直流逆变推挽式结构
图3.2给出了推挽逆变-高频变压-全桥整流DC/DC变换器的基本电路拓扑。
图3.2 推挽逆变-高频变压-全桥整流电路
通过控制两个开关管S1和S2以相同的开关频率交替导通,且每个开关管的占空比d 均小于50%,留出一定死区时间以避免S1和S2同时导通。由前级推挽逆变将输入直流低电压逆变为交流高频低电压,送至高频变压器原边,并通过变压器耦合,在副边得到交流高频高电压,再经过由反向快速恢复二极管FRD构成的全桥整流、滤波后得到所期望的直流高电压。由于开关管可承受的反压最小为两倍的输入电压,即2U1,而电流则是额定电流,所以,推挽电路一般用在输入电压较低的中小功率场合。当S1开通时,其漏源电压uds1只是一个开关管的导通压降,在理想情况下可假定uds1=0,而此时由于在绕组中会产生一个感应电压,并且根据变压器初级绕组的同名端关系,该感应电压也会叠加到关断的S2上,从而使S2在关断时承受的电压是输入电压与感应电压之和约为2Ui。在实际中,变压器的漏感会产生很大的尖峰电压加在P" 两端,从而引起大的关断损耗,变换器的效率因受变压器漏感的限制,不是很高。在S1和S2的漏极之间接上RC缓冲电路,也称为吸收电路,用来抑制尖峰电压的产生。并且为了给能量回馈提供反馈回路,在S1和S2两端都反并联上续流二极管FWD[8]。
3.2换器的滤波电容和电感的选取
3.2.1滤波电容的选取
为了减少输入电压的脉动,我们常采用输入端并联大电解电容的方法来实现。电容选得太大会影响到控制环路的响应速度;太小,电压的脉动又无法解决。因此,对所需电容的容值进行具体的计算。计算过程如下:
由于传输最大功率为P0并联电容为无损元件,则由输入输出功率相等可知电流脉动可转化为电压的脉动,则考虑一个周期内输入滤波电容C所提供的能量约计算见式(3.1):
(3.1)
每个半周期输入滤波电容提供的能量计算见式(3.2):
(3.2)
考虑到输入电压波动,实际电路中由于铝电解电容ESR和自身电感较大,不能承受较高频率的电流纹波,会引起发热,一般用于低频滤波;且变压器漏感和线路电感会导致电流纹波增大。为减小ESR,实际电路采用2x470uF/400V的电解电容。由于输入电源和开关器件之间线路电感的存在,还需并联ESR更小的高频电容,以消除开关瞬间的电压电流尖峰。
3.2.2滤波电感的选取
在设计变换器输出滤波电感时要求输出滤波电感在某一个最小电流I保持连续。电感Lf的最小值应为见式(3.3):
(3.3)
3.2.3高频逆变电源的设计核心就是变压器的设计
1)计算交流输出电压见式(3.4)和(3.5):
(3.4)
(3.5)
K为输入电压波动系数。
2)计算AP值见式(3.6):
(3.6)
原边参数计算:
计算最小占空比见式(3.7):(3.7)
4)计算初级匝数
见式(3.8):
(3.8)
5)计算初级电感
见式(3.9):
(3.9)
计算峰值电流加见式(3.10):(3.10)
计算电流密度J见式(3.11):(3.11)
计算初级线径先计算原边绕组裸线面积见式(3.12):
(3.12)
再由AWG导线规格表可查得最接近线号
副边参数计算
计算次级电流(仅对桥式整流)见式(3.13):(3.13)
计算次级匝数Ns见式(3.14):(3.14)
计算次级线径见式(3.15):(3.15)
12)验算输出电压
见式(3.16):
(3.16)
3.3变压器绕制步骤
1)先绕二分之一的高压绕组(次级),先在骨架上用高温胶带粘一层,这样做是为了防止导线打滑,用一根0.93线绕一层,约30圈,再用胶带固定住线头,不要让它散出来,并在高压绕组的外面用高温胶带包三层。
2)下面就可以绕低压绕组了(初级),低压绕组分成二层绕,也就是每一层是2加2,用5根线并绕。先用5根0.93线绕2圈,中间留空隙,再在空隙处用另外5根线绕2圈。用同样的方法绕二层,层间包二层胶带,这样就相当于用了10根线并绕。绕完低压绕组,在绕组外用高温胶带包三层。绕低压绕组要注意的问题是:线头留在下面,即骨架引脚处,线尾留长一点,暂时留在骨架的上面(等绕完高压绕组后要向下折下来)。实际上,低压绕组的头和尾是有一段是重叠的,也就是不是2圈,而是约2.2圈,这样做可以大大减少漏感。
3)再继续绕高压绕组,绕完另外的30圈,要注意的是,这30图要和里面的30圈绕向相同,这点很关健。如果一层绕不下,就把剩下几圈再绕一层。
4)绕完高压绕组后,在外面用高温胶带包三层,就把低压绕组原先留在上面的线头折下来,准备焊在骨架的脚上。去漆可以用脱漆剂,用棉签沾一点脱漆剂,抹在线头上,过一会儿,漆就掉下来了,就可以焊了。
5)再后在整个绕组的外面包几层高温胶带,绕好的线包外观要饱满平整。
6)现在可以插磁芯了,插磁芯之前要对磁芯的对接面做清洁处理,我是用胶带粘几下,把磁芯对接面的粉末全清洁干净,插入磁芯,用胶带扎紧,对磁芯对接处用胶水做固定。
3.4硬件抗干扰措施
逆变电源系统所处电磁环境复杂,而用户对电源系统的纹波、稳定性等都有较高的要求。因此,硬件抗干扰措施是整个户用逆变电源系统的重要组成部分。为避免主电路中串进的各种形式的干扰,可采取以一下措施:1)在PCB布线时,将高频与低频分开、模拟与数字分开、强电与弱电分开、直流与交流分开;布局时尽量将信号线远离变压器、电感等干扰源。2)使用瓷片电容滤除高频干扰,适用电解电容滤除低频干扰;在CPU等精密器件下,大面积覆铜。3)加强对引入的电源进行去祸处理:接地线尽量加粗;PCB布线的设计时,尽量满足线距线宽等要求,避免串扰。4)采用光偶耦、互感器等隔离器件,实现高低电平、强弱信号的有效离。5)尽量使用短而直的走线连接,避免使用垂直交叉走线、线宽突然变宽或者变窄;禁止环形走线[9]。
通过上述抗干扰方法,经过试验验证,逆变电源可以实现稳定有效的工作。
3.5仿真结果
通过对主电路的设计,我们对此进行了功能仿真,下面几个给出了仿真结果:
图3.3 无保护的开关管输出波形
图3.4 有RCD保护的开关管输出波形
图3.5 方波电压输出波形
图3.6 输出直流电压330V
4 开关电源控制芯片的设计
4.1 TL494芯片简介
TL494 为双列直插式结构, 如图4.1: 其中1, 2, 15, 16 脚分别为内部两个运算放大器的输入端, 3 脚为补偿端, 4 脚为死区电压控制端, 5、6 脚外接振荡定时元件, 7 脚为地, 8、9、10、11 脚分别为内部一个启动管的c、e 极, 12 脚为供电端, 13 脚为输出方式控制, 接低电平时内部两个三极管同时导通与截止, 接高电平时内部两个三极管轮流导通与截止, 14 脚为基准电压输出端, 输出5 V 基准电压, 可输出10mA 的驱动电流。
图4.1 TL949芯片管脚
TL494是专用双端脉冲调制器件,TL494为固定频率的PWM控制电路,它结合了全部方块图所需之功能,在切换式电源供给器里可单端式或双坡道式的输出控制。如图4.2所示为TL494控制器的内部结构与方块图其内部的线性锯齿波振荡器乃为频率可规划式(frequency programmable),在脚5与脚6连接两个外部元件RT与CT,既可获得所需之频率其频率可由下式(4.1)计算得知:
(4.1)
图4.2 TL494控制器的内部结构与方块图片
5V基准源,TL494内置了基于带隙原理的基准源,基准源的稳定输出电压为5V,条件是VCC电压在7V以上,误差在100mV之内。基准源的输出引脚是第14脚 REF.
锯齿波振荡器,TL494内置了线性锯齿波振荡器,产生0.3~3V的锯齿波。振荡频率可通过外部的一个电阻Rt和一个电容Ct进行调节,其振荡频率为:f=1/RtCt,其中Rt的单位为欧姆,Ct的单位为法拉。锯齿波可以在Ct引脚测量到。
运算放大器,TL494集成了两个单电源供电的运算放大器。运算放大器传递函数为ft(ni,inv)=A(ni-inv),但不能越出输出摆幅。一般电源电路中,运放接成闭环运行。少数特殊情况下使用开环,由外界输入信号。 两个运放的输出端分别接一个二极管,和COMP引脚以及后级电路(比较器)相连接。这保证了两个运放中较高的输出进入后级电路。
比较器,运算放大器输出的信号(COMP引脚)在芯片内部进入比较器正输入端,和进入负输入端的锯齿波比较。当锯齿波高于COMP引脚的信号时,比较器输出0,反之则输出1。
脉冲触发器,脉冲触发器在锯齿波的下降沿且比较器输出1时导通,令两个中的一个输出端(依次轮流)片内三极管导通,并在比较器输出降到0时截止。
静区时间比较器,静区(直译死区)时间由Dead Time Control引脚4设置,它通过一个比较器对脉冲触发器实行干扰,限制最大占空比。可设置的每端占空比上限最高为45%,在工作频率高于150KHz时占空比上限是42%左右。(当DTC引脚电平被设为0时)
输出脉波宽度调变之达成可借着在电容器CT端的正锯齿波形与两个控制信号中的任一个做比较而得之。电路中的NOR闸可用来驱动输出三极管Q1与Q2,而且仅当正反器的时钟输入信号是在低准位时,此闸才会在有效状态,此种情况的发生也是仅当锯齿波电压大于控制信号电压的期间里。当控制信号的振幅增加时,此时也会一致引起输出脉波宽度的线性减少。如图4.3所示的波形图。
图4.3 TL494控制器时序波形图
外部输入端的控制信号可输入至脚4的截止时间控制端,与脚1、2、15、16误差放大器的输入端,其输入端点的抵补电压为120mV,其可限制输出截止时间至最小值,大约为最初锯齿波周期时间的4%。当13脚的输出模控制端接地时,可获得96%最大工作周期,而当13脚接制参考电压时,可获得48%最大工作周期。如果我们在第4脚截止时间控制输入端设定一个固定电压,其范围由0V至3.3V之间,则附加的截止时间一定出现在输出上。
PWM比较器提供一个方法给误差放大器,乃由最大百分比的导通时间来做输出脉波宽度的调整,此乃借着设定截止时间控制输入端降至零电位,而此时再回授输入脚的电压变化可由0.5V至3.5V之间,此二个误差放大器有其模态(common-mode)输入范围由-0.3V至(Vcc-2)V,而且可用来检知电源供给器的输出电压与电流。
误差放大器的输出会处于高主动状态,而且在PWM比较器的非反相输入端与其误差放大器输出乃为或闸(OR)运算结合,依此电路结构,放大器需要最小输出导通时间,此乃抑制回路的控制,通常第一个误差放大器都使用参考电压和稳压输出的电压做比较,其环路增益可依靠回授来控制。而第3脚通常用做频率的补偿,它主要目的是为了整个环路的稳定度,特别注意的是运用回授时必须避免第3脚输入过载电流大于600µA,否则最大脉波宽度将会被不正常的限制,此两种误差放大器,都可利用不管是正相或反相放大都可用来稳压。
第二个误差放大器可用来做过电流检知回路,可使用检知电阻来与参考电压元作比较,这回路的工作电压接近地端,而此误差放大器的转换速率(slew rate)在7V之Vcc时为2V/µs。但无论如何在高频运用中。由于脉波宽度比较器和控制逻辑的传播延迟使得他不能用为动态电流限制器。它可运用于恒流限制电路或者外加元件作成电流回叠(current feed-back)的限流装置,而动态电流限制最好能使用截止时间控制输入端的第4脚。
当电容器CT放电时,在截止时间比较器输出端会有正脉波信号输出,此时钟脉波可控制操作正反器,且会抑制输出三极管Q1与Q2,若将输出模控制的第13脚连接至参考电压准位线,此时在推挽式操作下,则两个输出三极管在脉波信号调变下会交替地导通,这时每一个输出的转换频率是振荡器频率的一半。
当以单端方式(single-ended)操作时,最大工作周期须少于50%,此时输出驱动可出三极管Q1或Q2取得,若在单端方式操作下需要较高的输出电流,可以将Q1与Q2三极管以并联方式连接,而且输出模控制的第13脚必须接地,则使得正反器在失效(disable)状态,此时输出的转换频率乃相当于震荡器之频率[10]。
因此TL494约两个输出级可以用单端方式或是推挽式来输出,两个输出关系是不被拘束的,两个集极和射极都有输出端可以利用,在共射极状态下,集极和射极电流在200mA时,集极和射极饱和电压大约在1.1V,而在共集极结构下的电压是15V,在输出过载之下两个输出都有保护作用,一般这两个输出在共射极的转换时间,所以我们可以知道其转换速度非常地快,操作频率可达300KHZ,在25℃时输出漏电流一般都小于1µA。
4.2外围电路的介绍
图4.4 TL494实现的单回路控制器的电路原理图
首先是由四端光电耦合器TLP521的3管脚所输出的FB-V给TL494的1管脚即同相输入端提供大约为4.9V的电压,作为比较器1的同相输入电压。另外此芯片的基准输出端14管脚和输出控制端提供固定的5V的电信号,作为闭环回路的反馈信号,通过有源简单二阶低通滤波电路进行平滑、去除杂波干扰后送给TL494的误差放大器I的IN+同相输入端。设定输入信号是由TL494的5V基准电压源经一精密多圈电位器分压,由电位器动端通过有源简单二阶低通滤波电路接入TL494的误差放大器I的IN-反相输入端。反馈信号和设定信号通过TL494的误差放大器I进行比较放大,进而控制脉冲宽度,这个脉冲空度变化的输出又经过整流滤波电路及由集成运算放大器构成的隔离放大电路进行平滑和放大处理,输出一个与脉冲宽度成正比的、变化范围为0~10V的直流电压。这个电压就是所需要的输出控制电压,用它去控制执行电路,使被控制量始终与设定值保持一致,形成闭环单回路控制。
在本控制器中只用到了TL494的误差放大器I,故将误差放大器II的IN+(16脚)接地、IN-(15脚)接高电平此高电平由基准输出提供,同时还要串联一个保护分压电阻,降低方向输入端的接受电压。为保护TL494的输出三极管,经R11电阻分压,在4脚加接近0.3V的间歇调整电压,并且在4脚外端串联一个电阻R13分压。R6、R8和C9组成了相位校正和增益控制网络。经过实验,在本控制器中6脚振荡电阻R15和5脚振荡电容C11分别取10kΩ和0.1μF。输出采用并取方式,取自发射级。整机电源取12V单电源。
经实际应用,证明了以上的分析。该控制器的控制灵敏度和控制精度都很高,可完全取代 一些成本高、电路复杂的单回路控制器。
综上所述,用TL494为主要元件实现的闭环单回路控制器具有构思新颖、电路简单、成本低廉以及控制过程稳定等特点,在很多工业控制场合可获得广泛的应用。
4.3仿真结果
通过对开关电源控制芯片TL949的设计,我们对此进行了功能仿真,下图给出了仿真结果:
图4.5 TL494输出推挽信号波形
5 开关电源反溃电路的设计
5.1电源反馈部分的工作原理
图5.1开关电源反溃电路
在一般的隔离电源中,光耦隔离反馈是一种简单、低成本的方式。但对于光耦反馈的各种连接方式及其区别,目前尚未见到比较深入的研究,就是采用TLP521进行电路的设计。
TLP521的原边相当于一个发光二极管,原边电流If越大,光强越强,副边三极管的电流Ic大。副边三极管电流Ic与原边二极管电流If的比值称为光耦的电流放大系数,该系数随温度变化而变化,且受温度影响较大。作反馈用的光耦正是利用“原边电流变化将导致副边电流变化”来实现反馈,因此在环境温度变化剧烈的场合,由于放大系数的温漂比较大,应尽量不通过光耦实现反馈。此外,使用这类光耦必须注意设计外围参数,使其工作在比较宽的线性带内,否则电路对运行参数的敏感度太强,不利于电路的稳定工作。 选择TL431结合TLP521进行反馈。这时,TL431的工作原理相当于一个内部基准为2.5 V的电压误差放大器,所以在其1脚与3脚之间,要接补偿网络[11]。
图18所示接法的工作原理如下:当输出电压升高时,TL431的1脚(相当于电压误差放大器的反向输入端)电压上升,3脚(相当于电压误差放大器的输出脚)电压下降,光耦TLP521的原边电流If增大,光耦的另一端输出电流Ic增大,电阻R4上的电压降增大,com引脚电压下降,占空比减小,输出电压减小;反之,当输出电压降低时,调节过程类似。
图5.2 光电藕反馈接法
由主电路中反馈电源提供的直流15V电压输入到反馈电路四端光电耦合器TLP521原边的1脚,在此串联一个R10电阻,其阻值为1K,这个电阻的主要作用是起到降压保护作用,降压后的电流大约为10mA左右。再经一个过四端光电耦合器TLP521,光电耦合器是指用光来控制另一端电路的动作.由于没有电流行成回路,所以两端互不干扰。具体就是给集成在里面的发光二极管一个电流使其发光,另一端的接收二极管收到光后会有一定的导通变化,这个导通程度就会形成电流信号,进而在这里也减少了电磁干扰,另外在四端光电耦合器TLP521的副边4脚接一个直流12V电压。
在四端光电耦合器TLP521的2脚串联一个TL431NPN管,管脚的一端接地,一端作为参考极接到VCC上,在接到VCC的过程中需要串联一个电阻R21,其阻值为220K,主要起到降压保护四端光电耦合器TLP521的作用。在VCC的接入端同样也需要串联一个电阻R12为220K起到降压保护作用,重要的是要串联一个滑动变阻器R18来调节TL431一个管脚所需要的合适电压作为参考,其中R18的最大电阻为10K,变阻器的输端串联一个R22阻值为1K限流接地。
在四端光电耦合器TLP521的副边3脚同样也需要串联一个最大阻值为1K的滑动变阻器来调节给TL494运放1同相输入端提供一个电压FB-V大约为4.9V。
5.2仿真结果
通过对开关电源反馈部分的设计,我们对此进行了功能仿真,下图给出了仿真结果:
图5.3反馈直流电压导通反馈波形
图5.4反馈直流电压截止反馈波形
6 结论
移相全桥DC/DC变换器作为中大功率开关电源的首选主要电路拓扑,与传统的硬开关主电路拓扑相比,移相全桥DC/DC变换器以其自身的诸多优点在功率变换的众多场合倍受青睐,本文对移相全桥DC/DC变换器主电路结构的相关问题和它的控制技术两个方面进行了研究。
主电路方面:使得体积大大地减小,然而开关电源频率越高,开关损耗和电磁干扰的影响就会越严重,为此,本文采取措施使开关工作在零电压工作状态,并克服了电磁干扰的大部分问题。本文首先分析了移相全桥ZVS PWMDC/DC变换器的工作原理和零电压开关的条件,同时对带辅助谐振网络的移相全桥ZVSPWM DC/DC变换器进行了分析;其次,讨论了移相全桥DC/DC变换器存在的几个关键问题;最后,对此变换器主电路参数进行了设计和比较详细的计算。
控制电路方面:首先分析了buck电路的小信号模型,进而推导出对移相全桥ZVSPWM DC/DC变换器的小信号模型,得出了它的传递函数,并对传递函数进行了MATLAB仿真分析。在控制策略方面,首先介绍了常规PID控制、模糊控制和模糊PID的基本原理和特点,通过对三者控制策略的MATLAB仿真,得出了模糊PID控制方式比常规PID控制和模糊PID控制具有更好的动态性能和稳态性能,最后对移相控制全桥ZVS PWM DC/DC变换器的模糊PID控制进行了仿真,达到了研究的预期效果。
产品特点:使用先进的双CPU单片机智能控制技术,具有高可靠性、低故障率的特点;纯正弦波输出,带负载能力强,应用范围广;具有完善的保护功能(过负载保护、内部过温保护、输出短路保护、输入欠压保护、入过压保护等),大大提高产品的可靠性;体积小、重量轻,内部采用CPU集中控制、贴片技术,使得体积非常小、重量轻;散热风机智能控制,采用CPU控制散热风机的工作状态,大大延长风机的使用寿命,且节约电能、提高工作效率;工作噪音小,效率高。
适用范围:车船载设备系列:军用车辆、警车、医疗救护车、轮船、交通红绿灯等;工业设备系列:太阳能、风力发电、气体放电灯等;办公场所:电脑、打印机、复印机、扫描仪、数码摄象机等;厨房器具系列:微波炉、电池炉、电冰箱等;家庭用电设备:电风扇、吸尘器、空调、照明灯具等;电动工具系列:电锯、钻孔机、冲压机、空气压缩机等。
产品实物展示:图6.1展示了本实验的最终实物开关电源逆变器,我们已精心的设计最后形成了自己的劳动成果。
图6.1 开关电源逆变器实物
致 谢
在本次论文的撰写中,我得到了王玉峰老师的精心指导,不管是从开始定方向还是在查资料准备的过程中,一直都耐心地给予我指导和意见,使我在总结学业及撰写论文方面都有了较大提高;同时也显示了老师高度的敬业精神和责任感。在此,我对王玉峰老师表示诚挚的感谢以及真心的祝福。
四年大学生活即将结束,回顾几年的历程,老师们给了我们很多指导和帮助。他们严谨的治学,优良的作风和敬业的态度,为我们树立了为人师表的典范。在此,我对所有的电信学院的老师表示感谢,祝你们身体健康,工作顺利!
还要感谢和我同一设计小组的孙新同学,是你在我平时设计中和我一起探讨问题,并指出我设计上的误区,使我能及时的发现问题把设计顺利的进行下去,没有你的帮助我不可能这样顺利地结稿,在此表示深深的谢意。
最后,感谢父母对我本科生学习的支持!感谢对我论文工作支持的所有同事、同学和朋友!
最后感谢参加论文评阅和答辩的专家学者,感谢他们所付出的辛勤劳动。
参考文献
[1]周志敏,周纪海.开关电源技术及应用[C].北京:电子工业出版社,2001,25-29.
[2]张先谋.移相全桥软开关DC/DC变换器的研究[D].北京:中国科学院研究生院,2002.
[3]李红平,詹晓东.采用峰值电流模式的全桥移相控制DC/DC变换器[J].电力电子技术,2000,2(1):27-3010-13.
[4]赵容,张波.同步整流关键技术及主要拓扑分析.电路与系统学报[N],2004,9(3):100-104.
[5]刘文军,罗玉峰.开关电源模糊控制PID的设计和MATLAB仿真研究[J].控制统,2006.
[6]林荫宇.移相全桥零电压PWM变换器的建模与仿真[J].重庆大学学报,2000,78-85.
[7]李晓丹.模糊PID控制器的设计和研究[D].天津:天津大学,2005[8]李定宣.开关稳定电源设计与应用.北京:中国电力出版社,2006.
[9]陈勇,于成龙.高压开关电源变压器设计及其噪声干扰的抑制[J].变压器技术,2006,(9):46-47.
[10]曹升芳.全桥移相控制电力系统操作电源开关整流模块研究与开发[D].南京:南京航空航天大学,1999.
[11]张占松,蔡宣三.开关电源的原理与设计[S].北京:电子工业出版社,1999.
相关问答
单片机 中的cral是什么?CRAL貌似跟单片机没什么关系吧CRAL:theChangingRateofAnglebetweenLancs车道线夹角法,是一种车道跑偏决策方法这样的算法一般都用DSP参考文献...
单片机 恒温箱有哪些不足热电偶传感器作者:不详来源:网上收集更新日期:2008-6-24阅读次数:6043一、热电偶传感器测温系统的设计应用下面介绍一个典型的单片机...
帮个忙大神们,急需赐教:免费金山英文 文献 翻译哪个好,英文...[回答]部的不说是一家比较牛逼有实力的公司,可以去了解下呵呵,我们做毕业设计,碰巧有英文文献翻译,工科的,关于单片机的,可以给你,但是我担心发过去后你...
有关51 单片机的 电源电路设计(下图是我画的电源电路,分别采用...平时做科研,处理数据,查阅文献。不玩网游和单机,至多玩棋牌游戏和影音。喜欢摄影,需要修图。附加:纠结要不要带数字键盘区。预算最多8000。尽量便宜些。1...
AHU与MAU的区别是什么? – 960化工网问答它是利用测量被测物的红外辐射能量来确定物体的温度值,利用单片机技术对数据进行处理,可以完成温度数据的存储、计算和统计等功能,同时操作非常方便。红外测温...
计算机科学与技术专业的应当看些什么书??-ZOL问答单片机技术、嵌入式系统、嵌入式操作系统、嵌入式设计与应用、移动设备应用软件...6、掌握文献检索、资料查询的基本方法、能够独立获取相关的知识和信息,具有较...
大学本科计算机主要分为哪几个部分,各是干什么的 - 寄奴 的...有多种开发语言C/C++,JAVA,C#等。注:系统开发,网络编程和大型游戏还是需要学好C/C++(个人认为较难点),手机游戏需要学会JAVA。工程项目的系统软件开...
lm016l如何写入数据?LM016L液晶模块采用HD44780控制器,hd44780具有简单而功能较强的指令集,可以实现字符移动,闪烁等功能,LM016L与单片机MCU通讯可采用8位或4位并行传输两种方式...
单片机 编写一段对中断系统初始化程序,使之准许INt0、INt1、t...平时做科研,处理数据,查阅文献。不玩网游和单机,至多玩棋牌游戏和影音。喜欢摄影,需要修图。附加:纠结要不要带数字键盘区。预算最多8000。尽量便宜些。1...
单片机 电气工程师报考条件..._电气工程师_帮考网单片机电气工程师是一种职业,需要具备以下条件:1.具备电气工程或相关专业的本科及以上学历;2.熟练掌握单片机原理及应用,具备较强的电路设计能力和...
