C51单片机程序的编写与总结3
自己的学习总结文档,有些乱,勿怪
1、51单片机的延时计算
void Delay10us()//@12.000MHz
{
unsigned char i;
_nop_();
_nop_();
i = 27;
while (--i);
}
上面这段代码是用STC-ISP软件中的软件延时计算器给出的,选用的是8051指令集STC-Y5,延时10us。
以前都是直接这么拿来用的,今天却突然想搞个明白,为什么代码要这么写。
于是查了各方资料。
从单片机计时的源头找起,它由下面几部分依次组成。
首先是时钟周期的算法:时钟周期(T)=1(秒)/晶振频率。
(比如:上面代码的时钟周期为1/12M(秒))。
这是单片机的基本时间单位。是由晶振震荡出来的,也叫震荡周期。
其次是机器周期:机器周期是由时钟周期组成的,机器周期是单片机完成一个基本操作所需要的时间。
关于机器周期,每种单片机可能都不太一样,我也只用过传统51和STC这两款,就拿此来对比下
1 传统的8051单片机:
它的1个机器周期是由12个时钟周期组成的。
以12M晶振举例,它的一个机器周期就是:12(个时钟周期)*1(秒)/12MHz = 1(us)
2 STC单片机:
拿我常用的STC12C5A60S2这款单片机来讲,它可以有两个模式选择,
一个是1T模式,在这个模式下STC单片机1个时钟周期就是1个机器周期;
另一个是12T模式,这个模式下STC单片就和传统的8051单片机一样,12个时钟周期组成1个机器周期。
由此可见1T模式的速度就是12T模式的12倍。
以12M晶振为例,1T模式下就可以算得机器周期是:
1(个时钟周期)*1(秒)/12Mhz = 1/12(us)
最后是指令周期:这个是单片机执行一条指令所需要的时间,它是由机器周期组成的。
现在可以回到正文开头的代码中了。这个10us的函数是怎么得出来的呢?
这个我之前查过很多资料,比如执行while语句需要多少个机器周期。赋值需要多少个周期。也就是查这个占用了我很大一部分时间。直到最后将上面的延时函数直接调到main函数中debug调试,才明白,问题其实很简单啊。
无论是执行什么语句,最终都会回到汇编上来,debug里单步调试,所有的指令周期就会明明白白了。
我用main函数直接调用延时函数,如下:
void Delay10us()//@12.000MHz
{
unsigned char i;
_nop_();
_nop_();
i = 27;
while (--i);
}
main
{
Delay10us();
}
我用的keil软件,将上述build之后,点击debug,开始调试
看图片上,开始debug,程序的起始就在C:0x0183 020171 LJMP Delay10us(C:0171),
这里有个长转移指令LJMP,它要转移到C:0171行去执行Delay10us这个函数。
那执行LJMP这个指令需要多长时间呢,查找STC数据手册,在1T模式下,此条指令在单片机上运行需要4个时钟周期。
接下来,按单步调试F11键,如下图:
程序成功转移到C:0171行,跳转到Delay10us函数中,此行程序执行NOP指令,空操作。查STC数据手册,NOP指令占用1个时钟周期。
接下来C:0172行,依然是NOP指令,1个时钟周期。
接下来C:0173行,此行执行 MOV R7,#0x1B,将立即数送入寄存器。是将27赋值给i。依然查手册,此条指令2个时钟周期。
继续:
此时执行到while语句了,这里执行的指令时 DJNZ R7,C:0175,寄存器减1非0转移。此条指令执行1次4个时钟周期。上面已经将寄存器填入27了,因此这条指令将执行27次。继续:
循环了27次,终于到0了,程序继续向下执行,此行指令RET,子程序返回。此条指令4个时钟周期。继续:
程序又回到了起点。
好了,可以计算一下此次延时的时间了。1个LJMP,4时钟;2个NOP,2时钟;1个MOV,2时钟;27个DJNZ,108时钟;1个RET,4时钟。
4+2+2+108+4=120。
单片机的时钟周期是:1(S)/12MHz = 1/12(us)
此次延时的时间是:120 × 1/12(us)= 10(us)
总结
其实并没有绝对的准确延时,上面只是理想化的状态,单片机的中断或者其他事件都可能影响到延时的。
另外,同样的STC单片机,同样的延时10us,同样的1T,官方给出的STC12系列和STC15系列的延时函数就不一样,STC12系列在延时函数内部要少两个NOP指令。debug对比,也是少量NOP,其他都一样。按照12系列和15系列的手册描述,他们的指令周期是相同的。
2、c51单片机红外通信接收端编程
2.1 红外遥控器发射
通常红外遥控为了提高抗干扰性能和降低电源消耗,红外遥控器常用载波的方式传送二进制编码,常用的载波频率为38kHz,这是由发射端所使用的455kHz晶振来决定的。在发射端要对晶振进行整数分频,分频系数一般取12,所以455kHz÷12≈37.9kHz≈38kHz。也有一些遥控系统采用36kHz、40 kHz、56 kHz等,一般由发射端晶振的振荡频率来决定。所以,通常的红外遥控器是将遥控信号(二进制脉冲码)调制在38KHz的载波上,经缓冲放大后送至红外发光二极管,转化为红外信号发射出去的。
二进制脉冲码的形式有多种,其中最为常用的是PWM码(脉冲宽度调制码)和PPM码(脉冲位置调制码,脉冲串之间的时间间隔来实现信号调制)。如果要开发红外接收设备,一定要知道红外遥控器的编码方式和载波频率,我们才可以选取一体化红外接收头和制定解码方案。
2.2位定义
用户码或数据码中的每一个位可以是位 ‘1’ ,也可以是位 ‘0’。区分 ‘0’和 ‘1’是利用脉冲的时间间隔来区分,这种编码方式称为脉冲位置调制方式,英文简写PPM
2.3数据格式
数据格式包括了引导码、用户码、数据码和数据码反码,编码总占32位。数据反码是数据码反相后的编码,编码时可用于对数据的纠错。注意:第二段的用户码也可以在遥控应用电路中被设置成第一段用户码的反码。
2.4程序编写要点
void ReadIr() interrupt 0
{
u8 j,k;
u16 err;
Time=0;
delay(700);//7ms
if(IRIN==0)//确认是否真的接收到正确的信号
{
err=1000; //1000*10us=10ms,超过说明接收到错误的信号,IRIN=0,中断端口没有打开。
/*当两个条件都为真是循环,如果有一个条件为假的时候跳出循环,免得程序出错的时
侯,程序死在这里*/
while((IRIN==0)&&(err>0))//等待前面9ms的低电平过去,这里也是程序没有正常打开
{
delay(1);
err--;
}
if(IRIN==1)//如果正确等到9ms低电平
{
err=500;
while((IRIN==1)&&(err>0)) //等待4.5ms的起始高电平过去
{
delay(1);
err--;
}
for(k=0;k<4;k++)//共有4组数据
{
for(j=0;j<8;j++)//接收一组数据
{
err=60;
while((IRIN==0)&&(err>0))//等待信号前面的560us低电平过去
{
delay(1);
err--;
}
err=500;
while((IRIN==1)&&(err>0)) //计算高电平的时间长度。这里必须是IRIN=1必须一直打开,但
{ //端口中断不会一直打开,必须满足这两个条件才能实现,
delay(10); //0.1ms
Time++;
err--;
if(Time>30) //时间过长,证明是错误输出。
{
return;
}
}
IrValue[k]>>=1; //k表示第几组数据,即因数据传输时二进制码,所以,一个IrValue[k]的
// u8 IrValue[6];u8 Time;值需要转化为二进制码,因此一个值需要八次转换,因为是U8一 //个字节
if(Time>=8)//如果高电平出现大于565us,那么是1
{
IrValue[k]|=0x80; // 右移的时候,高位补0,用或补位,保证高位在移动过程的IrValue[k]的 // 值不变,
}
Time=0;//用完时间要重新赋值
}
}
}
if(IrValue[2]!=~IrValue[3])
{
return;
}
}
}
3、移位总结
IrValue[k]>>=1; //k表示第几组数据 这是把变量整体右移一位,由于是无符号最高位补0 if(Time>=8) //如果高电平出现大于565us,那么是1{IrValue[k]|=0x80; //变量最高位置一 }Time=0; //用完时间要重新赋值
这样如果判断是1了就把最高位置一,0的话不用清零,因为右移的时候已经补0了
4、单片机红外通信(红外编码发射和红外接收解码代码)
一、NEC 协议特征:1. 8 位地址和 8 位命令长度2. 每次传输两遍地址(用户码)和命令(按键值)3. 通过脉冲串之间的时间间隔来实现信号的调制(PPM)4. 38Khz 载波5. 每位的周期为 1.12ms(低电平)或者 2.25ms(高电平)
二、NEC 协议的典型脉冲链:用户码和数据码中的‘0’和‘1’是利用脉冲的时间间隔来区分,这种编码方式称为脉冲 位置调制方式(PPM)。其中位 0 首先为 0.56ms 的高电平,然后是 0.565ms 的低电平;位 1 首先是 0.56ms的高电平,然后是 1.69ms 的低电平。五、编程注意事项1.红外接收头引脚信号是相反的电平 。 以上电平是从发射头角度来看,红外接收头引脚输出的是相反的电平。 如图,即没有数据传输时,P3.2 引脚保持为高电平 ,当接收到数据时,首先是引导 码,9ms 的低电平和 4.5ms 的高电平,然后是 32 位数据和 1 位停止位。一般来说, P3.2 与单片机的某中断引脚相连,当接收数据时,低电平会触发中断。2.数据从 LSB(低位)开始发送,所以选择右移 方式接收数据。 四个字节的数据都是先发送 D0,最后发送 D7。所以接收到 1 位数据后,给变量的 最高位赋值,右移。或者先右移,再给变量的最高位赋值。3.可以用一个数组保存 32 个数据的持续时间,用于后面判断高低电平。 用定时器对两个数据(中断)之间的时间计时,并保存这个持续时间用于以后判断 是位 1 还是位 0。4.可以用 2 字节,4 字节变量存储 32 个数据,以节省代码空间 。可以用两个 16 位的 int 型变量存储数据,第一个 int 变量存储用户码,第二个存储数 据码和数据反码。也可以用一个 32 位 long 型的变量存储所有数据。5.判断停止位 。 接收到停止位后可以屏蔽红外引脚的中断,防止后面数据的干扰,解码成功后在开 启中断。
4.1发射编码部分核心代码:
#include <stc8.h>
typedef unsigned char uchar;
typedef unsigned int uint;
sbit irsend = P7^5; // 红外发送
sbit K = P0^7; // 按键总开关
sbit key1 = P0^0; // 按键1
sbit key2 = P0^1; // 按键2
uint hwcount, count; // 要进中断的总次数、用于记录进入中断次数
uchar irsys[2]= {0x00,0xff}; // 16位用户码
bit hsflag = 0; // 发送38KHz载波标志位
uchar ircode; // 发送的红外数据
void Timer1Init(void) // 13微秒@12.000MHz
{
AUXR &= 0xBF; // 定时器时钟12T模式
TMOD &= 0x0F; // 设置定时器模式
TMOD |= 0x20; // 设置定时器模式
TL1 = 0xF3; // 设置定时初值
TH1 = 0xF3; // 设置定时重载值
TF1 = 0; // 清除TF1标志
TR1 = 0; // 定时器1关闭计时
ET1 = 1; // 开定时器1中断
EA = 1; // 开总中断
}
void Timer1_isr() interrupt 3
{
count++;
if(hsflag) // 有发射标志,则发射38khz
{
irsend = ~irsend;
}
else // 否则不发射,即相当于发射编码中的低电平
irsend = 1;
}
void ir_SendByte() // 红外发送一字节数据
{
uchar i;
for(i=0;i<8;i++) // 一字节八位,循环八次
{
hwcount = 43; // 0.56ms高电平,需要进43次定时器1中断(560/13=43)
hsflag = 1; // 发射38KHz载波标志
count = 0; // count置0,从这时起记录进入定时器1中断的次数
TR1 = 1; // 定时器1开启计时
while(count < hwcount); // 在此等待,直到进入中断次数达到43次
TR1 = 0; // 定时器1关闭计时
if(ircode&0x01) // 数据是从最低位开始发送的,最低位是1则要进130次中断
{
hwcount = 130; // 1.69ms低电平,进中断总次数130(1690/13=130)
}
else // 最低位是0,则要进43次定时器1中断
{
hwcount = 43; // 0.565ms低电平,进中断总次数43(565/13=43)
}
hsflag = 0; // 低电平,不需要38kHz载波
count = 0;
TR1 = 1;
while(count < hwcount);
TR1 = 0;
ircode = ircode >> 1; // 将数据右移一位,即从低位到高位发送
}
}
void ir_Send(uchar date)
{
hwcount = 692; // (引导码中的)9ms高电平,9000/13=692
hsflag = 1; // 高电平需要38kHz载波
count = 0;
TR1 = 1;
while(count < hwcount);
TR1 = 0;
hwcount = 346; // (引导码中)4.5ms低电平,4500/13=346
hsflag = 0; // 低电平不需要38kHz载波
count = 0;
TR1 = 1;
while(count < hwcount);
TR1 = 0;
ircode = irsys[0]; // 发送用户码的前8位
ir_SendByte();
ircode = irsys[1]; // 发送用户码的后8位
ir_SendByte();
ircode = date; // 发送键值
ir_SendByte();
ircode = ~date; // 发送键值反码
ir_SendByte();
hwcount = 43; // 0.56ms高电平,560/13=43
hsflag = 1; // 高电平需要38kHz载波
count = 0;
TR1 = 1; // 定时器1开启计时
while(count < hwcount);
TR1 = 0; // 定时器1关闭计时
hwcount = 43; // (NEC协议中的停止码)0.56ms低电平
hsflag = 0;
count = 0;
TR1 = 1;
while(count < hwcount);
TR1 = 0;
irsend = 1; // 关闭红外发射
}
void main()
{
K = 0; // 按键总开关拉低
Timer1Init(); // 定时器1初始化
while(1)
{
if(key1 == 0) // 按键1
{
ir_Send(0x8a); // 发送键值8aH
}
if(key2 == 0) // 按键2
{
ir_Send(0xa6); // 发送键值a6H
}
}
}
4.2按键代码
#include "key.h"
#define GPIO_KEY P0
bit flag = 0;
/**********************************************
* 函数名:Check_key
* 描述 :矩阵按键扫描(缺陷:不能通过按一次按键,给变量只加一)
* 参数 :无
* 返回值:键值
* 调用 :外部调用
**********************************************/
//unsigned char Check_key(void)
//{
// unsigned char row,col,temp1,temp2,keyvalue;
// temp1 = 0x01;
// for(row=0;row<4;row++) // 行扫
// {
// P0 = 0xF0; // 先将P0.4~P0.7置高
// P0 = ~temp1; // 使P0.1~P0.3中有一位为0
// temp1 *= 2; // temp1左移一位
// if((P0 & 0xF0) < 0xF0) // 当按键按下时,(P0 & 0xF0) 高四位不在是F,可能为7或B或D或E。
// { // 这时可以确定按下的是(row+1)行
// temp2 = 0x80;
// for(col=0;col<4;col++) // 列扫
// {
// if((P0 & temp2)==0x00) // 当(P0 & temp2)等于0x00时,可以确定按下的位置是(col+1)列
// {
// keyvalue = row*4+col; // 得到所按下按键的键值
// return keyvalue; // 把得到的键值作为返回值
// }
// temp2 /= 2; // temp2右移一位
// }
// }
// }
// return 16; // 因为定义数码管段选表中,16对应的是全灭,故无按键按下时返回16
//}
/*************************************************
* 函数名:delay_ms
* 描述 :延时函数
* 参数 :xms , xms是几延时几毫秒
* 返回值:无
* 调用 :内部调用
*************************************************/
void delay_ms(unsigned int xms)
{
unsigned char i, j;
unsigned int x;
for(x=xms;x>0;x--)
{
i = 16;
j = 147;
do
{
while (--j);
} while (--i);
}
}
/*************************************************
* 函数名:key_scan
* 描述 :把按下的矩阵按键的键值返回
* 参数 :无
* 返回值:按下的键值
* 调用 :外部调用
*************************************************/
unsigned char key_scan()
{
unsigned char keyvalue1,keyvalue2,a=0;
if(flag==0)
{
keyvalue2=16;
flag=1;
}
GPIO_KEY = 0xf0; // 高四位为1,低四位为0
if(GPIO_KEY != 0xf0)
{
delay_ms(10); // 延时消抖
if(GPIO_KEY != 0xf0)
{
GPIO_KEY=0xf0;
switch(GPIO_KEY)
{
case 0xe0: keyvalue1 = 3;break; // 确定矩阵按键被按下的位置是第几列
case 0xd0: keyvalue1 = 2;break; // 0、1、2、3
case 0xb0: keyvalue1 = 1;break;
case 0x70: keyvalue1 = 0;break;
}
GPIO_KEY=0x0f;
// 确定矩阵按键被按下位置的键值:列(或0或1或2或3) + 行(或0或4或8或12)
if((GPIO_KEY != 0x0d)||(GPIO_KEY != 0x0b)||(GPIO_KEY != 0x07))
keyvalue2 = keyvalue1;
if(GPIO_KEY == 0x0d)
keyvalue2 = keyvalue1+4;
if(GPIO_KEY == 0x0b)
keyvalue2 = keyvalue1+8;
if(GPIO_KEY == 0x07)
keyvalue2 = keyvalue1+12;
while((a<50)&&(GPIO_KEY!=0x0f))
{
delay_ms(10);
a++;
}
}
}
if(GPIO_KEY==0xF0)
keyvalue2 = 16;
return keyvalue2;
}
4.3单片机红外解码源程序如下
#include <stc8.h>
#include "hc595.h"
typedef unsigned char uchar;
typedef unsigned int uint;
sbit ir = P3^2; // 红外接收
uchar irtime; // 记录定时器0中断次数
uchar irdata[33]; // 存放接收到的33位红外数据的每位进入中断的次数
uchar bitnum; // 数组下标,用于记录是第几位红外数据
uchar startflag; // 开始接收标志
uchar irok; // 33位数据收集完成标志
uchar ircode[4]; // 用于存放16位用户码+8位键值+8位键值反码
uchar irprosok; // 四个码值转化完成标志
uchar disnum[8]; // 把四个码值分割成8位,用于数码管显示
void Int0Init(void) // 外部中断0初始化
{
IT0 = 1; // 下降沿触发
EX0 = 1; // 开启外部中断0
EA = 1; // 开总中断
ir = 1; // 红外接收置1
}
void Timer0Init(void) // 定时器0初始化,模式:12T,晶振:12MHz
{
TMOD = 0x02; // 定时器0模式2,8位自动重装载
TH0 = 0x00; // 256*(1/12)*12 = 0.256ms
TL0 = 0x00;
ET0 = 1; // 开定时器0中断
EA = 1; // 开总中断
TR0 = 1; // 定时器0开始计时
}
void irpros(void) // 码值转换
{
uchar num, k, i, j;
k = 1;
for(j=0;j<4;j++) // 四个码值,循环四次
{
for(i=0;i<8;i++) // 每个码值八位,循环八次
{
num = num >> 1; // 从最低位开始接收
if(irdata[k]>6) // 判断这位数据是0还是1:(0:1.12/0.256=4.4)(1:2.25/0.256=8.8)
{
num = num | 0x80;
}
k++;
}
ircode[j] = num; // 存放码值
}
irprosok = 1; // 码值转换完成标志
}
void irwork(void) // 码值分割,用于数码管显示
{
disnum[0] = ircode[0]/16;
disnum[1] = ircode[0]%16;
disnum[2] = ircode[1]/16;
disnum[3] = ircode[1]%16;
disnum[4] = ircode[2]/16;
disnum[5] = ircode[2]%16;
disnum[6] = ircode[3]/16;
disnum[7] = ircode[3]%16;
}
void Int0 () interrupt 0
{
if(startflag)
{
if(irtime>32 && irtime<63) // 8~16ms
{
bitnum = 0;
}
irdata[bitnum] = irtime; // 存放每位进中断的次数
irtime = 0; // 清零,为下次计数做准备
bitnum++; // 下标加一
if(bitnum==33) // 判断是否33位数据接收完
{
bitnum = 0;
irok = 1; // 接收完成标志
}
}
else
{
irtime = 0;
startflag = 1;
}
}
void Timer0() interrupt 1
{
irtime++;
}
void main()
{
Int0Init();
Timer0Init();
while(1)
{
if(irok == 1) // 接收完成
{
irpros();
irok = 0;
}
if(irprosok == 1) // 码值转换完成
{
irwork();
irprosok = 0;
}
display(0,disnum[4]); // 显示键值
display(1,disnum[5]);
display(2,20); // 显示"H"
}
}
总结下,下面这一个代码比较清晰,思路,利于理解,明确了中断和定时的时间,而不像前面的是利用单片机的机器周期,指令周期来确认。
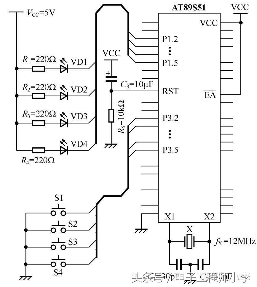
详解单片机的硬件开发过程
在进行单片机应用系统开发时,一般先进行硬件开发,再进行软件开发。单片机的硬件开发一般可按下面几个步骤进行。
明确单片机应用系统要实现的功能
在进行单片机开发时,一定要明确开发出来的单片机应用系统需要实现什么样的功能,之后的硬件、软件设计都要围绕着单片机要实现的功能进行。
例如,要开发一个控制发光二极管亮灭的单片机应用系统,具体功能要求如下。
① 采用4个开关控制4只发光二极管。
② 按下某个开关,相应的发光二极管会发光;松开开关,发光二极管会熄灭。
③ 同时按下4个开关,4只发光二极管都亮。
选择单片机型号
明确单片机应用系统要实现的功能后,再选择单片机的种类和型号。单片机的种类很多,如PIC系列单片机、MCS-51系列单片机等,这些单片机又有很多型号,不同型号的单片机结构和功能有所不同,编程时软件指令也有所不同。
在选择单片机型号时,一般应注意以下两点。
① 在功能够用的情况下,考虑性能价格比。有些型号的单片机功能强大,但相应的价格也较高,而选择单片机型号时功能足够即可,不要盲目选用功能强大的单片机。
② 选择自己熟悉的单片机。不同系列的单片机内部硬件结构和软件指令或多或少有些不同,而选择自己熟悉的单片机可以提高开发效率,缩短开发时间。
这里选择Atmel公司的AT89S51型号的单片机,选择的理由除了AT89S51单片机与8051单片机完全兼容(引脚数及功能相同,软件指令也相同,内部结构基本相同)外,AT89S51单片机在市场上也比较容易获得(8051已不生产),另外AT89S51单片机内部的程序存储器采用可反复擦写的EEPROM,这样有利于反复修改程序,而8051单片机内部的程序存储器只能写一次。
设计单片机外围电路
单片机的外围电路主要有基本工作条件电路、输入电路和输出电路。根据单片机要实现的功能设计出来的单片机外围电路如图3-2所示。
图3-2 单片机外围电路
(1)基本工作条件电路
单片机的VCC电源引脚接+5V电源,C3、R5构成复位电路,晶振X和电容C1、C2与内部电路构成时钟电路,这些电路分别为单片机提供电源、复位信号和时钟信号,单片机即开始工作。
(2)输入电路
按键S1~S4构成输入电路。当按下某按键时,单片机相应的输入引脚为低电平;当按键弹起时,相应的输入引脚为高电平。
(3)输出电路
发光二极管VD1~VD4和电阻R1~R4构成单片机的输出电路,其中R1~R4为限流电阻,用于防止流过发光二极管的电流过大而损坏发光二极管。当单片机的某个输出引脚为低电平或高电平时,该引脚外接的发光二极管就会亮或灭。
单片机外围电路设计好后,可以将这些电路做在一块电路板上,为了方便之后的单片机软件开发,可在安装单片机的位置处安装一个40引脚的插座,这样在仿真、编程时可使单片机容易插入和取出。这样制作出来的电路板常称作实验板。
相关问答
单片机 考研参考书?学单片机一下书必看,选择自己最感兴趣的,这样学起来比较快,或者加入正规的系统学习班:《51单片机工程师是怎样炼成的:基于C语言+Proteus仿真》《单片机C语...
8051单片机 的基础知识?谢邀。8051单片机的基础知识有:8051单片机内部资源。中央处理器、程序存储器(ROM)、数据存储器(RAM)、定时器(2个16位可编程)、四组8位IO口、一个双全工...
51 单片机 中, 8051 ,80 C 51和 C8051 分别是什么?80C51一般指普通的8051,就是我们常说的51,相比之下C8051是非常高端的一种51(这么说是因为不管怎么样,它还是51,没有贬义。。),价格也比较高,全兼容51,但...80...
8051 系列 单片机 有哪些?8051单片机有Inter的8051,8751。Atmel的AT89C51,STC的STC89C51,Dallas的Dallas80C31……51单片机最初是由Intel公司开发设计的,但后来I...
怎么把写好的代码烧写到 单片机 里?如果是STC这一类单片机,带有ISP功能,可以直接用串口将程序下载到单片机,如果是普通的8051单片机,那么需要编程器将程序“烧录”到单片机。如果是STC这一类单...
单片机 的红绿灯控制 程序 如何写啊 - 小红薯BDA0DD94 的回答 -...//--------------------------------------------------//名称:LED模拟交通灯//作者:彭伟《单片机C语言程序设计实训100例-基于8051PROT...
单片机 - 8051 的 程序 计数器PC有何作用?寻址范围是什么?程序计数器PC始终指向下一条将要执行的指令地址。寻址范围是0000H~FFFFH。其中0000H~0FFFH为64KB片内和片外公共地址,靠EA来区分。0FFFH~FFFFH为外部程序存储...
C 语言编写年历显示 程序 20分- 汇财吧专业问答test[回答]一、设计题目万年历的设计二、设计要求1、能够显示星期;2、能够显示年月日;3、能够修改;4、当系统时间变动时,能自动跳到相应的时间。三...C语言设...
51 单片机 如何建立步骤?目前进行STC89C51/52、AT89S51/521、双击启动keil软件2、启动新建工程3、给新建工程命名和保存4、选择单片机型号,我们以STC89C52为例,依次选择“Atmel”-.....
8051单片机 有多少个接口?8051一般有40个接口,这里拿我们国产的具有8051核心的芯片STC89C52RC来介绍一下其接口情况。一、芯片简介TC89C52RC芯片是宏晶科技公司生产的STC89系列单片机中...
